Experimental Investigations of Flow Boiling Heat Transfer under Near-Critical Pressure for Selected Working Fluids
Abstract
1. Introduction
2. Apparatus and Methodology
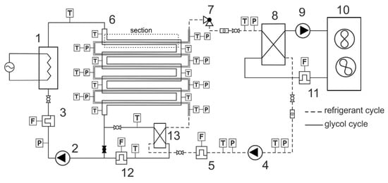
2.1. Experimental Apparatus
2.2. Methodology of Measurement of Heat Transfer Coefficient
2.3. Calibration Results of Heat Transfer for Heating Fluid Side
3. Experimental Results
4. Conclusions
- The maximum heat transfer coefficient occurred for the two-phase quality of approximately 0.4 for all the tested fluids under high pressure conditions. Note that the two-phase quality at which there is a maximum heat transfer coefficient under low and moderate pressures is app. 0.7–0.8. A shift of quality of the maximum heat transfer coefficient may be viewed as a result of thermokinetic property changes under near-critical pressure conditions. The above may be thought of as a characteristic feature of the boiling process under near-critical conditions.
- The Gungor–Winterton boiling heat transfer correlation may be recommended for application to tested fluids. However, this heat transfer correlation overpredicts surface heat transfer coefficients for lowest (up to 3 kW/m2) and highest (over 7 kW/m2) heat flux densities for all tested fluids.
- In order to improve the accuracy of the Gungor–Winterton heat transfer correlation, its modification was proposed based on a multiplier with a modified Boiling number. The coefficient of determination for the entire experimental data for the proposed modified heat transfer correlation is R2 = 0.51.
Author Contributions
Funding
Institutional Review Board Statement
Informed Consent Statement
Data Availability Statement
Conflicts of Interest
Nomenclature
| A | surface area, m2 |
| Bo | boiling number, Equation (27) |
| C | constant of Wilson plot technique |
| c | specific heat at constant pressure, J/(kg·K) |
| diameter, m | |
| E | convection multiplayer, Equation (22) |
| G | mass velocity, kg/(m2·s) |
| g | gravitational acceleration, m/s2 |
| h | specific enthalpy, J/kg |
| overall heat transfer coefficient, W/(m2·K) | |
| L | length, m |
| l | constant, Equation (27) |
| M | molar mass, kg/kmol |
| mass flow rate, kg/s | |
| Nu | Nusselt number, Nu = α D/λ |
| Pr | Prandtl number, Pr = μ c/λ |
| heat flux, W | |
| q | heat flux density, W/m2 |
| R | thermal resistance, m2·K/W |
| Re | Reynolds number, Re = GD/μ |
| S | boiling suppression factor, Equation (23) |
| t | temperature, °C |
| X | reduced Wilson plot technique coordinate |
| x | quality of two-phase flow |
| Y | surface tension, N/m |
| Greek symbols | |
| α | surface heat transfer coefficient, W/(m2·K) |
| χ | Lockhart-Martinelli parameter, Equation (23) |
| thermal conductivity, W/(m·K) | |
| μ | dynamic viscosity, Pa·s |
| ρ | density, kg/m3 |
| σ | surface tension, N/m |
| Subscripts | |
| bc | pool boiling |
| cr | critical |
| conv | convection |
| fg | vaporisation |
| g | glycol (heating fluid) |
| inside; inlet | |
| k | capillary |
| l | laminar flow; liquid phase |
| m | mean; modified |
| r | refrigerant (boiling fluid) |
| o | outlet; outside |
| t | tube; turbulent flow |
| v | vapour phase |
| w | tube wall |
| ′ | saturated liquid |
| ″ | saturated vapour |
References
- Liu, P.; Shu, G.; Tian, H.; Wang, X.; Yu, Z. Alkanes based two-stage expansion with interheating Organic Rankine cycle for multi-waste heat recovery of truck diesel engine. Energy 2018, 147, 337–350. [Google Scholar] [CrossRef]
- Shu, G.; Liu, P.; Tian, H.; Wang, X.; Jing, D. Operational profile based thermal-economic analysis on an Organic Rankine cycle using for harvesting marine engine’s exhaust waste heat. Energy Convers. Manag. 2017, 146, 107–123. [Google Scholar] [CrossRef]
- Mastrullo, R.; Mauro, A.W.; Revellin, R.; Viscito, L. Modeling and optimization of a shell and louvered fin mini-tubes heat exchanger in an ORC powered by an internal combustion engine. Energy Convers. Manag. 2015, 101, 697–712. [Google Scholar] [CrossRef]
- Pan, L.; Wang, H.; Shi, W. Performance analysis in near-critical conditions of organic Rankine cycle. Energy 2012, 37, 281–286. [Google Scholar] [CrossRef]
- Shu, G.; Wang, X.; Tian, H.; Liu, P.; Jing, D.; Li, X. Scan of working fluids based on dynamic response characters for Organic Rankine Cycle using for engine waste heat recovery. Energy 2017, 133, 609–620. [Google Scholar] [CrossRef]
- Papadopoulos, A.I.; Stijepovic, M.; Linke, P. On the systematic design and selection of optimal working fluids for Organic Rankine Cycles. Appl. Therm. Eng. 2010, 30, 760–769. [Google Scholar] [CrossRef]
- Mikielewicz, D.; Mikielewicz, J. A thermodynamic criterion for selection of working fluid for subcritical and supercritical domestic micro CHP. Appl. Therm. Eng. 2010, 30, 2357–2362. [Google Scholar] [CrossRef]
- Lei, L.; Zhang, W.; Zhang, J.; Dinh, N.; Li, H. Experimental investigations on the boiling heat transfer of horizontal flow in the near-critical region. Int. J. Heat Mass Transf. 2018, 125, 618–628. [Google Scholar] [CrossRef]
- Howell, J.R.; Lee, S.H. Convective heat transfer in the entrance region of a vertical tube for water near the thermodynamic critical point. Int. J. Heat Mass Transf. 1999, 42, 1177–1187. [Google Scholar] [CrossRef]
- Lee, S.H. Convective heat transfer to water near the critical region in a horizontal square duct. Int. J. Heat Mass Transf. 2008, 51, 2930–2939. [Google Scholar] [CrossRef]
- Lee, S.H. Transient convective heat transfer to water near the critical region in a vertical tube. Int. Commun. Heat Mass Transf. 2006, 33, 610–617. [Google Scholar] [CrossRef]
- Lee, S.H.; Howell, J.R. Turbulent development convective heat transfer in a tube for fluids near the critical point. Int. J. Heat Mass Transf. 1999, 41, 1205–1218. [Google Scholar] [CrossRef]
- Liu, G.; Huang, Y.; Wang, J.; Lv, F.; Leung, L.K.H. Experiments on the basic behavior of supercritical CO2 natural circulation. Nucl. Eng. Des. 2016, 300, 376–383. [Google Scholar] [CrossRef]
- Thome, J.R.; El Hajal, J. Flow boiling heat transfer to carbon dioxide: General prediction method. Int. J. Refrig. 2004, 27, 294–301. [Google Scholar] [CrossRef]
- Pan, M.; Chen, X.; Li, X. Multi-objective analysis and optimization of cascade supercritical CO2 cycle and organic Rankine cycle systems for waste-to-energy power plant. Appl. Therm. Eng. 2022, 214, 118882. [Google Scholar] [CrossRef]
- Xu, G.; Fu, J.; Quan, Y.; Wen, J.; Dong, B. Experimental investigation on heat transfer characteristics of hexamethyldisiloxane (MM) at supercritical pressures for medium/high temperature ORC applications. Int. J. Heat Mass Transf. 2020, 156, 119852. [Google Scholar] [CrossRef]
- Cheng, L.; Ribatski, G.; Wojtan, L.; Thome, J.R. New flow boiling heat transfer model and flow pattern map for carbon dioxide evaporating inside horizontal tubes. Int. J. Heat Mass Transf. 2005, 49, 4082–4094. [Google Scholar] [CrossRef]
- Huang, J.; Xiao, Q.; Liu, J.; Wang, H. Modeling heat transfer properties in an ORC direct contact evaporator using RBF neural network combined with EMD. Energy 2019, 173, 306–316. [Google Scholar] [CrossRef]
- Pereira, J.S.; Almeida, J.; Andre, J.C.; Mendes, R.; Ribeiro, J.B. Modelling and experimental validation of the heat-transfer processes of a direct vaporization micro-scale ORC-evaporator for thermal degradation risk assessment. Energy Convers. Manag. 2021, 238, 114130. [Google Scholar] [CrossRef]
- Jajja, S.A.; Fronk, B.M. Investigation of near-critical heat transfer in rectangular microchannels with single wall heating using infrared thermography. Int. J. Heat Mass Transf. 2021, 177, 121470. [Google Scholar] [CrossRef]
- Welzl, M.; Heberle, F.; Brüggemann, D. Experimental evaluation of nucleate pool boiling heat transfer correlations for R245fa and R1233zd(E) in ORC applications. Renew. Energy 2020, 147 Pt 3, 2855–2864. [Google Scholar] [CrossRef]
- Gorenflo, D.; Baumhogger, E.; Herres, G.; Kotthoff, S. Prediction methods for pool boiling heat transfer: A state-of-the-art review. Int. J. Refrig. 2014, 43, 203–226. [Google Scholar] [CrossRef]
- Dalkilic, A.S.; Celen, S.; Çebi, A.; Wongwises, S. Empirical correlations for the determination of R134a’s convective heat transfer coefficient in horizontal and vertical evaporators having smooth and corrugated tubes. Int. Commun. Heat Mass Transf. 2016, 76, 85–97. [Google Scholar] [CrossRef]
- Belyaev, A.V.; Varava, A.N.; Dedov, A.V.; Komov, A.T. An experimental study of flow boiling in minichannels at high reduced pressure. Int. J. Heat Mass Transf. 2017, 110, 360–373. [Google Scholar] [CrossRef]
- Jakubowska, B.; Mikielewicz, D. An improved method for flow boiling heat transfer with account of the reduced pressure effect. Therm. Sci. 2019, 23, 1261–1272. [Google Scholar] [CrossRef]
- Mikielewicz, D. A New Method for Determination of Flow Boiling Heat Transfer Coefficient in Conventional-Diameter Channels and Minichannels. Heat Transf. Eng. 2010, 31, 276–287. [Google Scholar] [CrossRef]
- Guo, Q.; Li, M.; Tian, X. Experimental study on flow boiling heat transfer characteristics of R134a, R245fa and R134a/R245fa mixture at high saturation temperatures. Int. J. Therm. Sci. 2020, 150, 106195. [Google Scholar] [CrossRef]
- Ye, Z.; Zendehboudi, A.; Hafner, A.; Cao, F. General heat transfer correlations for supercritical carbon dioxide heated in vertical tubes for upward and downward flows. Int. J. Refrig. 2022, 140, 57–69. [Google Scholar] [CrossRef]
- Parahovnik, A.; Peles, Y. High pressure saturated flow boiling of CO2 at the micro scale. Int. J. Heat Mass Transf. 2022, 186, 122449. [Google Scholar] [CrossRef]
- Lemmon, E.; Huber, M.; McLinden, M. Standard Reference Database 23: Reference Fluid Thermodynamic and Transport Properties-REFPROP, version 10.0; National Institute of Standards and Technology, Standard Reference Data Program: Gaithersburg, MD, USA, 2018. [Google Scholar]
- Fernando, P.; Palm, B.; Ameel, T.; Lundqvist, P.; Granryd, E. A minichannel aluminium tube heat exchanger–Part II: Evaporator performance with propane. Int. J. Ref. 2008, 31, 681–695. [Google Scholar] [CrossRef]
- Gungor, K.E.; Wintertone, R.H.S. A general correlation for flow boiling in tubes and annuli. Int. J. Heat Mass Transf. 1986, 29, 351–358. [Google Scholar] [CrossRef]
- Cooper, M.K. Saturated nucleate pool boiling: A simple correlation. 1st UK Natl. Heat Transf. Conf. 1984, 2, 785–793. [Google Scholar]
- Thome, J.R. Wolverine Engineering Data Book III, Chapter 10. In Boiling Heat Transfer Inside Plain Tubes; 2010; Available online: https://www.academia.edu/7861284/Engineering_Data_Book_III_Boiling_Heat_Transfer_Inside_Plain_Tubes_10_1_Boiling_Heat_Transfer_Inside_Plain_Tubes (accessed on 7 September 2022).










| Heating Glycol Flow | Coefficient | Value |
|---|---|---|
| laminar | Co/0.015 | 0.93133 |
| turbulent | Co/0.023 | 1.16479 |
| Working Fluid | p/pcr | q [kW/m2] | G [kg/(m2·s)] |
|---|---|---|---|
| R600a | 0.501–0.893 | 0.39–10.42 | 28.01–67.68 |
| R134a | 0.700–0.856 | 0.43–9.94 | 54.43–190.0 |
| R507A | 0.503–0.985 | 0.34–5.35 | 56.09–126.3 |
Publisher’s Note: MDPI stays neutral with regard to jurisdictional claims in published maps and institutional affiliations. |
© 2022 by the authors. Licensee MDPI, Basel, Switzerland. This article is an open access article distributed under the terms and conditions of the Creative Commons Attribution (CC BY) license (https://creativecommons.org/licenses/by/4.0/).
Share and Cite
Butrymowicz, D.; Śmierciew, K.; Karwacki, J.; Borsukiewicz, A.; Gagan, J. Experimental Investigations of Flow Boiling Heat Transfer under Near-Critical Pressure for Selected Working Fluids. Sustainability 2022, 14, 14029. https://doi.org/10.3390/su142114029
Butrymowicz D, Śmierciew K, Karwacki J, Borsukiewicz A, Gagan J. Experimental Investigations of Flow Boiling Heat Transfer under Near-Critical Pressure for Selected Working Fluids. Sustainability. 2022; 14(21):14029. https://doi.org/10.3390/su142114029
Chicago/Turabian StyleButrymowicz, Dariusz, Kamil Śmierciew, Jarosław Karwacki, Aleksandra Borsukiewicz, and Jerzy Gagan. 2022. "Experimental Investigations of Flow Boiling Heat Transfer under Near-Critical Pressure for Selected Working Fluids" Sustainability 14, no. 21: 14029. https://doi.org/10.3390/su142114029
APA StyleButrymowicz, D., Śmierciew, K., Karwacki, J., Borsukiewicz, A., & Gagan, J. (2022). Experimental Investigations of Flow Boiling Heat Transfer under Near-Critical Pressure for Selected Working Fluids. Sustainability, 14(21), 14029. https://doi.org/10.3390/su142114029

