Analysis of the Effects of Different Driving Cycles on the Driving Range and Energy Consumption of BEVs
Abstract
1. Introduction
2. Characterization of Driving Cycle Conditions
2.1. Driving Cycle Analysis
2.2. Comparison of Cycle Characteristics
2.2.1. Cycle Duration and Distance
2.2.2. Cyclic Working Speed with Acceleration and Deceleration
2.2.3. Cyclic Condition RPA (Relative Positive Acceleration)
3. Simulation Model Based on Matlab/Simulink
3.1. Vehicle Parameters
3.2. Simulation Models
4. Analysis of Simulation Results
4.1. Driving Range Analysis
4.1.1. Analysis of Simulation Experiment Results
4.1.2. Analysis of Real-World Driving Data
4.1.3. Comparative Analysis of Simulation Results and Real Vehicle Data
4.1.4. Application of Driving Range Research Findings
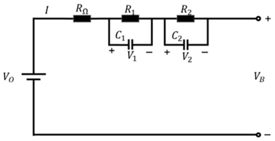
4.2. Energy Consumption Analysis of Driving Cycle Conditions
4.3. Analysis of Brakeing Energy Recovery
4.3.1. Analysis of Braking Energy and Recovered Energy for Each Driving Cycle Condition
4.3.2. Analysis of Braking Energy Recovery Efficiency Recovery Rate by Driving Cycle Conditions
5. Conclusions
Author Contributions
Funding
Data Availability Statement
Conflicts of Interest
Abbreviations
| BEV | Battery Electric Vehicle |
| NEDC | New European Driving Cycle |
| WLTC | World Light Vehicle Test Cycle |
| CLTC-P | China Light-duty Vehicle Test Cycle for Passenger |
| ECE | Economic Commission for Europe |
| EUDC | Extra Urban Driving Cycle |
References
- Mruzek, M.; Gajdáč, I.; Kučera, Ľ.; Barta, D. Analysis of parameters influencing electric vehicle range. Procedia Eng. 2016, 134, 165–174. [Google Scholar] [CrossRef]
- Weiss, M.; Cloos, K.C.; Helmers, E. Energy efficiency trade-offs in small to large electric vehicles. Environ. Sci. Eur. 2020, 32, 46. [Google Scholar] [CrossRef]
- De Gennaro, M.; Paffumi, E.; Martini, G.; Manfredi, U.; Scholz, H.; Lacher, H.; Kuehnelt, H.; Simic, D. Experimental Investigation of the Energy Efficiency of an Electric Vehicle in Different Driving Conditions; SAE Technical Paper; SAE: Warrendale, PA, USA, 2014. [Google Scholar]
- Fiori, C.; Ahn, K.; Rakha, H.A. Power-based electric vehicle energy consumption model: Model development and validation. Appl. Energy 2016, 168, 257–268. [Google Scholar] [CrossRef]
- Brady, J.; O’Mahony, M. Development of a driving cycle to evaluate the energy economy of electric vehicles in urban areas. Appl. Energy 2016, 177, 165–178. [Google Scholar] [CrossRef]
- Wang, H.; Zhang, X.; Ouyang, M. Energy consumption of electric vehicles based on real-world driving patterns: A case study of Beijing. Appl. Energy 2015, 157, 710–719. [Google Scholar] [CrossRef]
- Yuan, M.; Luo, W.; Lan, H.; Qin, Y. Research on multifractal characteristics of vehicle driving cycles. Machines 2023, 11, 423. [Google Scholar] [CrossRef]
- Zhang, W.; Yang, J. The Impact of Hybrid Energy Storage System on the Battery Cycle Life of Replaceable Battery Electric Vehicle. World Electr. Veh. J. 2023, 14, 248. [Google Scholar] [CrossRef]
- Teoh, J.X.; Stella, M.; Chew, K.W. Performance analysis of electric vehicle in worldwide harmonized light vehicles test procedure via vehicle simulation models in ADVISOR. In Proceedings of the 2019 IEEE 9th International Conference on System Engineering and Technology (ICSET), Shah Alam, Malaysia, 7 October 2019; pp. 215–220. [Google Scholar]
- Che Daud, Z.H.; Asus, Z.; Abu Bakar, S.A.; Abu Husain, N.; Mazali, I.I.; Chrenko, D. Thermal characteristics of a lithium-ion battery used in a hybrid electric vehicle under various driving cycles. IET Electr. Syst. Transp. 2020, 10, 243–248. [Google Scholar] [CrossRef]
- Xie, Y.; Li, Y.; Zhao, Z.; Dong, H.; Wang, S.; Liu, J.; Guan, J.; Duan, X. Microsimulation of electric vehicle energy consumption and driving range. Appl. Energy 2020, 267, 115081. [Google Scholar] [CrossRef]
- Szumska, E.M.; Jurecki, R.S. Parameters influencing on electric vehicle range. Energies 2021, 14, 4821. [Google Scholar] [CrossRef]
- GB/T 38146.1-2019; China Automotive Test Cycle—Part 1: Light-Duty Vehicles. Standards Press of China: Beijing, China, 2019.
- GB/T 19233-2008; Measurement Methods of Fuel Consumption for Light-Duty Vehicles. Standards Press of China: Beijing, China, 2008.
- GB 18352.3-2005; Limits and Measurement Methods for Emissions from Light-Duty Vehicles. Standards Press of China: Beijing, China, 2005.
- GB 18352.5-2013; Limits and Measurement Methods for Emissions from Light-Duty Vehicles (CHINA5). Standards Press of China: Beijing, China, 2013.
- GB/T 18386-2017; Electric Vehicles—Energy Consumption and Range—Test Procedures. Standards Press of China: Beijing, China, 2017.
- GB 18352.6-2016; Limits and Measurement Methods for Emissions from Light-Duty Vehicles (CHINA 6). Standards Press of China: Beijing, China, 2016.
- GB/T 18386.1-2021; Test Methods for Energy Consumption and Range of Electric Vehicles—Part 1: Light-Duty Vehicles. Standards Press of China: Beijing, China, 2021.
- Yokoyama, A.; Osaka, T.; Imanishi, Y.; Sekiya, S. Thermal management system for electric vehicles. SAE Int. J. Mater. Manuf. 2011, 4, 1277–1285. [Google Scholar] [CrossRef]
- Yu, Z.; Xia, Q.; Zhao, L.; Lun, J. Theory of Automobile, 5th ed.; China Machine Press: Beijing, China, 2009. [Google Scholar]
- Wu, X.; Zhang, X. Parameters identification of second order RC equivalent circuit model for lithium batteries. J. Nanjing Univ. Nat. Sci. 2020, 56, 754–761. [Google Scholar]
- Shang, Y.; Song, H.; Yang, Z.; Wu, Y.; Lu, G. Charge and Discharge Characteristics Analysis of Lithium Battery Based on Second-order RC model. High Volt. Appar. 2023, 59, 87–94. [Google Scholar]
- Anh, N.T.; Chen, C.-K.; Liu, X. An Efficient Regenerative Braking System for Electric Vehicles Based on a Fuzzy Control Strategy. Vehicles 2024, 6, 1496–1512. [Google Scholar] [CrossRef]
- Ning, X.; Wang, Z.; Lin, Y.; Yin, Y.; Wang, J.; Hong, Y. Optimization of Regenerative Braking Control Strategy in Single-Pedal Mode Based on Electro-Mechanical Braking. IEEE Access 2024, 12, 170994–171014. [Google Scholar] [CrossRef]
- Yin, Z.; Ma, X.; Su, R.; Huang, Z.; Zhang, C. Regenerative braking of electric vehicles based on fuzzy control strategy. Processes 2023, 11, 2985. [Google Scholar] [CrossRef]
- Wang, W.; Qu, F.; Yang, F.; Li, W.; Wang, P.; Zhu, Y. Research on Braking Torque Distribution Control Strategy of Distributed Drive Electric Vehicle Based on NSGA-II Algorithm. Automob. Technol. 2024, 5, 22–30. [Google Scholar]












| Driving Cycle Conditions | NEDC | WLTC | CLTC-P |
|---|---|---|---|
| Time/s | 1180 | 1800 | 1800 |
| Distance/km | 10.93 | 23.27 | 14.48 |
| Maximum speed/km/h | 120.00 | 131.30 | 114.00 |
| Average speed/km/h | 33.21 | 46.51 | 28.94 |
| RPA/m/s2 | 0.11 | 0.15 | 0.17 |
| Maximum acceleration/m/s2 | 1.06 | 1.67 | 1.92 |
| Maximum deceleration/m/s2 | −1.39 | −1.5 | −1.94 |
| Average acceleration/m/s2 | 0.54 | 0.41 | 0.36 |
| Average deceleration/m/s2 | −0.79 | −0.45 | −0.40 |
| Idle ratio | 23.72% | 13.1% | 23.3% |
| Component | Item | Value |
|---|---|---|
| Vehicle | Total mass/kg | 2020 |
| Axle load/kg | front 1048/rear 972 | |
| Full load mass/kg | 2395 | |
| Wheelbase/mm | 292 | |
| Air resistance coefficient | 0.233 | |
| Center of mass height/m | 0.54 | |
| Power battery | Rated Capacity/A·h | 135 |
| Drive motor | Peak power/kw | 163 |
| Cycle Condition | NEDC | CLTC-P | WLTC |
|---|---|---|---|
| Time (s) | 65,722 | 75,389 | 42,438 |
| Driving range (km) | 605.30 | 604.20 | 543.00 |
| Rate of change of driving range (%) | - | 0.18 | 10.29 |
| Energy consumption (W·h/km) | 127.04 | 127.15 | 142.46 |
| Rate of change in energy consumption (%) | - | 0.09 | 12.14 |
Disclaimer/Publisher’s Note: The statements, opinions and data contained in all publications are solely those of the individual author(s) and contributor(s) and not of MDPI and/or the editor(s). MDPI and/or the editor(s) disclaim responsibility for any injury to people or property resulting from any ideas, methods, instructions or products referred to in the content. |
© 2025 by the authors. Published by MDPI on behalf of the World Electric Vehicle Association. Licensee MDPI, Basel, Switzerland. This article is an open access article distributed under the terms and conditions of the Creative Commons Attribution (CC BY) license (https://creativecommons.org/licenses/by/4.0/).
Share and Cite
Cheng, R.; Zhang, W.; Yang, J.; Wang, S.; Li, L. Analysis of the Effects of Different Driving Cycles on the Driving Range and Energy Consumption of BEVs. World Electr. Veh. J. 2025, 16, 124. https://doi.org/10.3390/wevj16030124
Cheng R, Zhang W, Yang J, Wang S, Li L. Analysis of the Effects of Different Driving Cycles on the Driving Range and Energy Consumption of BEVs. World Electric Vehicle Journal. 2025; 16(3):124. https://doi.org/10.3390/wevj16030124
Chicago/Turabian StyleCheng, Rubao, Wei Zhang, Jue Yang, Sun Wang, and Laiao Li. 2025. "Analysis of the Effects of Different Driving Cycles on the Driving Range and Energy Consumption of BEVs" World Electric Vehicle Journal 16, no. 3: 124. https://doi.org/10.3390/wevj16030124
APA StyleCheng, R., Zhang, W., Yang, J., Wang, S., & Li, L. (2025). Analysis of the Effects of Different Driving Cycles on the Driving Range and Energy Consumption of BEVs. World Electric Vehicle Journal, 16(3), 124. https://doi.org/10.3390/wevj16030124

