A Simplified 4-DOF Dynamic Model of a Series-Parallel Hybrid Electric Vehicle
Abstract
1. Introduction
1.1. Motivations and Technical Challenges
1.2. Literature Review
1.3. Original Contributions
1.4. Outline of Paper
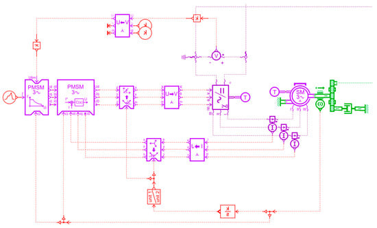
2. Description of the Powertrain and the Longitudinal Dynamic Model
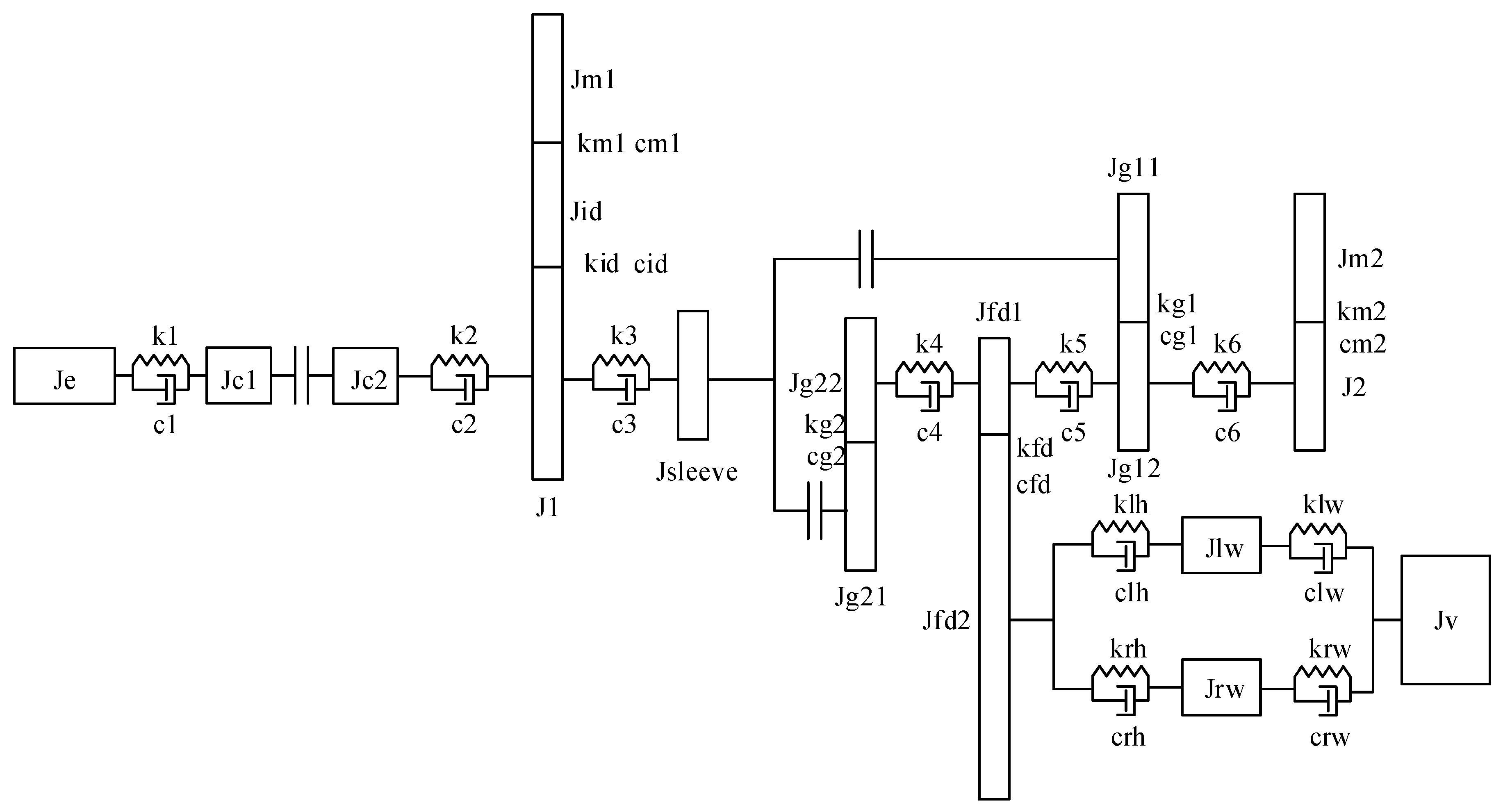
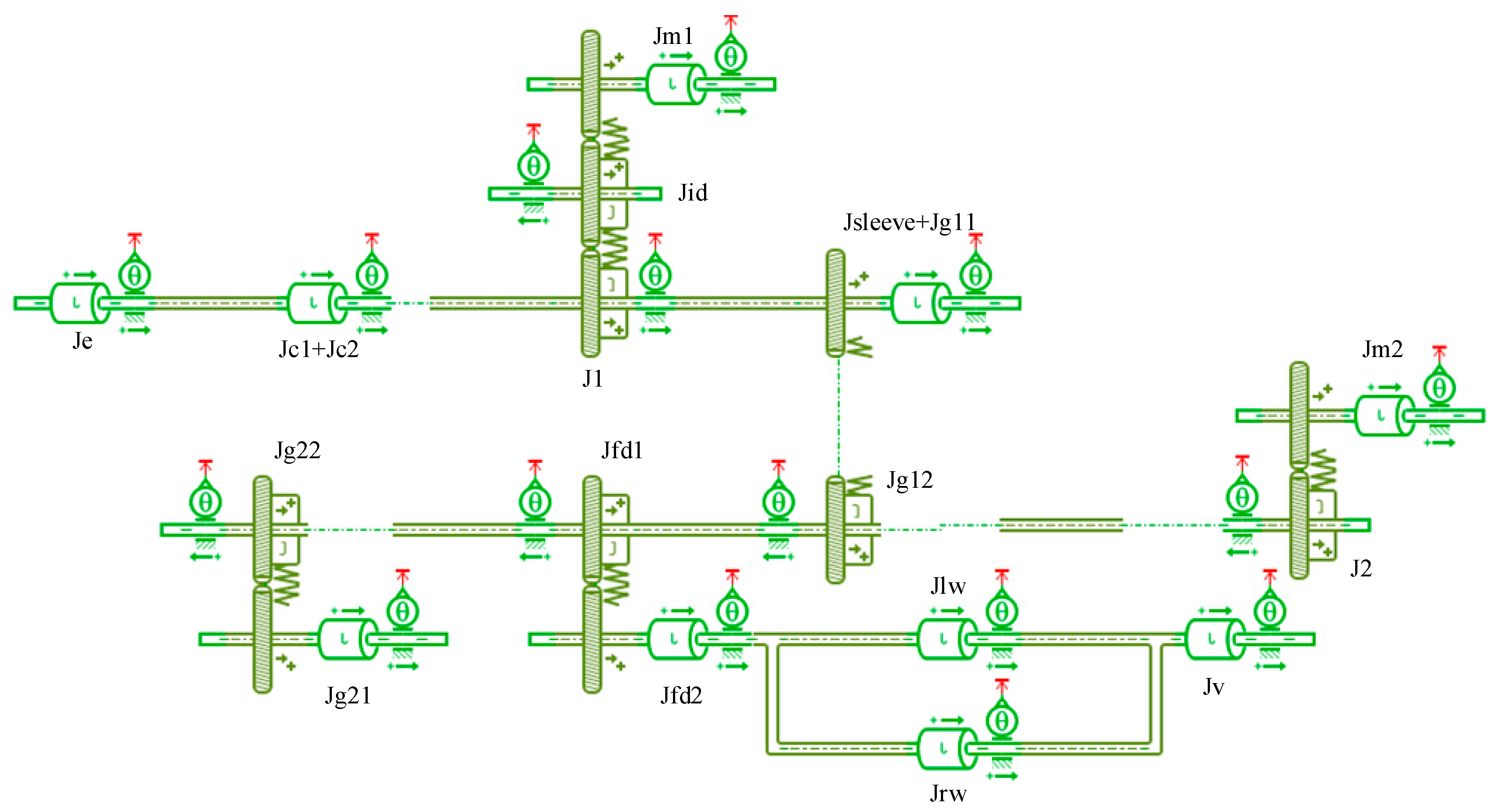
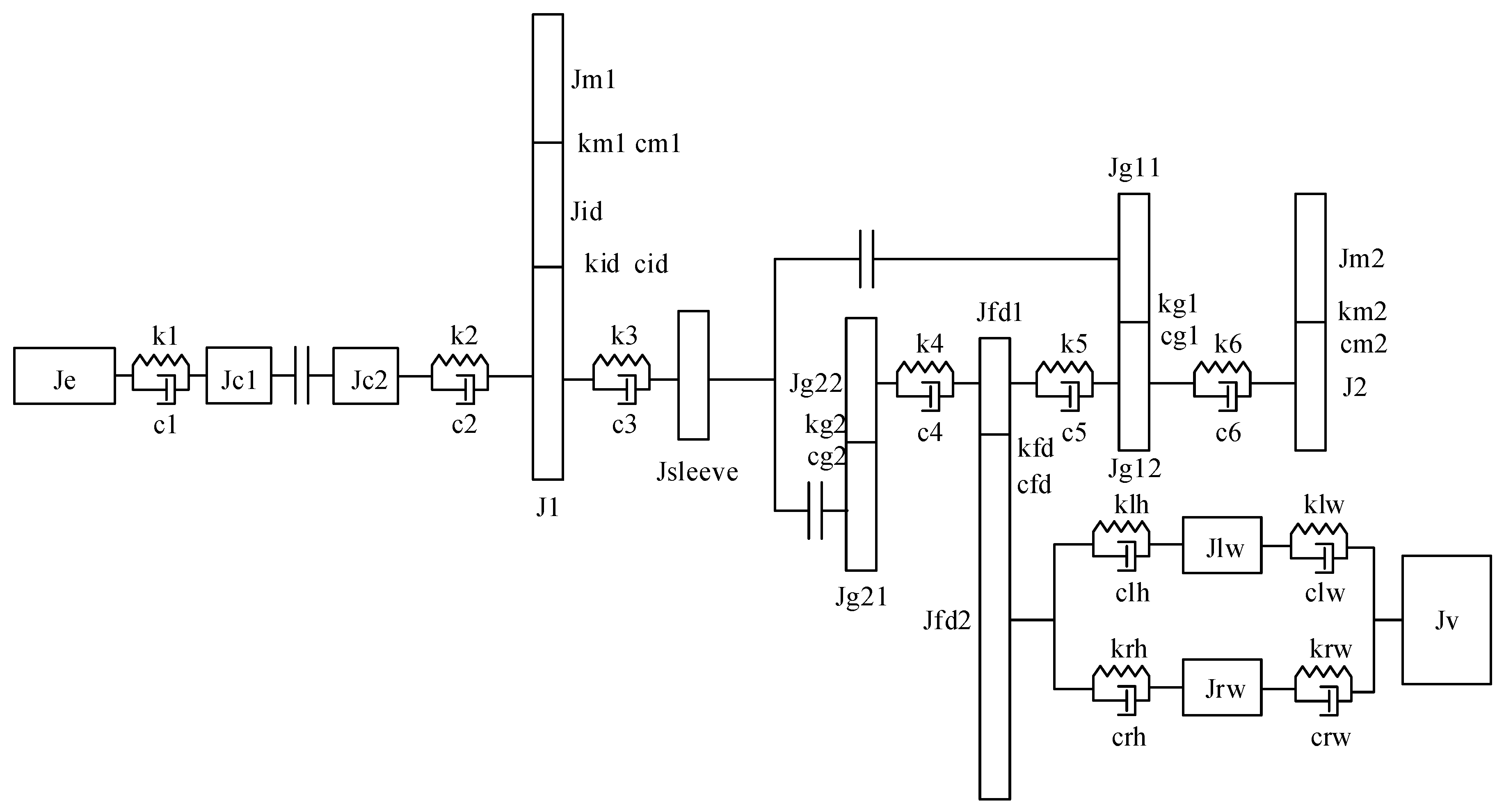
3. Establishment of 16-DOF Full-Order Model
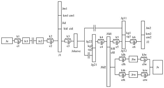
4. The 4-DOF Dynamic Model of the HEV Powertrain
5. Conclusions
Author Contributions
Funding
Data Availability Statement
Conflicts of Interest
References
- Castellano, A.; Stano, P.; Montanaro, U.; Cammalleri, M.; Sorniotti, A. Model predictive control for multimode power-split hybrid electric vehicles: Parametric internal model with integrated mode switch and variable meshing losses. Mech. Mach. Theory 2024, 192, 105543. [Google Scholar] [CrossRef]
- Beatrice, C.; Capasso, C.; Doulgeris, S.; Samaras, Z.; Veneri, O. Hybrid storage system management for hybrid electric vehicles under real operating conditions. Appl. Energy 2024, 354, 122170. [Google Scholar] [CrossRef]
- Squalli, J. Environmental hypocrisy? Electric and hybrid vehicle adoption and pro-environmental attitudes in the United States. Energy 2024, 293, 130670. [Google Scholar] [CrossRef]
- Andrenacci, N.; Giuli, G.; Genovese, A.; Pede, G. Flexible Charging to Energy Saving—Strategies Assessment with Big Data Analysis for PHEVs Private Cars. World Electr. Veh. J. 2024, 15, 197. [Google Scholar] [CrossRef]
- Jian, B.; Wang, H. Hardware-in-the-loop real-time validation of fuel cell electric vehicle power system based on multi-stack fuel cell construction. J. Clean. Prod. 2022, 331, 129807. [Google Scholar] [CrossRef]
- Shao, Y.; Zulkefli, M.A.M.; Sun, Z.; Huang, P. Evaluating connected and autonomous vehicles using a hardware-in-the-loop testbed and a living lab. Transp. Res. Part C Emerg. Technol. 2019, 102, 121–135. [Google Scholar] [CrossRef]
- Walker, P.; Zhu, B.; Zhang, N. Powertrain dynamics and control of a two speed dual clutch transmission for electric vehicles. Mech. Syst. Signal Process. 2017, 85, 1–15. [Google Scholar] [CrossRef]
- Walker, P.; Zhang, N. Active damping of transient vibration in dual clutch transmission equipped powertrains: A comparison of conventional and hybrid electric vehicles. Mech. Mach. Theory 2014, 77, 1–12. [Google Scholar] [CrossRef]
- Walker, P.; Zhang, N.; Tamba, R. Control of gear shifts in dual clutch transmission powertrains. Mech. Syst. Signal Process. 2011, 25, 1923–1936. [Google Scholar] [CrossRef]
- Shin, S.; Choi, S.B. Control-oriented modeling of wet clutch friction considering thermal dynamics. Mechatronics 2024, 99, 103146. [Google Scholar] [CrossRef]
- Wang, Y.; Wu, J.; Zhang, N.; Mo, W. Dynamics modeling and shift control of a novel spring-based synchronizer for electric vehicles. Mech. Mach. Theory 2022, 168, 104586. [Google Scholar] [CrossRef]
- Zhang, Z.; Yang, B.; Zhang, Y.; Li, L.; Zhao, B.; Zhang, T. Powertrain modeling and performance simulation of a novel flywheel hybrid electric vehicle. Energy Rep. 2023, 9, 4401–4412. [Google Scholar] [CrossRef]
- Ouyang, T.; Huang, G.; Li, S.; Chen, J.; Chen, N. Dynamic modelling and optimal design of a clutch actuator for heavy-duty automatic transmission considering flow force. Mech. Mach. Theory 2020, 145, 103716. [Google Scholar] [CrossRef]
- Mo, S.; Chen, K.; Zhang, Y.; Zhang, W. Vertical dynamics analysis and multi-objective optimization of electric vehicle considering the integrated powertrain system. Appl. Math. Model. 2024, 131, 33–48. [Google Scholar] [CrossRef]
- Park, G.; Lee, S.; Jin, S.; Kwak, S. Integrated modeling and analysis of dynamics for electric vehicle powertrains. Expert Syst. Appl. 2014, 41, 2595–2607. [Google Scholar] [CrossRef]
- Yakhshilikova, G.; Ruzimov, S.; Tonoli, A.; Mukhitdinov, A. Impact of Engine Inertia on P2 Mild HEV Fuel Consumption. World Electr. Veh. J. 2024, 15, 220. [Google Scholar] [CrossRef]
- Walker, P.; Zhang, N. Modelling of dual clutch transmission equipped powertrains for shift transient simulations. Mech. Mach. Theory 2013, 60, 47–59. [Google Scholar] [CrossRef]
- Zhang, J.; Tang, X.; Yu, H.; Zou, L. Multi-body dynamics and noise analysis for the torsional vibration of a power-split hybrid driveline. Proc. Inst. Mech. Eng. Part K J. Multi-Body Dyn. 2014, 228, 366–379. [Google Scholar] [CrossRef]
- Tang, X.; Yang, W.; Hu, X.; Zhang, D. A novel simplified model for torsional vibration analysis of a series-parallel hybrid electric vehicle. Mech. Syst. Signal Process. 2017, 85, 329–338. [Google Scholar] [CrossRef]
- Morandin, M.; Bolognani, S.; Faggion, A. Active torque damping for an ice-based domestic chp system with an spm machine drive. IEEE Trans. Ind. Appl. 2015, 51, 3137–3146. [Google Scholar] [CrossRef]
- Albers, A.; Albrecht, M.; Krüger, A.; Lux, F. New Methodology for Power Train Development in the Automotive Engineering-Integration of Simulation, Design and Testing. SAE Tech. Pap. 2001, 01, 3303. [Google Scholar]
- Kahraman, A. Free torsional vibration characteristics of compound planetary gear sets. Mech. Mach. Theory 2001, 36, 953–971. [Google Scholar] [CrossRef]












| Parameter | Description | Parameter | Description | Parameter | Description |
|---|---|---|---|---|---|
| Je | Engine | k1 | stiffness of shaft 1 | c1 | damping of shaft 1 |
| Jc1 | Clutch inner hub | k2 | stiffness of shaft 2 | c2 | damping of shaft 2 |
| Jc2 | Clutch outer hub | k3 | stiffness of shaft 3 | c3 | damping of shaft 3 |
| Jm1 | EM1 and drive gear | k4 | stiffness of shaft 4 | c4 | damping of shaft 4 |
| Jid | Idle gear | k5 | stiffness of shaft 5 | c5 | damping of shaft 5 |
| J1 | Driven gear of EM1 | k6 | stiffness of shaft 6 | c6 | damping of shaft 6 |
| Jsleeve | Synchronizer | km1 | mesh stiffness | cm1 | mesh damping |
| Jg11 | Gear 11 | kid | mesh stiffness | cid | mesh damping |
| Jg12 | Gear 12 | kg1 | mesh stiffness | cg1 | mesh damping |
| Jg21 | Gear 21 | kg2 | mesh stiffness | cg2 | mesh damping |
| Jg22 | Gear 22 | kfd | mesh stiffness | cfd | mesh damping |
| Jfd1 | Drive gear of reducer | km2 | mesh stiffness | cm2 | mesh damping |
| Jfd2 | Driven gear of reducer | klh | stiffness of half shaft | clh | damping of half shaft |
| Jm2 | EM2 and drive gear | krh | stiffness of half shaft | crh | damping of half shaft |
| J2 | Driven gear of EM2 | klw | stiffness of left wheel | clw | damping of left wheel |
| Jlw | Left wheel | krw | stiffness of right wheel | crw | damping of right wheel |
| Jrw | Right wheel | - | - | - | - |
| Jv | Vehicle body | - | - | - | - |
| Frequency | MATLAB (Hz) Damped | AMESim (Hz) Damped | MATLAB (Hz) Undamped | AMESim (Hz) Undamped |
|---|---|---|---|---|
| 1st | 5.70 | 5.70 | 5.69 | 5.69 |
| 2nd | 24.68 | 24.68 | 24.68 | 24.68 |
| 3rd | 26.78 | 26.78 | 26.79 | 26.79 |
| 4th | 174.92 | 174.92 | 174.92 | 174.92 |
| 5th | 244.70 | 244.70 | 244.70 | 244.70 |
| 6th | 1038.88 | 1038.88 | 1038.47 | 1038.47 |
| 7th | 1208.74 | 1208.74 | 1208.71 | 1208.71 |
| 8th | 2208.00 | 2208.00 | 2207.90 | 2207.90 |
| 9th | 2391.87 | 2391.87 | 2392.06 | 2392.06 |
| 10th | 2905.39 | 2905.39 | 2903.04 | 2903.04 |
| 11th | 3753.86 | 3753.86 | 3756.29 | 3756.29 |
| 12th | 5707.45 | 5707.45 | 5705.27 | 5705.27 |
| 13th | 6077.21 | 6077.21 | 6079.45 | 6079.45 |
| 14th | 7194.69 | 7194.69 | 7198.65 | 7198.65 |
| 15th | 13,163.53 | 13,163.53 | 13,164.13 | 13,164.13 |
| Frequency | 16-DOF, Damped (Hz) | 4-DOF, Damped (Hz) | 16-DOF, Undamped (Hz) | 4-DOF, Undamped (Hz) |
|---|---|---|---|---|
| 1st | 5.70 | 5.69 | 5.69 | 5.69 |
| 2nd | 24.68 | 24.49 | 24.68 | 24.49 |
| 3rd | 26.78 | 26.71 | 26.79 | 26.72 |
Disclaimer/Publisher’s Note: The statements, opinions and data contained in all publications are solely those of the individual author(s) and contributor(s) and not of MDPI and/or the editor(s). MDPI and/or the editor(s) disclaim responsibility for any injury to people or property resulting from any ideas, methods, instructions or products referred to in the content. |
© 2024 by the authors. Licensee MDPI, Basel, Switzerland. This article is an open access article distributed under the terms and conditions of the Creative Commons Attribution (CC BY) license (https://creativecommons.org/licenses/by/4.0/).
Share and Cite
Dai, L.; Hu, P.; Wang, T.; Bian, G.; Liu, H. A Simplified 4-DOF Dynamic Model of a Series-Parallel Hybrid Electric Vehicle. World Electr. Veh. J. 2024, 15, 390. https://doi.org/10.3390/wevj15090390
Dai L, Hu P, Wang T, Bian G, Liu H. A Simplified 4-DOF Dynamic Model of a Series-Parallel Hybrid Electric Vehicle. World Electric Vehicle Journal. 2024; 15(9):390. https://doi.org/10.3390/wevj15090390
Chicago/Turabian StyleDai, Lihong, Peng Hu, Tianyou Wang, Guosheng Bian, and Haoye Liu. 2024. "A Simplified 4-DOF Dynamic Model of a Series-Parallel Hybrid Electric Vehicle" World Electric Vehicle Journal 15, no. 9: 390. https://doi.org/10.3390/wevj15090390
APA StyleDai, L., Hu, P., Wang, T., Bian, G., & Liu, H. (2024). A Simplified 4-DOF Dynamic Model of a Series-Parallel Hybrid Electric Vehicle. World Electric Vehicle Journal, 15(9), 390. https://doi.org/10.3390/wevj15090390

