Next Article in Journal
A Novel Charging Management and Security Framework for the Electric Vehicle (EV) Ecosystem
Previous Article in Journal
A Simplified 4-DOF Dynamic Model of a Series-Parallel Hybrid Electric Vehicle
 
 
Font Type:
Arial Georgia Verdana
Font Size:
Aa Aa Aa
Line Spacing:
Column Width:
Background:
Article

State of Charge Estimation in Batteries for Electric Vehicle Based on Levenberg–Marquardt Algorithm and Kalman Filter

1
School of Electronics and Information Engineering, Chongqing Three Gorges University, Chongqing 404100, China
2
School of Electrical Engineering, Southeast University, Nanjing 211189, China
3
State Grid Electric Power Research Institute, Nanjing 211100, China
4
Chongqing Andao Cheng Automobile Technology Limited, Chongqing 404130, China
5
Chongqing Hang Ying Automobile Manufacturing Limited, Chongqing 404100, China
*
Author to whom correspondence should be addressed.
World Electr. Veh. J. 2024, 15(9), 391; https://doi.org/10.3390/wevj15090391
Submission received: 14 July 2024 / Revised: 15 August 2024 / Accepted: 22 August 2024 / Published: 28 August 2024

Abstract

A new optimization method for estimating the State of Charge (SOC) of battery charge state is proposed. This method incorporates the Levenberg–Marquardt Algorithm (LMA) for online parameter identification and the Extended Kalman Filter (EKF) for SOC. On the one hand, the LMA efficiently alleviates the ’Data saturation’ problem experienced by least squares methods by dynamically adjusting weights of data. On the other hand, the EKF improves the robustness and adaptability of SOC estimation. Simulation results under Hybrid Pulse Power Characteristic (HPPC) conditions demonstrate that this new approach offers superior performance in SOC estimation in batteries for electric vehicles compared to existing methods, with better tracking of the true SOC curve, reduced estimation error, and improved convergence.

1. Introduction

As the global automotive industry pivots towards electrification, automation, car-sharing, and network connectivity, the technological advancement of power batteries has become increasingly critical to the future of electric vehicles. This transition is largely driven by mounting environmental concerns and energy crises, prompting a shift from traditional fossil fuel-based transportation to more sustainable, electric solutions. Such a profound transformation also necessitates advanced and reliable methodologies for managing and monitoring the critical parameters of electric vehicle batteries. The Battery Management Systems(BMS) acts as the ‘central nervous system’ for power batteries, continually monitoring the state of the battery, including parameters such as voltage, temperature, and current through controller area network transmissions. One of its core functionalities is to estimate the internal states of the battery, such as the State of Charge (SOC) and the State of Health (SOH).These estimations are crucial in both maximizing the battery life and enhancing the vehicle’s driving range [1]. Accurate estimation of the SOC and State of Health (SOH) can provide vital information for other vehicle control systems, optimizing the overall performance and efficiency of the electric vehicle [2]. Therefore, the development and refinement of effective SOC and SOH estimation algorithms in BMS have become a significant focus of research in electric vehicle technology.
In the process of estimating battery SOC, it is indispensable to construct a battery model and carry out parameter identification. However, offline identification methods often face limitations in model accuracy [3]. To overcome this issue, the recursive least squares (RLS) have been proposed. Yet, RLS can suffer from the “data saturation” problem, which affects the correctness and stability of the algorithm [4]. To solve this problem, a recursive least squares with forgetting factor (FFRLS) is proposed. However, the choice of an appropriate forgetting factor is critical for the accuracy and efficiency of the FFRLS method [5]. Therefore, we focus on a parameter identification method for a typical model, along with the use of various algorithms for capacity and state estimation [6]. A convolutional neural network SOC estimation algorithm for batteries is also proposed, which has higher estimation accuracy by means of a machine learning mechanism [7]. We utilize machine learning, data-driven and numerical methods in battery thermal management [8]. The transfer learning method is used to predict the health status of lithium-ion batteries, and then improve their flexibility [9]. Consequently, more dynamic and adaptive approaches are needed to better handle this complexity and enhance the effectiveness of the SOC estimation.
In terms of SOC estimation for lithium-ion batteries, commonly used methods include neural network methods, ampere-hour integration, Kalman filter and open-circuit voltage methods. Among these, the Kalman filter algorithm is the most widely applied [10]. Adaptive extensions of the Kalman filter algorithm and the multi-information unscented Kalman filter (UKF) algorithm have been shown to effectively control SOC estimation error and achieve impressive results in terms of improved estimation accuracy and robustness [11,12]. Recently, an adaptive observer based on the radial basis function (RBF) neural network was proposed to estimate the state of charge [13]. Despite the progress in these areas, a gap still exists in the identification of the forgetting factor for FFRLS, which can further enhance the efficiency and accuracy of the algorithm. This necessitates the exploration of more adaptive and sophisticated methods to improve SOC estimation.
Addressing these identified challenges, we propose a fresh approach, combining the Levenberg–Marquardt algorithm (LMA) with the Extended Kalman Filter (EKF) for precise SOC estimation and lithium-ion battery parameter identification. This innovative LMA-EKF method provides robust solutions to the pervasive issues of “data saturation” and divergence during SOC estimation, achieved through its unique adaptability features. Firstly, we establish a second-order R-C lithium-ion battery mathematical model. Instead of grappling with the common “data saturation” problem inherent in traditional least squares parameter identification methods, we exploit the strengths of the LMA for advanced curve fitting and error minimization. This approach not only enhances the accuracy of online parameter identification but also improves its efficiency, surpassing the limits of offline identified models. Secondly, to address the ubiquitous issue of filter divergence during SOC estimation, we apply the Extended Kalman Filter (EKF), known for its prowess in state estimation and prediction. The EKF algorithm, with its adaptive features, significantly bolsters the adaptability and robustness of SOC estimation, rendering it more suitable for real-world applications.
Finally, we test the LMA-EKF method rigorously under the hybrid pulse power characteristic (HPPC) condition and compare it with the existing methodologies such as the EKF and UKF. The simulation results show that the LMA-EKF outperforms the others in terms of SOC estimation accuracy, convergence rate, and stability, producing the smallest estimation error, thus proving its superiority.

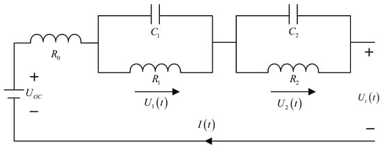
2. Lithium-Ion Battery Model

Among various mathematical models, the second-order R-C model stands out as being particularly suitable [14]. This model effectively encapsulates the complex chemical reactions occurring within the battery and takes into account internal diffusion and polarization reactions. The selection of this model is crucial in ensuring an accurate description of the battery’s behavior, and consequently, the efficiency and precision of our proposed LMA and EKF method.
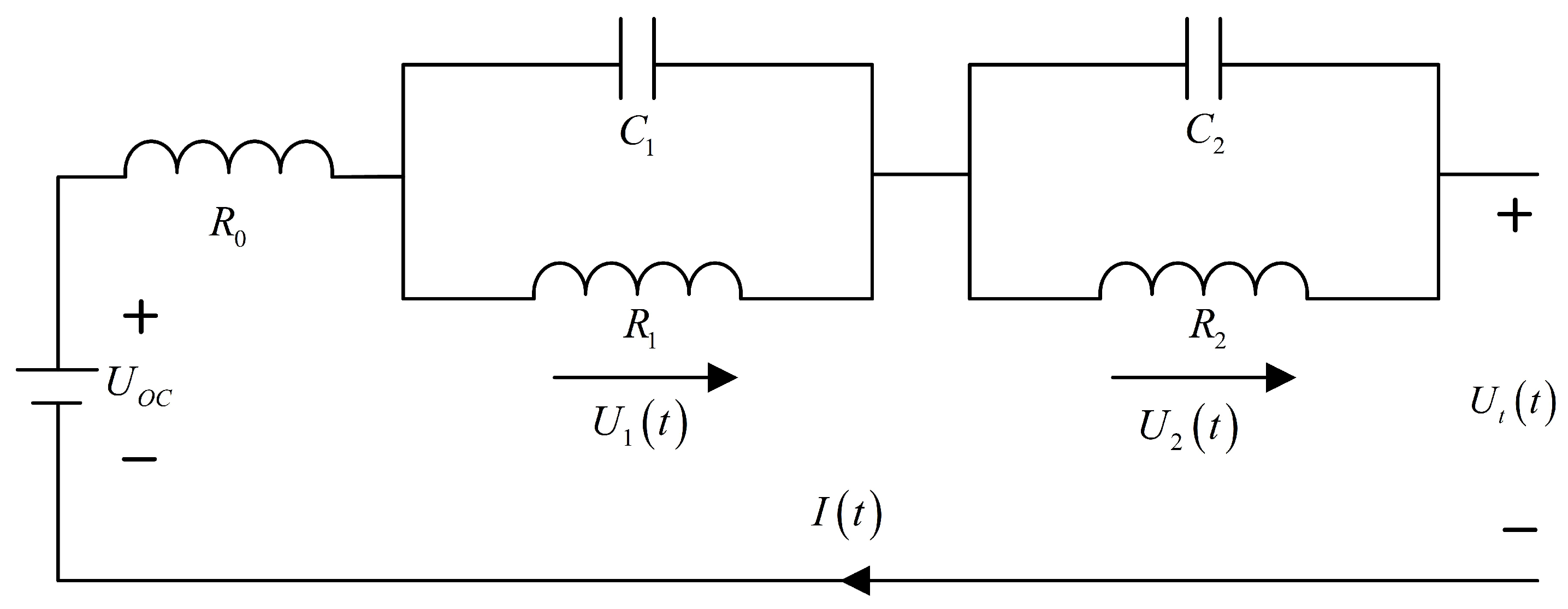
The second-order R-C model (Figure 1) consists of two R-C networks, an open-circuit voltage (OCV), and an internal resistance ( R 0 ). The R-C networks represent the dynamic behavior of the battery, with each consisting of a resistor and a capacitor. The resistors ( R 1 and R 2 ) depict the polarization resistance, while the capacitors ( C 1 and C 2 ) symbolize the polarization capacitance. The polarization resistance and capacitance together simulate the electrochemical kinetics and diffusion effects within the battery.
Meanwhile, the OCV accounts for the battery’s voltage when it is neither charging nor discharging, influenced by the battery’s SOC and temperature. The internal resistance ( R 0 ), on the other hand, models the instantaneous voltage drop due to internal ion movement.
Building on the description of the lithium-ion battery model, we can mathematically characterize the circuit by deploying Kirchhoff’s Voltage Law (KVL) [15] and Kirchhoff’s Current Law (KCL) [16]. Through these principles, we can construct a functional expression encapsulating crucial battery parameters such as open-circuit voltage, charge and discharge current, internal resistance, terminal voltage, and polarization resistance.
The open-circuit voltage ( U o c ) is determined by the battery’s SOC, while R 1 , R 2 , and R 0 represent the polarization resistance and another polarization resistance, respectively. The capacitors C 1 and C 2 are the polarization capacitors associated with each polarization resistance. The terminal voltage ( U t ) is given by Equation (1).
U t = U o c I × R 0 U 1 U 2
The voltages across R 1 and R 2 ( U 1 and U 2 ) are governed by the following differential Equation (2) and Equation (3), respectively.
d U 1 / d t = 1 / ( R 1 × C 1 ) × U 1 + 1 / C 1 × I ( t )
d U 2 / d t = 1 / ( R 2 × C 2 ) × U 2 + 1 / C 2 × I ( t )
The equations provide a robust description of the voltage characteristics of the battery during operation, laying the foundation for subsequent parameter identification and SOC estimation [17]. The SOC of the battery varies from 0% to 100% [18]. This serves as a critical indicator of the remaining operational duration and life cycle of the battery. Mathematically, the SOC is represented by the following Equation (4).
S O C = ( Q t / Q r ) × 100 %
where Q t represents the remaining capacity of the battery, Q r stands for the rated capacity. In practical applications, the remaining capacity Q t can be updated by integrating the battery current over time, as follows:
Q t = Q t 1 I ( t ) d t
where I ( t ) defines the battery current at time t.
Therefore, the SOC can be effectively calculated and updated at any given time during the operation of the battery, providing real-time information about the battery status and facilitating better management and control strategies.
In practical applications where digital computers are used for control and estimation, the SOC equation needs to be discretized [19]. The discretized form of the SOC equation is more suitable for implementation in digital control systems and for SOC estimation algorithms.
For a discrete time-invariant system, the continuous SOC expression is discretized to better fit the model for digital control and simulation. The discretized expression of SOC can be described as follows:
S O C k + 1 = S O C k ( T / Q r ) × I k
where T is the sampling period, and I [ t ] is the current at the kth sampling instant.
Further, combining this discretized SOC formula with the equations obtained from the two R-C circuits, the state-space model can be formed. The state vector X k = [ S O C [ k ] , U 1 [ k ] , U 2 [ k ] ] T , and the input vector U [ k ] = I [ k ] . The state space expression of the battery model can be expressed by the following formula:
X [ k + 1 ] = A X [ k ] + B U [ k ]
where the normal formation A = [ [ 1 , 0 , 0 ] , [ 0 , exp ( T / ( R 1 C 1 ) ) , 0 ] , [ 0 , 0 , exp ( T / ( R 2 C 2 ) ) ] ] and B = [ [ T / Q r , 0 , 0 ] , [ ( 1 exp ( T / ( R 1 C 1 ) ) ) R 1 , 0 , 0 ] , [ 0 , 0 , ( 1 exp ( T / ( R 2 C 2 ) ) ) R 2 ] ] exists.
The output equation that describes the terminal voltage can be given as follows:
Y [ k ] = C X [ k ] + D U [ k ]
where C = [ U o c , R 1 , R 2 ] and D = R 0 can be defined.
Thus, this state-space model offers an accurate representation of the lithium-ion battery, adequately capturing the dynamics of its internal state. In order to quantify the relationship between the OCV and the SOC, we performed a HPPC experiment [20]. The procedure involved the following steps:
  • Fully charge the lithium-ion battery (4.2 V).
  • Subject the battery to a pulse discharge at a specific current (At a rate of 0.5 C or 1.0 C).
  • Allow the battery to rest until it reaches equilibrium (About an hour).
  • Record the open-circuit voltage.
  • Repeat steps 2–4 at various SOC levels until the battery discharge is complete.
The recorded OCV-SOC data were tabulated, as illustrated in Table 1:
After data collection, the relationship between SOC and OCV was fitted using a 9th-degree polynomial. This regression resulted in a more precise approximation of the non-linear OCV-SOC curve. The resultant fit, which captures the intricate relationship between these two parameters, is illustrated in Figure 2.
The expression of the fitted curve is defined as follows:
O C V = 1.87 × 10 16 × ( S O C 9 ) 8.82 × 10 14 × ( S O C 8 ) + 1.76 × 10 11 × ( S O C 7 ) 1.95 × 10 9 × ( S O C 6 ) + 1.31 × 10 7 × ( S O C 5 ) 5.58 × 10 6 × ( S O C 4 ) + 1.48 × 10 4 × ( S O C 3 ) 0.0023 × ( S O C 2 ) + 0.023 × S O C + 3.54
The OCV and SOC fitting coefficients are shown in Table 2.

3. Battery Model Parameter Identification

Battery model parameter identification can be categorized into two main methods: offline and online identification. Offline identification requires extensive test data and is unable to adapt in real-time to the battery’s operational conditions. This limitation poses significant challenges, particularly for applications where immediate updates and accurate tracking of the battery’s state are paramount. Consequently, the online identification method was introduced to overcome these drawbacks. This approach employs a suitable algorithm to estimate model parameters in real-time using the currently measured voltage data and past operating conditions.
In this study, an innovative modification to the FFRLS algorithm is proposed to address the challenge of “data saturation” [21]. The modified approach integrates the concept of a variable forgetting factor to evolve into the LMA, which dynamically adjusts the weights between new and old data [22]. This modification essentially shifts the focus from relying predominantly on recent data (as in the FFRLS algorithm) to considering a balance between past and present data, thereby enhancing the algorithm’s ability to adapt to varying operational conditions. Such a strategic adjustment allows the LMA to provide a more accurate and efficient online identification performance, effectively overcoming the limitations of its predecessor, the FFRLS algorithm [23]. The iterative formula for the LMA is given as follows: Let x [ n ] represent the state vector, y [ n ] represent the output vector, and let θ [ n ] define the parameter vector to be identified.
(a) Calculation of the gain vector:
k [ n ] = P [ n 1 ] x [ n ] λ + x [ n ] T P [ n 1 ] x [ n ]
(b) Update of the output error:
e [ n ] = y [ n ] x [ n ] T θ [ n 1 ]
(c) Update of the covariance matrix:
P [ n ] = 1 λ ( P [ n 1 ] k [ n ] x [ n ] T P [ n 1 ] )
(d) Update of the parameter vector:
θ [ n ] = θ [ n 1 ] + k [ n ] e [ n ]
Here, λ defines the forgetting factor, P [ n ] presents the covariance matrix, e [ n ] describes the difference between the actual value produced by a system and the value that was predicted by a model, and k [ n ] is the gain vector.
By employing the LMA on Equation (1), we perform the Laplace transformation, which yields the transfer function in the s-domain, as follows:
H ( s ) = U t ( s ) I ( s ) = R 0 + R 1 1 + s R 1 C 1 + R 2 1 + s R 2 C 2 + U o c ( s ) I ( s )
H ( s ) encapsulates the entire behavior of the system dynamics, characterizing the relation between the system input I ( s ) and the output U t ( s ) in the Laplace domain. The parameters R 0 , R 1 , R 2 , C 1 , C 2 , U o c ( s ) present in the equation represent different elements in the battery’s equivalent circuit model.
Let us simplify the expression for the transfer function. We can make the substitutions α 1 = R 1 C 1 and α 2 = R 2 C 2 , which represent the time constants associated with the polarizing resistances and capacitances in the battery model, which leads us to revise a more manageable form of H ( s ) .
H ( s ) = R 0 + 1 1 + s α 1 + 1 1 + s α 2 + U 0 c ( s ) I ( s )
Continuing the process, we further make the following substitutions.
a 1 = R 1 + R 0 a 2 = R 0 R 1 + R 0 R 2 + R 1 R 2 a 3 = α 1 + α 2 b 0 = R 0 b 1 = R 0 R 1 α 1 + R 0 R 2 α 2
Then we can rewrite the above expression in the standard polynomial form of a transfer function, as follows:
H ( s ) = b 0 s 2 + b 1 s + a 3 s 3 + a 1 s 2 + a 2 s + a 3
The Z-transform of Equation (17) is taken according to Equation (18) to ensure the consistency of the system during discretization.
S = 2 T × 1 Z 1 1 + Z 1
In which, Z is the transformation operator where Z = e T s , which leads to the expression of the transfer function in the Z-domain.
G ( Z 1 ) = ( b 0 T 2 2 T b 1 + 4 a 0 a 1 ) Z 2 + ( 2 b 0 T 2 8 a 0 a 1 ) 1 + b 0 T 2 + 2 T b 1 + 4 a 0 a 1 ( T 2 2 T a 2 + 4 a 1 ) z 2 + ( 2 T 2 8 a 1 ) z 1 + T 2 + 2 T a 2 + 4 a 1
Let us redefine the equation, as follows:
k 1 = 2 T 2 8 a 1 T 2 + 2 T a 2 + 4 a 1 k 2 = T 2 2 T a 2 + 4 a 1 T 2 + 2 T a 2 + 4 a 1 k 3 = d T 2 2 T b 1 + 4 a 0 a 1 T 2 + 2 T a 2 + 4 a 1 k 4 = 2 b 0 T 2 8 a 0 a 1 T 2 + 2 T a 2 + 4 a 1 k 5 = b 0 T 2 2 T b 1 + 4 a 0 a 1 T 2 + 2 T a 2 + 4 a 1
After substitution, the equation can be transformed into G ( Z 1 ) = k 3 + k 4 Z 1 + k 5 Z 2 1 k 1 Z 1 k 2 Z 2 . Subsequently, the corresponding difference equation can be derived as Equation (21).
H ( t ) = k 1 × H ( t 1 ) + k 2 × H ( t 2 ) + k 3 × I ( t ) + k 4 × I ( t 1 ) + k 5 × I ( t 2 )
By combining Equations (16) and (20), the values of R 0 , R 1 , R 2 , C 1 , and C 2 can be determined as follows:
R 0 = a 0 R 1 = τ 1 ( b 0 a 0 ) + a 0 a 2 b 1 α 1 α 2 C 1 = α 1 R 1 C 2 = α 2 R 2 α 1 , α 2 = a 2 ± a 2 2 4 a 1 2
With the parameters determined, the experimental temperature is 25 °C and the sampling interval is 1 s, λ takes a value of 0.98, we now proceed to the online identification verification of each parameter under the HPPC operating conditions. In the realm of Lithium-ion batteries, HPPC test is one of the standard protocols employed for characterizing the dynamic response of a cell. This test involves a sequence of discharge and charge pulses superimposed on a slow discharge to mimic real-world driving patterns. The online parameter identification under the HPPC condition will provide critical validation of our model. If successful, it will confirm the robustness of the parameters under dynamic load conditions. These parameters can then be reliably applied in real-time modeling and control algorithms, thus promising efficient and safe operations of Lithium-ion batteries. The identification results for R 0 are depicted in Figure 3.
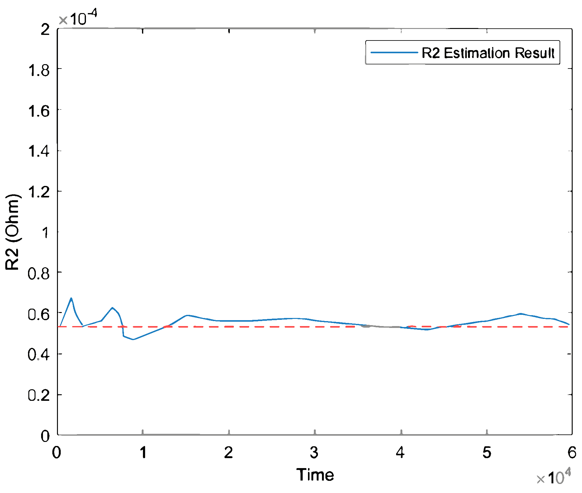
The identification results for the resistance parameters R 1 and R 2 are depicted in Figure 4 and Figure 5. The figure shows the estimated values of R 1 and R 2 across different SOC during the HPPC test, demonstrating the algorithm’s efficacy in online identification of these parameters.
The identification results for the capacitance parameters C 1 and C 2 are illustrated in Figure 6 and Figure 7. The figure represents the estimated values of C 1 and C 2 at various SOC during the HPPC test, demonstrating the effectiveness of the algorithm in parameter identification.
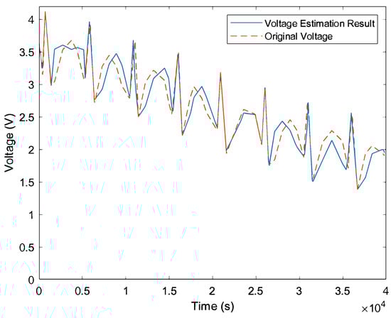
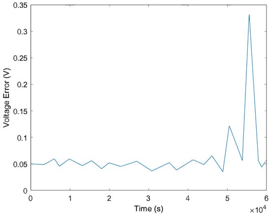
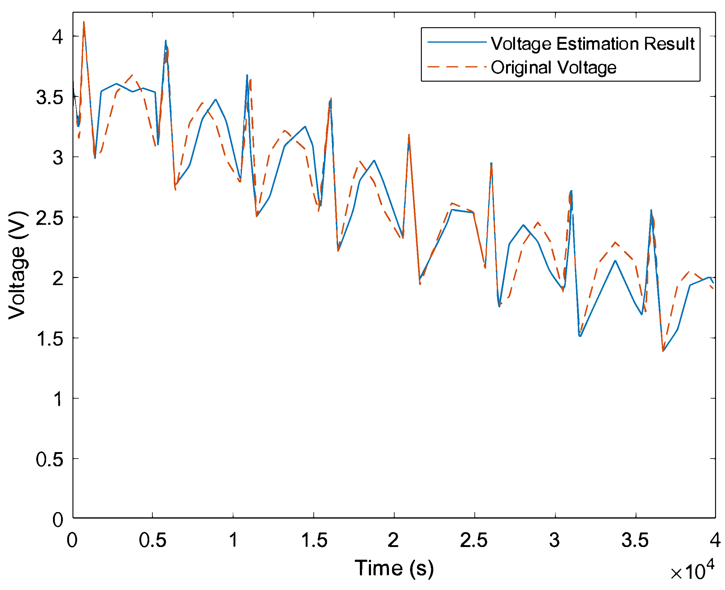
Hence, the HPPC operating condition current was applied to the equivalent model, and the identified parameters R 0 , R 1 , R 2 , C 1 , and C 2 were loaded into the model. A comparison of the terminal voltage and the original voltage is shown in Figure 8. The voltage error is depicted in Figure 9.
Upon comparing the terminal voltage after parameter identification with the original voltage, it becomes apparent that initial inaccuracy in the parameter estimates resulted in a relatively significant initial discrepancy between the identified terminal voltage and the original voltage. As time progresses, however, the algorithm effectively reduces this error. An increased voltage error observed at later times is considered normal due to the substantial voltage jumps when SOC is relatively low during discharging. Despite these minor discrepancies, the overall trend exhibits a high degree of consistency between the modeled and actual battery performance. These results substantiate the efficacy of the proposed LMA for online parameter identification in lithium-ion batteries. The algorithm demonstrates robustness against initial parameter inaccuracies and effectiveness in progressively reducing error margins. Furthermore, the LMA shows resilience in handling inherent battery operation conditions, such as the dramatic voltage transitions during low SOC periods. Its capacity to identify and adapt to these conditions without substantial compromise to its accuracy showcases its potential as a robust tool for real-time battery management systems.

4. Online Estimation of SOC Using the Combined Algorithm

The Kalman filter algorithm, renowned for its efficacy in state estimation, hinges on the criterion of minimum mean square error to filter linear Gaussian systems. Through an iterative cycle of prediction and correction, this algorithm endeavors to deliver the optimal estimation of the state variables. It has found widespread application in a diverse array of fields, owing to its computational efficiency and effectiveness in real-time systems. However, despite its strengths, the Kalman filter encounters significant challenges when extended to non-linear systems, such as lithium-ion batteries. As these systems exhibit nonlinear characteristics, the assumptions underlying the traditional Kalman filter algorithm—primarily linear system dynamics and Gaussian error distributions—no longer hold true. Thus, the algorithm’s capacity to provide accurate state estimates is severely compromised, making it unsuitable for such applications. It is in this context that the need for an algorithm capable of handling non-linearities in lithium-ion battery systems becomes apparent. The conventional Kalman filter, while powerful in its domain, is unable to deliver the required performance, necessitating the exploration of alternate methodologies tailored for non-linear system dynamics.
To address the filtering issues in non-linear systems, the UKF algorithm approximates linearized processing state expressions. The UKF, despite its strengths in handling non-linearities, faces some challenges that potentially limit its effectiveness. First the performance of the UKF heavily depends on the choice of sigma points. If these points are incorrectly chosen, they can lead to inaccurate state estimates, thereby impacting the overall performance of the filter. Second, while the UKF surpasses the standard Kalman Filter in terms of dealing with non-linearities, it might still encounter difficulties with severe non-linearities. In such instances, the UKF may produce inaccurate estimates or even fail, thereby compromising the reliability of the state estimation.
After detailing the limitations of the UKF, particularly its computational intensity and performance dependency on sigma points, we now turn to the EKF as a more efficient alternative. The EKF introduces several improvements that directly address the issues identified in the UKF. One of the most substantial advancements lies in its computational efficiency. The EKF is advantageous for real-time applications and high-dimensional state spaces due to its more manageable computational demand. This efficiency is achieved by linear approximations of the system dynamics, which circumvent the need for propagating numerous sigma points, a principal source of complexity in UKF.
In the EKF, the evaluation process can generally be divided into two main steps: prediction and update. In the prediction stage, the current state and error are estimated to obtain the next estimation. The update phase incorporates new measures into previous estimates to obtain improved estimates. The steps are as follows:

4.1. Prediction

This step involves predicting the current state and estimating the error to obtain the next time estimate. The equations for this step are as follows:
  • State Prediction:
x hat minus = f ( x hat k 1 , u k )
  • Error Covariance Prediction:
P minus = F k × P k 1 × F k + Q k
Here, x hat minus and P minus are the a priori state and error covariance estimates, f ( ) represents the state transition function, u k is the control input, F k is the Jacobian of f ( ) , P k 1 is the previous error covariance estimate, and Q k is the process covariance.

4.2. Update

This step involves incorporating the new measurement into the prior estimate to obtain an improved posterior estimate. The equations for this step are as follows:
  • Compute Kalman Gain:
K k = P minus × H k × inv ( H k × P minus × H k + R k )
  • State Update:
x h a t k = x h a t minus × K k × ( z k h ( x h a t minus ) )
  • Error Covariance Update:
P k = ( I K k × H k ) × P m i n u s
Here, K k is the Kalman gain, H k is the Jacobian of the measurement function h ( ) , R k is the measurement noise covariance, z k is the actual measurement, x h a t k and P k are the a posteriori state and error covariance estimates, and I is the identity matrix.
The flowchart demonstrating the process of estimating the SOC using the combined LMA and EKF algorithm is presented in Figure 10:
Figure 10 illustrates the flow of the combined LMA and EKF method in the process of SOC estimation. Here is the step-by-step explanation of the depicted flowchart:
Initialize System Parameters: This process begins with the initialization of parameters. This involves defining the initial state of the system and the error covariance matrix, which are required inputs for both the LMA and the EKF.
Input Current and Voltage Data: After the initialization, the system takes in the input data, which include current and voltage readings from the battery. from the lithium-ion battery. These data form the basis for the parameter identification and SOC estimation processes.
LMA for Parameter Identification: The Levenberg–Marquardt Algorithm is used to input data to identify the parameters of the battery model. This step is crucial in obtaining a more accurate representation of the battery’s dynamics, which contributes to the effectiveness of the subsequent SOC estimation process.
Parameter Verification: After the parameters are identified, they are validated to ensure that they accurately represent the behavior of the battery. If the parameters are found to be invalid, the system might require additional tuning or modification before proceeding to the next step.
EKF Algorithm for State Estimation: Based on the verified parameters, the Extended Kalman filter can be used to estimate SOC. EKF processes input data and identification parameters to provide an accurate estimate of battery SOC.
Update System Parameters: Following the SOC estimation, the system parameters are updated based on the newly estimated SOC. This continuous update of the system parameters ensures that the system’s model remains accurate and adaptable to the evolving battery dynamics.
This cycle continues with new input data being loaded and processed through the LMA and EKF, keeping the system parameters and SOC estimates updated in real-time. This continuous process allows for dynamic adaptation to changes in the battery’s behavior, thereby achieving more accurate and reliable SOC estimation.

5. Results and Discussion

To validate the effectiveness and accuracy of the algorithm, simulation experiments were conducted under HPPC working conditions, simulation experiments were conducted using the HPPC working conditions, with all SOC initializations set to 1. Figure 11 presents a comparison of SOC estimations from different algorithms, while Figure 12 contrasts the estimation errors associated with these various algorithms.
Figure 11 and Figure 12 provide a detailed comparative analysis of the performance of different algorithms for SOC estimation. Figure 11 depicts the SOC estimates generated by the proposed LMA coupled with EKF, the UKF, and the traditional Kalman Filter. Figure 12 presents a comparison of the estimation errors produced by the different algorithms.
Data analysis tables based on different algorithm models are shown in Table 3.
From the results, it can be observed that the proposed LMA-EKF approach provides a relatively more accurate and consistent SOC estimation across the entire HPPC test cycle, when compared with both UKF and traditional Kalman filtering. The estimation results of UKF and Kalman filtering demonstrate considerable variations and imprecision, particularly under rapidly changing current conditions, indicating that these methods might not be ideally suited for real-time SOC estimation applications. Figure 12 presents a comparison of the estimation errors produced by the different algorithms. The proposed LMA-EKF approach consistently maintains lower estimation errors throughout the entire test cycle. The UKF and Kalman filtering methods exhibit significantly higher errors, again reaffirming the superiority of the proposed approach in terms of estimation accuracy.
The battery hardware-in-the-loop test platform was built, as shown in Figure 13. The experimental scheme and data storage module were designed to collect and record battery voltage and other data in real time with high precision, and the state estimation model of battery pack was introduced.
The CAN driver is called through the C file, and the voltage and current values of the acquisition unit are synchronously input into the SOC estimation module to realize the comparative verification of the LMA-EKF algorithm, UKF algorithm and traditional Kalman filter algorithm. According to the evaluation indicators, the estimation errors of different algorithms are obtained. The data of 65 % < S O C < 70 % are selected for analysis and comparison, and the estimation time is 500 s. The estimation results and errors are shown in Figure 14 and Figure 15.
The data of the above experimental results are arranged in Table 4. Comparing the data in Table 4 gives a better comparison of the three estimation algorithms.
The error of LMA-EKF algorithm is less than 5%, which meets the requirement of the original design. The effectiveness of the SOC estimation algorithm was further validated through a hardware-in-the-loop test system.

6. Conclusions

This study has introduced an innovative approach for the SOC in lithium-ion batteries. Combining the power of the LMA and EKF, our proposed method represents a significant step forward in achieving more accurate and efficient SOC estimation. Our work started with a brief introduction of the traditional methods used for SOC estimation, highlighting their limitations, particularly in handling non-linearity and the complexity of computation. We then outlined the workings of the LMA, demonstrating its strength in the identification of system parameters. This was followed by an in-depth exploration of the EKF, emphasizing how it can effectively reduce computational complexity, eliminate dependency on sigma points selection, and better handle severe non-linearities. The key to this research is to come up with a new approach that combines the LMA for parameter identification with the EKF for state estimation. We provided a detailed flow diagram to visualize the process of this combined method, clarifying the sequence of operations involved in the SOC estimation. We conducted simulations using the HPPC test condition, with SOC initialized as 1. The simulation results convincingly demonstrated the superior performance of the combined LMA and EKF approach. The comparative analysis against the UKF and traditional Kalman Filter further confirmed the advantage of our proposed method in terms of both estimation accuracy and error reduction.
In conclusion, the combined LMA and EKF approach represents a promising advancement in SOC estimation for lithium-ion batteries. The superior estimation accuracy, coupled with reduced computational demands, makes it an ideal choice for real-time SOC estimation applications. SOC estimation is a core part of BMS. The precise estimation of SOC makes the battery perform better in the same technical state. The utility model can improve the range and extend the use time for the user. It can also provide important reference for battery charge and discharge protection design.
This research opens new avenues for further exploration in the field of battery management systems, potentially leading to more efficient and reliable battery usage in various applications. In the future, we can continue to use data-driven methods to cover the influence of many factors of lithium battery, and further improve the precision of equivalent models of lithium battery. A variety of new materials that demonstrate excellent performance such as magnesium and iron-based batteries are also expected to be applied. In the future, other types of batteries will be studied to explore the applicability of SOC estimation methods on batteries.

Author Contributions

Q.H., conceptualization, methodology, software, writing—original draft, writing—reviewing and editing; J.L., software, formal analysis, and data curation; Q.X. (Qingshan Xu) supervision; C.H., software, formal analysis, and data curation; C.Y., software, formal analysis, and data curation; L.C., subfunding acquisition, supervision; Q.X. (Qipin Xu) and L.X., supervision, writing—review and editing; X.Z. and X.L., writing—review and editing. All authors have read and agreed to the published version of the manuscript.

Funding

This research was funded by the natural science foundation of Chongqing (No. cstc2021jcyj-msxmX0301, 2022NSCQ-MSX4086), Science and Technology Research Program of Chongqing Municipal Education Commission (No. KJZD-K202201203) and Wanzhou Science and Technology Fund (wzst2023, wzstc-20220113, wzstc-20230108).

Data Availability Statement

The data presented in this study are available on request from the corresponding author due to privacy.

Conflicts of Interest

The authors declare that they have no known competing financial interests or personal relation-ships that could have appeared to influence the work reported in this paper. Additionally, Qipin Xu is an employee of State Grid Electric Power Research Institute. Xiaojiang Zou is an employee of Chongqing Andao Cheng Automobile Technology Limited. Xiaochuan Li is an employee of Chongqing Hang Ying Automobile Manufacturing Limited. The paper reflects the views of the scientists, and not the company.

References

  1. Jaguemont, J.; Boulon, L.; Dubé, Y. Characterization and modeling of a hybrid-electric-vehicle lithium-ion battery pack at low temperatures. IEEE Trans. Veh. Technol. 2015, 65, 1–14. [Google Scholar] [CrossRef]
  2. Sun, X.; Chen, Q.; Zheng, L.; Yang, J. Joint estimation of state-of-health and state-of-charge for lithium-ion battery based on electrochemical model optimized by neural network. IEEE J. Emerg. Sel. Top. Ind. Electron. 2022, 4, 168–177. [Google Scholar] [CrossRef]
  3. Gao, Y.; Liu, K.; Zhu, C.; Zhang, X.; Zhang, D. Co-estimation of state-of-charge and state-of-health for lithium-ion batteries using an enhanced electrochemical model. IEEE Trans. Ind. Electron. 2021, 69, 2684–2696. [Google Scholar] [CrossRef]
  4. Zhang, T.; Wang, S.; Huang, X.; Jia, L. Kernel recursive least squares algorithm based on the nystro¨m method with k-means sampling. IEEE Signal Process. Lett. 2020, 27, 361–365. [Google Scholar] [CrossRef]
  5. Tan, H.J.; Chan, S.C.; Lin, J.Q.; Sun, X. A new variable forgetting factor-based bias-compensated RLS algorithm for identification of FIR systems with input noise and its hardware implementation. IEEE Trans. Circuits Syst. Regul. Pap. 2019, 67, 198–211. [Google Scholar] [CrossRef]
  6. Misyris, G.S.; Marinopoulos, A.; Doukas, D.I.; Tengnér, T.; Labridis, D.P. On battery state estimation algorithms for electric ship applications. Electr. Power Syst. Res. 2017, 151, 115–124. [Google Scholar] [CrossRef]
  7. Bhattacharjee, A.; Verma, A.; Mishra, S.; Saha, T.K. Estimating state of charge for xEV batteries using 1D convolutional neural networks and transfer learning. IEEE Trans. Veh. Technol. 2021, 70, 3123–3135. [Google Scholar] [CrossRef]
  8. Parsa, S.M.; Norozpour, F.; Shoeibi, S.; Shahsavar, A.; Aberoumand, S.; Afrand, M.; Said, Z.; Karimi, N. Lithium-ion battery thermal management via advanced cooling parameters: State-of-the-art review on application of machine learning with exergy, economic and environmental analysis. J. Taiwan Inst. Chem. Eng. 2023, 148, 104854. [Google Scholar] [CrossRef]
  9. Shu, X.; Shen, J.; Li, G.; Zhang, Y.; Chen, Z.; Liu, Y. A flexible state-of-health prediction scheme for lithium-ion battery packs with long short-term memory network and transfer learning. IEEE Trans. Transp. Electrif. 2021, 7, 2238–2248. [Google Scholar] [CrossRef]
  10. Zhu, F.; Fu, J. A novel state-of-health estimation for lithium-ion battery via unscented Kalman filter and improved unscented particle filter. IEEE Sens. J. 2021, 21, 25449–25456. [Google Scholar] [CrossRef]
  11. Partovibakhsh, M.; Liu, G. An adaptive unscented Kalman filtering approach for online estimation of model parameters and state-of-charge of lithium-ion batteries for autonomous mobile robots. IEEE Trans. Control. Syst. Technol. 2014, 23, 357–363. [Google Scholar] [CrossRef]
  12. Aung, H.; Low, K.S.; Goh, S.T. State-of-charge estimation of lithium-ion battery using square root spherical unscented Kalman filter (Sqrt-UKFST) in nanosatellite. IEEE Trans. Power Electron. 2014, 30, 4774–4783. [Google Scholar] [CrossRef]
  13. Pan, C.; Peng, Z.; Yang, S.; Wen, G.; Huang, T. Adaptive neural network-based prescribed-time observer for battery state-of-charge estimation. IEEE Trans. Power Electron. 2022, 38, 165–176. [Google Scholar] [CrossRef]
  14. Yamaguchi, Y.; Oishi, T. Quasi-physical equivalent circuit model of RF leakage current in substrate including temperature dependence for GaN-HEMT on Si. IEEE Trans. Microw. Theory Tech. 2023, 71, 1945–1956. [Google Scholar] [CrossRef]
  15. Song, Y.; Wu, Q.; Wang, X.; Wang, C.; Miao, X. Two memristors-based XOR logic demonstrated with encryption/decryption. IEEE Electron Device Lett. 2021, 42, 1398–1401. [Google Scholar] [CrossRef]
  16. Burr, G.W.; Sebastian, A.; Ando, T.; Haensch, W. Ohm’s law+ kirchhoff’s current law = better ai: Neural-network processing done in memory with analog circuits will save energy. IEEE Spectr. 2021, 58, 44–49. [Google Scholar] [CrossRef]
  17. Li, X.; Ma, R.; Yan, N.; Wang, S.; Hui, D. Research on optimal scheduling method of hybrid energy storage system considering health state of echelon-use lithium-ion battery. IEEE Trans. Appl. Supercond. 2021, 31, 0604204. [Google Scholar] [CrossRef]
  18. Shen, P.; Ouyang, M.; Lu, L.; Li, J.; Feng, X. The co-estimation of state of charge, state of health, and state of function for lithium-ion batteries in electric vehicles. IEEE Trans. Veh. Technol. 2017, 67, 92–103. [Google Scholar] [CrossRef]
  19. Obeid, H.; Petrone, R.; Chaoui, H.; Gualous, H. Higher order sliding-mode observers for state-of-charge and state-of-health estimation of lithium-ion batteries. IEEE Trans. Veh. Technol. 2022, 72, 4482–4492. [Google Scholar] [CrossRef]
  20. Tang, X.; Xing, Y.; Wu, H.; Zhao, J. An improved LLC resonant converter with reconfigurable hybrid voltage multiplier and PWM-plus-PFM hybrid control for wide output range applications. IEEE Trans. Power Electron. 2019, 35, 185–197. [Google Scholar] [CrossRef]
  21. Guo, J.; Chen, H.; Chen, S. Improved kernel recursive least squares algorithm based online prediction for nonstationary time series. IEEE Signal Process. Lett. 2020, 27, 1365–1369. [Google Scholar] [CrossRef]
  22. Li, Z.; Li, S.; Luo, X. Efficient industrial robot calibration via a novel unscented Kalman filter-incorporated variable step-size Levenberg–Marquardt algorithm. IEEE Trans. Instrum. Meas. 2023, 72, 2510012. [Google Scholar] [CrossRef]
  23. Yang, Z.; Xi, L.; Zhang, Y.; Chen, X. An online parameter identification method for non-solid aluminum electrolytic capacitors. IEEE Trans. Circuits Syst. II Express Briefs 2022, 69, 3475–3479. [Google Scholar] [CrossRef]
Figure 1. Second-order R-C model of a lithium-ion battery.
Figure 1. Second-order R-C model of a lithium-ion battery.
Wevj 15 00391 g001
Figure 2. Fitted nonlinear curve of OCV versus SOC.
Figure 2. Fitted nonlinear curve of OCV versus SOC.
Wevj 15 00391 g002
Figure 3. Identification results for ohmic internal resistance R 0 .
Figure 3. Identification results for ohmic internal resistance R 0 .
Wevj 15 00391 g003
Figure 4. Identification results for resistance parameters R 1 .
Figure 4. Identification results for resistance parameters R 1 .
Wevj 15 00391 g004
Figure 5. Identification results for resistance parameters R 2 .
Figure 5. Identification results for resistance parameters R 2 .
Wevj 15 00391 g005
Figure 6. Identification results for resistance parameters C 1 .
Figure 6. Identification results for resistance parameters C 1 .
Wevj 15 00391 g006
Figure 7. Identification results for resistance parameters C 2 .
Figure 7. Identification results for resistance parameters C 2 .
Wevj 15 00391 g007
Figure 8. Comparison of original voltage and identified voltage parameters.
Figure 8. Comparison of original voltage and identified voltage parameters.
Wevj 15 00391 g008
Figure 9. Voltage error after parameter identification under HPPC operating conditions.
Figure 9. Voltage error after parameter identification under HPPC operating conditions.
Wevj 15 00391 g009
Figure 10. Flowchart of SOC estimation using the combined LMA and EKF.
Figure 10. Flowchart of SOC estimation using the combined LMA and EKF.
Wevj 15 00391 g010
Figure 11. Comparison of SOC estimations using different algorithms.
Figure 11. Comparison of SOC estimations using different algorithms.
Wevj 15 00391 g011
Figure 12. Comparison of SOC estimation error over time for different estimation methods.
Figure 12. Comparison of SOC estimation error over time for different estimation methods.
Wevj 15 00391 g012
Figure 13. Hardware -in-the-Loop System Platform.
Figure 13. Hardware -in-the-Loop System Platform.
Wevj 15 00391 g013
Figure 14. SOC estimation under hardware test.
Figure 14. SOC estimation under hardware test.
Wevj 15 00391 g014
Figure 15. SOC estimation error under hardware test.
Figure 15. SOC estimation error under hardware test.
Wevj 15 00391 g015
Table 1. Relationship between SOC and OCV from HPPC Experiment.
Table 1. Relationship between SOC and OCV from HPPC Experiment.
SOC (%)OCV (V)
1004.200
904.100
803.950
703.850
603.750
503.650
403.550
303.450
203.350
103.250
03.000
Table 2. Fitting coefficient of OCV versus SOC.
Table 2. Fitting coefficient of OCV versus SOC.
Coefficient β 1 β 2 β 3 β 4 β 5 β 6 β 7 β 8 β 9 β 10
Value1.878.821.761.951.315.581.480.00230.0233.54
Table 3. Comparison of different algorithm models.
Table 3. Comparison of different algorithm models.
SamplingEKFUKFKalman FilterActual ValueThe Error Value of EKFThe Error Value of UKFThe Error Value of Kalman
11.141.141.181.140.000.000.04
21.031.011.081.05−0.02−0.040.03
30.970.910.890.900.070.01−0.01
40.780.760.820.80−0.02−0.040.02
50.710.680.750.72−0.01−0.040.03
60.630.620.710.620.010.000.09
70.550.520.460.550.00−0.03−0.09
80.440.410.520.45−0.01−0.040.07
90.400.350.360.400.00−0.05−0.04
100.290.260.210.280.01−0.02−0.07
110.130.180.250.22−0.09−0.040.03
120.140.110.150.15−0.01−0.040.00
Table 4. Comparison of SOC estimation error.
Table 4. Comparison of SOC estimation error.
ErrorEKFUKFKalman Filter
Value0.02040.12530.2145
Disclaimer/Publisher’s Note: The statements, opinions and data contained in all publications are solely those of the individual author(s) and contributor(s) and not of MDPI and/or the editor(s). MDPI and/or the editor(s) disclaim responsibility for any injury to people or property resulting from any ideas, methods, instructions or products referred to in the content.

Share and Cite

MDPI and ACS Style

Huang, Q.; Li, J.; Xu, Q.; He, C.; Yang, C.; Cai, L.; Xu, Q.; Xiang, L.; Zou, X.; Li, X. State of Charge Estimation in Batteries for Electric Vehicle Based on Levenberg–Marquardt Algorithm and Kalman Filter. World Electr. Veh. J. 2024, 15, 391. https://doi.org/10.3390/wevj15090391

AMA Style

Huang Q, Li J, Xu Q, He C, Yang C, Cai L, Xu Q, Xiang L, Zou X, Li X. State of Charge Estimation in Batteries for Electric Vehicle Based on Levenberg–Marquardt Algorithm and Kalman Filter. World Electric Vehicle Journal. 2024; 15(9):391. https://doi.org/10.3390/wevj15090391

Chicago/Turabian Style

Huang, Qian, Junting Li, Qingshan Xu, Chao He, Chenxi Yang, Li Cai, Qipin Xu, Lihong Xiang, Xiaojiang Zou, and Xiaochuan Li. 2024. "State of Charge Estimation in Batteries for Electric Vehicle Based on Levenberg–Marquardt Algorithm and Kalman Filter" World Electric Vehicle Journal 15, no. 9: 391. https://doi.org/10.3390/wevj15090391

APA Style

Huang, Q., Li, J., Xu, Q., He, C., Yang, C., Cai, L., Xu, Q., Xiang, L., Zou, X., & Li, X. (2024). State of Charge Estimation in Batteries for Electric Vehicle Based on Levenberg–Marquardt Algorithm and Kalman Filter. World Electric Vehicle Journal, 15(9), 391. https://doi.org/10.3390/wevj15090391

Article Metrics

Back to TopTop