Automotive Diesel Fuel Internal Stability Testing with the Use of UV and Temperature as Degradation Factors
Abstract
1. Introduction
1.1. Automotive Diesel Fuel Stability
1.2. Fuel Degradation Factors
1.3. Summary
2. Diesel Fuels for Experiments
3. Design Principle of the Head with Disposable Optrode for Diesel Fuel Internal Stability Examination with the Use of UV and Temperature as Exclusive Factors of Degradation
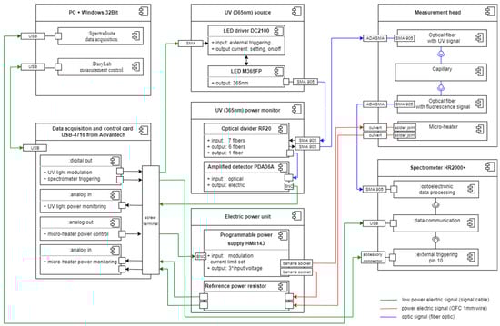
4. Measurement Setup Construction and Configuration
4.1. Initial Examinations with Static Fluorescence Readings
4.2. Initial Examinations with Sequence Fluorescence Readings
5. Operational Research of Fuel Degradation and Examination Cycles
5.1. Degradation and Examination Cycles with the Continuous Action of Degradation Factor
5.2. Degradation and Examination Cycles with the Modulated Action of Degradation Factor
6. Procedure and Experimental Results of Automotive Diesel Fuel Internal Stability Examinations
6.1. Procedure of Experimental Data Collection
6.2. Fuels Samples Internal Stability Testing
7. Conclusions
- Temperature and UV degradation factors act differently on the sample.
- At the same time, the action of both factors cannot be presented as the sum of two independent actions.
- The UV degradation factor acts stronger than temperature, but both factors simultaneously used are the key to the speed and effectiveness of examinations.
- The internal stability of automotive diesel fuel is related to the presence of unsaturated components and can be characterized by fluorescence signal shifts.
- The internal stability of diesel fuel is more related to the proposed method than to the standard measurement of oxidative stability.
- The proposed procedure and setup enable the comparison of different fuels’ internal stability using reference data. This comparison allows us to point to more internally stable fuel.
Author Contributions
Funding
Institutional Review Board Statement
Informed Consent Statement
Data Availability Statement
Conflicts of Interest
References
- Ulberth-Buchgraber, M.; Charoud-Got, J.; Held, A. Certified reference materials for effective automotive diesel fuel testing. Fuel 2021, 286, 119367. [Google Scholar] [CrossRef]
- Batts, B.D.; Fathoni, A.Z. A literature review on fuel stability studies with particular emphasis on diesel oil. Energy Fuels 1991, 5, 2–21. [Google Scholar] [CrossRef]
- Odziemkowska, M.; Czarnocka, J.; Wawryniuk, K. Study of Stability Changes of Model Fuel Blends. In Improvement Trends for Internal Combustion Engines; IntechOpen: London, UK, 2017; pp. 1–17. [Google Scholar] [CrossRef]
- Dincer, I.; Zamfirescu, C. Fossil Fuels and Alternatives. In Advanced Power Generation Systems; Dincer, I., Zamfirescu, C., Eds.; Elsevier: Amsterdam, The Netherlands, 2014; pp. 95–141. [Google Scholar] [CrossRef]
- Dragojlovic, V. Conformational analysis of cycloalkanes. ChemTexts 2015, 1, 14. [Google Scholar] [CrossRef]
- Gad, S.C. Diesel Fuel. In Encyclopedia of Toxicology, 2nd ed.; Philip, W., Ed.; Elsevier: Amsterdam, The Netherlands, 2005; pp. 19–22. [Google Scholar] [CrossRef]
- de Souza, C.V.; Corrêa, S.M. Polycyclic aromatic hydrocarbons in diesel emission, diesel fuel and lubricant oil. Fuel 2016, 185, 925–931. [Google Scholar] [CrossRef]
- Hall, D.E.; Doel, R.; Jorgensen, R.; King, D.J.; Mann, N.; Scorletti, P.; Heinze, P. Polycyclic aromatic hydrocarbons in auto-motive exhaust emissions and fuels. Concawe Bruss. 1998, 98, 55. [Google Scholar]
- Goto, Y.; Nakamuta, K.; Nakata, H. Parent and alkylated PAHs profiles in 11 petroleum fuels and lubricants: Application for oil spill accidents in the environment. Ecotoxicol. Environ. Saf. 2021, 224, 112644. [Google Scholar] [CrossRef]
- Lin, Y.-C.; Lee, W.-J.; Chen, C.-B. Characterization of Polycyclic Aromatic Hydrocarbons from the diesel engine by adding light cycle oil to premium diesel fuel. J. Air Waste Manag. Assoc. 2006, 56, 752–758. [Google Scholar] [CrossRef][Green Version]
- Hsieh, P.Y.; Widegren, J.A.; Slifka, A.J.; Hagen, A.J.; Rorrer, R.A.L. Direct Measurement of Trace Polycyclic Aromatic Hydrocarbons in Diesel Fuel with 1H and 13C NMR Spectroscopy: Effect of PAH Content on Fuel Lubricity. Energy Fuels 2015, 29, 4289–4297. [Google Scholar] [CrossRef]
- Carabajal, M.D.; Arancibia, J.A.; Escandar, G.M. Excitation-emission fluorescence-kinetic data obtained by Fenton degradation. Determination of heavy-polycyclic aromatic hydrocarbons by four-way parallel factor analysis. Talanta 2017, 165, 52–63. [Google Scholar] [CrossRef]
- Berlman, I.B. Some Uses of Fluorescence Compounds. In Handbook of Florescence Spectra of Aromatic Molecules, 2nd ed.; Berlman, I.B., Ed.; Academic Press: New York, NY, USA, 1971; pp. 96–106. [Google Scholar] [CrossRef]
- Alostaz, M.; Biggar, K.; Donahue, R.; Hall, G. Petroleum contamination characterization and quantification using fluorescence emission-excitation matrices (EEMs) and parallel factor analysis (PARAFAC). J. Environ. Eng. Sci. 2008, 7, 183–197. [Google Scholar] [CrossRef]
- Kukkadapu, G.; Sung, C.-J. Autoignition Study of 1-Methylnaphthalene in a Rapid Compression Machine. Energy Fuels 2016, 31, 854–866. [Google Scholar] [CrossRef]
- Suzuki, S.; Kukkadapu, G.; Kiuchi, S.; Wagnon, S.W.; Kinoshita, K.; Takeda, Y.; Sakaida, S.; Konno, M.; Tanaka, K.; Oguma, M.; et al. Formation of PAHs, phenol, benzofuran, and dibenzofuran in a flow reactor from the oxidation of ethylene, toluene, and n-decane. Combust. Flame 2022, 241, 112136. [Google Scholar] [CrossRef]
- Ferretto, N.; Tedetti, M.; Guigue, C.; Mounier, S.J.L.; Redon, R.; Goutx, M. Identification and quantification of known polycyclic aromatic hydrocarbons and pesticides in complex mixtures using fluorescence excitation–emission matrices and parallel factor analysis. Chemosphere 2014, 107, 344–353. [Google Scholar] [CrossRef] [PubMed]
- McDougall, M.; Francisco, O.; Harder-Viddal, C.; Roshko, R.; Heide, F.; Sidhu, S.; Khajehpour, M.; Leslie, J.; Palace, V.; Tomy, G.T.; et al. Proteinaceous Nano container Encapsulate Polycyclic Aromatic Hydrocarbons. Sci. Rep. 2019, 9, 1058. [Google Scholar] [CrossRef] [PubMed]
- Piñeiro, L.; Novo, M.; Al-Soufi, W. Fluorescence emission of pyrene in surfactant solutions. Adv. Colloid Interface Sci. 2015, 215, 1–12. [Google Scholar] [CrossRef] [PubMed]
- Sahoo, D.; Narayanaswami, V.; Kay, C.M.; Ryan, R.O. Pyrene Excimer Fluorescence: A Spatially Sensitive Probe to Monitor Lipid-Induced Helical Rearrangement of Apolipophorin III. Biochemistry 2000, 39, 6594–6601. [Google Scholar] [CrossRef]
- Liu, C.; Rong, Z.; Sun, Z.; Wang, Y.; Du, W.; Wang, Y.; Lu, L. Quenched skeletal Ni as the effective catalyst for selective partial hydrogenation of polycyclic aromatic hydrocarbons. RSC Adv. 2013, 3, 23984–23988. [Google Scholar] [CrossRef]
- Włodarski, M.; Bombalska, A.; Mularczyk-Oliwa, M.; Kaliszewski, M.; Kopczyński, K. Fluorimetric techniques in analysis and classification of fuels. Proc. SPIE 2013, 8703, 87030B. [Google Scholar] [CrossRef]
- Wang, Z.; Yang, C.; Yang, Z.; Brown, C.E.; Hollebone, B.P.; Stout, S.A. Petroleum biomarker fingerprinting for oil spill characterization and source identification. In Standard Handbook Oil Spill Environmental Forensics, 2nd ed.; Stout, S.A., Wang, Z., Eds.; Academic Press: New York, NY, USA, 2016; pp. 131–254. [Google Scholar] [CrossRef]
- Bezergianni, S.; Dimitriadis, A.; Faussone, G.-C.; Karonis, D. Alternative Diesel from Waste Plastics. Energies 2017, 10, 1750. [Google Scholar] [CrossRef]
- Louhi, E.H.; Kasiri, N.; Khalili-Garakani, A.; Heydari-Fard, M.; Ivakpour, J. Design and optimization of distillation column sequencing for the GTL process. Chem. Eng. Res. Des. 2021, 173, 119–128. [Google Scholar] [CrossRef]
- Abu-Jrai, A.; Rodríguez-Fernández, J.; Tsolakis, A.; Megaritis, A.; Theinnoi, K.; Cracknell, R.; Clark, R. Performance, combustion and emissions of a diesel engine operated with reformed EGR. Comparison of diesel and GTL fueling. Fuel 2009, 88, 1031–1041. [Google Scholar] [CrossRef]
- Parravicini, M.; Barro, C.; Boulouchos, K. Experimental characterization of GTL, HVO, and OME based alternative fuels for diesel engines. Fuel 2021, 292, 120177. [Google Scholar] [CrossRef]
- Tamilvanan, A.; Jeyalakshmi, P.; Mohanraj, M.; Deepanraj, B. Feasibility study on raw Simarouba glauca oil as an alternate fuel in a diesel engine and comparative assessment with its esterified oil. Fuel 2022, 327, 125168. [Google Scholar] [CrossRef]
- Meher, L.C.; Vidya Sagar, D.; Naik, S.N. Technical aspects of biodiesel production by transesterification—A review. Renew. Sustain. Energy Rev. 2006, 10, 248–268. [Google Scholar] [CrossRef]
- Filho, N.R.A.; Lanças, F.M. Identification of FAMEs usingECL values and a three-dimensional Kováts retention index system. J. High Resolut. Chromatogr. 1995, 18, 167–170. [Google Scholar] [CrossRef]
- Sugiyama, G.; Maeda, A.; Nagai, K. Oxidation Degradation and Acid Generation in Diesel Fuel Containing 5% FAME. SAE Tech. Pap. 2007, 1, 2027. [Google Scholar] [CrossRef]
- Murugesan, A.; Umarani, C.; Subramanian, R.; Nedunchezhian, N. Bio-diesel as an alternative fuel for diesel engines—A review. Renew. Sustain. Energy Rev. 2009, 13, 653–662. [Google Scholar] [CrossRef]
- Aatola, H.; Larmi, M.; Sarjovaara, T.; Mikkonen, S. Hydrotreated Vegetable Oil (HVO) as a Renewable Diesel Fuel: Trade-off between NOx, Particulate Emission, and Fuel Consumption of a Heavy Duty Engine. SAE Int. J. Engines 2009, 1, 1251–1262. [Google Scholar] [CrossRef]
- Burrington, J.D.; Pudelski, J.K.; Roski, J.P. Challenges in Detergents and Dispersants for Engine Oils. In Practical Advances in Petroleum Processing; Robinson, C.S., James, P.R., Eds.; Springer: New York, NY, USA, 2006; pp. 131–147. [Google Scholar] [CrossRef]
- Rawdon, M. Fuels Oil-Based. In Encyclopedia of Analytical Science, 2nd ed.; Worsfold, P., Townshend, A., Poole, C., Eds.; Elsevier: Oxford, UK, 2005; pp. 512–518. [Google Scholar]
- Bennett, J. Advanced fuel additives for modern internal combustion engines. In Alternative Fuels and Advanced Vehicle Technologies for Improved Environmental Performance; Folkson, R., Ed.; Woodhead Publishing: Sawston, UK, 2014; pp. 165–194. [Google Scholar] [CrossRef]
- Dodos, G.S.; Konstantakos, T.; Loginos, S.; Zannikos, F. Effects of microbiological contamination in the quality of biodiesel fuels. Glob. Nest J. 2012, 14, 175–182. [Google Scholar] [CrossRef]
- Oo, Y.M.; Legwiriyakul, A.; Thawornprasert, J.; Somnuk, K. Production of diesel–biodiesel–water fuel nanoemulsions using three-dimensional printed rotor–stator hydrodynamic cavitation. Fuel 2022, 317, 123445. [Google Scholar] [CrossRef]
- Cardeño, F.; Lapuerta, M.; Rios, L.; Agudelo, J.R. Reconsideration of regulated contamination limits to improve filterability of biodiesel and blends with diesel fuels. Renew. Energy 2020, 159, 1243–1251. [Google Scholar] [CrossRef]
- Sentanuhady, J.; Saputro, W.; Muflikhun, M.A. Metals and chemical compounds contaminants in diesel engine lubricant with B20 and B100 biofuels for long term operation. Sustain. Energy Technol. Assess. 2021, 45, 101161. [Google Scholar] [CrossRef]
- Jenkins, R.W.; Moore, C.M.; Semelsberger, T.A.; Chuck, C.J.; Gordon, J.C.; Sutton, A.D. The Effect of Functional Groups in Bio-Derived Fuel Candidates. ChemSusChem 2016, 9, 922–931. [Google Scholar] [CrossRef] [PubMed]
- Vera, J.H.; Wilczek-Vera, G. Mixture Behavior, Stability, and Azeotropy. In Classical Thermodynamics of Fluid Systems; CRC Press: Boca Raton, FL, USA, 2016; pp. 127–149. ISBN 9781315399065. [Google Scholar]
- Bashkatova, S.T.; Vinokurov, V.A.; Grishina, I.N.; Egorkina, Y.B. Intermolecular interactions in a disperse fuel system and their contribution to the mechanism of action of diesel fuel additives. Pet. Chem. 2011, 51, 363–369. [Google Scholar] [CrossRef]
- Felder, R.M.; Rousseau, R.W.; Bullard, L.G. Elementary Principles of Chemical Processes; Wiley: New York, NY, USA, 2005; p. 293. ISBN 978-0471687573. [Google Scholar]
- Msimanga, H.Z.; Dockery, C.R.; Vandenbos, D.D. Classification of local diesel fuels and simultaneous prediction of their physicochemical parameters using FTIR-ATR data and chemometrics. Spectrochim. Acta Part A Mol. Biomol. Spectrosc. 2022, 279, 121451. [Google Scholar] [CrossRef]
- Ziółkowska, M.; Wardzińska, D. Corrosiveness of Fuels During Storage Processes. In Storage Stability of Fuels; Biernat, K., Ed.; IntechOpen: London, UK, 2015; pp. 131–156. [Google Scholar] [CrossRef]
- Cavalcanti, E.H.D.S.; Zimmer, A.R.; Bento, F.M.; Ferrão, M.F. Chemical and microbial storage stability studies and shelf life determinations of commercial Brazilian biodiesels stored in carbon steel containers in subtropical conditions. Fuel 2019, 236, 993–1007. [Google Scholar] [CrossRef]
- Matuszewska, A.; Odziemkowska, M. Autoxidation of Fuels During Storage. In Storage Stability of Fuels; Biernat, K., Ed.; IntechOpen: London, UK, 2015; pp. 157–188. [Google Scholar] [CrossRef]
- Gaylarde, C.C.; Bento, F.M.; Kelley, J. Micrbial contamination of stored hydrocarbon fuels and its control. Rev. Microbiol. 1999, 30, 1–10. [Google Scholar] [CrossRef]
- Komariah, L.N.; Arita, S.; Rendana, M.; Ramayanti, C.; Suriani, N.L.; Erisna, D. Microbial contamination of diesel-biodiesel blends in storage tank; an analysis of colony morphology. Heliyon 2022, 8, e09264. [Google Scholar] [CrossRef]
- Kuronen, M.A.; Hartikka, T.; Kiiski, U. Diesel Fuel Oxidation Study: A Comparative Study, Part II. SAE Int. J. Fuels Lubr. 2014, 7, 737–742. [Google Scholar] [CrossRef]
- Arfelli, W.; Power, A.; Solly, R. The Storage Stability of Automotive Distillate Fuel. SAE Tech. Pap. 1987, 871269. [Google Scholar] [CrossRef]
- Barker, J.; Cook, S.; Richards, P. Sodium Contamination of Diesel Fuel, its Interaction with Fuel Additives and the Resultant Effects on Filter Plugging and Injector Fouling. SAE Int. J. Fuels Lubr. 2013, 6, 826–838. [Google Scholar] [CrossRef]
- Fazal, M.; Rubaiee, S.; Al-Zahrani, A.; Ghazali, S. Biodiesel degradation mechanism upon exposure of metal surfaces: A study on biodiesel sustainability. Fuel 2022, 310, 122341. [Google Scholar] [CrossRef]
- Krahl, J.; Munack, A.; Schaper, K.; Fey, B.; Schmidt, L.; Schroeder, O. Interactions among Fuel Components from Diesel Fuel and Biodiesel. SAE Tech. Pap. 2013, 1, 2594. [Google Scholar] [CrossRef]
- Rastogi, P.; Kaisare, N.S.; Basavaraj, M.G. Diesel Emulsion Fuels with Ultralong Stability. Energy Fuels 2019, 33, 12227–12235. [Google Scholar] [CrossRef]
- Marshman, S.J.; David, P. Storage Stability of Distillate Diesel Fuels: Changes in Phenalene and Phenalenone Concentrations During Long Term Ambient Storage. Prepr. Pap. Am. Chem. Soc. Div. Fuel Chem. 1990, 35, 1108–1116. [Google Scholar]
- Phatangare, K.R.; Lanke, S.K.; Sekar, N. Phenalenone Fluorophores-Synthesis, Photophysical Properties and DFT Study. J. Fluoresc. 2014, 24, 1827–1840. [Google Scholar] [CrossRef]
- Hartikka, T.; Kiiski, U.; Kuronen, M.; Mikkonen, S. Diesel Fuel Oxidation Stability: A Comparative Study. SAE Tech. Pap. 2013, 1, 2678. [Google Scholar] [CrossRef]
- Sun, Y.; Deac, A.; Zhang, G.G.Z. Assessing Physical Stability of Colloidal Dispersions Using a Turbiscan Optical Analyzer. Mol. Pharm. 2019, 16, 877–885. [Google Scholar] [CrossRef]
- Derjaguin, B. Main factors affecting the stability of colloids. Prog. Surf. Sci. 1993, 43, 109–114. [Google Scholar] [CrossRef]
- Matusiak, J.; Grządka, E. Stability of colloidal systems—A review of the stability measurements methods. Ann. Univ. Mariae Curie-Sklodowska Sect. AA—Chem. 2017, 72, 33–45. [Google Scholar] [CrossRef]
- Preetika, R.; Mehta, P.S.; Kaisare, N.S.; Basavaraj, M.G. Kinetic stability of surfactant stabilized water-in-diesel emulsion fuels. Fuel 2019, 236, 1415–1422. [Google Scholar] [CrossRef]
- Lin, R.; Tavlarides, L.L. Thermal stability and decomposition of diesel fuel under subcritical and supercritical conditions. J. Supercrit. Fluids 2013, 75, 101–111. [Google Scholar] [CrossRef][Green Version]
- Geca, M.; Borecki, M. Spectrometric data analysis of a capillary sensor of fuel photo-stability working with high power light emitting diode at 365 nm. Proc SPIE 2019, 11176, 206–213. [Google Scholar] [CrossRef]
- Nazri, M.K.H.M.; Sapawe, N. A short review on photocatalytic reaction in diesel degradation. Mater. Today Proc. 2020, 31, A33–A37. [Google Scholar] [CrossRef]
- Li, H.; Liu, F.; Ma, X.; Cui, P.; Gao, Y.; Yu, M.; Guo, M. Effects of biodiesel blends on the kinetic and thermodynamic parameters of fossil diesel during thermal degradation. Energy Convers. Manag. 2019, 198, 111930. [Google Scholar] [CrossRef]
- Janus, R.; Kołomański, K.; Wądrzyk, M.; Lewandowski, M. Degradation of petroleum diesel fuel accelerated by UV irradiation: The impact of ageing on chemical composition and selected physicochemical properties. E3S Web Conf. 2019, 108, 02003. [Google Scholar] [CrossRef]
- Anderson, J.E.; Collings, T.R.; Mueller, S.A.; Ball, J.C.; Wallington, T.J. Soy Biodiesel Oxidation at Vehicle Fuel System Temperature: Influence of Aged Fuel on Fresh Fuel Degradation to Simulate Refueling. SAE Int. J. Fuels Lubr. 2017, 10, 296–303. [Google Scholar] [CrossRef]
- Wasylkiewicz, S.K.; Ung, S. Global phase stability analysis for heterogeneous reactive mixtures and calculation of reactive liquid–liquid and vapor–liquid–liquid equilibria. Fluid Phase Equilibria 2000, 175, 253–272. [Google Scholar] [CrossRef]
- Zhang, Z.; Tian, J.; Li, J.; Cao, C.; Wang, S.; Lv, J.; Zheng, W.; Tan, D. The development of diesel oxidation catalysts and the effect of sulfur dioxide on catalysts of metal-based diesel oxidation catalysts: A review. Fuel Process. Technol. 2022, 233, 107317. [Google Scholar] [CrossRef]
- Carabajal, M.D.; Arancibia, J.A.; Escandar, G.M. Online generation of third-order liquid chromatography–excitation-emission fluorescence matrix data. Quantitation of heavy-polycyclic aromatic hydrocarbons. J. Chromatogr. A 2017, 1527, 61–69. [Google Scholar] [CrossRef]
- Bertoz, V.; Purcaro, G.; Conchione, C.; Moret, S. A Review on the Occurrence and Analytical Determination of PAHs in Olive Oils. Foods 2021, 10, 324. [Google Scholar] [CrossRef] [PubMed]
- Apitz, S.E.; Borbridge, L.M.; Bracchi, K.; Lieberman, S.H. Fluorescent response of fuels in soils: Insights into fuel-soil interactions. Proc. SPIE 1993, 1716, 139–147. [Google Scholar] [CrossRef]
- Geca, M.; Borecki, M.; Korwin-Pawlowski, M.L.; Kociubiński, A. Local liquid sample heating: Integration and isolation of a micro-heater. Proc. SPIE 2015, 9662, 100–109. [Google Scholar] [CrossRef]
- Borecki, M.; Prus, P.; Korwin-Pawlowski, M.L. Capillary Sensor with Disposable Optrode for Diesel Fuel Quality Testing. Sensors 2019, 19, 1980. [Google Scholar] [CrossRef] [PubMed]
- Borecki, M.; Geca, M.; Korwin-Pawlowski, M.L.; Prus, P. Capillary Sensor with UV-Forced Degradation and Examination of Fluorescence for Determination of Chemical Stability of Diesel and Biodiesel Fuels. Sens. Transducers 2018, 220, 20–30. [Google Scholar]
- Borecki, M.; Korwin-Pawlowski, M.L. Capillary Sensor with UV-VIS Reading of Effects of Diesel and Biodiesel Fuel Degra-dation in Storage. Sens. Transducers 2016, 205, 1–9. [Google Scholar]
- Kirgina, M.; Bogdanov, I.; Altynov, A.; Belinskaya, N.; Orlova, A.; Nikonova, N. Studying the impact of different additives on the properties of straight-run diesel fuels with various hydrocarbon compositions. Oil Gas Sci. Technol. Rev. d’IFP Energies Nouv. 2021, 76, 40. [Google Scholar] [CrossRef]
- Fernández, I. Understanding the reactivity of polycyclic aromatic hydrocarbons and related compounds. Chem. Sci. 2020, 11, 3769–3779. [Google Scholar] [CrossRef]
- Borecki, M.; Doroz, P.; Prus, P.; Pszczolkowski, P.; Szmidt, J.; Korwin-Pawlowski, M.L.; Frydrych, J.; Kociubinski, A.; Duk, M. Fiber optic capillary sensor with smart optrode for rapid testing of the quality of diesel and biodiesel fuel. Int. J. Adv. Syst. Meas. 2014, 7, 57–67. [Google Scholar]
- Borecki, M.; Olejnik, A.; Rychlik, A.; Korwin-Pawlowski, M.L.; Szmidt, J. A passive sensing device for a cloud on the skyline detection. Proc. SPIE 2019, 11176, 972–978. [Google Scholar] [CrossRef]
- Storrie-Lombardi, M.C.; Muller, J.-P.; Fisk, M.R.; Griffiths, A.D.; Coates, A.J. Potential for non-destructive astrochemistry using the ExoMars PanCam. Geophys. Res. Lett. 2008, 35, L12201. [Google Scholar] [CrossRef]




























| Parameter | Naphthalene | Methylnaphthalene | Phenanthrene | Pyrene | Perylene | Benzo[a]pyrene |
|---|---|---|---|---|---|---|
| concentration in diesel fuel [mg/kg] | 1100 | 5910 | 1250 | 82 | 0 | 0 |
| concentration in crude oil [mg/kg] | 42 | 109 | 75 | 13 | 12 | 4 |
| Ring number | 2 | 2 | 3 | 4 | 5 | 5 |
| Boiling point [°C] | 217 | 240 | 338 | 394 | 467 | 495 |
| Appearance | white crystalline volatile solid | colorless liquid | colorless monoclinic crystals | colorless solid | yellow to colorless solid | Pale yellow crystals |
| Fuel Type | Cetane Number (ISO 5165) | Fuel Stability (EN 15751) [h] | Water Volume [mg/kg] | PAH [% (m/m)] | FAME (EN 14078) [% (v/v)] |
|---|---|---|---|---|---|
| Premium PDFU(s) | 55 | 20 | 103 | 1.85 | 0.05 |
| Regular RDFU(s) | 52 | 20 | 105 | 2.00 | 7 |
| Cycle Type | 380 nm | 390 nm | 410 nm | 430 nm | 490 nm | 500 nm | 670 nm |
|---|---|---|---|---|---|---|---|
| DME:UVonToff | 161 | −436 | −291 | −10 | 343 | 252 | −9 |
| DME:UVoffTon | −90 | −359 | −218 | −99 | −142 | −155 | 65 |
| DME:UVonTon | 567 | −250 | 103 | 398 | 716 | 641 | 24 |
| Cycle Type | [S(5s)–S(360s)] at 670 nm |
|---|---|
| DME:UVonToff | 406 |
| DME:UVoffTon | 260 |
| DME:UVonTon | 362 |
| Fuel Type | 380 nm | 390 nm | 410 nm | 430 nm | 490 nm | 500 nm | 670 nm | Avg |
|---|---|---|---|---|---|---|---|---|
| RDFU(s) | 76 | 49 | 124 | 321 | 2663 | 2457 | 287 | 854 |
| RDFA(s) | 101 | 114 | 248 | 838 | 3093 | 2844 | 271 | 1073 |
| PDFU(s) | 1485 | 313 | 1273 | 1752 | 3488 | 3103 | 139 | 1650 |
| PDFA(s) | 1999 | 977 | 1995 | 2194 | 3972 | 3573 | 144 | 2122 |
| Fuel Type | 380 nm | 390 nm | 410 nm | 430 nm | 490 nm | 500 nm | 670 nm | Avg |
|---|---|---|---|---|---|---|---|---|
| RDFU(s) | 567 | −250 | 103 | 398 | 716 | 641 | 23 | 314 |
| RDFA(s) | 502 | 529 | 690 | 679 | 1131 | 1026 | 49 | 658 |
| PDFU(s) | 1116 | 683 | 264 | 7 | 52 | −47 | −25 | 293 |
| PDFA(s) | 1182 | 667 | 395 | 22 | −273 | −342 | −51 | 228 |
Publisher’s Note: MDPI stays neutral with regard to jurisdictional claims in published maps and institutional affiliations. |
© 2022 by the authors. Licensee MDPI, Basel, Switzerland. This article is an open access article distributed under the terms and conditions of the Creative Commons Attribution (CC BY) license (https://creativecommons.org/licenses/by/4.0/).
Share and Cite
Borecki, M.; Geca, M.; Korwin-Pawlowski, M.L. Automotive Diesel Fuel Internal Stability Testing with the Use of UV and Temperature as Degradation Factors. Materials 2022, 15, 8548. https://doi.org/10.3390/ma15238548
Borecki M, Geca M, Korwin-Pawlowski ML. Automotive Diesel Fuel Internal Stability Testing with the Use of UV and Temperature as Degradation Factors. Materials. 2022; 15(23):8548. https://doi.org/10.3390/ma15238548
Chicago/Turabian StyleBorecki, Michal, Mateusz Geca, and Michael L. Korwin-Pawlowski. 2022. "Automotive Diesel Fuel Internal Stability Testing with the Use of UV and Temperature as Degradation Factors" Materials 15, no. 23: 8548. https://doi.org/10.3390/ma15238548
APA StyleBorecki, M., Geca, M., & Korwin-Pawlowski, M. L. (2022). Automotive Diesel Fuel Internal Stability Testing with the Use of UV and Temperature as Degradation Factors. Materials, 15(23), 8548. https://doi.org/10.3390/ma15238548

