Time-History Analysis of Composite Materials with Rectangular Microstructure under Shear Actions
Abstract
1. Introduction
2. Micropolar Continuum
3. Rectangular Microstructure
Reference Volume Element
4. Numerical Implementation
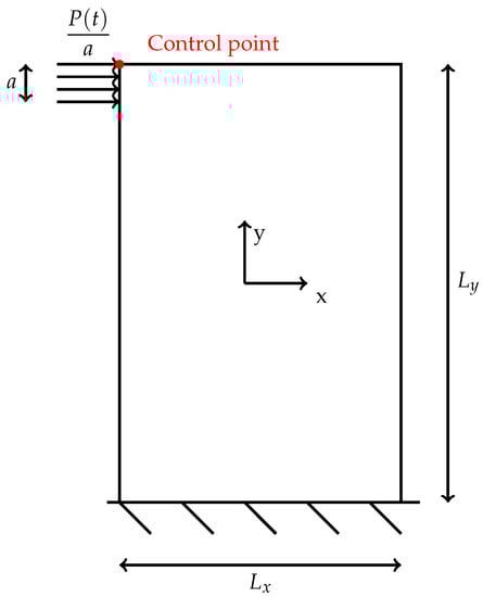
Continuum Model
5. Simulations
5.1. Time Transient Analysis
5.2. Texture 1
5.3. Texture 2
6. Conclusions
Author Contributions
Funding
Institutional Review Board Statement
Informed Consent Statement
Data Availability Statement
Conflicts of Interest
References
- Sadowski, T.; Samborski, S. Prediction of the mechanical behaviour of porous ceramics using mesomechanical modelling. Comput. Mater. Sci. 2003, 28, 512–517. [Google Scholar] [CrossRef]
- Sadowski, T.; Samborski, S. Development of damage state in porous ceramics under compression. Comput. Mater. Sci. 2008, 43, 75–81. [Google Scholar] [CrossRef]
- Samborski, S.; Sadowski, T. Dynamic fracture toughness of porous ceramics. J. Am. Ceram. Soc. 2010, 93, 3607–3609. [Google Scholar] [CrossRef]
- Postek, E.; Sadowski, T. Assessing the influence of porosity in the deformation of metal–ceramic composites. Compos. Interfaces 2011, 18, 57–76. [Google Scholar] [CrossRef]
- Sadowski, T.; Postek, E.; Denis, C. Stress distribution due to discontinuities in polycrystalline ceramics containing metallic inter-granular layers. Comput. Mater. Sci. 2007, 39, 230–236. [Google Scholar] [CrossRef]
- Sadowski, T.; Marsavina, L. Multiscale modelling of two-phase ceramic matrix composites. Comput. Mater. Sci. 2011, 50, 1336–1346. [Google Scholar] [CrossRef]
- Boniecki, M.; Sadowski, T.; Gołębiewski, P.; Węglarz, H.; Piątkowska, A.; Romaniec, M.; Krzyżak, K.; Łosiewicz, K. Mechanical properties of alumina/zirconia composites. Ceram. Int. 2020, 46, 1033–1039. [Google Scholar] [CrossRef]
- Sadowski, T.; Łosiewicz, K.; Boniecki, M.; Szutkowska, M. Assessment of mechanical properties by nano-and microindentation of alumina/zirconia composites. Mater. Today Proc. 2021, 45, 4196–4201. [Google Scholar] [CrossRef]
- Gatta, C.; Addessi, D.; Vestroni, F. Static and dynamic nonlinear response of masonry walls. Int. J. Solids Struct. 2018, 155, 291–303. [Google Scholar] [CrossRef]
- Addessi, D.; Sacco, E. Enriched plane state formulation for nonlinear homogenization of in-plane masonry wall. Meccanica 2016, 51, 2891–2907. [Google Scholar] [CrossRef]
- Addessi, D.; Sacco, E. Homogenization of heterogeneous masonry beams. Meccanica 2018, 53, 1699–1717. [Google Scholar] [CrossRef]
- Baggio, C.; Trovalusci, P. Collapse behaviour of three-dimensional brick-block systems using non-linear programming. Struct. Eng. Mech. 2000, 10, 181. [Google Scholar] [CrossRef]
- Godio, M.; Stefanou, I.; Sab, K.; Sulem, J.; Sakji, S. A limit analysis approach based on Cosserat continuum for the evaluation of the in-plane strength of discrete media: Application to masonry. Eur. J. -Mech.-A/Solids 2017, 66, 168–192. [Google Scholar] [CrossRef]
- Baraldi, D.; Reccia, E.; Cecchi, A. In plane loaded masonry walls: DEM and FEM/DEM models. A critical review. Meccanica 2018, 53, 1613–1628. [Google Scholar] [CrossRef]
- Reccia, E.; Leonetti, L.; Trovalusci, P.; Cecchi, A. A multiscale/multidomain model for the failure analysis of masonry walls: A validation with a combined FEM/DEM approach. Int. J. Multiscale Comput. Eng. 2018, 16, 325–343. [Google Scholar] [CrossRef]
- Pepe, M.; Pingaro, M.; Trovalusci, P.; Reccia, E.; Leonetti, L. Micromodels for the in-plane failure analysis of masonry walls: Limit Analysis, FEM and FEM/DEM approaches. Frat. Integrità Strutt. 2020, 14, 504–516. [Google Scholar] [CrossRef]
- Trovalusci, P.; Ostoja-Starzewski, M. Multiscale mechanical modelling of complex materials and engineering applications 2. Int. J. Multiscale Comput. Eng. 2011, 9, vii–ix. [Google Scholar] [CrossRef]
- Sadowski, T.; Trovalusci, P.; Schrefler, B.; de Borst, R. Multi-scale and multi-physics modelling for complex materials. Meccanica 2014, 49, 2549–2550. [Google Scholar] [CrossRef][Green Version]
- Altenbach, H.; Sadowski, T. Failure and Damage Analysis of Advanced Materials; Springer: Berlin/Heidelberg, Germany, 2015. [Google Scholar]
- Greco, F.; Leonetti, L.; Luciano, R.; Blasi, P.N. Effects of microfracture and contact induced instabilities on the macroscopic response of finitely deformed elastic composites. Compos. Part Eng. 2016, 107, 233–253. [Google Scholar] [CrossRef]
- De Borst, R. Simulation of Strain Localization: A Reappraisal of the Cosserat Continuum. Eng. Comp. 1991, 8, 317–332. [Google Scholar] [CrossRef]
- Sluys, L.; De Borst, R.; Mühlhaus, H.B. Wave propagation, localization and dispersion in a gradient-dependent medium. Int. J. Solids Struct. 1993, 30, 1153–1171. [Google Scholar] [CrossRef]
- Masiani, R.; Rizzi, N.; Trovalusci, P. Masonry as structured continuum. Meccanica 1995, 30, 673–683. [Google Scholar] [CrossRef]
- Masiani, R.; Trovalusci, P. Cosserat and Cauchy materials as continuum models of brick masonry. Meccanica 1996, 31, 421–432. [Google Scholar] [CrossRef]
- Trovalusci, P.; Masiani, R. Material symmetries of micropolar continua equivalent to lattices. Int. J. Solids Struct. 1999, 36, 2091–2108. [Google Scholar] [CrossRef]
- Trovalusci, P.; Masiani, R. A multifield model for blocky materials based on multiscale description. Int. J. Solids Struct. 2005, 42, 5778–5794. [Google Scholar] [CrossRef][Green Version]
- Pau, A.; Trovalusci, P. Block masonry as equivalent micropolar continua: The role of relative rotations. Acta Mech. 2012, 223, 1455–1471. [Google Scholar] [CrossRef]
- Trovalusci, P.; Pau, A. Derivation of microstructured continua from lattice systems via principle of virtual works: The case of masonry-like materials as micropolar, second gradient and classical continua. Acta Mech. 2014, 225, 157–177. [Google Scholar] [CrossRef]
- Trovalusci, P. Molecular Approaches for Multifield Continua: Origins and current developments. In Multiscale Modeling of Complex Materials: Phenomenological, Theoretical and Computational Aspects; Sadowski, T., Trovalusci, P., Eds.; Springer: Vienna, Austria, 2014; pp. 211–278. [Google Scholar] [CrossRef]
- Tuna, M.; Trovalusci, P. Scale dependent continuum approaches for discontinuous assemblies: ‘Explicit’ and ‘implicit’ non-local models. Mech. Res. Commun. 2020, 103, 103461. [Google Scholar] [CrossRef]
- Tuna, M.; Leonetti, L.; Trovalusci, P.; Kirca, M. ‘Explicit’ and ‘implicit’ non-local continuous descriptions for a plate with circular inclusion in tension. Meccanica 2020, 55, 927–944. [Google Scholar] [CrossRef]
- Tuna, M.; Trovalusci, P. Stress distribution around an elliptic hole in a plate with ‘implicit’ and ‘explicit’ non-local models. Compos. Struct. 2021, 256, 113003. [Google Scholar] [CrossRef]
- Eringen, A.C. Theory of micropolar elasticity. In Microcontinuum Field Theories; Springer: Berlin/Heidelberg, Germany, 1999; pp. 101–248. [Google Scholar]
- Uzun, B.; Civalek, Ö. Nonlocal FEM formulation for vibration analysis of nanowires on elastic matrix with different materials. Math. Comput. Appl. 2019, 24, 38. [Google Scholar] [CrossRef]
- Barretta, R.; Luciano, R.; de Sciarra, F.M. A Fully Gradient Model for Euler-Bernoulli Nanobeams. Math. Probl. Eng. 2015, 2015, 495095. [Google Scholar] [CrossRef]
- Čanađija, M.; Barretta, R.; De Sciarra, F.M. A gradient elasticity model of Bernoulli–Euler nanobeams in non-isothermal environments. Eur. J.-Mech.-A/Solids 2016, 55, 243–255. [Google Scholar] [CrossRef]
- Barretta, R.; Faghidian, S.A.; Luciano, R. Longitudinal vibrations of nano-rods by stress-driven integral elasticity. Mech. Adv. Mater. Struct. 2019, 26, 1307–1315. [Google Scholar] [CrossRef]
- Barretta, R.; Marotti de Sciarra, F. A Nonlocal Model for Carbon Nanotubes under Axial Loads. Adv. Mater. Sci. Eng. 2013, 2013, 1–6. [Google Scholar] [CrossRef]
- Eshraghi, I.; Jalali, S.K.; Pugno, N.M. Imperfection sensitivity of nonlinear vibration of curved single-walled carbon nanotubes based on nonlocal timoshenko beam theory. Materials 2016, 9, 786. [Google Scholar] [CrossRef]
- Izadi, R.; Tuna, M.; Trovalusci, P.; Ghavanloo, E. Torsional characteristics of carbon nanotubes: Micropolar elasticity models and molecular dynamics simulation. Nanomaterials 2021, 11, 453. [Google Scholar] [CrossRef]
- Civalek, Ö.; Dastjerdi, S.; Akbaş, Ş.D.; Akgöz, B. Vibration analysis of carbon nanotube-reinforced composite microbeams. Math. Methods Appl. Sci. 2021. [Google Scholar] [CrossRef]
- Tocci Monaco, G.; Fantuzzi, N.; Fabbrocino, F.; Luciano, R. Trigonometric solution for the bending analysis of magneto-electro-elastic strain gradient nonlocal nanoplates in hygro-thermal environment. Mathematics 2021, 9, 567. [Google Scholar] [CrossRef]
- Akbaş, Ş.D.; Ersoy, H.; Akgöz, B.; Civalek, Ö. Dynamic Analysis of a Fiber-Reinforced Composite Beam under a Moving Load by the Ritz Method. Mathematics 2021, 9, 1048. [Google Scholar] [CrossRef]
- Addessi, D. A 2D Cosserat finite element based on a damage-plastic model for brittle materials. Comput. Struct. 2014, 135, 20–31. [Google Scholar] [CrossRef]
- Bacciocchi, M.; Tarantino, A. Natural Frequency Analysis of Functionally Graded Orthotropic Cross-Ply Plates Based on the Finite Element Method. Math. Comput. Appl. 2019, 24, 52. [Google Scholar] [CrossRef]
- Capecchi, D.; Ruta, G.; Trovalusci, P. Voigt and Poincaré’s mechanistic–energetic approaches to linear elasticity and suggestions for multiscale modelling. Arch. Appl. Mech. 2011, 81, 1573–1584. [Google Scholar] [CrossRef]
- Colatosti, M.; Fantuzzi, N.; Trovalusci, P. Dynamic Characterization of Microstructured Materials Made of Hexagonal-Shape Particles with Elastic Interfaces. Nanomaterials 2021, 11, 1781. [Google Scholar] [CrossRef] [PubMed]
- Colatosti, M.; Fantuzzi, N.; Trovalusci, P.; Masiani, R. New insights on homogenization for hexagonal-shaped composites as Cosserat continua. Meccanica 2021. [Google Scholar] [CrossRef]
- Fantuzzi, N.; Trovalusci, P.; Luciano, R. Material Symmetries in Homogenized Hexagonal-Shaped Composites as Cosserat Continua. Symmetry 2020, 12, 441. [Google Scholar] [CrossRef]
- Ferreira, A.; Fantuzzi, N. MATLAB Codes for Finite Element Analysis 2nd Edition: Solids and Structures; Springer: Berlin/Heidelberg, Germany, 2020. [Google Scholar]
- Newmark, N.M. A method of computation for structural dynamics. J. Eng. Mech. Div. 1959, 85, 67–94. [Google Scholar] [CrossRef]
- Fantuzzi, N.; Trovalusci, P.; Luciano, R. Multiscale analysis of anisotropic materials with hexagonal microstructure as micropolar continua. Int. J. Multiscale Comput. Eng. 2020, 18, 265–284. [Google Scholar] [CrossRef]






Publisher’s Note: MDPI stays neutral with regard to jurisdictional claims in published maps and institutional affiliations. |
© 2021 by the authors. Licensee MDPI, Basel, Switzerland. This article is an open access article distributed under the terms and conditions of the Creative Commons Attribution (CC BY) license (https://creativecommons.org/licenses/by/4.0/).
Share and Cite
Colatosti, M.; Fantuzzi, N.; Trovalusci, P. Time-History Analysis of Composite Materials with Rectangular Microstructure under Shear Actions. Materials 2021, 14, 6439. https://doi.org/10.3390/ma14216439
Colatosti M, Fantuzzi N, Trovalusci P. Time-History Analysis of Composite Materials with Rectangular Microstructure under Shear Actions. Materials. 2021; 14(21):6439. https://doi.org/10.3390/ma14216439
Chicago/Turabian StyleColatosti, Marco, Nicholas Fantuzzi, and Patrizia Trovalusci. 2021. "Time-History Analysis of Composite Materials with Rectangular Microstructure under Shear Actions" Materials 14, no. 21: 6439. https://doi.org/10.3390/ma14216439
APA StyleColatosti, M., Fantuzzi, N., & Trovalusci, P. (2021). Time-History Analysis of Composite Materials with Rectangular Microstructure under Shear Actions. Materials, 14(21), 6439. https://doi.org/10.3390/ma14216439

