The Fatigue Behaviors of a Medium-Carbon Pearlitic Wheel-Steel with Elongated Sulfides in High-Cycle and Very-High-Cycle Regimes
Abstract
:1. Introduction
2. Test Material and Experimental Procedure
2.1. Test Material
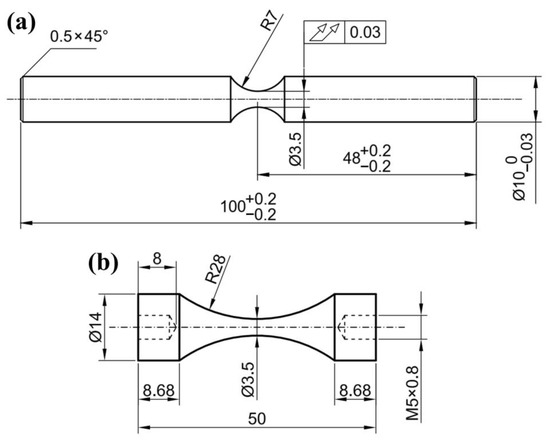
2.2. Experimental Procedure
3. Results and Discussion
3.1. Microstructural Observations
3.2. S-N Data
3.3. SEM Observation and Analysis
3.4. Effect of Inclusions on the Fatigue Behaviors
3.5. Microstructure Characterizations for the Internal Cases of Crack Initiation
4. Conclusions
- All the S-N curves exhibit horizontal asymptotic shapes and have a clear fatigue limit. The fatigue limit (260–270 MPa) for R = −1 obtained by ultrasonic loading tests is almost 140–150 MPa lower than that obtained by rotating bending tests (400–410 MPa). The first reason is due to the temperature increase of the specimen at an ultrasonic frequency. The second reason is the larger control volume of ultrasonic fatigue specimens, which include a higher number of inclusions than rotating bending fatigue specimens. The fatigue limit at R = 0.3 is almost in the range of 195–205 MPa.
- All fatigue cracks of the wheel-steel were originated from the surface microstructure for the rotating bending test, and no pre-existing inclusions were observed at the crack initiation sites. Whereas for ultrasonic loading tests, both surface and interior crack initiation occurred and all cracks initiated from MnS inclusions regardless of stress ratios, suggesting the sulfides as dominant factor for fatigue failure in HCF and VHCF regimes.
- MnS inclusions at the crack initiation sites were examined by EDX. The finite element method was employed to study the influence of MnS inclusions’ shape on crack initiation and propagation. The results show that high stress concentrates on the sides of the elliptical MnS inclusion, rather than the tip of the inclusion, led to crack initiation from the sides of the inclusions.
- TEM and TKD observations indicate that grain refinement regions exist in the FiE area of the VHCF failed specimens under ultrasonic loading at R = −1. However, no evident grain refinement is present in the FiE region at R = 0.3. This phenomenon suggests that refined grain appeared under the negative values of stress ratio and vanished under the positive values.
Author Contributions
Funding
Institutional Review Board Statement
Informed Consent Statement
Data Availability Statement
Conflicts of Interest
References
- Wagner, V.; Starke, P.; Kerscher, E.; Eifler, D. Cyclic deformation behaviour of railway wheel steels in the very high cycle fatigue (VHCF) regime. Int. J. Fract. 2011, 33, 69–74. [Google Scholar] [CrossRef]
- Sakai, T. Review and prospects for current studies on very high cycle fatigue of metallic materials for machine structural use. J. Solid Mech. Mater. Eng. 2009, 3, 425–439. [Google Scholar] [CrossRef] [Green Version]
- Pyttel, B.; Schwerdt, D.; Berger, C. Very high cycle fatigue–Is there a fatigue limit? Int. J. Fatigue 2011, 33, 49–58. [Google Scholar] [CrossRef]
- Matsunaga, H.; Sun, C.; Hong, Y.; Murakami, Y. Dominant factors for very-high-cycle fatigue of high-strength steels and a new design method for components. Fatigue Fract. Eng. Mater. Struct. 2015, 38, 1274–1284. [Google Scholar] [CrossRef] [Green Version]
- Jeddi, D.; Palin-Luc, T. A review about the effects of structural and operational factors on the gigacycle fatigue of steels. Fatigue Fract. Eng. Mater. Struct. 2018, 41, 969–990. [Google Scholar] [CrossRef] [Green Version]
- Gao, G.; Xu, Q.; Guo, H.; Gui, X.; Zhang, B.; Bai, B. Effect of inclusion and microstructure on the very high cycle fatigue behaviors of high strength bainite/martensite multiphase steels. Mater. Sci. Eng. A 2019, 739, 404–414. [Google Scholar] [CrossRef]
- Murakami, Y.; Ueda, T.; Nomoto, T. Fractographic analysis of fatigue failure in the superlong life regime (N > 107 cycles). Part I: Influence of hydrogen trapped by inclusions. Fatigue Fract. Eng. Mater. Struct. 2000, 23, 893–902. [Google Scholar] [CrossRef]
- Shiozawa, K.; Murai, M.; Shimatani, Y.; Yoshimoto, T. Transition of fatigue failure mode of Ni–Cr–Mo low-alloy steel in very high cycle regime. Int. J. Fatigue 2010, 32, 541–550. [Google Scholar] [CrossRef]
- Furuya, Y.; Matsuoka, S.; Abe, T.; Yamaguchi, K. Gigacycle fatigue properties for high-strength low-alloy steel at 100 Hz, 600 Hz, and 20 kHz. Scripta Mater. 2002, 46, 157–162. [Google Scholar] [CrossRef]
- Tsutsumi, N.; Murakami, Y.; Doquet, V. Effect of test frequency on fatigue strength of low carbon steel. Fatigue Fract. Eng. Mater. Struct. 2009, 32, 473–483. [Google Scholar] [CrossRef]
- Li, W.; Sakai, T.; Li, Q. Effect of loading type on fatigue properties of high strength bearing steel in very high cycle regime. Mater. Sci. Eng. A 2011, 528, 5044–5052. [Google Scholar] [CrossRef]
- Guennec, B.; Ueno, A.; Sakai, T. Effect of the loading frequency on fatigue properties of JIS S15C low carbon steel and some discussions based on micro-plasticity behavior. Int. J. Fatigue 2014, 66, 29–38. [Google Scholar] [CrossRef]
- Bayraktar, E.; Garcias, I.M.; Bathias, C. Failure mechanisms of automotive metallic alloys in very high cycle fatigue range. Int. J. Fatigue 2006, 28, 1590–1602. [Google Scholar] [CrossRef]
- Pan, X.; Su, H.; Sun, C.; Hong, Y. The behavior of crack initiation and early growth in high-cycle and very-high-cycle fatigue regimes for a titanium alloy. Int. J. Fatigue 2018, 115, 67–78. [Google Scholar] [CrossRef] [Green Version]
- Pan, X.; Hong, Y. High-cycle and very-high-cycle fatigue behaviour of a titanium alloy with equiaxed microstructure under different mean stresses. Fatigue Fract. Eng. Mater. Struct. 2019, 42, 1950–1964. [Google Scholar] [CrossRef]
- Li, Z.; Zhou, S. High / very high cycle fatigue behaviors of medium carbon pearlitic wheel steels and the effects of microstructure and non-metallic inclusions. Mater. Sci. Eng. A 2019, 764, 138208. [Google Scholar] [CrossRef]
- Pan, X.; Qian, G.; Wu, S.; Fu, Y.; Hong, Y. Internal crack characteristics in very-high-cycle fatigue of a gradient structured titanium alloy. Sci. Rep. 2020, 10, 4742. [Google Scholar] [CrossRef] [Green Version]
- Pan, X.; Xu, S.; Qian, G.; Nikitin, A.; Shanyavskiy, A.; Palin-Luc, T.; Hong, Y. The mechanism of internal fatigue-crack initiation and early growth in a titanium alloy with lamellar and equiaxed microstructure. Mater. Sci. Eng. A 2020, 798, 140110. [Google Scholar] [CrossRef]
- Lankford, J. Inclusion-matrix debonding and fatigue crack initiation in low alloy steel. Int. J. Fract. 1976, 12, 155–157. [Google Scholar]
- Lankford, J. Effect of oxide inclusions on fatigue failure. Int. Met. Rev. 1977, 22, 221–228. [Google Scholar] [CrossRef]
- Pineau, A.; Forest, S. Effect of inclusions on the very high cycle fatigue of steels. Fatigue Fract. Eng. Mater. Struct. 2017, 40, 1694–1707. [Google Scholar] [CrossRef]
- Dhua, S.K.; Ray, A.; Sen, S.K.; Prasad, M.S.; Mishra, K.B.; Jha, S. Influence of nonmetallic inclusion characteristics on the mechanical properties of rail steel. J. Mater. Eng. Perform. 2000, 9, 700–709. [Google Scholar] [CrossRef]
- Liu, C.D.; Bassim, M.N.; Lawrence, S.S. Evaluation of fatigue-crack initiation at inclusions in fully pearlitic steels. Mater. Sci. Eng. A 1993, 167, 107–113. [Google Scholar] [CrossRef]
- Liu, C.D.; Bassim, M.N.; Lawrence, S.S. Dependence of the fatigue limit of rail steels on stress intensity factor near inclusions. Eng. Fract. Mech. 1995, 50, 301–307. [Google Scholar] [CrossRef]
- Sakai, T.; Sato, Y.; Nagano, Y.; Takeda, M.; Oguma, N. Effect of stress ratio on long life fatigue behavior of high carbon chromium bearing steel under axial loading. Int. J. Fatigue 2006, 28, 1547–1554. [Google Scholar] [CrossRef]
- Kovacs, S.; Beck, T.; Singheiser, L. Influence of mean stresses on fatigue life and damage of a turbine blade steel in the VHCF-regime. Int. J. Fatigue 2013, 28, 90–99. [Google Scholar] [CrossRef]
- Furuya, Y.; Takeuchi, E. Gigacycle fatigue properties of Ti-6Al-4V alloy under tensile mean stress. Mater. Sci. Eng. A 2014, 598, 135–140. [Google Scholar] [CrossRef]
- Gao, Y. Fatigue stress concentration sensitivity and stress ratio effect of a 40CrNi2Si2MoVA steel. Mater. Lett. 2017, 186, 235–238. [Google Scholar] [CrossRef]
- Sander, M.; Müller, T.; Lebahn, J. Influence of mean stress and variable amplitude loading on the fatigue behaviour of a high-strength steel in VHCF regime. Int. J. Fatigue 2014, 62, 10–20. [Google Scholar] [CrossRef]
- Qiu, H.; Ito, R.; Hiraoka, K. Role of grain size on the strength and ductile–brittle transition temperature in the dual-sized ferrite region of the heat-affected zone of ultra-fine grained steel. Mater. Sci. Eng. A 2006, 435, 648–652. [Google Scholar] [CrossRef]
- Liaw, P.K.; Wang, H.; Jiang, L.; Yang, B.; Huang, J.Y.; Kuo, R.C.; Huang, J.G. Thermographic detection of fatigue damage of pressure vessel steels at 1000 Hz and 20 Hz. Scripta Mater. 2000, 42, 389–395. [Google Scholar] [CrossRef]
- Bathias, C. Coupling effect of plasticity, thermal dissipation and metallurgical stability in ultrasonic fatigue. Int. J. Fatigue 2014, 60, 18–22. [Google Scholar] [CrossRef]
- Hu, Y.; Sun, C.; Xie, J.; Hong, Y. Effects of loading frequency and loading type on high-cycle and very-high-cycle fatigue of a high-strength steel. Materials 2018, 11, 1456. [Google Scholar] [CrossRef] [Green Version]
- Sadeghi-Tohidi, F.; Pierron, O.N. Extreme stress gradient effects on the fatigue behavior of Ni notched microbeams. Acta Mater. 2016, 106, 388–400. [Google Scholar] [CrossRef]
- Shrestha, R.; Simsiriwong, J.; Shamsaei, N. Fatigue behavior of additive manufactured 316 L stainless steel under axial versus rotating-bending loading: Synergistic effects of stress gradient, surface roughness, and volumetric defects. Int. J. Fatigue 2021, 144, 106063. [Google Scholar] [CrossRef]
- Murakami, Y.; Yokoyama, N.N.; Nagata, J. Mechanism of fatigue failure in ultralong life regime. Fatigue Fract. Eng. Mater. Struct. 2002, 25, 735–746. [Google Scholar] [CrossRef]
- Hong, Y.; Liu, X.; Lei, Z.; Sun, C. The formation mechanism of characteristic region at crack initiation for very-high-cycle fatigue of high-strength steels. Int. J. Fatigue 2016, 89, 108–118. [Google Scholar] [CrossRef] [Green Version]
- Zettl, B.; Mayer, H.; Ede, C.; Stanzl-Tschegg, S. Very high cycle fatigue of normalized carbon steels. Int. J. Fatigue 2006, 28, 1583–1589. [Google Scholar] [CrossRef]
- Cyril, N.S.; Fatemi, A. Experimental evaluation and modeling of sulfur content and anisotropy of sulfide inclusions on fatigue behavior of steels. Int. J. Fatigue 2009, 31, 526–537. [Google Scholar] [CrossRef]
- Temmel, C.; Ingesten, N.G.; Karlsson, B. Fatigue anisotropy in cross-rolled, hardened medium carbon steel resulting from MnS inclusions. Metall. Mater. Trans. A 2006, 37, 2995–3007. [Google Scholar] [CrossRef]
- Pan, X.; Qian, G.; Hong, Y. Nanograin formation in dimple ridges due to local severe-plastic-deformation during ductile fracture. Scr. Mater. 2021, 194, 113631. [Google Scholar] [CrossRef]














Publisher’s Note: MDPI stays neutral with regard to jurisdictional claims in published maps and institutional affiliations. |
© 2021 by the authors. Licensee MDPI, Basel, Switzerland. This article is an open access article distributed under the terms and conditions of the Creative Commons Attribution (CC BY) license (https://creativecommons.org/licenses/by/4.0/).
Share and Cite
Liu, L.; Ma, Y.; Liu, S.; Wang, S. The Fatigue Behaviors of a Medium-Carbon Pearlitic Wheel-Steel with Elongated Sulfides in High-Cycle and Very-High-Cycle Regimes. Materials 2021, 14, 4318. https://doi.org/10.3390/ma14154318
Liu L, Ma Y, Liu S, Wang S. The Fatigue Behaviors of a Medium-Carbon Pearlitic Wheel-Steel with Elongated Sulfides in High-Cycle and Very-High-Cycle Regimes. Materials. 2021; 14(15):4318. https://doi.org/10.3390/ma14154318
Chicago/Turabian StyleLiu, Lu, Yifan Ma, Shisen Liu, and Shengnan Wang. 2021. "The Fatigue Behaviors of a Medium-Carbon Pearlitic Wheel-Steel with Elongated Sulfides in High-Cycle and Very-High-Cycle Regimes" Materials 14, no. 15: 4318. https://doi.org/10.3390/ma14154318
APA StyleLiu, L., Ma, Y., Liu, S., & Wang, S. (2021). The Fatigue Behaviors of a Medium-Carbon Pearlitic Wheel-Steel with Elongated Sulfides in High-Cycle and Very-High-Cycle Regimes. Materials, 14(15), 4318. https://doi.org/10.3390/ma14154318
