The Influence of the Internal Forces of the Buckling Modes on the Load-Carrying Capacity of Composite Medium-Length Beams under Bending
Abstract
1. Introduction
2. Formulation of the Problem
- M—magnitude of the applied bending moment;
- Mr—buckling moment of the r-th buckling mode;
- ζr—the dimensionless amplitude of the r-th buckling mode;
- ζr*—the dimensionless amplitude of the initial deflection of the r-th buckling mode.
- BC I—the beam was loaded by the bending moment generated from normal forces located at the nodes in both beam ends with different force magnitude (Figure 1). The force distribution corresponds to the stress distribution in the case of pure bending.
- BC II—the bending moment was applied by the displacement of the beam ends. The angle of rotation was applied in the “maternode” located at the centre of gravity of the cross-section and transferred to all nodes lying at both ends of the beam cross-sections (Figure 2). This method of load application corresponds to that used in SAM.
- Uzn—displacement in the z-direction of the point located on the flange, on the y-axis;
- ymax—maximum distance from neutral axis to the outer layer;
3. Results and Discussion
3.1. Linear Buckling Analysis
3.2. Non-Linear Analysis
- Case 1—the interaction of buckling modes 1, 2 and 3;
- Case 2—the interaction of buckling modes 1, 2 and 4;
4. Summary
- -
- for LC–1 and LC–2 beams, the lowest buckling mode has a local–distortional character, while LC–3 has a global distortional–lateral buckling mode
- -
- similarities occur in the distribution of the internal forces (Nx, Ny and Nxy) for the analysed buckling modes among all samples
- -
- the greater influence of the secondary global buckling mode (i = 2) occurs when the interaction of the primary and secondary global distortional–lateral buckling mode and distortional buckling mode (case 1) is considered
- -
- the Nx internal force has a primary effect on the magnitude of coefficient apqr
- -
- linear and non-linear analyses for all instances (LC–1, LC–2, LC–3) reveal the highest share of Nx internal force
- -
- the load-carrying capacity for all considered samples is lower than the critical bending moment
- -
- the load-carrying capacity estimated by SAM is lower than that obtained from FE models
- -
- the failure of the composite layer occurs before reaching load-carrying capacity (for LC–1 and LC–3) or just after reaching the ultimate loading (for LC–2)
- -
- the distribution of the internal forces in the post-critical regime is more non-linear compared to distributions gained from linear analysis
- -
- the discrepancy between SAM and FEM results is caused by the different number of degrees of freedom adopted in both methods
Author Contributions
Funding
Conflicts of Interest
Appendix A
References
- Jakubczak, P.; Gliszczynski, A.; Nienias, J.; Majerski, K.; Kubiak, T. Collapse of channel section composite profile subjected to bending, Part II: Failure analysis. Compos. Struct. 2017, 179, 1–20. [Google Scholar] [CrossRef]
- Kolakowski, Z.; Urbaniak, M. Influence of the distortional–lateral buckling mode on the interactive buckling of short channels. Thin-Walled Struct. 2016, 109, 296–303. [Google Scholar] [CrossRef]
- Kolakowski, Z.; Jankowski, J. Interactive buckling of steel C–beams with different lengths—From short to long beams. Thin-Walled Struct. 2018, 125, 203–210. [Google Scholar] [CrossRef]
- Kolakowski, Z.; Jankowski, J. Interactive Buckling of Steel LC–Beams Under Bending. Mater. Spec. Issue Behav. Met. Compos. Struct. 2019, 12, 1440. [Google Scholar] [CrossRef] [PubMed]
- Kolakowski, Z.; Kubiak, T.; Kamocka, M. Coupled buckling of steel LC-beams under bending. In Stability and Ductility of Steel Structures 2019; Wald, F., Jandera, M., Eds.; CRC Press: Boca Raton, FL, USA, 2019; pp. 614–621. [Google Scholar]
- Niu, R.; Rasmussen, K.J.R.; Fan, F. Distortional–global interaction buckling of stainless steel C-beams: Part I—Experimental investigation. J. Constr. Steel Res. 2014, 96, 127–139. [Google Scholar] [CrossRef]
- Niu, R.; Rasmussen, K.J.R.; Fan, F. Distortional-global interaction buckling of stainless steel C-beams: Part II—Numerical study and design. J. Constr. Steel Res. 2014, 96, 40–53. [Google Scholar] [CrossRef]
- Yu, C.; Schafer, B.W. Simulation of cold–formed steel beams in local and distortional buckling with applications to the direct strength method. J. Constr. Res. 2007, 63, 581–590. [Google Scholar] [CrossRef]
- Szymczak, C.; Kujawa, M. Buckling and initial post-local buckling behaviour of cold–formed channel member flange. Thin-Walled Struct. 2019, 137, 177–184. [Google Scholar] [CrossRef]
- Gliszczynski, A.; Kubiak, T. Load-carrying capacity of thin-walled composite beams subjected to pure bending. Thin-Walled Struct. 2017, 115, 76–85. [Google Scholar] [CrossRef]
- Kubiak, T.; Kolakowski, Z.; Swiniarski, J.; Urbaniak, M. Local buckling and post-buckling of composite channel-section beams—Numerical and experimental investigations. Compos. Struct. Part B 2016, 91, 176–188. [Google Scholar] [CrossRef]
- Martins, A.D.; Landesmann, A.; Camotim, D.; Dinis, P.B. Distortional failure of cold-formed steel beams under uniform bending: Behaviour, strength and DSM design. Thin-Walled Struct. 2017, 118, 196–213. [Google Scholar] [CrossRef]
- Martins, A.D.; Camotim, D.; Goncalves, R.; Dinis, P.B. GBT-based assessment of the mechanics of distortional–global interaction in thin–walled lipped channel beams. Thin-Walled Struct. 2018, 124, 32–47. [Google Scholar] [CrossRef]
- Hanock, G.J. Coupled Instabilities in Metal Structures (CIMS)—What have we learned and are we going? Thin-Walled Struct. 2018, 128, 2–11. [Google Scholar] [CrossRef]
- Garcea, G.; Leonetti, L.; Magisano, D.; Goncalves, R.; Camotim, D. Deformation modes for the post-critical analysis of thin-walled compressed members by a Koiter semi–analytic approach. Int. J. Solids Struct. 2017, 110–111, 367–384. [Google Scholar] [CrossRef]
- Becque, J.; Xilin, L.; Davison, B. Modal decomposition of coupled instabilities: The method of the equivalent nodal forces. Thin-Walled Struct. 2019, 143, 106229. [Google Scholar] [CrossRef]
- Camotim, D.; Dinis, P.B.; Martins, A.D.; Young, B. Review: Interactive behaviour, failure and DSM design of cold–formed steel members prone to distortional buckling. Thin-Walled Struct. 2018, 128, 12–42. [Google Scholar] [CrossRef]
- Martins, A.D.; Camotim, D.; Gonçalves, R.; Dinis, P.B. On the mechanics of local-distortional interaction in thin-walled lipped channel columns. Thin-Walled Struct. 2018, 125, 187–202. [Google Scholar] [CrossRef]
- Martins, A.D.; Camotim, D.; Gonçalves, R.; Dinis, P.B. On the mechanics of local-distortional interaction in thin–walled lipped channel beams. Thin-Walled Struct. 2018, 128, 108–125. [Google Scholar] [CrossRef]
- Asadi, A.; Sheikh, A.H.; Thomsen, O.T. Buckling behaviour of thin–walled laminated composite beams having open and closed sections subjected to axial and end moment loading. Thin-Walled Struct. 2019, 141, 85–96. [Google Scholar] [CrossRef]
- Martins, A.D.; Gonçalves, R.; Camotim, D. On the local and distortional post-buckling behaviour of thin-walled regular polygonal tubular columns. Thin-Walled Struct. 2019, 138, 46–63. [Google Scholar] [CrossRef]
- Martins, A.D.; Gonçalves, R.; Camotim, D. Post-buckling behaviour of thin–walled regular polygonal tubular columns undergoing local–distortional interaction. Thin-Walled Struct. 2019, 138, 373–391. [Google Scholar] [CrossRef]
- Schafer, B.W. Advances in the Direct Strength Method of cold-formed steel design. Thin-Walled Struct. 2019, 140, 533–541. [Google Scholar] [CrossRef]
- Banat, D.; Kolakowski, Z.; Mania, R.J. Investigations of FML profile buckling and post-buckling behaviour under axial compression. Thin-Walled Struct. 2016, 107, 335–344. [Google Scholar] [CrossRef]
- Van der Heijden, A.M.A. Koiter’s Elastic Stability of Solids and Structures; Cambridge Universitet Delft: Delft, The Netherlands, 2008. [Google Scholar] [CrossRef]
- Kolakowski, Z.; Krolak, M. Modal coupled instabilities of thin-walled composite plate and shell structures. Compos. Struct. 2006, 76, 303–313. [Google Scholar] [CrossRef]
- Kolakowski, Z.; Mania, J.R. Semi-analytical method versus the FEM for analysis of the local post-buckling. Compos. Struct. 2013, 97, 99–106. [Google Scholar] [CrossRef]
- Hashin, Z. Failure criteria for unidirectional fiber composites. J. Appl. Mech. 1980, 329–334. [Google Scholar] [CrossRef]
- User’s Guide ANSYS® Academic Research; Help System, (n.d.): Minneapolis, MN, USA, 2019.




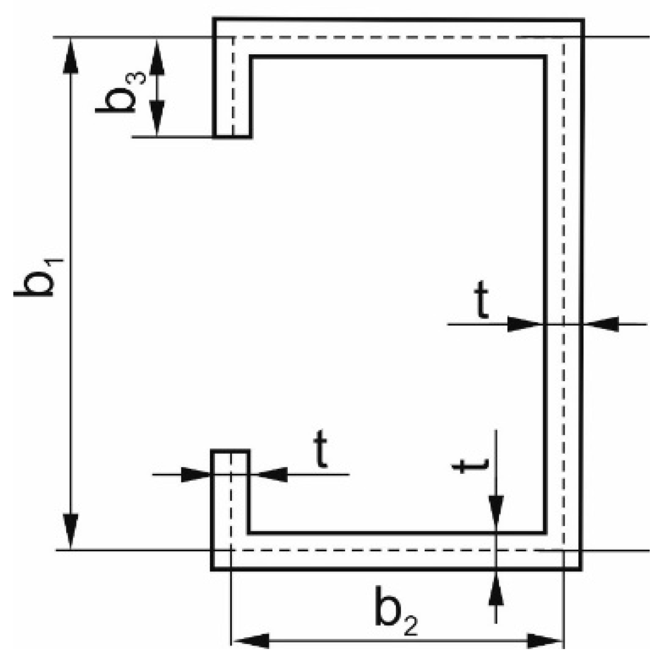
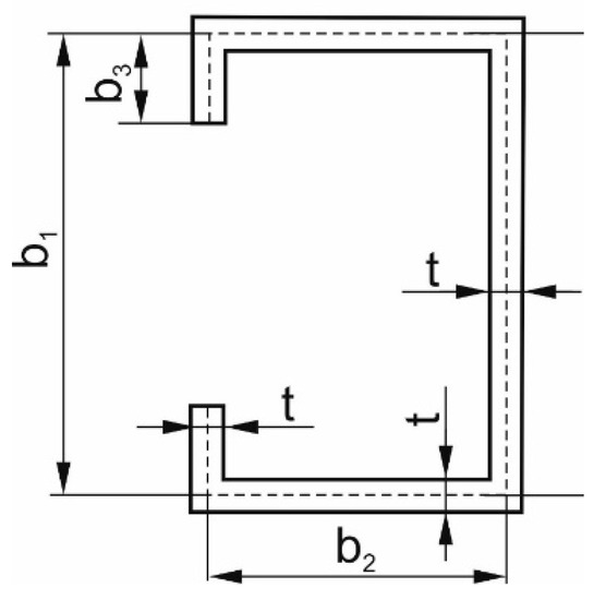
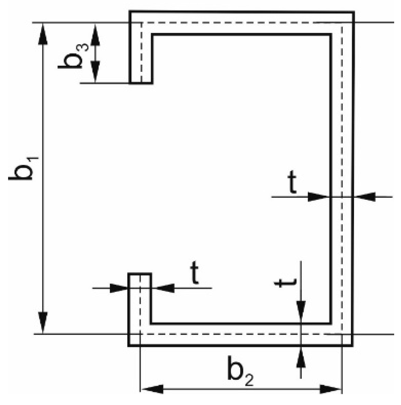
| b1 [mm] | b2 [mm] | b3 [mm] | t [mm] | L [mm] |
|---|---|---|---|---|
| 80 | 40 | 10 | 1 | 500 |
| E1 [GPa] | E2 [GPa] | G12 [MPa] | v12 [-] | T1 [MPa] | T2 [MPa] | S12 [MPa] | C1 [MPa] | C2 [MPa] |
|---|---|---|---|---|---|---|---|---|
| 40 | 10 | 4 | 0.3 | 1250 | 43 | 112 | 620 | 140 |
| Instances | Layer Orientation |
|---|---|
| LC–1 | [45/−45/45/−45]s |
| LC–2 | [45/−45/90/0]s |
| LC–3 | [0/90/0/90]s |
| Methods | LC–1 | LC–2 | LC–3 | |||||||||
|---|---|---|---|---|---|---|---|---|---|---|---|---|
| σ1 m = 1 | σ2 m = 1 s | σ3 m = 2 | σ4 m > 2 | σ1 m = 1 | σ2 m = 1 s | σ3 m = 2 | σ4 m > 2 | σ1 m = 1 | σ2 m = 1 s | σ3 m = 2 | σ4 m > 2 | |
| MPa | MPa | MPa | MPa | MPa | MPa | MPa | MPa | MPa | MPa | MPa | MPa | |
| FEM BC I | 39.1 | 142.8 | 30.8 | 56.9 | 42.8 | 213.6 | 41.1 | 56.0 | 40.7 | 246.2 | 43.7 | 42.0 |
| FEM BC II | 36.2 | 147.6 | 31.7 | 58.7 | 44.4 | 220.5 | 42.4 | 57.8 | 42.2 | 254.1 | 45.1 | 43.4 |
| SAM | 37.6 | 148.3 | 33.9 | 57.9 (m = 12) | 46.9 | 219.8 | 45.7 | 57.3 (m = 13) | 45.4 | 251.8 | 48.8 | 43.4 (m = 11) |
| Methods | LC–1 | LC–2 | LC–3 | |||
|---|---|---|---|---|---|---|
| Mmin [Nm] | αmin [-] | Mmin [Nm] | αmin [-] | Mmin [Nm] | αmin [-] | |
| FEM BC I | 155.93 | 0.01548 | 206.90 | 0.01293 | 205.30 | 0.01014 |
| FEM BC II | 155.93 | 0.01586 | 206.91 | 0.01337 | 206.00 | 0.01053 |
| SAM | 165.55 | 0.01704 | 223.17 | 0.01438 | 211.94 | 0.01078 |
| Instance | Buckling Mode | |||
|---|---|---|---|---|
| i = 1 | i = 2 | i = 3 | i = 4 | |
| LC–1 | ![]() | ![]() | ![]() | ![]() |
![]() | ![]() | ![]() | ![]() | |
| LC–2 | ![]() | ![]() | ![]() | ![]() |
![]() | ![]() | ![]() | ![]() | |
| LC–3 | ![]() | ![]() | ![]() | ![]() |
![]() | ![]() | ![]() | ![]() | |
| Index | Nx | Nxy | Ny |
|---|---|---|---|
| i = 1 | ![]() | ![]() | ![]() |
| i = 2 | ![]() | ![]() | ![]() |
| i = 3 | ![]() | ![]() | ![]() |
| i = 4 | ![]() | ![]() | ![]() |
| Index | Nx | Nxy | Ny |
|---|---|---|---|
| i = 1 | ![]() | ![]() | ![]() |
| i = 2 | ![]() | ![]() | ![]() |
| i = 3 | ![]() | ![]() | ![]() |
| i = 4 | ![]() | ![]() | ![]() |
| Index | Nx | Nxy | Ny |
|---|---|---|---|
| i = 1 | ![]() | ![]() | ![]() |
| i = 2 | ![]() | ![]() | ![]() |
| i = 3 | ![]() | ![]() | ![]() |
| i = 4 | ![]() | ![]() | ![]() |
| 3 Mode Approach | Coefficients | apqr | ||
|---|---|---|---|---|
| LC–1 | LC–2 | LC–3 | ||
| 1, 2, 3 | primary | a211 (ζ2 ζ 12) | a211 (ζ2 ζ 12) | a211 (ζ2 ζ 12) |
| secondary | a133 (ζ1 ζ 32) | a133 (ζ1 ζ 32) | – | |
| 1, 2, 4 | primary | a144 (ζ1ζ 42) a244 (ζ2 ζ 42) | a144 (ζ1ζ 42) a244 (ζ2 ζ 42) | a144 (ζ1ζ 42) a244 (ζ2 ζ 42) |
| secondary | a211 (ζ2 ζ 12) | a211 (ζ2 ζ 12) | a211 (ζ2 ζ 12) | |
| 3 Mode Approach | LC–1 | LC–2 | LC–3 | ||||||
|---|---|---|---|---|---|---|---|---|---|
| I1 | I2 | I3 | I1 | I2 | I3 | I1 | I2 | I3 | |
| 1, 2, 3 | 0.05 | 1.001 | 0.95 | 0.02 | 1.04 | 0.97 | 0.02 | 1.0001 | 0.97 |
| 1, 2, 4 | 0.06 | 1.005 | 0.93 | 0.04 | 1.004 | 0.95 | 0.04 | 1.004 | 0.95 |
| Methods | LC–1 | LC–2 | LC–3 | |||
|---|---|---|---|---|---|---|
| Ms/Mmin (1,2,3) | Ms/Mmin (1,2,4) | Ms/Mmin (1,2,3) | Ms/Mmin (1,2,4) | Ms/Mmin (1,2,3) | Ms/Mmin (1,2,4) | |
| FEM BC I | 0.974 | 0.989 | 0.958 | 0.927 | 0.886 | 0.885 |
| FEM BC II | 0.993 | 0.986 | 0.913 | 0.922 | 0.888 | 0.874 |
| SAM | 0.843 | 0.923 | 0.796 | 0.823 | 0.827 | 0.839 |
| LC–1 | LC–2 | LC–3 |
|---|---|---|
| Interaction of mode i = 1, 2, 3 | Interaction of mode i = 1, 2, 3 | Interaction of i = 1, 2, 4 |
![]() | ![]() | ![]() |
| Methods | LC–1 | LC–2 | LC–3 | |||
|---|---|---|---|---|---|---|
| MH/Mmin (1,2,3) | MH/Mmin (1,2,4) | MH/Mmin (1,2,3) | MH/Mmin (1,2,4) | MH/Mmin (1,2,3) | MH/Mmin (1,2,4) | |
| FEM BC I | 0.972 | 0.980 | 0.958 | 0.913 | 0.873 | 0.798 |
| FEM BC II | 0.960 | 0.972 | 0.913 | 0.914 | 0.843 | 0.863 |
| LC–1 | Nx | Nxy | Ny |
|---|---|---|---|
| Interaction i = 1,2,3 | ![]() | ![]() | ![]() |
| Interaction i = 1,2,4 | ![]() | ![]() | ![]() |
| LC–2 | Nx | Nxy | Ny |
|---|---|---|---|
| Interaction i = 1,2,3 | ![]() | ![]() | ![]() |
| Interaction i = 1,2,4 | ![]() | ![]() | ![]() |
| LC–3 | Nx | Nxy | Ny |
|---|---|---|---|
| Interaction i = 1,2,3 | ![]() | ![]() | ![]() |
| Interaction i = 1,2,4 | ![]() | ![]() | ![]() |
© 2020 by the authors. Licensee MDPI, Basel, Switzerland. This article is an open access article distributed under the terms and conditions of the Creative Commons Attribution (CC BY) license (http://creativecommons.org/licenses/by/4.0/).
Share and Cite
Zaczynska, M.; Kolakowski, Z. The Influence of the Internal Forces of the Buckling Modes on the Load-Carrying Capacity of Composite Medium-Length Beams under Bending. Materials 2020, 13, 455. https://doi.org/10.3390/ma13020455
Zaczynska M, Kolakowski Z. The Influence of the Internal Forces of the Buckling Modes on the Load-Carrying Capacity of Composite Medium-Length Beams under Bending. Materials. 2020; 13(2):455. https://doi.org/10.3390/ma13020455
Chicago/Turabian StyleZaczynska, Monika, and Zbigniew Kolakowski. 2020. "The Influence of the Internal Forces of the Buckling Modes on the Load-Carrying Capacity of Composite Medium-Length Beams under Bending" Materials 13, no. 2: 455. https://doi.org/10.3390/ma13020455
APA StyleZaczynska, M., & Kolakowski, Z. (2020). The Influence of the Internal Forces of the Buckling Modes on the Load-Carrying Capacity of Composite Medium-Length Beams under Bending. Materials, 13(2), 455. https://doi.org/10.3390/ma13020455


















































































