A Novel Hybrid-Fuel Storage System of Compressed Air Energy for China
Abstract
:1. Introduction
2. CAES System for the Situation in China
2.1. Development of CAES Technology
2.1.1. The First-Generation CAES System

2.1.2. The Second-Generation CAES System

2.1.3. The Third-Generation CAES System

2.2. Structure of Energy Sources and Technology Characteristics in China
2.2.1. Structure of Fossil Energy Sources in China
2.2.2. Geographical Situation of Wind Energy, Power Load and Water Resource in China
2.3. Design of the Hybrid-Fuel CAES System

3. Performance of the Hybrid-Fuel CAES System
3.1. Evaluation Criteria
3.1.1. Energy Rate (ER)
3.1.2. HR
3.1.3. Overall Efficiency
3.1.4. Efficiency of Electricity Storage
3.2. System Simulation
| Category | Parameter | Value |
|---|---|---|
| Air and gas turbines | Inlet temperature of air turbine (°C) | 540 |
| Inlet temperature of gas turbine (°C) | 1,200 | |
| Pressure ratio of air turbine | 3 | |
| Pressure ratio of gas turbine | 18 | |
| Isentropic efficiency of air turbine (%) | 88.00 | |
| Isentropic efficiency of gas turbine (%) | 90.00 | |
| Compressors | Number of stages | 4 |
| Number of intercoolers | 3 | |
| Number of after-coolers | 1 | |
| Pressure ratio of each stage | 2.84–2.94 | |
| Average isentropic efficiency of compressors (%) | 86.00 | |
| Fuel information | LHV of coal (MJ/kg) | 29.31 |
| LHV of NG (MJ/kg) | 50.03 | |
| Other assumptions | Thermal efficiency of external combustion heater (%) | 80.00 |
| Efficiency of generators (%) | 99.00 | |
| Efficiency of motors (%) | 99.00 | |
| Total hybrid-fuel ηsys (%) | 50.00 | |
| System efficiency ηsyscoal (%) | 40.00 | |
| System efficiency ηsysgas (%) | 55.00 | |
| Volume of the cavern (m3) | 400,000 | |
| Minimum pressure in the cavern (bar) | 65.18 | |
| Maximum pressure in the cavern (bar) | 74.62 | |
| Air throttling pressure from the cavern (bar) | 57.00 | |
| Operating time | Continuous operation time of the compressor (h) | 8 |
| Continuous operation time of the turbine (h) | 2 |
| Streams | Temperature (°C) | Pressure (bar) | Mass flow (kg/s) | Mole fraction (%) | ||||
|---|---|---|---|---|---|---|---|---|
| N2 | O2 | CH4 | CO2 | H2O | ||||
| S1 | 10.00 | 1.01 | 102.00 | 79.00 | 21.00 | 0.00 | 0.00 | 0.00 |
| S2 | 124.79 | 2.90 | 102.00 | 79.00 | 21.00 | 0.00 | 0.00 | 0.00 |
| S3 | 35.00 | 2.90 | 102.00 | 79.00 | 21.00 | 0.00 | 0.00 | 0.00 |
| S4 | 161.40 | 8.41 | 102.00 | 79.00 | 21.00 | 0.00 | 0.00 | 0.00 |
| S5 | 35.00 | 8.41 | 102.00 | 79.00 | 21.00 | 0.00 | 0.00 | 0.00 |
| S6 | 161.70 | 24.39 | 102.00 | 79.00 | 21.00 | 0.00 | 0.00 | 0.00 |
| S7 | 35.00 | 24.39 | 102.00 | 79.00 | 21.00 | 0.00 | 0.00 | 0.00 |
| S8 | 162.25 | 70.73 | 102.00 | 79.00 | 21.00 | 0.00 | 0.00 | 0.00 |
| S9 | 35.00 | 70.73 | 102.00 | 79.00 | 21.00 | 0.00 | 0.00 | 0.00 |
| S10 | 50.00 | 57.00 | 400.00 | 79.00 | 21.00 | 0.00 | 0.00 | 0.00 |
| S11 | 500.85 | 57.00 | 400.00 | 79.00 | 21.00 | 0.00 | 0.00 | 0.00 |
| S12 | 540.00 | 57.00 | 400.00 | 79.00 | 21.00 | 0.00 | 0.00 | 0.00 |
| S13 | 359.11 | 19.00 | 400.00 | 79.00 | 21.00 | 0.00 | 0.00 | 0.00 |
| S14 | 580.00 | 19.00 | 400.00 | 79.00 | 21.00 | 0.00 | 0.00 | 0.00 |
| S15 | 50.00 | 20.00 | 6.42 | 0.00 | 0.00 | 100.0 | 0.00 | 0.00 |
| S16 | 1,200.04 | 19.00 | 406.42 | 76.78 | 14.80 | 0.00 | 2.81 | 5.61 |
| S17 | 537.09 | 1.06 | 406.42 | 76.78 | 14.80 | 0.00 | 2.81 | 5.61 |
| S18 | 100.00 | 1.06 | 406.42 | 76.78 | 14.80 | 0.00 | 2.81 | 5.61 |
3.3. Performance Evaluation
| Category | Parameter | Value |
|---|---|---|
| Fuel input | Coal input (MW) | 142.91 |
| NG input (MW) | 321.19 | |
| Subtotal (MW) | 464.10 | |
| Power generation | Air turbine (MW) | 79.54 |
| Gas turbine (MW) | 329.72 | |
| Subtotal (MW) | 409.26 | |
| Internal power consumption | Compressors (MW) | 51.21 |
| Subtotal (MW) | 51.21 | |
| Evaluation criteria | Coal/NG_ratio | 0.44 |
| ER | 0.50 | |
| HR | 1.13 | |
| ηee | 61.18% | |
| ηes | 93.67% |
| Name | The first-generation CAES [10] | The second-generation CAES [13] | The third-generation CAES [35] | Hybrid-fuel CAES |
|---|---|---|---|---|
| Location | Huntorf, Germany | No practical plant | No practical plant | No practical plant |
| Output | 290 MW (about 2 h) | 420 MW | 114.5 MW | 410 MW |
| Compressor power | 60 MW (about 8 h) | 71 MW | 157.6 MW | 52 MW |
| Commission date | 1,978 | - | - | - |
| Pressure tolerance | 50–70 bar | - | - | - |
| HR | 1.6 kW∙h/kW∙h | 1.08–1.11 kW∙h/kW∙h | 0 | 1.13 kW∙h/kW∙h |
| Cavern capacity | 310,000 m3 | - | - | Assumed 400,000 m3 |
| Energy ratio | 0.82 kW∙h/kW∙h | 0.70–0.75 kW∙h/kW∙h | 0.727 kW∙h/kW∙h | 0.50 kW∙h/kW∙h |
| Fuel | NG | NG | No fuel | Coal and NG |
4. Discussion
4.1. Exergy Analysis
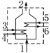
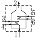
| Components | Schematic view | Exergy destruction |
|---|---|---|
| Compressor | ![]() | ΔEX(Com) = EX(1) + W − EX(2) |
| Cooler | ![]() | ΔEX(Co) = EX(1) + EX(3) − EX(2) − EX(4) |
| Storage cavern | ![]() | ΔEX(SC) = EX(1) − EX(2) |
| Combustion chamber | ![]() | ΔEX(CC) = EX(1) + EX(2) − EX(3) |
| Recuperator or heat exchanger | ![]() | ΔEX(Re) = EX(1) + EX(3) − EX(2) − EX(4) ΔEX(HE) = EX(1) + EX(3) − EX(2) − EX(4) |
| Turbine | ![]() | ΔEX(T) = EX(1) − EX(2) − W |
| External combustion heater | ![]() | ΔEX(ECH) = EX(1) + EX(3) + EX(5) − EX(2) − EX(4) − EX(6) |
| Category | Hybrid-fuel CAES system | Huntorf CAES system | ||||
|---|---|---|---|---|---|---|
| Value (MW∙h) | Proportion (%) | Value (MW∙h) | Proportion (%) | |||
| Exergy input | Air | 1.87 | 0.14 | 1.98 | 0.14 | |
| Power consumption by compressors | 409.71 | 29.95 | 463.22 | 31.71 | ||
| Thermal energy input of coal | 285.81 | 20.90 | - | - | ||
| Thermal energy input of NG | 670.44 | 49.01 | 995.54 | 68.15 | ||
| Subtotal | 1,367.84 | 100.00 | 1,460.75 | 100.00 | ||
| Exergy output | Generation of electricity power | 818.52 | 59.84 | 590.97 | 40.46 | |
| Exergy destruction | Sub-system of energy storage | Compressors | 40.98 | 3.00 | 63.95 | 4.38 |
| Coolers | 72.50 | 5.30 | 97.45 | 6.67 | ||
| Air storage room | 20.38 | 1.49 | 35.78 | 2.45 | ||
| Subtotal | 133.86 | 9.79 | 197.18 | 13.50 | ||
| Sub-system of electricity generation | High-pressure turbine | 10.44 | 0.76 | 18.31 | 1.25 | |
| Low-pressure turbine | 28.35 | 2.07 | 36.65 | 2.51 | ||
| Recuperator | 19.92 | 1.46 | - | - | ||
| Subtotal | 58.71 | 4.29 | 54.97 | 3.76 | ||
| Combustion sub-system | External combustion heater | 148.55 | 10.86 | - | - | |
| Combustion chamber | 190.94 | 13.96 | 458.72 | 31.40 | ||
| Subtotal | 339.49 | 24.82 | 458.72 | 31.40 | ||
| Exergy of exhaust stream | 15.89 | 1.16 | 153.29 | 10.49 | ||
| Total exergy output | 1,366.48 | 99.90 | 1,455.13 | 99.62 | ||
| Error of exergy input and output (%) | 0.10 | 0.38 | ||||
| Exergy efficiency (%) | 59.84 | 40.46 | ||||
4.2. Techno-Economic Analysis
4.2.1. Fundamental Parameters of a CAES Plant
| Name | Value and unit | Name | Value and unit |
|---|---|---|---|
| Generation range per unit | 205–410 MW | Overnight cost—above ground equipment | $500/kW |
| Compression range per unit | 26–52 MW | Overnight cost—cavern development | $100/kW |
| Cavern storage capacity | 2,050 MW∙h | Total overnight cost | $600/kW |
| ER (kW∙h in/(kW∙h out) | 0.50 | Annual VOM cost | 2% of total investment cost |
| HR (kW∙h in/(kW∙h out) | 1.13 | Annual FOM cost | 2% of total investment cost |
| LHV of NG | 36 MJ/Nm3 | Price of NG | $0.38/N∙m3 |
| LHV of coal | 29.31 MJ/kg | Price of coal | $123.08/ton |
| Equivalent base-load time | 1,200 h | Price of off-peak electricity | $30.77/MW∙h |
4.2.2. Economic Data
| Name | Value and unit | Name | Value and unit |
|---|---|---|---|
| Total investment cost | $246 million | CRF | 0.12 |
| NG fuel rate | 2.83 MJ/kW∙h | NG cost | $30.15/MW∙h |
| Coal fuel rate | 1.26 MJ/kW∙h | Coal cost | $5.28/MW∙h |
| Annual VOM cost | $4.92 million | VOM cost | $10/MW∙h |
| Annual FOM cost | $4.92 million | FOM cost | $10/MW∙h |
| AOEC | $7.68 million | Cost of off-peak electricity | $15.61/MW∙h |
| Total electricity output of CAES annually | 4.92 × 105 MW∙h | COE | $131.07/MW∙h |
| Price of off-peak electricity | $30.77/MW∙h | - | - |
4.2.3. Sensitivity Analysis

- (1)
- If the proposed CAES system is close to the gas source field, the NG cost is relatively low, which ensures the COE of CAES is relatively low;
- (2)
- If wind power takes a large proportion in the grid, part of the electric power required by the CAES charging process can be replaced by the power from wind curtailment, and then it is of great importance to reduce the COE of CAES;
- (3)
- When the peak valley fluctuations of the grid is rather large, indicating there is a huge load demand, then the annual peak-shaving power generation duration of CAES will be increased, as a result, the COE of CAES is reduced.
4.2.4. Further Discussion
- (1)
- The Chinese government encourages using NG as the fuel for electricity generation. More NG is being introduced from other countries, and more NG transmission engineering projects are carried out to improve the conditions of the NG transport [41]. The NG price is likely to fall predictably; it is beneficial to reduce the fuel cost of CAES.
- (2)
- More wind power will be connected to the power grids, bringing in a huge market space for CAES systems which contribute to balance grid wind power. There is a cost reduction in the charging process when CAES use the energy from wind curtailment to compress the air. Thus, the COE of CAES system is decreased accordingly.
- (3)
- The proposed CAES is similar with PHS systems in storing off-peak electricity or wind power. As the government regards CAES as an emerging strategic key industry [42], there should be a compensation mechanism based on the capacity of CAES, thus the price of electricity generated by CAES is expected to rise. The hybrid-fuel CAES power plant is competitive in the Chinese energy market if the on-peak energy price exceeds $153.85/MW∙h.
- (4)
- As mentioned above, the hybrid-fuel CAES, which use coal to replace part of NG, is more suitable for China’s conditions. If the hybrid-fuel CAES can be widely launched in China, more efforts and funds can be introduced to improve the equipment performance, which is bound to reduce the construction cost of CAES and improve the market competitiveness to CAES.
5. Conclusions
Nomenclature
| ER | Energy rate (kW∙h/kW∙h) |
| HR | Heat rate (kW∙h/kW∙h) |
| Wc | Compressor work (kW∙h) |
| Wt | Turbine work (kW∙h) |
| Qf | Total fuel energy (kW∙h) |
| LHV | Lower heating value (MJ/kg) |
| AOEC | Annual off-peak electricity cost ($) |
| CRF | Capital recovery factor |
| ηee | Overall efficiency |
| ηes | Efficiency of Electricity storage |
| ηsyscoal | System efficiency for coal-fired power plant |
| ηsys | System efficiency |
| ηsysgas | System efficiency for Gas turbine power plant |
| AFC | Annual fuel cost ($) |
| COE | Levelized cost of electricity ($/MW∙h) |
Acknowledgments
Author Contributions
Conflicts of Interest
References
- Liu, T.; Xu, G.; Cai, P.; Tian, L.; Huang, Q. Development forecast of renewable energy power generation in China and its influence on the GHG control strategy of the country. Renew. Energy 2011, 36, 1284–1292. [Google Scholar] [CrossRef]
- Working Group III of the Intergovernmental Panel on Climate Change (IPCC). IPCC’s Fourth Assessment Report (AR4): Mitigation of Climate Change; Cambridge University Press: Cambridge, UK, 2007. [Google Scholar]
- Lin, B.; Sun, C. Evaluating carbon dioxide emissions in international trade of China. Energy Policy 2010, 38, 613–621. [Google Scholar] [CrossRef]
- Hardisty, P.E.; Clark, T.S.; Hynes, R.G. Life cycle greenhouse gas emissions from electricity generation: A comparative analysis of Australian energy sources. Energies 2012, 5, 872–897. [Google Scholar] [CrossRef]
- Lee, A.H.; Lin, C.Y.; Kang, H.Y.; Lee, W.H. An integrated performance evaluation model for the photovoltaics industry. Energies 2012, 5, 1271–1291. [Google Scholar] [CrossRef]
- Raju, M.; Kumar Khaitan, S. Modeling and simulation of compressed air storage in caverns: A case study of the Huntorf plant. Appl. Energy 2012, 89, 474–481. [Google Scholar] [CrossRef]
- Lerch, E. Storage of fluctuating wind energy. In Proceedings of the 2007 European Conference on Power Electronics and Applications, Aalborg, Denmark, 2–5 September 2007.
- Makarov, Y.V.; Nyeng, P.; Yang, B.; Ma, J.; DeSteese, J.G.; Hammerstorm, D.J.; Lu, S.; Viswanathan, V.V.; Miller, C.H. Wide-Area Energy Storage and Management System to Balance Intermittent Resources in the Booneville Power Administration and California ISO Control Areas; Pacific Northwest National Laboratory (PNNL): Richland, WA, USA, 2008. Available online: http://www.pnl.gov/main/publications/external/technical_reports/PNNL-17574.pdf (accessed on 18 March 2011).
- Desai, N.; Gonzalez, S.; Pemberton, D.J.; Rathjen, T.W. The Economic Impact of CAES on Wind in TX, OK, and NM; Ridge Energy Storage & Grid Services L.P.: Houston, TX, USA, 2005; pp. 71–88. [Google Scholar]
- Crotogino, F.; Mohmeyer, K.U.; Scharf, R. Huntorf CAES: More Than 20 Years of Successful Operation. In Proceedings of the Solution Mining Research Institute (SMRI) Spring Meeting, Orlando, FL, USA, 15–18 April 2001; pp. 351–357.
- Eckroad, S.; Gyuk, I. EPRI-DOE Handbook of Energy Storage for Transmission & Distribution Applications; Electric Power Research Institute, Inc. (EPRI): Palo Alto, CA, USA, 2003. [Google Scholar]
- Ibrahim, H.; Younès, R.; Ilinca, A.; Dimitrova, M.; Perron, J. Study and design of a hybrid wind–diesel-compressed air energy storage system for remote areas. Appl. Energy 2010, 87, 1749–1762. [Google Scholar] [CrossRef]
- De Biasi, V. New solutions for energy storage and smart grid load management. Gas Turbine World 2009, 39, 22–25. [Google Scholar]
- Bullough, C.; Gatzen, C.; Jakiel, C.; Koller, M.; Nowi, A.; Zunft, S. Advanced Adiabatic Compressed Air Energy Storage for the Integration of Wind Energy. In Proceedings of the European Wind Energy Conference (EWEC 2004), London, UK, 22–25 November 2004.
- Hessami, M.A.; Bowly, D.R. Economic feasibility and optimisation of an energy storage system for Portland Wind Farm (Victoria, Australia). Appl. Energy 2011, 88, 2755–2763. [Google Scholar] [CrossRef]
- Zafirakis, D.; Kaldellis, J.K. Economic evaluation of the dual mode CAES solution for increased wind energy contribution in autonomous island networks. Energy Policy 2009, 37, 1958–1969. [Google Scholar] [CrossRef]
- Kim, Y.M.; Favrat, D. Energy and exergy analysis of a micro-compressed air energy storage and air cycle heating and cooling system. Energy 2012, 35, 213–220. [Google Scholar] [CrossRef]
- Grazzini, G.; Milazzo, A. A thermodynamic analysis of multistage adiabatic CAES. Proc. IEEE 2012, 100, 461–472. [Google Scholar] [CrossRef]
- Salgi, G.; Lund, H. System behaviour of compressed-air energy-storage in Denmark with a high penetration of renewable energy sources. Appl. Energy 2008, 85, 182–189. [Google Scholar] [CrossRef]
- Kim, H.M.; Rutqvist, J.; Ryu, D.W.; Choi, B.H.; Sunwoo, C.; Song, W.K. Exploring the concept of compressed air energy storage (CAES) in lined rock caverns at shallow depth: A modeling study of air tightness and energy balance. Appl. Energy 2012, 92, 653–667. [Google Scholar] [CrossRef]
- Greenblatt, J.B.; Succar, S.; Denkenberger, D.C.; Williams, R.H.; Socolow, R.H. Baseload wind energy: Modeling the competition between gas turbines and compressed air energy storage for supplemental generation. Energy Policy 2007, 35, 1474–1492. [Google Scholar] [CrossRef]
- Ibrahim, H.; Ilinca, A.; Perron, J. Energy storage systems-characteristics and comparisons. Renew. Sustain. Energy Rev. 2008, 12, 1221–1250. [Google Scholar] [CrossRef]
- User:Joeldebo/Wind Power in the People’s Republic of China. Available online: https://en.wikipedia.org/wiki/User:Joeldebo/Wind_power_in_the_People%27s_Republic_of_China (accessed on 10 January 2012).
- Adiabatic CAES Concept. Available online: http://www.espcinc.com/caes_graph7.swf (accessed on 10 January 2012).
- 2010 Coal Resource of China. 2011. Available online: http://www.sxcoal.com/coal/2324065/articlenew.html (accessed on 10 January 2012). (In Chinese)
- A Survey of Coal Resource for Different Regions in China. Available online: http://www.coal.com.cn/?aspxerrorpath=/%20Coal_Resource_1_070307040706_.htm (accessed on 10 January 2012). (In Chinese)
- 2010–2030 Natural Gas Resource Potential Reserve Analysis in China. Available online: http://www.askci.com/freereports/2011/07/271559325678.shtml (accessed on 10 January 2012). (In Chinese)
- Liu, Y.M.; Su, H.; Liu, W. Current situation and future of water resources in China: Strategy of water resources management for the 21st century. Water Resour. Prot. 2001, 4, 13–15. (In Chinese) [Google Scholar]
- Pan, Y.K.; Wang, X.Z.; Liu, X.D. Modern Drying Technology; Chemical Industry Publishing House: Beijing, China, 2006; pp. 1395–1400. (In Chinese) [Google Scholar]
- Elmegaard, B.; Brix, W. Efficiency of Compressed Air Energy Storage. In Proceedings of the 24th International Conference on Efficiency, Cost, Optimization, Simulation and Environmental Impact of Energy Systems, Novi Sad, Serbia, 4–7 July 2011.
- Mao, J.X. The Road of High Efficiency Coal Power in China; ETH Zurich: Zurich, Switzerland, 2012. Available online: http://www.esc.ethz.ch/events/seminars/Mao.pdf (accessed on 15 May 2014).
- Najjar, Y.S.H. Efficient use of energy by utilizing gas turbine combined systems. Appl. Therm. Eng. 2001, 21, 407–438. [Google Scholar] [CrossRef]
- Mortazavi, A.; Somers, C.; Alabdulkarem, A.; Hwang, Y.; Radermacher, R. Enhancement of APCI cycle efficiency with absorption chillers. Energy 2010, 35, 3877–3882. [Google Scholar] [CrossRef]
- Moran, M.J.; Shapiro, H.N.; Boettner, D.D.; Bailey, M.B. Fundamentals of Engineering Thermodynamics; John Wiley & Sons: Hoboken, NJ, USA, 2010; pp. 235–266. [Google Scholar]
- De Biasi, V. Fundamental analyses to optimize adiabatic CAES plant efficiencies. Gas Turbine World 2009, 39, 26–28. [Google Scholar]
- Buffa, F.; Kemble, S.; Manfrida, G.; Milazzo, A. Exergy and exergoeconomic model of a ground-based CAES plant for peak-load energy production. Energies 2013, 6, 1050–1067. [Google Scholar] [CrossRef]
- Impact Analysis of Gas Price Regulation on Natural Gas Industrial Train. 2013. Available online: http://www.china5e.com/index.php?m=content&c=index&a=show&catid=13&id=841614 (accessed on 9 July 2014). (In Chinese)
- Handpicked Coal Price in China (140114). 2014. Available online: http://www.snctc.cn/XXFW/price/city/2014-01-14/8274.html (accessed on 9 July 2014). (In Chinese)
- Notice on Regulating the Electricity Price of Hebei Power Grid. 2012. Available online: http://www.sjz.gov.cn/col/1351127873930/2012/11/05/1352104664583.html (accessed on 9 July 2014). (In Chinese)
- Gu, Y.; McCalley, J.; Ni, M.; Bo, R. Economic modeling of compressed air energy storage. Energies 2013, 6, 2221–2241. [Google Scholar] [CrossRef]
- LNG Development in the Twelfth “Five-Year” Plan of China (2011–2015); National Development and Reform Commission: Beijing, China, 2010. (In Chinese)
- Key Products and Service Guidance Directory of Emerging Strategic Industries; National Development and Reform Commission: Beijing, China, 2013. (In Chinese)
© 2014 by the authors; licensee MDPI, Basel, Switzerland. This article is an open access article distributed under the terms and conditions of the Creative Commons Attribution license (http://creativecommons.org/licenses/by/3.0/).
Share and Cite
Liu, W.; Liu, L.; Xu, G.; Liang, F.; Yang, Y.; Zhang, W.; Wu, Y. A Novel Hybrid-Fuel Storage System of Compressed Air Energy for China. Energies 2014, 7, 4988-5010. https://doi.org/10.3390/en7084988
Liu W, Liu L, Xu G, Liang F, Yang Y, Zhang W, Wu Y. A Novel Hybrid-Fuel Storage System of Compressed Air Energy for China. Energies. 2014; 7(8):4988-5010. https://doi.org/10.3390/en7084988
Chicago/Turabian StyleLiu, Wenyi, Linzhi Liu, Gang Xu, Feifei Liang, Yongping Yang, Weide Zhang, and Ying Wu. 2014. "A Novel Hybrid-Fuel Storage System of Compressed Air Energy for China" Energies 7, no. 8: 4988-5010. https://doi.org/10.3390/en7084988
APA StyleLiu, W., Liu, L., Xu, G., Liang, F., Yang, Y., Zhang, W., & Wu, Y. (2014). A Novel Hybrid-Fuel Storage System of Compressed Air Energy for China. Energies, 7(8), 4988-5010. https://doi.org/10.3390/en7084988







