Design Considerations of Bidirectional Half-Bridge Push–Pull Partial Power Processing Converters for Battery Energy Storage Systems
Abstract
1. Introduction
- The design requirements and practical constraints for implementing PPP in a parallel BESS (e.g., bidirectional operation, high conversion ratio, and feasible duty ratio) are identified and discussed.
- A bidirectional HBPP PPP converter is analyzed in a mode-by-mode manner, providing design-oriented insights into its steady-state operation.
- A unified design procedure is established to select the duty ratio, transformer turn ratio, and passive/active components over the battery voltage operating range.
- The proposed converter and design methodology are validated through simulations and 15 kW experimental results, including efficiency and loss breakdown analysis.
2. Configuration of PPC-Integrated Battery Energy Storage Systems
2.1. Operation Principle of Partial Power Processing
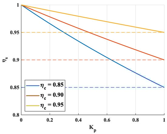
2.1.1. System Efficiency Improvement
2.1.2. Size Reduction
2.2. System Configuration for Partial Power Processing
3. Proposed Converter Topology
3.1. Required Features
- An isolated converter is preferred.According to ref. [27], both isolated (e.g., DAB, flyback) and non-isolated topologies (e.g., buck–boost, SEPIC) can be employed in implementing PPP systems. However, if non-isolated topologies are applied to the configuration in Figure 6a, a short-circuit path is formed between the negative terminal of the converter and the battery, as illustrated in Figure 9. Therefore, to prevent a short circuit in this configuration, galvanic isolation of the converter output stage via a transformer is required. Furthermore, the use of a transformer facilitates achieving a high input–output voltage ratio, which will be discussed in a later section.
- A high input–output voltage ratio () is essential.In PPP, the dc-dc converter demands a higher voltage gain than in FPP. As discussed previously, Figure 7a,b illustrate the conceptual block diagrams of a PPP-based BESS in discharging and charging modes. Considering the power flow through the converter, the converter operates in the step-up mode to charge the battery and in the step-down mode to discharge it. In both modes, (11) and the following equation hold:In the discharging mode, the voltage gain of the PPP converter in Figure 7b is expressed as follows:On the other hand, in the FPP shown in Figure 5, the voltage gain is expressed asTherefore, from (27), it can be proven that the dc-dc converter for a PPP-based BESS requires a lower voltage gain than an FPP-based BESS in discharging mode. However, in the charging mode, the voltage gain is expressed as the reciprocal of (27), which exhibits a higher voltage gain compared to FPP. Considering the voltage gain requirements in both operational modes, a transformer is typically employed to achieve a high voltage conversion ratio, even though the PPP configuration is inherently a non-isolated structure.
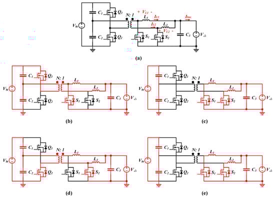
3.2. Topology Selection
3.3. Operation Analysis
- Interval 1 ∼At , is turned on and is turned off while is turned on, as shown in Figure 11b. Therefore, the voltage applied to the primary winding of the transformer isThus, the voltage applied to each inductor can be expressed asIn the step-down mode, is connected to through and releases its stored energy, while is connected to and stores energy from .In the step-up mode, in contrast, stores energy through and releases the energy into .
- Interval 2 ∼At , is turned off to ensure the deadtime for the half-bridge, and is turned on while keeping on, as shown in Figure 11c. In other words, both push–pull-side switches are turned on. Therefore, the voltage of and is given as follows:Therefore, both inductors discharge the stored energy to in the step-down mode, or they are charged by in the step-up mode. Thus, there is no power flow between the primary and secondary sides via the transformer during this interval.
- Interval 3 ∼At , is turned on and is turned off while is turned on, as shown in Figure 11d. The operations in Interval 1 and Interval 3 are similar to each other, and thus, the following holds:In the step-down mode, is energized by the transformer. The power starts to flow from the primary side to the secondary side. Therefore, stores energy and increases. Similarly to in Interval 1, releases energy to .In the step-up mode, releases energy to the primary side of the transformer, and is charged while is discharged by the primary reflected current of . In this mode, stores energy through .
- Interval 4 ∼At , is turned off to ensure the deadtime for the half-bridge, and is turned on while keeping on. It operates in a similar way to Interval 2, as shown in Figure 11e, and the following holds:Both inductors are to store energy in step-up mode operation or release energy in step-down mode operation during this time interval. By the voltage-second balance of and , the voltage step-down ratio of the converter can be defined as a function of the primary-side switch duty ratio (D) and the transformer turn ratio (N) as follows:where D is the duty cycle of primary-side switching components, and . Since the voltage ratio is the reciprocal of (36) when the power flow reverses, increasing the transformer turn ratio N yields a reduced voltage ratio during discharge operation and an increased voltage ratio during charging.
3.4. Design Procedure
- Duty cycle (D)The first step is to select the duty cycle of the converter. In this study, the duty cycle of the primary-side switches (, ) is defined as D, while the duty cycle of the secondary-side switches (, ) is controlled as .
- Battery voltage range (, )Next, according to the dc bus voltage , the battery operating range must be determined. Assuming that the converter output current () is controlled to be constant during the battery discharge mode, the range of in the discharge mode is defined by the following equation:Considering the voltage step-down ratio defined in (36), it must satisfy the following relationships:andThus, and can be described as follows:To lower , must be set close to . However, as indicated by (41), this requirement, combined with the constraint, necessitates a high turn ratio (N). From (43), it is evident that as the turn ratio (N) increases, the battery voltage ratio approaches unity. This implies that a high N significantly narrows the battery’s operational voltage range, as is constrained to be very close to . Therefore, a clear trade-off exists between the battery operating voltage range and the transformer turn ratio. If the target BESS employs a battery type whose terminal voltage varies significantly with the state of charge—such as Nickel Manganese Cobalt (NMC) or sodium-based batteries—a relatively low turn ratio N becomes essential to secure a sufficiently wide operating voltage window. In contrast, for chemistries such as Lithium Iron Phosphate (LFP), where the voltage variation over the SOC range is comparatively small, a higher turn ratio can still cover most of the usable range, while also helping reduce .
- Transformer turn ratio (N)The feasible range for the transformer turn ratio (N) is determined by the constraints derived in the previous section. From the maximum battery voltage condition (39), the lower limit of N is obtained by rearranging the terms as follows:
- Passive component designand are calculated by the inductor ripple current specification:where is the ripple current of the dc bus. From (46), N and are fixed values, and determines the value of L. Since the term reaches its maximum value at , it is advisable to design at to become the midpoint of the battery operation range. in (46) can therefore be treated asThe values of the half-bridge-side filter capacitors, and , are calculated in the step-up mode operation of the converter, while the value of the push–pull-side filter capacitor is calculated in the step-down mode operation by the capacitor voltage ripple specifications, as follows:where and represent the voltage ripple of the capacitors , , and , respectively, and is the total current of the push–pull side denoted in Figure 11a, which is described as
- Active component designThe drain-to-source voltage stresses for the primary () and secondary () sides are given by (51) and (52), respectively:Assuming that the current ripple is negligible, the RMS currents for the primary () and secondary () sides are expressed as (53) and (54), respectively:Therefore, the switching devices for both sides must be selected with voltage and current ratings that provide a sufficient margin above these calculated stresses (the voltage and the RMS current) to ensure reliable operation. The entire design flow is illustrated in Figure 13.
3.5. Loss Breakdown
4. Design Implementation and Validation
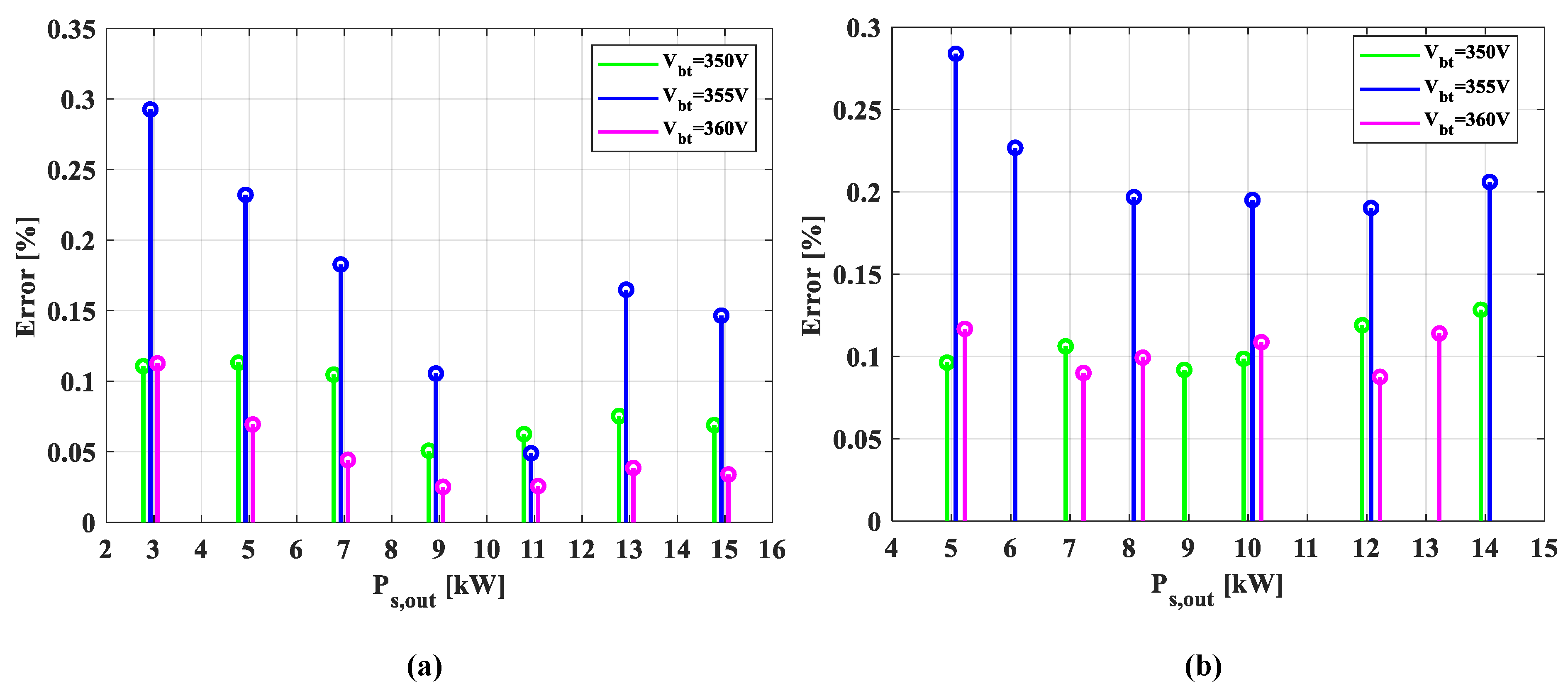
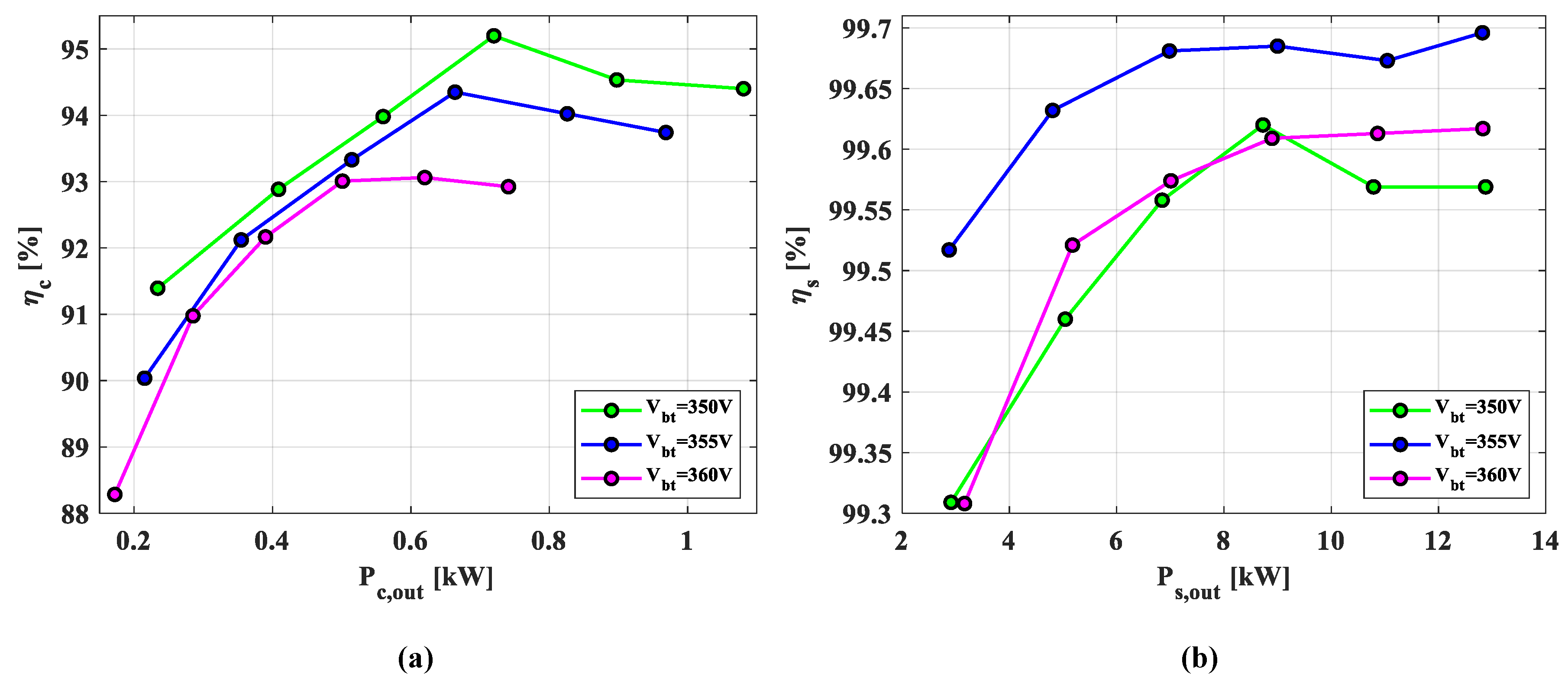
4.1. Simulation
4.2. Experimental Validation
5. Conclusions
Author Contributions
Funding
Data Availability Statement
Conflicts of Interest
References
- European Commission. A Roadmap for Moving to a Competitive Low Carbon Economy in 2050; COM (2011)112 Final; European Commission: Brussels, Belgium, 2011. [Google Scholar]
- International Energy Agency. Global EV Outlook 2024. 2024. Available online: https://iea.blob.core.windows.net/assets/a9e3544b-0b12-4e15-b407-65f5c8ce1b5f/GlobalEVOutlook2024.pdf (accessed on 3 December 2025).
- Kim, J.; Song, J.; Kim, C.H.; Mahseredjian, J.; Kim, S. Consideration on the Present and Future of Battery Energy Storage System to Unlock Battery Value. J. Mod. Power Syst. Clean Energy 2024, 13, 622–636. [Google Scholar] [CrossRef]
- Adeyinka, A.M.; Esan, O.C.; Ijaola, A.O.; Farayibi, P.K. Advancements in hybrid energy storage systems for enhancing renewable energy-to-grid integration. Sustain. Energy Res. 2024, 11, 26. [Google Scholar] [CrossRef]
- Farivar, G.G.; Manalastas, W.; Tafti, H.D.; Ceballos, S.; Sanchez-Ruiz, A.; Lovell, E.C.; Konstantinou, G.; Townsend, C.D.; Srinivasan, M.; Pou, J. Grid-Connected Energy Storage Systems: State-of-the-Art and Emerging Technologies. Proc. IEEE 2023, 111, 397–420. [Google Scholar] [CrossRef]
- Deguenon, L.; Yamegueu, D.; Gomna, A. Overcoming the challenges of integrating variable renewable energy to the grid: A comprehensive review of electrochemical battery storage systems. J. Power Sources 2023, 580, 233343. [Google Scholar] [CrossRef]
- Galkin, I.A.; Blinov, A.; Vorobyov, M.; Bubovich, A.; Saltanovs, R.; Peftitsis, D. Interface Converters for Residential Battery Energy Storage Systems: Practices, Difficulties and Prospects. Energies 2021, 14, 3365. [Google Scholar] [CrossRef]
- Qays, M.O.; Buswig, Y.; Hossain, M.L.; Abu-Siada, A. Recent progress and future trends on the state of charge estimation methods to improve battery-storage efficiency: A review. CSEE J. Power Energy Syst. 2020, 8, 105–114. [Google Scholar] [CrossRef]
- Peng, S.; Chen, C.; Shi, H.; Yao, Z. State of charge estimation of battery energy storage systems based on adaptive unscented Kalman filter with a noise statistics estimator. IEEE Access 2017, 5, 13202–13212. [Google Scholar] [CrossRef]
- Kim, B.J.; Na, S.J.; Cho, I.H. Research on improving the reliability and reducing the weight of battery packs for railway vehicles. J. Power Electron. 2024, 24, 810–821. [Google Scholar] [CrossRef]
- Cacciato, M.; Nobile, G.; Scarcella, G.; Scelba, G. Real-time model-based estimation of SOC and SOH for energy storage systems. IEEE Trans. Power Electron. 2016, 32, 794–803. [Google Scholar] [CrossRef]
- Yu, Z.; Liu, J.; Lu, Y.; Feng, C.; Li, L.; Wu, Q. Combined EKF–LSTM algorithm-based enhanced state-of-charge estimation for energy storage container cells. J. Power Electron. 2024, 24, 1329–1339. [Google Scholar] [CrossRef]
- Garcia, F.; Ferreira, A.; Pomilio, J. Control strategy for battery-ultracapacitor hybrid energy storage system. In Proceedings of the 2009 Twenty-Fourth Annual IEEE Applied Power Electronics Conference and Exposition, Washington, DC, USA, 15–19 February 2009; pp. 826–832. [Google Scholar]
- Damiano, A.; Gatto, G.; Marongiu, I.; Porru, M.; Serpi, A. Real-time control strategy of energy storage systems for renewable energy sources exploitation. IEEE Trans. Sustain. Energy 2013, 5, 567–576. [Google Scholar] [CrossRef]
- Li, D.; Chen, H.; Yao, Y.; Gao, D.W.; Xu, B. MDT-MVMD-based frequency modulation for photovoltaic energy storage systems. J. Power Electron. 2025, 25, 324–335. [Google Scholar] [CrossRef]
- Teleke, S.; Baran, M.E.; Huang, A.Q.; Bhattacharya, S.; Anderson, L. Control strategies for battery energy storage for wind farm dispatching. IEEE Trans. Energy Convers. 2009, 24, 725–732. [Google Scholar] [CrossRef]
- Zhu, Y.; Xiong, L.; Ban, C.; Huang, S. Distributed sliding mode consensus control of energy storage systems in wind farms for power system frequency regulation. J. Power Electron. 2024, 24, 1104–1117. [Google Scholar] [CrossRef]
- Zeng, Y.; Zhang, Q.; Liu, Y.; Zhuang, X.; Guo, H. Hierarchical cooperative control strategy for battery storage system in islanded DC microgrid. IEEE Trans. Power Syst. 2021, 37, 4028–4039. [Google Scholar] [CrossRef]
- Rafi, M.A.H.; Bauman, J. A Comprehensive Review of DC Fast-Charging Stations With Energy Storage: Architectures, Power Converters, and Analysis. IEEE Trans. Transp. Electrif. 2021, 7, 345–368. [Google Scholar] [CrossRef]
- Babu, T.S.; Vasudevan, K.R.; Ramachandaramurthy, V.K.; Sani, S.B.; Chemud, S.; Lajim, R.M. A Comprehensive Review of Hybrid Energy Storage Systems: Converter Topologies, Control Strategies and Future Prospects. IEEE Access 2020, 8, 148702–148721. [Google Scholar] [CrossRef]
- Liu, M.; Cao, X.; Cao, C.; Wang, P.; Wang, C.; Pei, J.; Lei, H.; Jiang, X.; Li, R.; Li, J. A review of power conversion systems and design schemes of high-capacity battery energy storage systems. IEEE Access 2022, 10, 52030–52042. [Google Scholar] [CrossRef]
- Soong, T.; Lehn, P.W. Evaluation of emerging modular multilevel converters for BESS applications. IEEE Trans. Power Deliv. 2014, 29, 2086–2094. [Google Scholar] [CrossRef]
- dos Santos, N.G.F.; Zientarski, J.R.R.; da Silva Martins, M.L. A review of series-connected partial power converters for DC–DC applications. IEEE J. Emerg. Sel. Top. Power Electron. 2021, 10, 7825–7838. [Google Scholar] [CrossRef]
- Agamy, M.S.; Harfman-Todorovic, M.; Elasser, A.; Chi, S.; Steigerwald, R.L.; Sabate, J.A.; McCann, A.J.; Zhang, L.; Mueller, F.J. An efficient partial power processing DC/DC converter for distributed PV architectures. IEEE Trans. Power Electron. 2013, 29, 674–686. [Google Scholar] [CrossRef]
- Zientarski, J.R.R.; da Silva Martins, M.L.; Pinheiro, J.R.; Hey, H.L. Evaluation of power processing in series-connected partial-power converters. IEEE J. Emerg. Sel. Top. Power Electron. 2018, 7, 343–352. [Google Scholar] [CrossRef]
- Anzola, J.; Aizpuru, I.; Arruti, A. Partial power processing based converter for electric vehicle fast charging stations. Electronics 2021, 10, 260. [Google Scholar] [CrossRef]
- Anzola, J.; Aizpuru, I.; Romero, A.A.; Loiti, A.A.; Lopez-Erauskin, R.; Artal-Sevil, J.S.; Bernal, C. Review of architectures based on partial power processing for dc-dc applications. IEEE Access 2020, 8, 103405–103418. [Google Scholar] [CrossRef]
- Mira, M.C.; Zhang, Z.; Jørgensen, K.L.; Andersen, M.A. Fractional charging converter with high efficiency and low cost for electrochemical energy storage devices. IEEE Trans. Ind. Appl. 2019, 55, 7461–7470. [Google Scholar] [CrossRef]
- Sung, W.J.; Baliga, B.J. Design and Economic Considerations to Achieve the Price Parity of SiC MOSFETs with Silicon IGBTs. In Proceedings of the Materials Science Forum; Trans Tech Publ: Baech, Switzerland, 2016; Volume 858, pp. 889–893. [Google Scholar]
- Min, B.D.; Lee, J.P.; Kim, J.H.; Kim, T.J.; Yoo, D.W.; Song, E.H. A new topology with high efficiency throughout all load range for photovoltaic PCS. IEEE Trans. Ind. Electron. 2008, 56, 4427–4435. [Google Scholar] [CrossRef]
- Zhou, H.; Zhao, J.; Han, Y. PV balancers: Concept, architectures, and realization. IEEE Trans. Power Electron. 2014, 30, 3479–3487. [Google Scholar] [CrossRef]
- Balbino, A.J.; Tanca-Villanueva, M.C.; Lazzarin, T.B. A full-bridge partial-power processing converter applied to small wind turbines systems. In Proceedings of the 2020 IEEE 29th International Symposium on Industrial Electronics (ISIE), Delft, The Netherlands, 17–19 June 2020; pp. 985–990. [Google Scholar]
- Granello, P.; Soeiro, T.B.; Van Der Blij, N.H.; Bauer, P. Revisiting the partial power processing concept: Case study of a 5-kW 99.11% efficient flyback converter-based battery charger. IEEE Trans. Transp. Electrif. 2022, 8, 3934–3945. [Google Scholar] [CrossRef]
- Iyer, V.M.; Gulur, S.; Gohil, G.; Bhattacharya, S. An approach towards extreme fast charging station power delivery for electric vehicles with partial power processing. IEEE Trans. Ind. Electron. 2019, 67, 8076–8087. [Google Scholar] [CrossRef]
- Cao, Y.; Ngo, M.; Yan, N.; Dong, D.; Burgos, R.; Ismail, A. Design and implementation of an 18-kW 500-kHz 98.8% efficiency high-density battery charger with partial power processing. IEEE J. Emerg. Sel. Top. Power Electron. 2021, 10, 7963–7975. [Google Scholar] [CrossRef]
- Abdel-Rahim, O.; Chub, A.; Blinov, A.; Vinnikov, D. Current-fed dual inductor push-pull partial power converter. In Proceedings of the 2022 IEEE 20th International Power Electronics and Motion Control Conference (PEMC), Brasov, Romania, 25–28 September 2022; pp. 327–332. [Google Scholar]
- Pape, M.; Kazerani, M. Turbine Startup and Shutdown in Wind Farms Featuring Partial Power Processing Converters. IEEE Open Access J. Power Energy 2020, 7, 254–264. [Google Scholar] [CrossRef]
- Mira, M.C.; Zhang, Z.; Andersen, M.A. Review of high efficiency bidirectional dc-dc topologies with high voltage gain. In Proceedings of the 2017 52nd International Universities Power Engineering Conference (UPEC), Heraklion, Greece, 28–31 August 2017; pp. 1–6. [Google Scholar]
- Iyer, V.M.; Gulur, S.; Bhattacharya, S.; Ramabhadran, R. A partial power converter interface for battery energy storage integration with a DC microgrid. In Proceedings of the 2019 IEEE Energy Conversion Congress and Exposition (ECCE), Baltimore, MD, USA, 29 September–3 October 2019; pp. 5783–5790. [Google Scholar]
- Shousha, M.; Prodić, A.; Marten, V.; Milios, J. Design and implementation of assisting converter-based integrated battery management system for electromobility applications. IEEE J. Emerg. Sel. Top. Power Electron. 2017, 6, 825–842. [Google Scholar] [CrossRef]
- Chen, L.; Wu, H.; Xu, P.; Hu, H.; Wan, C. A high step-down non-isolated bus converter with partial power conversion based on synchronous LLC resonant converter. In Proceedings of the 2015 IEEE Applied Power Electronics Conference and Exposition (APEC), Charlotte, NC, USA, 15–19 March 2015; pp. 1950–1955. [Google Scholar]
- Müller, N.; Kouro, S.; Zanchetta, P.; Wheeler, P. Bidirectional partial power converter interface for energy storage systems to provide peak shaving in grid-tied PV plants. In Proceedings of the 2018 IEEE International Conference on Industrial Technology (ICIT), Lyon, France, 20–22 February 2018; pp. 892–897. [Google Scholar]
- Mishra, S.; Tamballa, S.; Pallantala, M.; Raju, S.; Mohan, N. Cascaded dual-active bridge cell based partial power converter for battery emulation. In Proceedings of the 2019 20th Workshop on Control and Modeling for Power Electronics (COMPEL), Toronto, ON, Canada, 17–20 June 2019; pp. 1–7. [Google Scholar]
- Pape, M.; Kazerani, M. An offshore wind farm with DC collection system featuring differential power processing. IEEE Trans. Energy Convers. 2019, 35, 222–236. [Google Scholar] [CrossRef]
- Shao, S.; Chen, L.; Shan, Z.; Gao, F.; Chen, H.; Sha, D.; Dragičević, T. Modeling and advanced control of dual-active-bridge DC–DC converters: A review. IEEE Trans. Power Electron. 2021, 37, 1524–1547. [Google Scholar] [CrossRef]
- Jain, A.K.; Ayyanar, R. PWM control of dual active bridge: Comprehensive analysis and experimental verification. IEEE Trans. Power Electron. 2010, 26, 1215–1227. [Google Scholar] [CrossRef]
- Jafari, M.; Malekjamshidi, Z.; Zhu, J.G. Analysis of operation modes and limitations of dual active bridge phase shift converter. In Proceedings of the 2015 IEEE 11th International Conference on Power Electronics and Drive Systems, Sydney, Australia, 9–12 June 2015; pp. 393–398. [Google Scholar]
- Moo, C.S.; Ng, K.S.; Hsieh, Y.C. Parallel operation of battery power modules. IEEE Trans. Energy Convers. 2008, 23, 701–707. [Google Scholar] [CrossRef]
- Huang, J.; Mao, S.; Shen, F. Virtual DC machine-based distributed SoC balancing control strategy for parallel battery storage units in DC microgrids. J. Power Electron. 2025, 25, 1320–1331. [Google Scholar] [CrossRef]
- Zhao, J.; Yeates, K.; Han, Y. Analysis of high efficiency DC/DC converter processing partial input/output power. In Proceedings of the 2013 IEEE 14th Workshop on Control and Modeling for Power Electronics (COMPEL), Salt Lake City, UT, USA, 23–26 June 2013; pp. 1–8. [Google Scholar]
- Alemanno, A.; Morici, R.; Pretelli, M.; Florian, C. Design of a 7.5 kW dual active bridge converter in 650 V GaN technology for charging applications. Electronics 2023, 12, 1280. [Google Scholar] [CrossRef]
- Chakraborty, S.; Chattopadhyay, S. Fully ZVS, minimum RMS current operation of the dual-active half-bridge converter using closed-loop three-degree-of-freedom control. IEEE Trans. Power Electron. 2018, 33, 10188–10199. [Google Scholar] [CrossRef]
- Erickson, R.W.; Maksimovic, D. Fundamentals of Power Electronics; Springer Science & Business Media: Berlin/Heidelberg, Germany, 2007. [Google Scholar]
- Plexim GmbH. PLECS User Manual. 2025. Available online: https://www.plexim.com (accessed on 3 December 2025).





















| Parameter | FBDAB [51] | HBDAB [52] | HBPP |
|---|---|---|---|
| System power [kW] | 7.5 | 0.63 | 15 |
| Converter power [kW] | 7.5 | 0.63 | 1.1 |
| No. of switching components | 8 | 4 | 4 |
| No. of capacitors | 2 | 4 | 3 |
| No. of inductors | 1 | 1 | 2 |
| No. of transformers | 1 | 1 | 1 |
| Voltage stress (primary switch) | High | High | High |
| Voltage stress (secondary switch) | Low | Low | Medium |
| Current stress (primary switch) | Low | Medium | Medium |
| Current stress (secondary switch) | Medium | High | Medium |
| Parameter | Symbol | Value |
|---|---|---|
| DC bus voltage | 380 [V] | |
| Battery voltage | 350∼360 [V] | |
| Headroom voltage | 20∼30 [V] | |
| Switching frequency | 100 [kHz] | |
| Transformer turn ratio | N | 2 |
| Inductance | 100 [uH] | |
| Capacitor (primary) | 33 [uF] | |
| Capacitor (secondary) | 100 [uF] | |
| MOSFET (primary) | C3M0075120K | |
| MOSFET (secondary) | IMW65R027M1H |
| [V] | 350 | 355 | 360 |
|---|---|---|---|
| Battery power [W] | 12,935 | 12,375 | 12,828 |
| Converter power [W] | 1081 | 769 | 741 |
| 0.08 | 0.06 | 0.06 | |
| [V] | 88.21 | 89.5 | 90.67 |
| [A] | 37.11 | 34.622 | 35.94 |
| [µH] | 100 | ||
Disclaimer/Publisher’s Note: The statements, opinions and data contained in all publications are solely those of the individual author(s) and contributor(s) and not of MDPI and/or the editor(s). MDPI and/or the editor(s) disclaim responsibility for any injury to people or property resulting from any ideas, methods, instructions or products referred to in the content. |
© 2026 by the authors. Licensee MDPI, Basel, Switzerland. This article is an open access article distributed under the terms and conditions of the Creative Commons Attribution (CC BY) license.
Share and Cite
Jeong, S.-J.; Nguyen, N.-A.; Pham, N.-T.; Park, J.-S.; Choi, S.-J. Design Considerations of Bidirectional Half-Bridge Push–Pull Partial Power Processing Converters for Battery Energy Storage Systems. Energies 2026, 19, 432. https://doi.org/10.3390/en19020432
Jeong S-J, Nguyen N-A, Pham N-T, Park J-S, Choi S-J. Design Considerations of Bidirectional Half-Bridge Push–Pull Partial Power Processing Converters for Battery Energy Storage Systems. Energies. 2026; 19(2):432. https://doi.org/10.3390/en19020432
Chicago/Turabian StyleJeong, Seok-Jin, Nguyen-Anh Nguyen, Ngoc-Thao Pham, Jin-Su Park, and Sung-Jin Choi. 2026. "Design Considerations of Bidirectional Half-Bridge Push–Pull Partial Power Processing Converters for Battery Energy Storage Systems" Energies 19, no. 2: 432. https://doi.org/10.3390/en19020432
APA StyleJeong, S.-J., Nguyen, N.-A., Pham, N.-T., Park, J.-S., & Choi, S.-J. (2026). Design Considerations of Bidirectional Half-Bridge Push–Pull Partial Power Processing Converters for Battery Energy Storage Systems. Energies, 19(2), 432. https://doi.org/10.3390/en19020432

