Biofuels Production Using Structured Catalyst in Fischer–Tropsch Synthesis
Abstract
1. Introduction
2. Materials and Methods
2.1. Catalyst Preparation and Characterization
2.1.1. Catalyst Manufacture
2.1.2. Catalyst Characterization
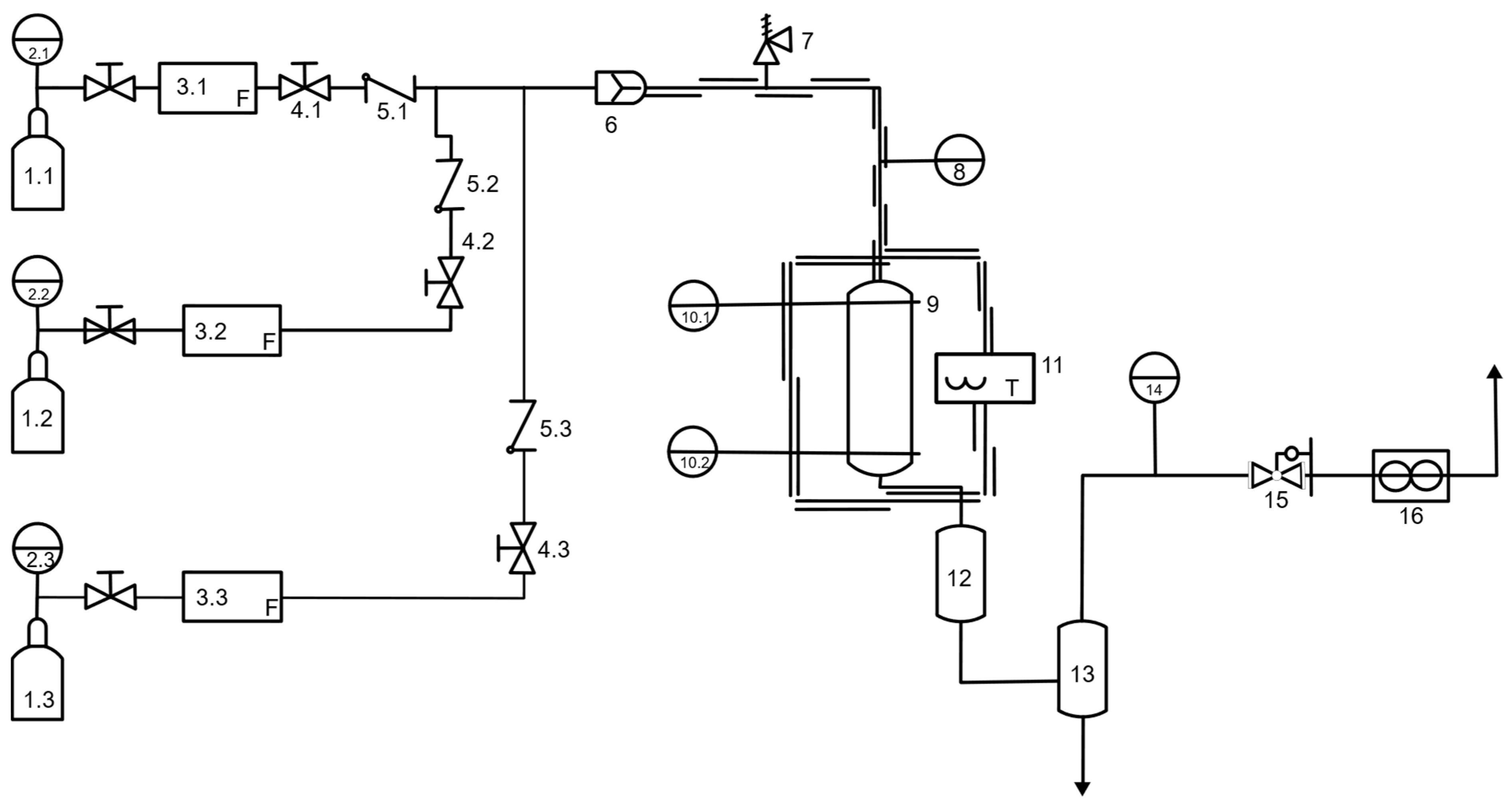
2.2. Catalysts Test
2.3. Product Characterization
3. Results and Discussion
3.1. Catalyst Characterization
3.2. Catalytic Performance
3.2.1. Effect of Void Fraction
3.2.2. Effect of Promoters
3.2.3. Stability of Structured Catalysts
3.2.4. Product Characterization
4. Conclusions
Author Contributions
Funding
Data Availability Statement
Acknowledgments
Conflicts of Interest
References
- Ail, S.S.; Dasappa, S. Biomass to liquid transportation fuel via Fischer Tropsch synthesis—Technology review and current scenario. Renew. Sustain. Energy Rev. 2016, 58, 267–286. [Google Scholar] [CrossRef]
- Arutyunov, V.; Nikitin, A.; Strekova, L.; Savchenko, V.; Sedov, I. Utilization of renewable sources of biogas for small-scale production of liquid fuels. Catal. Today 2021, 379, 23–27. [Google Scholar] [CrossRef]
- Dry, M.E. High quality diesel via the Fischer–Tropsch process—A review. J. Chem. Technol. Biotechnol. 2002, 77, 43–50. [Google Scholar] [CrossRef]
- Dry, M.E. The Fischer–Tropsch process: 1950–2000. Catal. Today 2002, 71, 227–241. [Google Scholar] [CrossRef]
- Baliban, R.C.; Elia, J.A.; Floudas, C.A. Biomass to liquid transportation fuels (BTL) systems: Process synthesis and global optimization framework. Energy Environ. Sci. 2013, 6, 267–287. [Google Scholar] [CrossRef]
- Van Steen, E.; Claeys, M. Fischer-Tropsch Catalysts for the Biomass-to-Liquid (BTL)-Process. Chem. Eng. Technol. 2008, 31, 655–666. [Google Scholar] [CrossRef]
- Davis, B.H. Fischer–Tropsch synthesis: Current mechanism and futuristic needs. Fuel Process. Technol. 2001, 71, 157–166. [Google Scholar] [CrossRef]
- Espinoza, R.L.; Steynberg, A.P.; Jager, B.; Vosloo, A.C. Low temperature Fischer–Tropsch synthesis from a Sasol perspective. Appl. Catal. A Gen. 1999, 186, 13–26. [Google Scholar] [CrossRef]
- Jager, B.; Espinoza, R. Advances in low temperature Fischer-Tropsch synthesis. Catal. Today 1995, 23, 17–28. [Google Scholar] [CrossRef]
- Khodakov, A.Y. Fischer-Tropsch synthesis: Relations between structure of cobalt catalysts and their catalytic performance. Catal. Today 2009, 144, 251–257. [Google Scholar] [CrossRef]
- Ram, V.; Salkuti, S.R. An Overview of Major Synthetic Fuels. Energies 2023, 16, 2834. [Google Scholar] [CrossRef]
- Demirbas, A. Converting Biomass Derived Synthetic Gas to Fuels via Fisher-Tropsch Synthesis. Energy Sources Part A Recover. Util. Environ. Eff. 2007, 29, 1507–1512. [Google Scholar] [CrossRef]
- Willauer, H.D.; Bradley, M.J.; Baldwin, J.W.; Hartvigsen, J.J.; Frost, L.; Morse, J.R.; DiMascio, F.; Hardy, D.R.; Hasler, D.J. Evaluation of CO2 Hydrogenation in a Modular Fixed-Bed Reactor Prototype. Catalysts 2020, 10, 970. [Google Scholar] [CrossRef]
- Liu, W.; Wang, Y.; Wilcox, W.; Li, S. A compact and high throughput reactor of monolithic-structured catalyst bed for conversion of syngas to liquid fuels. AIChE J. 2012, 58, 2820–2829. [Google Scholar] [CrossRef]
- Davis, B.H.; Occelli, M.L. Fischer-Tropsch Synthesis, Catalysts, and Catalysis; CRC Press: Boca Raton, FL, USA, 2016; ISBN 978-0-429-09902-1. [Google Scholar]
- Van Steen, E.; Prinsloo, F.F. Comparison of preparation methods for carbon nanotubes supported iron Fischer–Tropsch catalysts. Catal. Today 2002, 71, 327–334. [Google Scholar] [CrossRef]
- Davis, B.H. Fischer–Tropsch Synthesis: Reaction mechanisms for iron catalysts. Catal. Today 2009, 141, 25–33. [Google Scholar] [CrossRef]
- Eliseev, O.L.; Savost’yanov, A.P.; Sulima, S.I.; Lapidus, A.L. Recent development in heavy paraffin synthesis from CO and H2. Mendeleev Commun. 2018, 28, 345–351. [Google Scholar] [CrossRef]
- Li, S.; Krishnamoorthy, S.; Li, A.; Meitzner, G.D.; Iglesia, E. Promoted Iron-Based Catalysts for the Fischer–Tropsch Synthesis: Design, Synthesis, Site Densities, and Catalytic Properties. J. Catal. 2002, 206, 202–217. [Google Scholar] [CrossRef]
- Li, S.; Li, A.; Krishnamoorthy, S.; Iglesia, E. Effects of Zn, Cu, and K promoters on the structure and on the reduction, carburization, and catalytic behavior of iron-based Fischer–Tropsch synthesis catalysts. Catal. Lett. 2001, 77, 197–205. [Google Scholar] [CrossRef]
- Daage, M.A.; Koveal, R.J.; Lapidus, A.L.; Krylova, A.J.; Brennan, S.P. Fischer-Tropsch Catalyst Enhancement. U.S. Patent 6355593B1, 1 September 2000. Available online: https://patents.google.com/patent/US6355593 (accessed on 26 February 2024).
- Lim, D.-H.; Jo, J.H.; Shin, D.Y.; Wilcox, J.; Ham, H.C.; Nam, S.W. Carbon dioxide conversion into hydrocarbon fuels on defective graphene-supported Cu nanoparticles from first principles. Nanoscale 2014, 6, 5087–5092. [Google Scholar] [CrossRef] [PubMed]
- Liu, J.-X.; Wang, P.; Xu, W.; Hensen, E.J.M. Particle Size and Crystal Phase Effects in Fischer-Tropsch Catalysts. Engineering 2017, 3, 467–476. [Google Scholar] [CrossRef]
- Liu, P.; Zhang, D.; Dai, Y.; Lin, J.; Li, Y.; Wen, C. Microstructure, mechanical properties, degradation behavior, and biocompatibility of porous Fe-Mn alloys fabricated by sponge impregnation and sintering techniques. Acta Biomater. 2020, 114, 485–496. [Google Scholar] [CrossRef] [PubMed]
- Ma, W.-P.; Ding, Y.-J.; Lin, L.-W. Fischer−Tropsch Synthesis over Activated-Carbon-Supported Cobalt Catalysts: Effect of Co Loading and Promoters on Catalyst Performance. Ind. Eng. Chem. Res. 2004, 43, 2391–2398. [Google Scholar] [CrossRef]
- Mahmoudi, H.; Mahmoudi, M.; Doustdar, O.; Jahangiri, H.; Tsolakis, A.; Gu, S.; LechWyszynski, M. A review of Fischer Tropsch synthesis process, mechanism, surface chemistry and catalyst formulation. Biofuels Eng. 2017, 2, 11–31. [Google Scholar] [CrossRef]
- Wang, J.; You, Z.; Zhang, Q.; Deng, W.; Wang, Y. Synthesis of lower olefins by hydrogenation of carbon dioxide over supported iron catalysts. Catal. Today 2013, 215, 186–193. [Google Scholar] [CrossRef]
- Otun, K.O.; Liu, X.; Hildebrandt, D. Metal-organic framework (MOF)-derived catalysts for Fischer-Tropsch synthesis: Recent progress and future perspectives. J. Energy Chem. 2020, 51, 230–245. [Google Scholar] [CrossRef]
- Pai, D.; Prabhu, M.K. Recent Advances in Substrate Materials and Thermal Analysis of Catalytic Converters. Mater. Today Proc. 2018, 5, 24221–24230. [Google Scholar] [CrossRef]
- Gascon, J.; Van Ommen, J.R.; Moulijn, J.A.; Kapteijn, F. Structuring catalyst and reactor—An inviting avenue to process intensification. Catal. Sci. Technol. 2015, 5, 807–817. [Google Scholar] [CrossRef]
- Kapteijn, F.; De Deugd, R.M.; Moulijn, J.A. Fischer–Tropsch synthesis using monolithic catalysts. Catal. Today 2005, 105, 350–356. [Google Scholar] [CrossRef]
- Nijhuis, T.A.; Beers, A.E.W.; Vergunst, T.; Hoek, I.; Kapteijn, F.; Moulijn, J.A. Preparation of monolithic catalysts. Catal. Rev. 2001, 43, 345–380. [Google Scholar] [CrossRef]
- Delparish, A.; Avci, A.K. Intensified catalytic reactors for Fischer-Tropsch synthesis and for reforming of renewable fuels to hydrogen and synthesis gas. Fuel Process. Technol. 2016, 151, 72–100. [Google Scholar] [CrossRef]
- Hilmen, A.-M.; Bergene, E.; Lindvåg, O.A.; Schanke, D.; Eri, S.; Holmen, A. Fischer–Tropsch synthesis on monolithic catalysts of different materials. Catal. Today 2001, 69, 227–232. [Google Scholar] [CrossRef]
- Park, J.C.; Roh, N.S.; Chun, D.H.; Jung, H.; Yang, J.-I. Cobalt catalyst coated metallic foam and heat-exchanger type reactor for Fischer–Tropsch synthesis. Fuel Process. Technol. 2014, 119, 60–66. [Google Scholar] [CrossRef]
- Tronconi, E.; Groppi, G.; Visconti, C.G. Structured catalysts for non-adiabatic applications. Curr. Opin. Chem. Eng. 2014, 5, 55–67. [Google Scholar] [CrossRef]
- Visconti, C.G.; Groppi, G.; Tronconi, E. Highly conductive “packed foams”: A new concept for the intensification of strongly endo- and exo-thermic catalytic processes in compact tubular reactors. Catal. Today 2016, 273, 178–186. [Google Scholar] [CrossRef]
- Visconti, C.G.; Tronconi, E.; Groppi, G.; Lietti, L.; Iovane, M.; Rossini, S.; Zennaro, R. Monolithic catalysts with high thermal conductivity for the Fischer–Tropsch synthesis in tubular reactors. Chem. Eng. J. 2011, 171, 1294–1307. [Google Scholar] [CrossRef]
- Visconti, C.G.; Tronconi, E.; Lietti, L.; Groppi, G.; Forzatti, P.; Cristiani, C.; Zennaro, R.; Rossini, S. An experimental investigation of Fischer–Tropsch synthesis over washcoated metallic structured supports. Appl. Catal. Gen. 2009, 370, 93–101. [Google Scholar] [CrossRef]
- Banville, M.; Labrecque, R.; Lavoie, J.-M. Dry reforming of methane under an electro-catalytic bed: Effect of electrical current and catalyst composition. In Proceedings of the ENERGY AND SUSTAINABILITY 2014, Lumpur, Malaysia, 23–24 October 2014; pp. 603–611. [Google Scholar]
- Kolaczkowski, S.T.; Awdry, S.; Smith, T.; Thomas, D.; Torkuhl, L.; Kolvenbach, R. Potential for metal foams to act as structured catalyst supports in fixed-bed reactors. Catal. Today 2016, 273, 221–233. [Google Scholar] [CrossRef]
- Yeetsorn, R.; Tungkamani, S.; Maiket, Y. Fabrication of a Ceramic Foam Catalyst Using Polymer Foam Scrap via the Replica Technique for Dry Reforming. ACS Omega 2022, 7, 4202–4213. [Google Scholar] [CrossRef] [PubMed]
- Cutler, W.A.; Lin, H.; Olszewski, A.R.; Sorensen, C., Jr. Thermally Conductive Honeycombs for Chemical Reactors. U.S. Patent 6881703B2, 8 August 2001. [Google Scholar]
- Hosseini, S.; Moghaddas, H.; Masoudi Soltani, S.; Kheawhom, S. Technological Applications of Honeycomb Monoliths in Environmental Processes: A review. Process Saf. Environ. Prot. 2020, 133, 286–300. [Google Scholar] [CrossRef]
- Cristiani, C.; Finocchio, E.; Latorrata, S.; Visconti, C.G.; Bianchi, E.; Tronconi, E.; Groppi, G.; Pollesel, P. Activation of metallic open-cell foams via washcoat deposition of Ni/MgAl2O4 catalysts for steam reforming reaction. Catal. Today 2012, 197, 256–264. [Google Scholar] [CrossRef]
- Cybulski, A.; Moulijn, J.A. Monoliths in Heterogeneous Catalysis. Catal. Rev. 1994, 36, 179–270. [Google Scholar] [CrossRef]
- Danaci, S.; Protasova, L.; Snijkers, F.; Bouwen, W.; Bengaouer, A.; Marty, P. Innovative 3D-manufacture of structured copper supports post-coated with catalytic material for CO2 methanation. Chem. Eng. Process. Process. Intensif. 2018, 127, 168–177. [Google Scholar] [CrossRef]
- Giani, L.; Groppi, G.; Tronconi, E. Mass-Transfer Characterization of Metallic Foams as Supports for Structured Catalysts. Ind. Eng. Chem. Res. 2005, 44, 4993–5002. [Google Scholar] [CrossRef]
- Harmel, J.; Peres, L.; Estrader, M.; Berliet, A.; Maury, S.; Fécant, A.; Chaudret, B.; Serp, P.; Soulantica, K. hcp-Co Nanowires Grown on Metallic Foams as Catalysts for Fischer–Tropsch Synthesis. Angew. Chem. 2018, 130, 10739–10743. [Google Scholar] [CrossRef]
- Hurtado Castaño, Y.V. Development of a Structured Iron-Based Catalyst for Fischer–Tropsch Synthesis Using Bio-Syngas. Ph.D. Dissertation, University of Sherbrooke, Sherbrooke, QC, Canada.
- Giani, L.; Cristiani, C.; Groppi, G.; Tronconi, E. Washcoating method for Pd/γ-Al2O3 deposition on metallic foams. Appl. Catal. B Environ. 2006, 62, 121–131. [Google Scholar] [CrossRef]
- Konarova, M.; Aslam, W.; Ge, L.; Ma, Q.; Tang, F.; Rudolph, V.; Beltramini, J.N. Enabling Process Intensification by 3 D Printing of Catalytic Structures. ChemCatChem 2017, 9, 4132–4138. [Google Scholar] [CrossRef]
- William, C.; Lednor, P. Monolithic ceramics and heterogeneous catalysts: Honeycombs and foams. Curr. Opin. Solid State Mater. Sci. 1996, 1, 88–95. [Google Scholar] [CrossRef]
- Majidian, N.; Soltanali, S. Comparison of Fischer-Tropsch Fixed and Monolith Bed Reactors Using Pseudo-homogeneous 2D Model. J. Jpn. Pet. Inst. 2016, 59, 126–139. [Google Scholar] [CrossRef][Green Version]
- Guettel, R.; Kunz, U.; Turek, T. Reactors for Fischer-Tropsch Synthesis. Chem. Eng. Technol. 2008, 31, 746–754. [Google Scholar] [CrossRef]
- Kapteijn, F.; Moulijn, J.A. Structured catalysts and reactors—Perspectives for demanding applications. Catal. Today 2022, 383, 5–14. [Google Scholar] [CrossRef]
- Tomašić, V.; Jović, F. State-of-the-art in the monolithic catalysts/reactors. Appl. Catal. Gen. 2006, 311, 112–121. [Google Scholar] [CrossRef]
- Heck, R.M.; Farrauto, R.J. Automobile exhaust catalysts. Appl. Catal. Gen. 2001, 221, 443–457. [Google Scholar] [CrossRef]
- Heck, R.M.; Gulati, S.; Farrauto, R.J. The application of monoliths for gas phase catalytic reactions. Chem. Eng. J. 2001, 82, 149–156. [Google Scholar] [CrossRef]
- Li, C.; Xu, H.; Hou, S.; Sun, J.; Meng, F.; Ma, J.; Tsubaki, N. SiC foam monolith catalyst for pressurized adiabatic methane reforming. Appl. Energy 2013, 107, 297–303. [Google Scholar] [CrossRef]
- Pereira, V.G.F.; Rodrigues, C.P.; Toniolo, F.S. Ni/Al2O3 supported on cordierite monoliths for methane steam reforming: Influence of catalyst coating methodology. Catal. Commun. 2023, 183, 106759. [Google Scholar] [CrossRef]
- Todic, B.; Nowicki, L.; Nikacevic, N.; Bukur, D.B. Fischer–Tropsch synthesis product selectivity over an industrial iron-based catalyst: Effect of process conditions. Catal. Today 2016, 261, 28–39. [Google Scholar] [CrossRef]
- Kulikova, M.V. The new Fischer-Tropsch process over ultrafine catalysts. Catal. Today 2020, 348, 89–94. [Google Scholar] [CrossRef]
- Ding, M.; Yang, Y.; Li, Y.; Wang, T.; Ma, L.; Wu, C. Impact of H2/CO ratios on phase and performance of Mn-modified Fe-based Fischer Tropsch synthesis catalyst. Appl. Energy 2013, 112, 1241–1246. [Google Scholar] [CrossRef]
- Tu, J.; Ding, M.; Zhang, Y.; Li, Y.; Wang, T.; Ma, L.; Wang, C.; Li, X. Synthesis of Fe3O4-nanocatalysts with different morphologies and its promotion on shifting C5+ hydrocarbons for Fischer–Tropsch synthesis. Catal. Commun. 2015, 59, 211–215. [Google Scholar] [CrossRef]
- Zhang, Y.; Ma, L.; Wang, T.; Li, X. MnO2 coated Fe2O3 spindles designed for production of C5+ hydrocarbons in Fischer–Tropsch synthesis. Fuel 2016, 177, 197–205. [Google Scholar] [CrossRef]
- Zhao, G.; Zhang, C.; Qin, S.; Xiang, H.; Li, Y. Effect of interaction between potassium and structural promoters on Fischer–Tropsch performance in iron-based catalysts. J. Mol. Catal. Chem. 2008, 286, 137–142. [Google Scholar] [CrossRef]
- Pendyala, V.R.R.; Jacobs, G.; Hamdeh, H.H.; Shafer, W.D.; Sparks, D.E.; Hopps, S.; Davis, B.H. Fischer–Tropsch Synthesis: Effect of Activation Gas After Varying Cu Promoter Loading Over K-Promoted Fe-Based Catalyst. Catal. Lett. 2014, 144, 1624–1635. [Google Scholar] [CrossRef]
- Luque, R.; De La Osa, A.R.; Campelo, J.M.; Romero, A.A.; Valverde, J.L.; Sanchez, P. Design and development of catalysts for Biomass-To-Liquid-Fischer–Tropsch (BTL-FT) processes for biofuels production. Energy Environ. Sci. 2012, 5, 5186–5202. [Google Scholar] [CrossRef]
- Shafer, W.; Gnanamani, M.; Graham, U.; Yang, J.; Masuku, C.; Jacobs, G.; Davis, B. Fischer–Tropsch: Product Selectivity—The Fingerprint of Synthetic Fuels. Catalysts 2019, 9, 259. [Google Scholar] [CrossRef]
- Zhang, J.; Lu, S.; Su, X.; Fan, S.; Ma, Q.; Zhao, T. Selective formation of light olefins from CO2 hydrogenation over Fe–Zn–K catalysts. J. CO2 Util. 2015, 12, 95–100. [Google Scholar] [CrossRef]
- Zhang, J.; Abbas, M.; Chen, J. The evolution of Fe phases of a fused iron catalyst during reduction and Fischer–Tropsch synthesis. Catal. Sci. Technol. 2017, 7, 3626–3636. [Google Scholar] [CrossRef]
- Sonal; Ahmad, E.; Upadhyayula, S.; Pant, K.K. Biomass-derived CO2 rich syngas conversion to higher hydrocarbon via Fischer-Tropsch process over Fe–Co bimetallic catalyst. Int. J. Hydrogen Energy 2019, 44, 27741–27748. [Google Scholar] [CrossRef]
- Bukur, D.B.; Mukesh, D.; Patel, S.A. Promoter effects on precipitated iron catalysts for Fischer-Tropsch synthesis. Ind. Eng. Chem. Res. 1990, 29, 194–204. [Google Scholar] [CrossRef]
- Silva, A.P.; Bahú, J.O.; Soccol, R.; Rodríguez-Urrego, L.; Fajardo-Moreno, W.S.; Moya, H.; León-Pulido, J.; Cárdenas Concha, V.O. Naphtha Characterization (PIONA, Density, Distillation Curve and Sulfur Content): An Origin Comparison. Energies 2023, 16, 3568. [Google Scholar] [CrossRef]
- Borecki, M.; Geca, M.; Zan, L.; Prus, P.; Korwin-Pawlowski, M.L. Multiparametric Methods for Rapid Classification of Diesel Fuel Quality Used in Automotive Engine Systems. Energies 2024, 17, 4189. [Google Scholar] [CrossRef]
- Teimouri, Z.; Abatzoglou, N.; Dalai, A. Insights to the reaction kinetics of Fischer-Tropsch synthesis using an integral system over Cu-Mo promoted Fe catalyst. Fuel 2024, 360, 130512. [Google Scholar] [CrossRef]










| Sample | BET [m2∙g−1] | Fe | K | Cu |
|---|---|---|---|---|
| 72Fe | 0.1177 ± 0.0057 | 86.89 | -- | -- |
| 72FeCu | 0.0085 ± 0.0032 | 81.40 | -- | 3.23 |
| 72FeK | 0.1043 ± 0.0028 | 83.61 | 3.58 | -- |
| 72FeKCu | -- | 77.48 | 2.58 | 3.27 |
| 77Fe | 0.1159 ± 0.0047 | 86.68 | -- | -- |
| 77FeCu | 0.0732 ± 0.0042 | 83.95 | -- | 2.82 |
| 77FeK | 0.1079 ± 0.0025 | 77.03 | 3.83 | -- |
| 77FeKCu | -- | 75.68 | 3.13 | 3.54 |
| Catalyst | Aqueous Phase | Organic Phase | ||
|---|---|---|---|---|
| pH | Density [g/mL] | Density [g/mL] | Viscosity [cSt] | |
| 0.72Fe | 3.56 | 0.9947 | 0.8012 | 1.28 |
| 0.72FeCu | 3.00 | 0.9885 | 0.7673 | 1.61 |
| 0.72FeK | -- | 0.9967 | -- | -- |
| 0.72FeCuK | 2.88 | 0.9984 | 0.7786 | 1.37 |
| 0.77Fe | 3.45 | 0.9963 | 0.7784 | 1.33 |
| 0.77FeCu | 3.18 | 0.9996 | 0.7866 | 1.54 |
| 0.77FeK | -- | 0.997 | -- | -- |
| 0.77FeCuK | 2.80 | 0.9974 | 0.7858 | 2.0 |
| Catalyst | Oxygenate [mg∙kg−1] | |
|---|---|---|
| Ethanol | Acetic Acid | |
| 0.72Fe | 17,524.0 | 1913.0 |
| 0.72FeCu | 107,628.0 | 4685.3 |
| 0.72FeK | -- | -- |
| 0.72FeCuK | 23,101.1 | 9876.6 |
| 0.77Fe | 4486.7 | 1380.3 |
| 7FeCu | 16,162.8 | 10,045.2 |
| 0.77FeK | -- | -- |
| 0.77FeCuK | 39,211.3 | 7368.9 |
Disclaimer/Publisher’s Note: The statements, opinions and data contained in all publications are solely those of the individual author(s) and contributor(s) and not of MDPI and/or the editor(s). MDPI and/or the editor(s) disclaim responsibility for any injury to people or property resulting from any ideas, methods, instructions or products referred to in the content. |
© 2025 by the authors. Licensee MDPI, Basel, Switzerland. This article is an open access article distributed under the terms and conditions of the Creative Commons Attribution (CC BY) license (https://creativecommons.org/licenses/by/4.0/).
Share and Cite
Hurtado, Y.; Mora-Vergara, I.D.; Lavoie, J.-M. Biofuels Production Using Structured Catalyst in Fischer–Tropsch Synthesis. Energies 2025, 18, 3846. https://doi.org/10.3390/en18143846
Hurtado Y, Mora-Vergara ID, Lavoie J-M. Biofuels Production Using Structured Catalyst in Fischer–Tropsch Synthesis. Energies. 2025; 18(14):3846. https://doi.org/10.3390/en18143846
Chicago/Turabian StyleHurtado, Yira, Iván D. Mora-Vergara, and Jean-Michel Lavoie. 2025. "Biofuels Production Using Structured Catalyst in Fischer–Tropsch Synthesis" Energies 18, no. 14: 3846. https://doi.org/10.3390/en18143846
APA StyleHurtado, Y., Mora-Vergara, I. D., & Lavoie, J.-M. (2025). Biofuels Production Using Structured Catalyst in Fischer–Tropsch Synthesis. Energies, 18(14), 3846. https://doi.org/10.3390/en18143846

