A Multi-Functional Integrated Onboard Charger for Dual-Motor Driving EVs
Abstract
1. Introduction
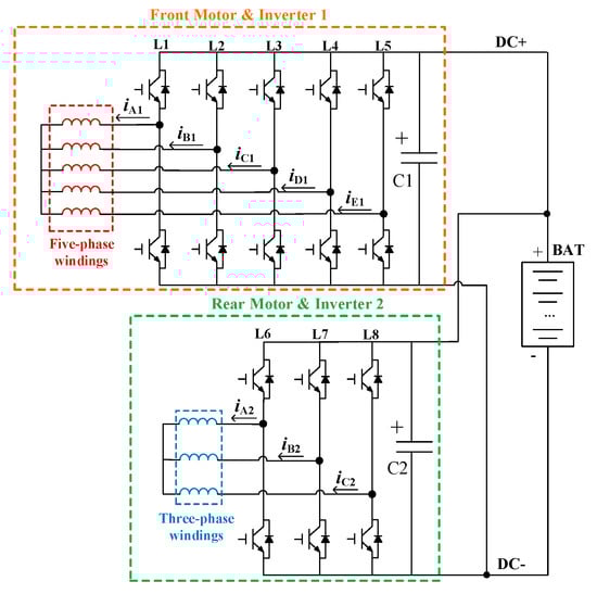
2. Topology and Operation Principle Analysis
2.1. The Driving Mode
2.2. The Single-Phase AC Charging Mode
2.3. The Three-Phase AC Charging Mode
2.4. The DC Charging Mode
3. Control Method and Simulation Validation
3.1. Control Method of the AC Charging Mode
3.2. Control Method of the DC Charging Mode
3.3. Simulation Verification
4. Experiment Validation
5. Conclusions
- Based on a dual-motor traction system, the proposed integrated charger can operate in driving mode, single-phase AC charging mode, three-phase AC charging mode, and DC charging mode;
- In different working modes, different topologies are required. The mode-switching method will be a great obstacle for the application of this type of integrated onboard charger;
- The efficiency of the AC charging mode is not high enough. In order to reach the best performance, the two motors should be redesigned.
Author Contributions
Funding
Data Availability Statement
Conflicts of Interest
References
- Zhuo, Z.; Du, E.; Zhang, N.; Nielsen, C.P.; Lu, X.; Xiao, J.; Wu, J.; Kang, C. Cost Increase in the Electricity Supply to Achieve Carbon Neutrality in China. Nat. Commun. 2022, 13, 3172. [Google Scholar] [CrossRef] [PubMed]
- Cheng, M.; Tong, M. Development Status and Trend of Electric Vehicles in China. Chin. J. Electr. Eng. 2017, 3, 1–13. [Google Scholar]
- Yilmaz, M.; Krein, P.T. Review of Battery Charger Topologies, Charging Power Levels, and Infrastructure for Plug-In Electric and Hybrid Vehicles. IEEE Trans. Power Electron. 2013, 28, 2151–2169. [Google Scholar] [CrossRef]
- Metwly, M.Y.; Abdel-Majeed, M.S.; Abdel-Khalik, A.S.; Hamdy, R.A.; Hamad, M.S.; Ahmed, S. A Review of Integrated On-Board EV Battery Chargers: Advanced Topologies, Recent Developments and Optimal Selection of FSCW Slot/Pole Combination. IEEE Access 2020, 8, 85216–85242. [Google Scholar] [CrossRef]
- Singh, A.K.; Pathak, M.K. A Comprehensive Review of Integrated Charger for On-Board Battery Charging Applications of Electric Vehicles. In Proceedings of the 2018 IEEE 8th Power India International Conference (PIICON), Kurukshetra, India, 10–12 December 2018; pp. 1–6. [Google Scholar]
- Na, T.; Yuan, X.; Tang, J.; Zhang, Q. A Review of On-Board Integrated Charger for Electric Vehicles and A New Solution. In Proceedings of the 2019 IEEE 10th International Symposium on Power Electronics for Distributed Generation Systems (PEDG), Xi’an, China, 3–6 June 2019; pp. 693–699. [Google Scholar]
- Subotic, I.; Bodo, N.; Levi, E. Single-Phase On-Board Integrated Battery Chargers for EVs Based on Multiphase Machines. IEEE Trans. Power Electron. 2016, 31, 6511–6523. [Google Scholar] [CrossRef]
- Yu, Z.; Gan, C.; Ni, K.; Chen, Y.; Qu, R. Dual-Electric-Port Bidirectional Flux-Modulated Switched Reluctance Machine Drive With Multiple Charging Functions for Electric Vehicle Applications. IEEE Trans. Power Electron. 2021, 36, 5818–5831. [Google Scholar] [CrossRef]
- Tong, M.; Cheng, M.; Wang, S.; Hua, W. An On-Board Two-Stage Integrated Fast Battery Charger for EVs Based on a Five-Phase Hybrid-Excitation Flux-Switching Machine. IEEE Trans. Ind. Electron. 2021, 68, 1780–1790. [Google Scholar] [CrossRef]
- Tang, L.; Su, G.-J. A Low-Cost, Digitally-Controlled Charger for Plug-in Hybrid Electric Vehicles. In Proceedings of the 2009 IEEE Energy Conversion Congress and Exposition, San Jose, CA, USA, 20–24 September 2009; pp. 3923–3929. [Google Scholar]
- Lee, S.J.; Sul, S.K. An Integral Battery Charger for 4 Wheel Drive Electric Vehicle. In Proceedings of the 1994 IEEE Industry Applications Society Annual Meeting, Denver, CO, USA, 2–6 October 1994; Volume 1, pp. 448–452. [Google Scholar]
- Tong, M.; Cheng, M.; Hua, W.; Ding, S. A Single-Phase On-Board Two-Stage Integrated Battery Charger for EVs Based on a Five-Phase Hybrid-Excitation Flux-Switching Machine. IEEE Trans. Veh. Technol. 2020, 69, 3793–3804. [Google Scholar] [CrossRef]
- Tong, M.; Liu, X.; Sun, L.; Xu, Z.; Cheng, M.; Zou, Q. Investigation of An Integrated Battery Charger for EVs Based on A Dual-Motor Traction System. In Proceedings of the 2022 IEEE Transportation Electrification Conference and Expo, Asia-Pacific (ITEC Asia-Pacific), Haining, China, 28–31 October 2022; pp. 1–5. [Google Scholar]
- Erickson, R.W.; Maksimović, D. Pulse-Width Modulated Rectifiers. In Fundamentals of Power Electronics; Erickson, R.W., Maksimović, D., Eds.; Springer International Publishing: Cham, Switzerland, 2020; pp. 917–923. [Google Scholar]
- Shi, C.; Tang, Y.; Khaligh, A. A Three-Phase Integrated Onboard Charger for Plug-In Electric Vehicles. IEEE Trans. Power Electron. 2018, 33, 4716–4725. [Google Scholar] [CrossRef]
- Lacroix, S.; Laboure, E.; Hilairet, M. An Integrated Fast Battery Charger for Electric Vehicle. In Proceedings of the 2010 IEEE Vehicle Power and Propulsion Conference, Lille, France, 1–3 September 2010; pp. 1–6. [Google Scholar]
- Haghbin, S.; Khan, K.; Zhao, S.; Alakula, M.; Lundmark, S.; Carlson, O. An Integrated 20-kW Motor Drive and Isolated Battery Charger for Plug-In Vehicles. IEEE Trans. Power Electron. 2013, 28, 4013–4029. [Google Scholar] [CrossRef]
- Wang, Z.; Liu, B.; Guan, L.; Zhang, Y.; Cheng, M.; Zhang, B.; Xu, L. A Dual-Channel Magnetically Integrated EV Chargers Based on Double-Stator-Winding Permanent-Magnet Synchronous Machines. IEEE Trans. Ind. Appl. 2019, 55, 1941–1953. [Google Scholar] [CrossRef]




















| Items | Values | ||
|---|---|---|---|
| Grid voltage | AC phase voltage Uac | 110 V/50 Hz | |
| DC input voltage Uin | 360 V | ||
| DC bus voltage | Single-phase charging | 288 V | |
| Three-phase charging | 320 V | ||
| Battery voltage Ubat | 288 V | ||
| Motor winding parameters | 5phase-FSPM | Phase A1 | 167.7 mΩ, 1.4135 mH |
| Phase B1 | 167.2 mΩ, 1.4639 mH | ||
| Phase C1 | 216.4 mΩ, 1.3825 mH | ||
| Phase D1 | 179.7 mΩ, 1.5017 mH | ||
| Phase E1 | 169.7 mΩ, 1.5532 mH | ||
| 3phase-FSPM | Phase A2 | 32.91 mΩ, 0.3731 mH | |
| Phase B2 | 33.35 mΩ, 0.3619 mH | ||
| Phase C2 | 33.31 mΩ, 0.3545 mH | ||
| Switching frequency | 10 kHz | ||
| System | Charging Mode | Input Power | Output Power | Efficiency | |
|---|---|---|---|---|---|
| The proposed system | Single-phase | 3234 W | 2763 W | 85.44% | |
| Three-phase | 5165 W | 4254 W | 82.37% | ||
| DC | 2904 W | 2791 W | 96.1% | ||
| System in [7] | Nine-phase | Single-phase | 510.7 W | 439.4 W | 86% |
| Asymmetrical six-phase | 510.7 W | 404 W | 79% | ||
| Symmetrical six-phase | 527.8 W | 429.5 W | 81% | ||
| Five-phase | 517 W | 421.9 W | 82% | ||
| System in [10] | Single-phase | 3.51 kW | 3.18 kW | 91.3% | |
| 15.53 kW | 14.53 kW | 93.6% | |||
| System in [16] | Single-phase | 3 kW | 93% | ||
| System in [17] | Three-phase | 0.5~3 kW | <80% | ||
| System in [18] | Single-phase | 1 kW | 88.6% | ||
| Three-phase | 1 kW | 89.1% | |||
| Source | Charging Mode | Udc* | Ubat* | Ibat* | iA* |
| MATLAB/Simulink model | Single-phase | 288.3 V | / | 13.4 A | |
| Three-phase | 319.8 V | 290.5 V | 14.77 A | 13.32 A | |
| DC | 287.2 V | 9.572 A | 1.942 A | ||
| Physical experiments | Single-phase | 287.92 V | / | 14.803 A | |
| Three-phase | 319.7 V | 288.78 V | 14.732 A | 14.634 A | |
| DC | 288.66 V | 9.669 A | 1.9873 A | ||
Disclaimer/Publisher’s Note: The statements, opinions and data contained in all publications are solely those of the individual author(s) and contributor(s) and not of MDPI and/or the editor(s). MDPI and/or the editor(s) disclaim responsibility for any injury to people or property resulting from any ideas, methods, instructions or products referred to in the content. |
© 2024 by the authors. Licensee MDPI, Basel, Switzerland. This article is an open access article distributed under the terms and conditions of the Creative Commons Attribution (CC BY) license (https://creativecommons.org/licenses/by/4.0/).
Share and Cite
Tong, M.; Liu, X.; Chen, Y.; Sun, L.; Xu, Z. A Multi-Functional Integrated Onboard Charger for Dual-Motor Driving EVs. Energies 2024, 17, 5276. https://doi.org/10.3390/en17215276
Tong M, Liu X, Chen Y, Sun L, Xu Z. A Multi-Functional Integrated Onboard Charger for Dual-Motor Driving EVs. Energies. 2024; 17(21):5276. https://doi.org/10.3390/en17215276
Chicago/Turabian StyleTong, Minghao, Xiaoqiang Liu, Yudong Chen, Le Sun, and Zhiyuan Xu. 2024. "A Multi-Functional Integrated Onboard Charger for Dual-Motor Driving EVs" Energies 17, no. 21: 5276. https://doi.org/10.3390/en17215276
APA StyleTong, M., Liu, X., Chen, Y., Sun, L., & Xu, Z. (2024). A Multi-Functional Integrated Onboard Charger for Dual-Motor Driving EVs. Energies, 17(21), 5276. https://doi.org/10.3390/en17215276

