A Theoretical Analysis of Meteorological Data as a Road towards Optimizing Wind Energy Generation
Abstract
1. Introduction
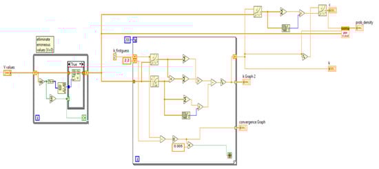
2. Materials and Methods
3. Results
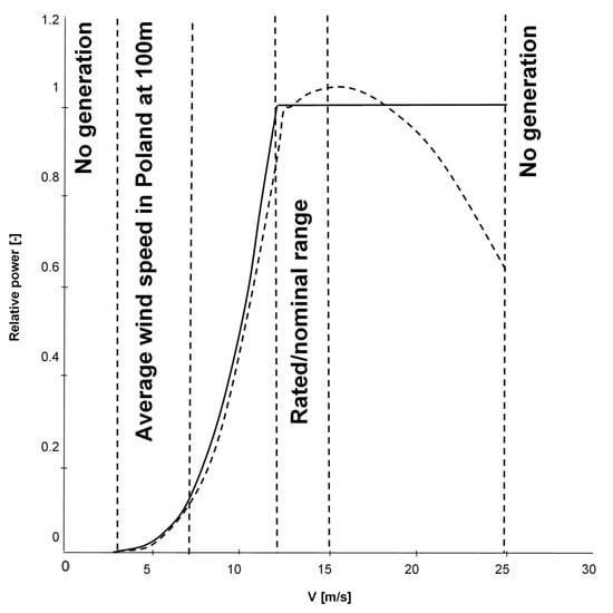
4. Wind Power Density Versus Wind Turbine Energy


5. Conclusions
Author Contributions
Funding
Data Availability Statement
Conflicts of Interest
References
- Caban, J.; Małek, A.; Šarkan, B. Strategic Model for Charging a Fleet of Electric Vehicles with Energy from Renewable Energy Sources. Energies 2024, 17, 1264. [Google Scholar] [CrossRef]
- Derkacz, A.J.; Dudziak, A.; Stopka, O.; Stopková, M. Profitability Determinants of Transport Service and Warehouse Enterprises: A Case Study from Poland. Period. Polytech. Transp. Eng. 2023, 51, 275–286. [Google Scholar] [CrossRef]
- Lotko, W.; Smigins, R.; Tziourtzioumis, D.; Górska, M. Environmental Aspects of a Common Rail Diesel Engine Fuelled with Biodiesel/Diesel Blends. Adv. Sci. Technol. Res. J. 2022, 16, 192–201. [Google Scholar] [CrossRef]
- Kurczyński, D.; Łagowski, P.; Wcisło, G. Experimental study into the effect of the second-generation BBuE biofuel use on the diesel engine parameters and exhaust composition. Fuel 2021, 284, 118982. [Google Scholar] [CrossRef]
- Waluś, K.J.; Warguła, Ł. Experimental Research on Kinematic Features of Agricultural Tractor Movement on Asphalt Pavement. Available online: https://www.matec-conferences.org/articles/matecconf/pdf/2022/04/matecconf_mms2020_05005.pdf (accessed on 19 February 2024).
- Peng, B.; Streimikiene, D.; Agnusdei, G.P.; Balezentis, T. Is sustainable energy development ensured in the EU agriculture? Structural shifts and the energy-related greenhouse gas emission intensity. J. Clean. Prod. 2024, 445, 141325. [Google Scholar] [CrossRef]
- Ovaere, M.; Proost, S. Cost-effective reduction of fossil energy use in the European transport sector: An assessment of the Fit for 55 Package. Energy Policy 2022, 168, 113085. [Google Scholar] [CrossRef]
- GlobEnergia. Germany Produced More Than 50% of Electricity from RES in 2023! Available online: https://globenergia.pl/niemcy-wyprodukowali-ponad-50-energii-elektrycznej-z-oze-w-2023/ (accessed on 19 February 2024).
- GlobEnergia. Portugal with Record Share of RES in Electricity Generation! Available online: https://globenergia.pl/portugalia-z-rekordowym-udzialem-oze-w-generacji-pradu/ (accessed on 19 February 2024).
- GlobEnergia. Wind in Sails for Offshore Wind Farms in Poland! Available online: https://globenergia.pl/wiatr-w-zagle-dla-morskich-elektrowni-wiatrowych-w-polsce/ (accessed on 19 February 2024).
- TouchWind. Consortium Starts Demonstration Project into Positive Wake Effects of TouchWind’s Floating Wind Turbine. Available online: https://touchwind.org/news/consortium-starts-demonstration-project-into-positive-wake-effects-of-touchwinds-floating-wind-turbine/ (accessed on 19 February 2024).
- Vestas. Wind Turbine Product Portfolio. Available online: https://us.vestas.com/en-us/products (accessed on 19 February 2024).
- Tests to Begin on a Counter-Rotating Floating Offshore Wind Turbine Concept. Available online: https://maritime-executive.com/article/tests-to-begin-on-a-counter-rotating-floating-offshore-wind-turbine-concept (accessed on 19 February 2024).
- GE Renewable Energy. Haliade-X Offshore Wind Turbine. Available online: https://www.ge.com/renewableenergy/wind-energy/offshore-wind/haliade-x-offshore-turbine (accessed on 19 February 2024).
- GE Renewable Energy. Cypress Onshore Wind Turbine Platform. Available online: https://www.ge.com/renewableenergy/wind-energy/onshore-wind/cypress-platform (accessed on 19 February 2024).
- Siemens Gamesa. SG 14-222 DD: The Winds of Change Have Never Been Stronger. Available online: https://www.siemensgamesa.com/products-and-services/offshore/wind-turbine-sg-14-222-dd (accessed on 19 February 2024).
- Li, D.; Zhang, Z.; Zhou, X.; Zhang, Z.; Yang, X. Cross-wind dynamic response of concrete-filled double-skin wind turbine towers: Theoretical modelling and experimental investigation. J. Vib. Control 2023, 1–13. [Google Scholar] [CrossRef]
- VENTUS Power Generator. Products & Services. Available online: https://ventus.group/products-services (accessed on 19 February 2024).
- EnVentus Platform Variants. Available online: https://www.vestas.com/en/products/enventus-platform (accessed on 19 February 2024).
- Polish Wind Power Plants. Available online: https://generatory-wiatrowe.pl/produkty/polskie-elektrownie-wiatrowe/ (accessed on 19 February 2024).
- Bošnjaković, M.; Katinić, M.; Santa, R.; Marić, D. Wind Turbine Technology Trends. Appl. Sci. 2022, 12, 8653. [Google Scholar] [CrossRef]
- Żurański, J.A.; Jaśpińska, B. Directional analysis of extreme wind speeds in Poland. J. Wind Eng. Ind. Aerodyn. 1996, 66, 13–20. [Google Scholar] [CrossRef]
- Simiu, E.; Scanlan, R.H. Wind Effects on Structures: An Introduction to Wind Engineering, 2nd ed.; John Wiley and Sons: New York, NY, USA, 1986. [Google Scholar]
- Gumbel, E.J. Statistics of Extremes, 1st ed.; Columbia University Press: New York, NY, USA, 1958. [Google Scholar] [CrossRef]
- Chmielewski, T.; Bońkowski, A.P. Wind as a natural hazard in Poland. Nat. Hazards Earth Syst. Sci. 2023, 23, 3839–3844. [Google Scholar] [CrossRef]
- Lorenc, H. Maksymalne Prędkości Wiatru w Polsce, 1st ed.; Instytut Meteorologii i Gospodarki Wodnej: Warszawa, Polska, 2012; pp. 5–94. Available online: https://bibliotekanauki.pl/books/2049055 (accessed on 19 February 2024).
- Belu, R. Assessment and Analysis of Offshore Wind Energy Potential. Available online: https://www.intechopen.com/chapters/74556 (accessed on 19 February 2024).
- Wei, J.; Hulio, Z.H.; Rashid, H. Site specific assessment of wind characteristics and determination of wind loads effects on wind turbine components and energy generation. Int. J. Energy Sect. Manag. 2018, 12, 341–363. [Google Scholar] [CrossRef]
- Harris, R.I.; Cook, N.J. The parent wind speed distribution: Why Weibull. J. Wind Eng. Ind. Aerodyn. 2014, 131, 72–87. [Google Scholar] [CrossRef]
- Jung, C.; Schindler, D.; Laible, J.; Buchholz, A. Introducing a system of wind speed distributions for modeling properties of wind speed regimes around the world. Energy Convers. Manag. 2017, 144, 181–192. [Google Scholar] [CrossRef]
- Kowalik-Pilarska, E. Wind Speed Parameters Estimation for Poland as a Result of Mezoscale Modelling. Available online: http://www.phd4gen.pl/wp-content/uploads/2021/06/22_06_2021_EKP_UZ3.pdf (accessed on 19 February 2024).
- Banuelos-Ruedas, F.; Camacho, C.A.; Rios-Marcuello, S. Methodologies Used in the Extrapolation of Wind Speed Data at Different Heights and Its Impact in the Wind Energy Resource Assessment in a Region. In Wind Farm—Technical Regulations, Potential Estimation and Siting Assessment; Intechopen: London, UK, 2011; Available online: https://www.intechopen.com/chapters/17121 (accessed on 19 February 2024). [CrossRef]
- PN-EN 1991-1-4; Impact on Constructions. The Effects of Wind. Available online: https://wiedza.pkn.pl/documents/28503/0/Eurokody_wprowadzenie_tablica_wrzesie%C5%84_2018.pdf/f91c2e0f-9b08-4d7c-96ed-2af3a5f57602 (accessed on 19 February 2024).
- Betz, A. Wind-Energie und Ihre Ausnutzung durch Windmühlen; Vandenhoeck und Ruprecht: Göttingen, Germany, 1926. [Google Scholar]
- Ragheb, M.; Ragheb, A.M. Wind Turbines Theory—The Betz Equation and Optimal Rotor Tip Speed Ratio. Available online: https://cdn.intechopen.com/pdfs/16242/InTechWind_turbines_theory_the_betz_equation_and_optimal_rotor_tip_speed_ratio.pdf (accessed on 19 February 2024).
- Santiago, G.; Hernandez, W.; Costa De Araujo, A.C.; Rosa, M.; González, M. Application of Product Development Process (PDP) in the Construction of Vertical Axis Wind Turbine with Movable Blades. Available online: https://www.academia.edu/42937714/Application_of_product_development_process_PDP_in_the_construction_of_vertical_axis_wind_turbine_with_movable_blades (accessed on 19 February 2024).
- Wind Turbine Control Methods. Available online: https://www.ni.com/en/solutions/energy/condition-monitoring/wind-turbine-control-methods.html (accessed on 31 May 2024).
- Flores, D.R.L.; Gómez, J.A.P.; Herrera, R.; Alvarado, M.S. Tracking Control of the Maximum Power Point (MPPT) in A Small Wind Turbine (SWT) for Isolated Residential Applications. Wseas Trans. Circuits Syst. 2013, 8, 253–261. [Google Scholar]
- Muñoz-Palomeque, E.; Sierra-García, J.E.; Santos, M. Wind turbine maximum power point tracking control based on unsupervised neural networks. J. Comput. Des. Eng. 2023, 10, 108–121. [Google Scholar] [CrossRef]
- Mihet-Popa, L.; Groza, V. Dynamic modeling, simulation and control strategies for 2 MW wind generating systems. Int. Rev. Model. Simul. 2010, 3, 1410–1418. [Google Scholar]
- Heier, S. Grid Integration of Wind Energy: Onshore and Offshore Conversion Systems, 1st ed.; John Wiley and Sons: New York, NY, USA, 1998. [Google Scholar]
- Koźmiński, C.; Michalska, B. Characterization of wind speed and calms in Poland. Acta Agrophysica 2002, 78, 111–132. Available online: https://agro.icm.edu.pl/agro/element/bwmeta1.element.agro-article-18ec9a36-3a7d-4f1d-8490-7a7ed28bfc05 (accessed on 19 February 2024).
- Hansen, L.H.; Helle, L.; Blaabjerg, F.; Ritchie, E.; Munk-Nielsen, S.; Binder, H.; Sorensen, P.; Bak-Jensen, B. Conceptual Survey of Generators and Power Electronics for Wind Turbines; Riso-r-1205(EN); Riso National Laboratory: Roskilde, Denmark, 2001. Available online: https://www.osti.gov/etdeweb/biblio/20262554 (accessed on 19 February 2024).
- Zöldy, M.; Baranyi, P.; Török, Á. Trends in Cognitive Mobility in 2022. Acta Polytech. Hung. 2024, 21, 189–202. [Google Scholar] [CrossRef]
- Strijhak, S.V.; Gergel, V.P.; Ivanov, A.V.; Gadal, S.Z. On the Problem of Choosing the Optimal Parameters for the Wind Farm in the Arctic Town of Tiksi. In Mathematical Modeling and Supercomputer Technologies; MMST 2020. Communications in Computer and Information Science, 1413; Springer: Cham, Switzerland, 2021; Available online: https://amu.hal.science/hal-03274909 (accessed on 19 February 2024). [CrossRef]







| Terrain Class | Terrain | alpha |
|---|---|---|
| 0 | Sea and coastal area exposed to the open sea | 0.11 |
| I | Lakes or area with negligible vegetation and without obstacles | 0.13 |
| II | Area with a low vegetation, such as grass and isolated obstacles (trees, buildings) with separations of at least 20 obstacle heights | 0.17 |
| III | Area with regular cover of vegetation or buildings or with isolated obstacles with separation of max. 20 obstacle heights (e.g., villages, suburbia, permanent forest) | 0.19 |
| Station | Longitude (E) | Latitude (N) | Hstation ASL | Hanemometer AGL | c | k | Vaverage | Vmax gust | WPD |
|---|---|---|---|---|---|---|---|---|---|
| - | [°] | [°] | [m] | [m] | [m/s] | [-] | [m/s] | [m/s] | [W/m2] |
| Kołobrzeg-Dźwirzyno | 15.389 | 54.158 | 4 | 11 | 8.53 | 1.779 | 7.59 | 29 | 591.35 |
| Łeba | 17.535 | 54.754 | 1 | 22.7 | 7.713 | 1.798 | 6.859 | 29 | 431.69 |
| Ustka | 16.854 | 54.588 | 3 | 22.7 | 7.758 | 1.877 | 6.887 | 28 | 415.50 |
| Zamość | 23.206 | 50.698 | 223 | 11 | 6.931 | 1.831 | 6.159 | 50 | 298.33 |
| Rzeszów-Jasionka | 22.042 | 50.111 | 206 | 10 | 6.585 | 1.814 | 5.854 | 27 | 258.62 |
| Kraków-Balice | 19.802 | 50.080 | 236 | 10 | 6.405 | 1.767 | 5.702 | 21 | 245.81 |
| Elbląg-Milejewo | 19.544 | 54.223 | 189 | 10 | 6.737 | 2.053 | 5.968 | 20 | 242.44 |
| Poznań-Ławica | 16.836 | 52.417 | 88 | 10 | 6.628 | 1.977 | 5.875 | 21 | 241.54 |
| Kalisz | 18.082 | 51.782 | 137 | 10 | 6.543 | 1.969 | 5.801 | 19 | 232.08 |
| Świnoujście | 14.242 | 53.923 | 4 | 20 | 6.175 | 1.836 | 5.486 | 26 | 215.06 |
| Kętrzyn | 21.369 | 54.068 | 107 | 10 | 6.075 | 1.773 | 5.407 | 21 | 212.05 |
| Bielsko-Biała | 19.001 | 49.808 | 396 | 14.2 | 5.928 | 1.704 | 5.288 | 25 | 201.16 |
| Racibórz | 18.192 | 50.062 | 206 | 10 | 5.808 | 1.706 | 5.181 | 23 | 193.12 |
| Włodawa | 23.529 | 51.553 | 177 | 12 | 6.194 | 2.027 | 5.488 | 23 | 190.54 |
| Kłodzko | 16.614 | 50.437 | 356 | 10 | 5.344 | 1.482 | 4.831 | 23 | 187.33 |
| Łódź-Lublinek | 19.400 | 51.723 | 174 | 10 | 5.665 | 1.697 | 5.055 | 22 | 181.33 |
| Hala Gąsienicowa | 20.006 | 49.244 | 1523 | 10.4 | 5.593 | 1.53 | 5.038 | 32 | 179.28 |
| Gdańsk-Świbno | 18.934 | 54.334 | 7 | 20.2 | 6.028 | 2.036 | 5.341 | 24 | 178.24 |
| Sulejów | 19.864 | 51.353 | 188 | 11 | 5.671 | 1.733 | 5.054 | 22 | 176.44 |
| Koszalin | 16.156 | 54.204 | 33 | 10.5 | 5.807 | 1.924 | 5.151 | 23 | 168.75 |
| Legnica | 16.208 | 51.193 | 123 | 11 | 5.494 | 1.728 | 4.896 | 24 | 161.68 |
| Wrocław-Strachowice | 16.900 | 51.103 | 120 | 11 | 5.512 | 1.751 | 4.909 | 20 | 160.26 |
| Hel | 18.812 | 54.604 | 1 | 29.5 | 5.917 | 2.244 | 5.24 | 27 | 154.15 |
| Warszawa-Okęcie | 20.961 | 52.163 | 106 | 10 | 5.678 | 1.97 | 5.03 | 18 | 152.12 |
| Chojnice | 17.533 | 53.715 | 164 | 15 | 5.579 | 2.008 | 4.94 | 22 | 140.72 |
| Mława | 20.361 | 53.104 | 147 | 10.7 | 5.362 | 1.85 | 4.76 | 20 | 137.45 |
| Leszno | 16.535 | 51.836 | 91 | 16 | 5.246 | 1.823 | 4.66 | 23 | 131.72 |
| Krosno | 21.769 | 49.707 | 330 | 10 | 5.23 | 1.976 | 4.64 | 19 | 115.80 |
| Słubice | 14.619 | 52.349 | 53 | 10 | 5.232 | 2.112 | 4.63 | 23 | 111.53 |
| Lublin-Radawiec | 22.394 | 51.217 | 238 | 10.2 | 5.01 | 1.862 | 4.45 | 79 | 110.15 |
| Mikołajki | 21.589 | 53.789 | 127 | 18.4 | 5.174 | 2.121 | 4.58 | 23 | 106.91 |
| Suwałki | 22.949 | 54.131 | 184 | 15 | 5.081 | 2.041 | 4.50 | 19 | 104.70 |
| Szczecin | 14.623 | 53.395 | 1 | 24.1 | 4.906 | 1.995 | 4.35 | 24 | 98.00 |
| Katowice-Muchowiec | 19.033 | 50.241 | 278 | 10 | 4.639 | 1.71 | 4.14 | 18 | 97.30 |
| Jelenia Góra | 15.789 | 50.900 | 342 | 16 | 4.264 | 1.526 | 3.84 | 21 | 90.37 |
| Gorzów Wielkopolski | 15.277 | 52.741 | 71 | 10 | 4.857 | 2.197 | 4.30 | 21 | 85.94 |
| Lesko | 22.342 | 49.466 | 420 | 10 | 4.575 | 1.815 | 4.07 | 20 | 84.88 |
| Siedlce | 22.245 | 52.181 | 152 | 11.8 | 4.608 | 1.955 | 4.09 | 18 | 81.77 |
| Opole | 17.969 | 50.627 | 163 | 10 | 4.416 | 1.834 | 3.92 | 18 | 77.28 |
| Terespol | 23.621 | 52.078 | 133 | 11.8 | 4.629 | 2.101 | 4.10 | 17 | 77.08 |
| Zielona Góra | 15.524 | 51.930 | 192 | 11 | 4.762 | 2.314 | 4.22 | 21 | 76.56 |
| Toruń | 18.595 | 53.042 | 69 | 10 | 4.626 | 2.153 | 4.10 | 19 | 75.68 |
| Olsztyn | 20.423 | 53.771 | 133 | 16.4 | 4.514 | 2.089 | 4.00 | 21 | 71.94 |
| Kielce-Suków | 20.692 | 50.810 | 260 | 10 | 4.244 | 1.824 | 3.77 | 18 | 68.50 |
| Wieluń | 18.558 | 51.211 | 199 | 10 | 4.367 | 2.035 | 3.87 | 16 | 66.20 |
| Kozienice | 21.543 | 51.565 | 123 | 11 | 4.197 | 1.925 | 3.72 | 18 | 63.01 |
| Piła | 16.748 | 53.131 | 72 | 10 | 4.093 | 1.997 | 3.63 | 18 | 56.48 |
| Białystok | 23.162 | 53.107 | 148 | 15 | 3.728 | 2.165 | 3.30 | 16 | 39.14 |
| Zakopane | 19.960 | 49.294 | 852 | 15.1 | 3.554 | 3.298 | 3.19 | 24 | 24.68 |
Disclaimer/Publisher’s Note: The statements, opinions and data contained in all publications are solely those of the individual author(s) and contributor(s) and not of MDPI and/or the editor(s). MDPI and/or the editor(s) disclaim responsibility for any injury to people or property resulting from any ideas, methods, instructions or products referred to in the content. |
© 2024 by the authors. Licensee MDPI, Basel, Switzerland. This article is an open access article distributed under the terms and conditions of the Creative Commons Attribution (CC BY) license (https://creativecommons.org/licenses/by/4.0/).
Share and Cite
Orynycz, O.; Ruchała, P.; Tucki, K.; Wasiak, A.; Zöldy, M. A Theoretical Analysis of Meteorological Data as a Road towards Optimizing Wind Energy Generation. Energies 2024, 17, 2765. https://doi.org/10.3390/en17112765
Orynycz O, Ruchała P, Tucki K, Wasiak A, Zöldy M. A Theoretical Analysis of Meteorological Data as a Road towards Optimizing Wind Energy Generation. Energies. 2024; 17(11):2765. https://doi.org/10.3390/en17112765
Chicago/Turabian StyleOrynycz, Olga, Paweł Ruchała, Karol Tucki, Andrzej Wasiak, and Máté Zöldy. 2024. "A Theoretical Analysis of Meteorological Data as a Road towards Optimizing Wind Energy Generation" Energies 17, no. 11: 2765. https://doi.org/10.3390/en17112765
APA StyleOrynycz, O., Ruchała, P., Tucki, K., Wasiak, A., & Zöldy, M. (2024). A Theoretical Analysis of Meteorological Data as a Road towards Optimizing Wind Energy Generation. Energies, 17(11), 2765. https://doi.org/10.3390/en17112765

