Abstract
Anaerobic membrane bioreactor (AnMBR) technology is emerging as an alternative to conventional anaerobic treatment due to its complete biomass retention, short start-up time, high effluent quality, and small footprint. This paper provides a general overview of the application of AnMBRs for industrial and municipal wastewater treatment. The potential benefits of AnMBRs are discussed, such as the degradation of organic matter for energy production, the concentration of nutrients for subsequent reclamation, or the effective removal of organic contaminants for water reuse. To explore the technology for energy-neutral wastewater treatment, the recovery of methane, hydrogen, and ethanol is summarized, highlighting the problems of dissolution of methane in permeate and competition between sulfate-reducing bacteria and methanogens for organic matter. Recovery of water and nutrients for reuse, e.g., for algae production, is reported. Since membrane fouling remains a challenge in membrane operation and leads to increased operation and maintenance costs, methods to reduce fouling are highlighted. Future research prospects related to the application of AnMBR in resource recovery plants and fouling management are emphasized.
1. Introduction
Anaerobic membrane bioreactors (AnMBRs) combine anaerobic biological processes and solid–liquid separation by membranes. Complete biomass retention can be achieved by using microfiltration (MF) or ultrafiltration (UF) modules with membranes made of polymers, ceramics, and metals. This allows solid retention time (SRT) long enough for slow-growing methanogens to develop. As a result, the start-up time of AnMBRs can be several times shorter (<2 weeks) than in conventional anaerobic reactors that retain biomass in the form of granules or biofilm [1].
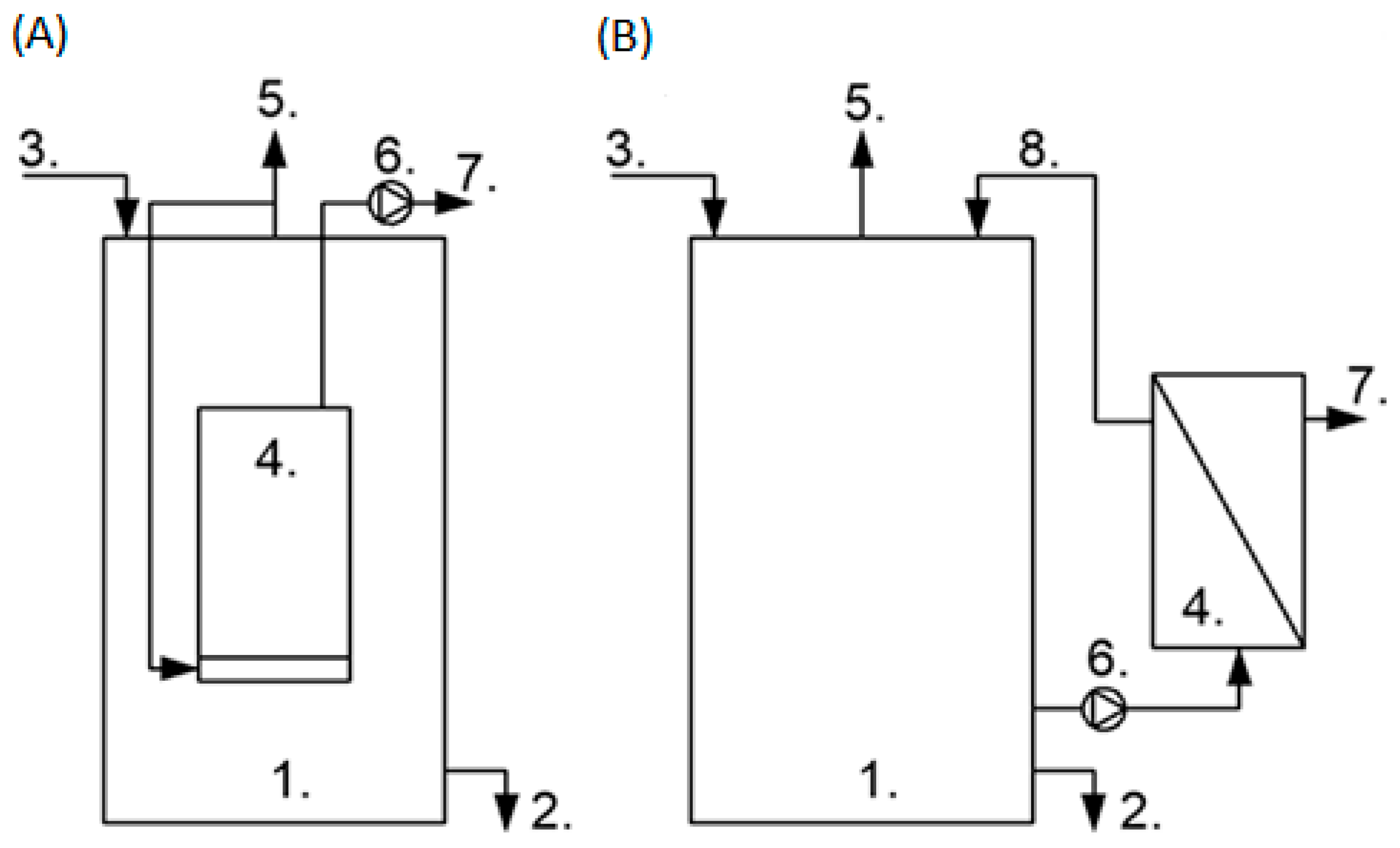
In AnMBRs, submerged configuration (Figure 1A) and external (side-stream) configuration (Figure 1B) are used. In the submerged configuration, where the membrane is located inside the reactor, less energy is consumed and operating conditions, including permeate flux, are milder due to lower velocities. The external configuration with integrated membrane filtration in an external loop provides higher fluxes and easier membrane replacement; however, energy consumption is higher and biomass activity may be reduced due to the high cross-flow velocity. Ten of eleven pilot-scale AnMBRs used systems consisting of an anaerobic reactor and an external membrane tank [2]. In conventional AnMBRs, the membrane modules are accompanied by bioreactors such as a completely stirred tank reactor, an up-flow anaerobic sludge blanket reactor, an expanded granular sludge bed reactor, or an anaerobic fluidized-bed membrane bioreactor [3].
Figure 1.
Submerged (A) and external (B) configuration of AnMBR; 1—anaerobic bioreactor, 2—excess sludge, 3—feed, 4—membrane module, 5—biogas, 6—pump, 7—permeate, 8—retentate.
The main factor limiting the widespread use of AnMBRs on a large scale is membrane fouling, which leads to flux decline. Due to the high viscosity, high mixed liquor suspended solids (MLSS) concentration, long SRT, and often long hydraulic retention time (HRT) required to treat complex wastewater, membrane fouling is more prevalent in AnMBRs than in aerobic MBRs. As a result, permeate flux in AnMBRs (5–12 L/(m2·h)) is significantly lower than in aerobic MBRs (20–30 L/(m2·h)) in full-scale facilities [4,5]. In general, the reasons for membrane fouling are the deposition of sludge particles and the adsorption of dissolved organic matter on the membrane surface. This decreases the permeability of the membrane, increases the frequency of membrane cleaning, and thus shortens the membrane life. Fouling in AnMBRs is affected by (1) sludge properties (MLSS, the amount of soluble microbial products (SMP) and extracellular polymers (EPS), particle size distribution, microbial species composition), which is influenced by substrate characteristics (mainly soluble/particulate COD) and bioreactor operation (SRT, organic loading rate (OLR), food to microorganism ratio (F/M), temperature); (2) membrane properties (material, pore size, hydrophobicity, surface charge, roughness); and (3) membrane operation (flux, cleaning, shear rate) [6]. Among the major energy-consuming activities in AnMBRs (operation of the biological reactor, fouling control, liquid circulation between and within reactors, operation of pumps), energy expenditure to fouling control is considered the largest energy consumer in AnMBRs [2,7]. For example, over 70% of the energy requirement is used for fouling control when biogas sparging is used [2]. Therefore, it is important to optimize the fouling reduction methods to make AnMBRs energy efficient. However, since no energy is required for aeration, the energy demand of AnMBRs in secondary wastewater treatment is still low [8].
Due to high effluent quality, energy production, low sludge production, low impact of influent fluctuations on reactor performance, and small footprint, AnMBRs have been used to treat various industrial wastewater. Municipal wastewater is not considered suitable for anaerobic treatment due to its low organic load. Although there are still some challenges to overcome to make AnMBR technically and economically feasible, including low methane yield, high methane loss in wastewater, and high capital requirements [9], the application of AnMBR for municipal wastewater treatment is close to full-scale implementation [10]. Especially since AnMBRs allow wastewater to be treated at psychrophilic temperatures where increased methane solubility results in energy losses [11]. Other reasons that anaerobic treatment was rarely used for municipal wastewater were the difficulties in retaining the slow-growing methanogenic microorganisms when treating low-strength wastewater at short HRT and in meeting the effluent standards in terms of nitrogen. The introduction of a membrane section leading to the size exclusion of solids and their complete retention allows independent control of SRT and HRT, resulting in methanogens being retained in the biomass at short HRT [12]. This property allows expanding the application of AnMBRs in the treatment of municipal wastewater. In anaerobic processes, nutrients are partially used for biomass growth and converted to soluble forms (ammonia and phosphate), resulting in high concentrations in the effluent. Subsequently, recovery of the nutrients (e.g., for fertilizer production) or downstream treatment is required if the effluent is to be reused. Since most organic matter is converted to methane, conventional nitrification/denitrification is not effective for AnMBR effluents. Anaerobic ammonia oxidation (Anammox), ion exchange, or use as fertilizer can be employed [13]. Phosphorus can be used as fertilizer after chemical precipitation. In addition, AnMBRs have a high potential for water reuse because they remove a wide range of trace organic pollutants [14,15].
The literature highlights the benefits of AnMBRs, such as effective degradation of organic compounds to produce methane-rich biogas for resultant energy production, effective removal of organic micropollutants for water reuse, and concentrating nutrients for subsequent recovery. Despite the demonstrated efficient and stable wastewater treatment even under psychrophilic conditions, there are still critical limitations, such as membrane fouling and high capital and operating costs, that hinder the widespread adoption of AnMBRs. This paper addresses the improvement of anaerobic digestion of wastewater using AnMBRs, with special attention to the recovery of not only methane but also hydrogen and methanol. In addition, the recovery of water, nitrogen, and phosphorus is discussed. As an example of integrated methods to improve the sustainability of wastewater treatment, the coupling of bioelectrochemical technology and membrane technology with AnMBRs-microbial fuel cells (MFCs) as one of the representatives, is reviewed. Some obstacles to the application of AnMBRs are discussed, including temperature limitations, low nutrient removal efficiency, membrane fouling, problems with dissolution of methane in the permeate, and competition for organic matter between sulfate-reducing bacteria and methanogens. New methods to reduce fouling are presented. Future research perspectives for the development of AnMBR technology are proposed.
2. Anaerobic Membrane Bioreactors—Wastewater Treatment and Biogas Production
AnMBRs can achieve excellent COD removal (>99%) and biogas production at OLR up to 40 kg COD/(m3·d), making their potential comparable to that of high-rate up-flow anaerobic sludge blanket reactors [16].
2.1. Industrial Wastewater
AnMBRs have been used to treat various industrial wastewater with high organic load, for example, from food processing [17,18,19,20,21], the paper industry [22], textile production [23], or pharmaceutical wastewater [24]. Since the use of AnMBRs for the treatment of industrial wastewater has been extensively covered in numerous reports, some examples of such applications are listed in Table 1.
The data presented indicate the possibility of energy-positive treatment of food wastewater with AnMBRs. In the treatment of meat-processing wastewater, the permeate flux was stable at an OLR between 0.4 and 1.3 kg COD/(m3·d); increasing the OLR to 3.2 kg COD/(m3·d) resulted in unrecoverable fouling. Methane yields were 33–38% of influent COD and the system produced a net energy benefit of 0.16–1.82 kWh/m3 [19]. From the leachate of food waste stabilization at 21–22 °C, 86 ± 3% of COD was removed at an HRT of 13 d and an SRT of 75 d; biogas recovery was 850 kWh/t [25].
Table 1.
Examples of AnMBR applications for the treatment of industrial wastewater.
Table 1.
Examples of AnMBR applications for the treatment of industrial wastewater.
| Type of Reactor | Type of Wastewater | Operating Conditions | COD Removal (%) | Biogas Production (L CH4/g CODremoved) | Reference |
|---|---|---|---|---|---|
| Submerged AnMBR | Kraft evaporator condensate | OLR 1–7 kg COD/(m3·d) Temperature 55 ± 1 °C | 85–97 | 0.35 ± 0.10 | [26] |
| Submerged AnMBR | Meat-processing wastewater | OLR 0.4–3.2 kg COD/(m3·d) | 88–95 | 0.13–0.18 | [19] |
| Submerged AnMBR | Coffee processing wastewater with waste activated sludge | OLR 0.87–9.16 kg COD/(m3·d) | 92 ± 3 | 0.28 | [21] |
| HRT 10 d | |||||
| MLSS 50 g/L | |||||
| External AnMBR | Pharmaceutical wastewater | Flux 8.4 L/(m2·h) | 78 | 0.60 | [24] |
| OLR 2.5 g COD/(L·d) | |||||
| HRT 1.7–5, 3–3.5 d | |||||
| SRT 120–450 d | |||||
| Temperature 35–37 °C | |||||
| Submerged AnMBR | Paper mill wastewater | Flux 7.2 L/(m2·h) | 98 | - | [22] |
| OLR 7.0 kg COD/(m3·d) | |||||
| HRT 35 h | |||||
| SRT 40 d | |||||
| MLSS 12.9 g/L | |||||
| Temperature 21 °C | |||||
| AnMBR | Brewery wastewater | Flux 8.64 ± 0.69 L/(m2·h) | 99 | 0.53 ± 0.02 | [20] |
| OLR 3.5–11.5 kg COD/(m3·d) | |||||
| HRT 44 h | |||||
| MLSS 2.8 g/L | |||||
| Temperature 35 °C | |||||
| Submerged AnMBR | Textile wastewater | Flux 1.8–14.4 L/(m2·h) | 90 | - | [23] |
| HRT 24 h | |||||
| pH 6.8–7.2 | |||||
| Temperature 35 °C | |||||
| External AnMBR | Bamboo wastewater | Flux 33.4–16.2 L/(m2·h) | 89.1 ± 3.1 | 10.30 ± 0.80 L/d | [27] |
| OLR 6 kg COD/(m3·d) | |||||
| HRT 3 d | |||||
| MLSS 16 g/L | |||||
| Temperature 32 ± 2 °C | |||||
| Submerged AnMBR | Tannery wastewater | OLR 6 kg COD/(m3·d) | 90 | 0.16 L biogas/g CODrem | [28] |
The high efficiency of food processing wastewater treatment in AnMBR is due to the fact that this system easily adapts to lipids by stimulating biomass growth and activity. Increasing the oleate-Na from 0 to 2 g/L decreased the total organic carbon (TOC) removal for a few days and then recovered to over 90% [29]. These fluctuations were consistent with biogas and methane production (which were maintained at 0.61 and 0.41 L/g COD, respectively). Increasing oleate-Na to 4 g/L reduced TOC removal to 62% and biogas production to 0.083 L/g COD due to accumulation of volatile fatty acids (VFAs) and inhibition of Methanosarcina.
Although numerous case studies indicate the excellent performance of AnMBRs and the ease of adaptation of the microorganisms to environmental conditions, it should be considered that some toxic compounds may cause deflocculation of the sludge, leading to deterioration of the membrane flux. In this case, pretreatment may be necessary [26].
2.2. Municipal Wastewater
Despite low organic strength, heavy membrane fouling, and inefficient energy recovery, AnMBRs have emerged as a potential treatment technology for municipal wastewater because they completely retain anaerobic microorganisms, producing a high-quality effluent and generating energy that partially compensates for its consumption. Another advantage is the low biosolid production; regardless of temperature (between 8 and 30 °C), it was 0.051 g VSS (volatile suspended solids)/g CODremoved [30] or 0.04–0.09 g VSS/g COD [8]. There are numerous literature data on the efficiency of AnMBRs for treating municipal wastewater (Table 2); however, the energy potential of low organic strength wastewater, which is required to evaluate the energy independency of AnMBRs, is not well documented. Researchers indicate that AnMBRs could be energy neutral or even positive despite the 0.08–0.35 kWh/m3 required for fouling control [8].
In general, AnMBRs are able to remove more than 85% COD and 99% of total suspended solids (TSS), while the removal of total nitrogen (TN) or total phosphorus (TP) is usually negligible, and therefore downstream treatment is required if the effluent is to be reused [1]. Hydrolysis of particulate organic matter accumulated in the membrane and cell decay can increase TN and TP levels [31]. In terms of COD, TSS, and the number of pathogens, the effluents meet the more stringent discharge standards than conventional anaerobic treatment [32], while the low removal of TN and TP could be beneficial if the effluents are to be used for agriculture or irrigation. To increase the performance of AnMBR, it was equipped with a forward osmosis membrane, which removed >96% of organic carbon, almost 100% of TP, and 62% of ammonia nitrogen; methane production was 0.21 L CH4/g CODremoved [33].
The use of AnMBRs in domestic wastewater treatment is very promising at low and ambient temperatures. Efficient COD removal (>90%) and consumption of 70% of the influent COD for methane production were achieved even at temperatures of 9–11 °C [2]. Similarly, at psychrophilic conditions (18 °C), 90% COD removal was achieved without the need for membrane cleaning during three years of continuous operation [34].
Table 2.
Examples of AnMBR applications for the treatment of municipal wastewater.
Table 2.
Examples of AnMBR applications for the treatment of municipal wastewater.
| Type of Reactor | Operating Conditions | COD Removal (%) | Biogas Production | Reference |
|---|---|---|---|---|
| Anaerobic fluidized membrane bioreactor | Flux 4.1–7.5 L/(m2·h) | 94% (COD) 98% (BOD) | n.m. | [30] |
| HRT 4.6–6.8 h | ||||
| Temperature 8–30 °C | ||||
| External AnMBR | Flux 6–14 L/(m2·h) | >90% (COD) | n.m. | [2] |
| OLR 0.4–3.0 kg COD/(m3·d) | ||||
| HRT 2.2–33 h | ||||
| SRT > 6.2 d | ||||
| Temperature 17.1–35 °C | ||||
| External AnMBR | Flux 10–14 L/(m2·h) | 87 ± 1% (COD) | 0.18–0.23 Nm3 CH4/kg CODrem | [31] |
| VLR 2–2.5 kg COD/(m3·d) | ||||
| HRT 7 h | ||||
| Temperature 18 ± 2 °C | ||||
| Submerged AnMBR | Flux 10–14 L/(m2·h) | 90% (COD) | 19.10 ± 0.84 mg CH4/L | [34] |
| VLR 1.6–2.0 kg COD/(m3·d) | ||||
| HRT 12.8–14.2 h | ||||
| Temperature 18 ± 2 °C | ||||
| Submerged AnMBR | Flux 2.75–17.83 L/(m2·h) | >90% (COD) >95% (BOD) | 0.25–0.27 L biogas/g CODrem; 75–81% methane in the biogas | [35] |
| HRT 6 h | ||||
| Temperature 25 °C | ||||
| Submerged AnMBR | Flux 6 L/(m2·h) | 87% (COD) | 0.12 L CH4/g CODrem | [36] |
| OLR 3.0 kg COD/(m3·d) | ||||
| HRT 2.2 h | ||||
| MLSS 10.9 g/L | ||||
| Temperature 35 °C |
VLR—volumetric loading rate; n.m.—not measured.
Although the performance of both AnMBR configurations used for municipal wastewater treatment is similar in terms of COD removal efficiency and biogas productivity, their fouling potentials differ significantly. Despite over 91% COD removal and methane yield of 160 L CH4/kg CODremoved in external and submerged AnMBRs, VFA accumulation was observed in the submerged AnMBR [37]. This was because more SMP and EPS were obtained in the mixed liquor and cake layer when the membrane was submerged in the fermenter, which increased the resistance of the cake layer and the fouling rate. Fouling was mainly caused by the deposition of low molecular weight biopolymers. In conclusion, external AnMBRs have better biomass quality and lower fouling tendency, making them a better solution for municipal wastewater treatment.
Another challenge related to the energetic effectiveness of AnMBRs arises from the low COD/sulfate ratio of the wastewater. The sulfate present in the influent reduces the available COD for methane production as the sulfate-reducing bacteria outcompete the methane-producing Archaea for the substrate. At a sulfate concentration >99 mg/L, methane yield (0.08–0.15 L CH4/g COD) was lower than at low-sulfate concentrations, where it reached 0.22 L CH4/g COD [2]. The importance of the COD/sulfate ratio is greatest at low COD (<300 mg/L) [8]. According to Lei et al. [8], the use of AnMBRs for the treatment of low-sulfate wastewater or municipal wastewater other than sulfate-rich provides cost savings of up to 28%.
AnMBRs show high efficiency in treating streams with high solids content. Their use has been studied for the treatment of sewage sludge under mesophilic (35 °C) and thermophilic (55 °C) conditions [38]. A reduction of digester volume was possible, compared to conventional anaerobic systems due to efficient treatment at OLRs of 6.4 and 4.6 kg COD/(m3·d) at 55 and 35 °C, respectively. Temperature differences distributed the inert COD to the soluble and particulate fractions. At 55 °C, a higher permeate flux was achieved due to lower viscosity. However, higher SRT increased irreversible fouling.
3. Wastewater Treatment with AnMBRs—Recovery of Energy
3.1. Methane Production and Recovery
Biogas produced in AnMBRs typically contains 70–88% methane, 3–15% carbon dioxide, and 0–15% nitrogen; however, 80–90% methane has also been observed [26]. Biogas production ranges from 0 to 220 L/d in pilot-scale plants, while it can be as high as 800 Nm3/d in full-scale facilities [39]. It has been demonstrated that for energy-efficient AnMBR performance and for energy recovery, the OLR should be 0.43–0.90 kg COD/(kg VSS·d) and the SRT should be 50 d to infinity [40]. To achieve energy-neutral operation, the fluxes should be between 8.3 and 9.5 L/(m2·h) at 35 °C and between 6.0 and 6.7 L/(m2·h) at 25 °C.
The AnMBRs, where HRT and SRT are decoupled, physically retaining the solids prevents the loss of methane bound to the biomass particles [41]. This results in greater transfer of dissolved methane to the reactor headspace and concentrations of dissolved methane approaching thermodynamic equilibrium. Even at this equilibrium, large amounts of dissolved methane can be lost due to the large volume of water flowing through the system. For example, the dissolved methane concentrations that were 1.009 times the thermodynamic equilibrium concentration resulted in a loss of 43% of the total methane produced as dissolved methane in the effluent [42]. Methane losses via permeate can reach 24–58% [43], 45% [44], 63% [11], or 67% [45] of the total methane produced.
The loss of methane due to its solubility in wastewater is particularly important in the treatment of low-strength municipal wastewater due to the high methane solubility in the effluent and process limitations due to inhibiting substances [5]. The presence of dissolved methane in the permeate contributes to global warming, as the greenhouse effect of methane is about 25 times higher than that of carbon dioxide [46], and reduces the energy efficiency of the process, thus reducing the advantage of AnMBRs as energy-efficient systems. Compared to high-rate activated sludge with anaerobic digestion, conventional activated sludge with anaerobic digestion, and an aerobic MBR with anaerobic digestion for domestic wastewater treatment at 15 °C, AnMBRs had the highest impact on global warming [47].
Methane loss is related to OLR. Dissolved methane was only 3.4–11% of the input COD [19]. Its lowest accumulation was observed at the highest OLR of 3.2 kg COD/(m3·d), where the biogas production rate was the highest. Dissolved methane in AnMBR effluent accounted for 25–67% of the total methane content at temperatures of 15–25 °C [8]. According to Henry’s law, the solubility of methane increases with decreasing temperature, which makes psychrophilic treatment more difficult. The dissolved methane was 1.5 times higher at 15 °C than at 35 °C [1].
Large differences in biogas production in different municipal wastewater treatment reactors (from 0.128 to 0.90 L/(Lreactor·d)) result from the fact that dissolved methane in the permeate was not considered in some studies [8]. To achieve energy-neutral or energy-positive wastewater treatment and reduce greenhouse gas emissions through the use of AnMBRs, the dissolved methane must be captured with minimal energy input. Without these treatments, methane dissolution in the permeate is still a critical limiting factor for the use of AnMBRs for low-strength wastewater.
Methods for removing or recovering dissolved methane from anaerobic permeates include biological oxidation, aeration, air stripping, and membrane-based recovery.
Biological oxidation uses methane-oxidizing bacteria. They were used in a down-flow hanging sponge (DHS) reactor inoculated with activated sludge [48]. To provide oxygen, the aeration rate was 3.8–10 m3air/(m3·d). With the lowest aeration and an HRT of 2 h, 95% methane removal was achieved at a rate of 0.2 kg CH4/(m3·d). At the highest aeration and an HRT of 0.5 h, the efficiency decreased to 60%, but the removal rate increased to 0.55 kg CH4/(m3·d). Methane oxidation occurred preferentially over ammonium oxidation. Aeration is usually provided by vacuum-packed towers, bubble columns, or forced draft aerators [49].
Membrane-based recovery of dissolved methane from anaerobic permeates is one of the solutions. It is based on the use of a dense membrane that separates the dissolved gas from the liquid. Although this recovery has been shown to be effective, the operating costs are higher for commercial processes than for conventional gas-stripping systems [8]. Membrane contractors (MC) are used, which achieve efficiencies close to 99% for short-term operation. For long-term operation, mass-transfer resistances must be reduced [50]. Hollow-fiber MC resulted in removal of more than 98.9% of dissolved methane [49]. For methane recovery, non-porous and microporous membranes were compared. Since AnMBR permeates have a very low residual organic content due to their higher COD removal efficiency, the use of microporous membranes is more effective as they can achieve recovery of up to 98.9% dissolved methane [11]. Among the proposed solutions for dissolved methane recovery, vacuum MCs are considered the most energy-efficient process. They require 0.009 kWh/m3 of energy [11].
To simplify the system and reduce the capital and operating costs of the AnMBr system, the removal of dissolved methane should be combined with the removal of nitrogen, which is described in Section 4.
3.2. Ethanol Production
Apart from methane, ethanol serves as a renewable fuel that can be used as an alternative to traditional fossil fuels. In the ethanol production system, a permselective membrane aims to separate the cells from the medium, thus increasing the concentration of biomass in the bioreactor, improving the removal of the inhibitor, or recovering the product. Mainly MF and UF membranes are used. The ethanol yield (92.7% of theoretical yield with a productivity of 20 g/(L·h)) from glucose was higher in AnMBRs than in conventional systems [51]. High concentration of the product (ethanol) may inhibit the process; it was removed in the membrane system. Tapioca hydrolysate, wood hydrolysate, lactose, and thin stillage wastewater have also been used effectively [51,52].
The possibility of in situ integration of pervaporation into the fermentor by using an ethanol-selective membrane on the wall surface of the bioreactor was investigated [53]. In this system, ethanol is selectively removed from the bioreactor through the membrane wall surface, which minimizes water consumption. Different membranes were tested. For example, a silicalite membrane was used to obtain an 85% (v/v) ethanol solution. Among the membranes used, the ethanol–water separation factors were in the following order: polydimethylsiloxane (PDMS) < poly(1-trimethylsilyl-1-propyne) (PTMSP) < composite membranes < zeolite membranes. Zeolite membranes are more expensive than polymer membranes (PDMS, PTMSP), but have higher separation efficiency and flow rate.
3.3. Hydrogen Production
Maintaining high cell density and decoupling SRT from HRT in AnMBRs help to improve hydrogen production. Hydrogen production can be achieved by inhibiting the methanogenesis phase, e.g., by manipulating hydrogen partial pressure, pH control, chemical inhibition, and promoting ferric-reducing conditions [20]. The hydrogen content in biogas can be as high as 62.6% [54].
The addition of iron and sulfur significantly affects dark fermentation for hydrogen production. Under mesophilic conditions in AnMBR, hydrogen production of 41.6 L/d was 1.59 times higher at 10.9 mg FeSO4/L than at 2.7 mg FeSO4/L [54].
The effect of OLR on hydrogen production was studied in an OLR range of 4–30 kg COD/(m3·d) [55]. Hydrogen yield was the highest at 22 kg COD/(m3·d). Hydrogen production in the AnMBR was 50% higher than in the CSTR, which was found to be overloaded. The results suggest that the AnMBR is preferable when operated near the OLR, which causes overloading in terms of substrate utilization. When brewery wastewater was treated in the submerged AnMBR, increasing the OLR from 30 to 60 kg COD/(m3·d) decreased the hydrogen production rate and yield due to the shift of metabolism to solventogenesis [56].
Regarding the effect of SRT on hydrogen production, it increased with increasing SRT; however, at an SRT of 90 d, it began to decrease [57]. This decrease was attributed to the low VSS/TSS ratio, a shift in metabolism to lactate, and a negative effect of EPS accumulation on microbial growth. It may also be caused by the formation of inhibitory by-products such as short-chain VFAs, alcohols, and the development of hydrogen-consuming microorganisms [58].
The instability of the process and the low hydrogen yield due to the incomplete conversion of the substrates hinder the introduction of biohydrogen production plants on an industrial scale. In this context, other membrane-based technologies besides AnMBRs are suitable to achieve high-rate biohydrogen production. These include microbial electrolysis cells (MECs) and downstream membrane-based technologies, such as electrodialysis (ED) [59].
3.4. Bioelectrochemical Processes Using Microbial Fuel Cells
Bioelectrochemical systems are represented by microbial fuel cells (MFCs). MFCs use electrochemically active microorganisms that donate electrons directly to an anode to oxide substrates, thereby generating electricity from energy contained in wastewater. Although MFCs have been extensively studied for municipal wastewater treatment, they were found to be insufficient to meet stringent wastewater quality requirements [60]. Therefore, MFCs have been combined with MBRs to generate electricity and treat wastewater. MBRs improve pollutant removal, while the electricity generated by MFCs reduces energy consumption during MBR operation. This integration leverages the advantages of both technologies to obtain better effluent, reduce membrane fouling, and create an energy-neutral system [61,62]. The maximum power density varies widely, reaching about 0.38 W/m2 anode area [62].
The MFC can serve as a pretreatment or post-treatment of the MBR (external configuration), or the MFC can be directly immersed in the MBR or vice versa. External configurations represent two-stage systems where wastewater is processed from one stage to another. In the internal system, the anode chamber of the MFC is immersed in the MBR, while the cathode chamber consists of an aeration tank of the MBR [63]. For example, the MFC was combined with a fluidized-bed AnMBR (external configuration), where > 94% COD and 80% ammonia were removed from municipal wastewater. To achieve a more compact design, better treatment efficiency, and less membrane fouling, the internal configuration is a more common solution. MBR modules were inserted into the anode or cathode chamber of the MFC to filter the water treated by the MFC [62]. For example, in two dual-chamber MFCs immersed in the MBR, simultaneous nitrification and denitrification occurred in the bio-cathode, achieving 84.3% of nitrogen removal [64].
In the treatment of domestic wastewater, the MFC-fluidized-bed AnMBR achieved 92.5% COD and almost complete TSS removal at a constant high permeate flux of 16 L/(m2·h); the energy of the methane produced was negligible (0.005 kWh/m3) [65]. In a system consisting of an AnMBR placed in the anaerobic cathode chamber of an MFC, the removal efficiencies of COD and nitrate were 91.6% and 94.8%, respectively, the electricity generated was 0.132 V, and the maximum power density was 1.16 W/m3 net cathodic chamber [66]. In the treatment of municipal wastewater, the optimum OLR was 6.25 kg COD/(m3·d) at an HRT of 1.9 h; the voltage and power were 0.13 V and 91 mW/m3, respectively [67].
To increase the energy production and pollutant removal efficiency, and to make the MFC-MBR system more compact and economical, some modifications were proposed. For example, in the system with the MF membrane modified with reduced graphene oxide 96.6%, 95.8%, and 94.7% of COD, ammonia, and TN removal were achieved, respectively, with electricity production of 349 mW/m2 [68]. To reduce the use of precious metals cathode catalyst and thus minimize the operating cost, electrodes were modified with a carbon foam-Fe-Co catalyst, C-Mn-Fe-O catalyst, polyaniline phytic acid, polypyrrole, and anthraquinone/polypyrrole composite [62]. Finally, some methods to reduce membrane fouling have been reported: electrostatic repulsion of the electric field force, the strong oxidation of hydrogen peroxide in cathode area, scrubbing effect of granular activated carbon or bubbles, and electrocoagulation at anode [69].
4. Wastewater Treatment with the AnMBR—Recovery of Nutrients and Water and Removal of Nutrients
Although AnMBRs can efficiently remove TSS and soluble COD, it is unable to process soluble nutrients. Approximately 60–80% of the nitrogen and phosphorus are released to the permeate as ammonium and phosphate, respectively [70]. According to Dai et al. [71], AnMBR can remove only 10% of TN. In particular, AnMBR permeates derived from the treatment of industrial wastewater (e.g., from the food industry) contain low COD and TSS concentrations but advantageously high nutrient concentrations (e.g., 317–403 mg N/L, 23–213 mg P/L [25]), which can be reused for landscape or liquid fertilizers.
To improve nutrient recovery, AnMBRs have been integrated with processes such as membrane processes [72], ion exchange [73], electrodialysis [74], adsorption on zeolites [75], photosynthetic bioreactor treatment [76], chemical precipitation, and bioelectrochemical systems [7].
Simultaneous removal of nitrogen and phosphorus was achieved by dynamic adsorption through a strongly basic anion exchange resin [73]. The total adsorption capacity for phosphorus was 85.4%. The removal of phosphorus was higher than that of nitrogen. It was assumed that ammonium ions and ammonia were not adsorbed onto the anion exchange resin. The small decrease in nitrogen concentration was probably caused by the presence of microorganisms in the wastewater. When adsorbed on natural zeolite, an ammonium exchange capacity of 3.6 mg N/g zeolite at 50 mg NH4+-N/L was observed [75]. For complete ammonium recovery, ammonia stripping, which is a desorption process, can be coupled with adsorption; ammonium ions are converted to gaseous ammonia at higher temperatures and pH [9]. For phosphate ions, low pH (<2.13) affects phosphate adsorption because orthophosphoric acid dominates phosphate and causes dissolution of adsorbents [9]. It has been reported that the desorbing solutions containing concentrated nutrients after adsorption can be directly used in agriculture or in the production of nutrient-based solids by chemical precipitation [77].
Precipitation of struvite, a slow-release fertilizer suitable for crops in soils with relatively low pH, is known as an existing nutrient recovery technology [74]. Recovery is limited by the phosphorus concentration in wastewater; effective struvite precipitation could only be achieved at >100 mg P/L. Moreover, struvite precipitation is limited by toxic heavy metal ions and emerging organic contaminants in wastewater. Instead, phosphorus is effectively recovered by chemical precipitation with FeCl3 [78].
Effluents from AnMBRs were treated in photobioreactors to remove or recover nutrients and recover water. Simultaneous removal of soluble organics (65%) and nitrogen (39%) was achieved [76]. By applying microalgae cultivation in field photobioreactors fed with nutrient-rich effluent (55.2 ± 15.6 mg N/L (ammonium), phosphate 6.8 ± 1.7 mg P/L (phosphate)) from an AnMBR fed with pre-treated wastewater, the nutrient concentration met the effluent standards [79]. In a membrane photobioreactor (MPBR) with a mixed culture of eukaryotic microalgae, higher nitrogen and phosphorus recovery rates were reported with a 10 cm light path compared to a 25 cm light path [80].
As membrane-based water and nutrient recovery, MF and UF with ceramic membranes were used for filtration of the liquid fraction of digestate to produce a permeate that serves as a source of water, nutrients, and microcomponents for cultivation of Chlorella vulgaris. The initial ammonium concentration in the culture medium most strongly influenced the growth of the microalgae [81,82].
To improve nutrient recovery efficiency and product quality, alternative processes with better selectivity have been developed. These include forward osmosis (FO), membrane distillation (MD), and electrodialysis (ED) [74]. In FO, a semipermeable membrane is placed between two solutions of different concentrations. FO uses the difference in osmotic pressure instead of hydraulic pressure to increase the permeation of water through the membrane. Ammonia removal of about 62% has been reported in FO [33]. MD is a thermally driven process that uses a microporous hydrophobic membrane to separate the aqueous feed stream from the distillate. At MD, only the vapor molecules of the feed pass through the pores of the membrane. MD achieves over 96% ammonia recovery. Because ED arranges ion-exchange membranes alternately in a direct current field, which is a driving force, it can selectively fractionate nutrients from wastewater into high-value products. ED selectively separates phosphate from wastewater containing various ions, achieving a phosphate concentration factor of up to 7 [74].
In MD with a hollow-fiber membrane operation for domestic wastewater treatment, increasing the temperature difference increased the permeate flux and decreased the rejection of ammonia nitrogen [83]. Organic matter and phosphate rejection was >90%, regardless of the transmembrane temperature. Long-term operation (over 50 d) at a transmembrane temperature of 30 °C and pH of 5.5 resulted in efficiencies of 98.7%, 98.1%, and 90.5% of ammonium nitrogen, phosphate, and dissolved organic carbon (DOC), respectively. However, progressive biofouling was reported, which significantly reduced the permeate flux. In MD for treating effluent from a thermophilic AnMBR, COD and ammonia removal exceeded 90% [72]. In an integrated system of moving sponge-AnOMBR/MD for treating municipal wastewater, NH4+-N rejection was found to be 98% at an effluent concentration of 0.95 mg/L [84]. In MD, almost complete rejection of phosphorus was observed [85]. A two-stage process was used for water and ammonia recovery [86]. In the first stage, monoammonium phosphate and diammonium phosphate solutions were used as the reusable ammonia absorbents. The ammonia removal efficiency was about 81% and the recovered ammonia solution was 1.05 mol/L. The water recovered in the second stage could be used as industrial or agricultural water. To expand the low application of MD in full-scale facilities worldwide, research is being conducted to produce membranes with high permeability, high hydrophobicity, excellent mechanical strength, low fouling rate, low thermal conductivity, and high liquid inlet pressure. Great expectations are placed on graphene-based nanomaterials such as graphene oxide and reduced graphene oxide [87].
An effective method of nitrogen recovery downstream of AnMBR treatment can be partial nitritation/nitrification combined with anaerobic ammonium oxidation (Anammox), a process that converts ammonium and nitrite to nitrogen gas. This technology has become increasingly important as a cost-effective approach to nitrogen recovery in contrast to conventional nitrification/denitrification processes. In this autotrophic process, NH4+ acts as an electron donor, so no additional carbon source/electron donor is required for denitrification. The nitrogen removal efficiency of Anammox-based processes in AnMBR permeate treatment can exceed 90% [88,89]. Nitrogen removal can also be combined with methane production. By using a membrane-based process combining anaerobic digestion and nitritation–Anammox under ambient temperature to treat municipal wastewater, a stable methane yield (0.223 L CH4/g CODremoved) was achieved with a TN removal efficiency of 81% [71]. However, when the nitritation–Anammox process is operated, the methane composition in the biogas is lower than other types of AnMBRs due to the accumulation of produced N2 [90]. On the other hand, if a post-Anammox process is added, the remaining dissolved methane can be used for denitrification. This can both solve the problems caused by dissolved methane in effluent and help to remove the nitrate nitrogen produced in the Anammox process, thus removing organic matter and nitrogen simultaneously [71]. In addition, the feed for the Anammox-AnMBR process is rich in ammonia, which can inhibit methane production. Therefore, further studies are needed to maximize methane yield from these systems.
For the simultaneous removal of nitrogen and dissolved methane, methane oxidation combined with denitrification, using methane and nitrate as electron donor and acceptor, respectively, is considered a reliable control process. A mixing ratio of 20% methane at a pressure of 0.003 atm was used in the treatment of domestic wastewater [91]. At HRT of 4 h, the nitrate concentration was reduced fivefold, and a methane concentration of 3.3 mg/L was detected in the effluent. The presence of Methylocystis capable of oxidation of methane associated with denitrification, Methylococcus capable of methane oxidation, and Escherichia capable of nitrate reduction, showed microbial syntrophy between methanotrophs and denitrifiers in the treatment of diluted wastewater. Similarly, the methane and nitrogen metabolic pathway with synergism of the nxrAB, narGHI, nasAB, pmo-amoABC, and mmo genes with the dominant dissimilatory reduction pathway enabled 95% nitrogen removal [92]. In such systems, a low O2/CH4 ratio favored the growth of methanotrophs and heterotrophic nitrification-aerobic denitrification bacteria and allowed ammonia removal rates up to 95 mg/(L⋅d) [93].
5. Fouling Control
Although AnMBRs are considered promising systems for wastewater treatment and energy recovery, the energy requirement for fouling control still needs to be reduced to achieve an energy-neutral system. The energy demands for fouling control are a significant barrier to energy-neutral wastewater treatment, especially for low organic strength wastewater. Domestic wastewater, for example, typically generates a grid electricity output of 0.15 to 0.3 kWh/m3 of treated wastewater [94].
AnMBRs routinely use biogas sparging for fouling control, because biogas bubbles generate turbulence that greatly reduces the attachment of small flocs to the membrane and prevents the formation of a cake layer, thereby reducing membrane fouling [90]. In submerged systems, biogas sparging consumes 0.03–5.7 kWh/m3 of treated wastewater, whereas in external systems, it consumes 0.23–16.52 kWh/m3 of treated wastewater, depending on cross-flow velocity and biomass concentration [94]. However, much lower values of energy demand for membrane fouling control (0.08–0.35 kWh/m3) are reported, even when biogas sparging is used as the main fouling control measure [8]. When biogas sparging is used, the membrane fouling rate is significantly reduced to 0.25 kPa/d [8].
In addition to biogas sparging, rotating membrane and particle sparging have also been used as scouring methods [2]. In the rotating membrane systems, the rotation of the membrane module creates turbulence that reduces the deposition of fouling materials on the membrane surfaces. The energy requirement for fouling control was in the order of gas sparging > particle sparging > rotating membrane AnMBR [2].
In particle sparging AnMBRs (called anaerobic fluidized membrane bioreactors), fluidizing granular activated carbons (GACs) serve as carriers for microorganisms and as a medium for scouring the membrane surface. The fluidized AnMBR operated continuously for 485 days (fluxes of 4.1 to 7.5 L/(m2·h)) without requiring chemical cleaning of the membranes treated primary-settled domestic wastewater. Operational energy requirement for fouling control in these reactors (0.23 kWh/m3) could be met with primary and secondary methane production [30]. Fluidized GAC resulted in 55–120% longer membrane run times between chemical cleanings and reduced energy demands by 98–99% compared to conventional membranes [95]. The addition of bamboo charcoal to the AnMBR lowered the SMP content by about 62.73 mg/L and decreased the membrane resistance [74].
Newly developed configurations for membrane fouling mitigation include forward osmosis (FO) used in AnMBR systems (known as anaerobic osmotic membrane bioreactor (AnOMBR)), placement of a membrane module at the top of the UASB reactor and recirculation between these two zones, and a hybrid gas-lift AnMBR that allows two-phase (gas–liquid) flow through the membrane [10].
One of the methods to reduce fouling is the addition of coagulants as flow enhancers, which decreases the content of COD, proteins, and carbohydrates [8]. In the treatment of domestic wastewater, the highest flow rate of 17 L/(m2·h) was achieved by adding 26 mg FeCl3/L [2]. However, the use of coagulants reduced the methane yield by 24% due to organic removal by coagulation.
The new achievement in improving fouling management in the AnMBR operation is the addition of biochar. The biochar was added to the AnMBR during the treatment of pharmaceutical wastewater. In the biochar-amended AnMBR, adsorbable organic halogens were effectively removed, and more COD was converted to methane. A 56% decrease in the average transmembrane pressure difference (TMP) indicated fouling mitigation by a significant reduction in EPS [96]. Due to the promotion of VFA degradation by biochar, COD removal efficiency and COD conversion to methane increased by more than 12.5% at 10 °C [97]. Adsorption of hydrophobic dissolved organic matter extended the membrane operating time by more than 200%. In addition to biochar, waste yeast was added as fouling reducer [98].
To control fouling and reduce energy demand, the concentration of MLSS should be optimized. For example, the required specific gas demand increased from 0.25 to 0.5 Nm3/(m2·h) with the increase in MLSS concentration in the membrane tank from 23 to 28 g/L at a critical flux of 14 L/(m2·h) [99]. MLSS concentration is also strongly influenced by temperature, as low temperature usually leads to the low hydrolysis rate of suspended solids in the influent. In addition, a longer SRT favors a higher viscosity of the mixed liquor due to a significant increase in MLVSS concentration [1].
Biomass entrapment technologies (in biocarriers or biospheres) are also a viable solution to reduce fouling, as they increase the particle size of the sludge and reduce the content of EPS and SMP in the mixed liquor [100].
Methods of fouling control include selecting membranes to improve their hydrophilicity and enhance their antifouling properties. Although polymeric membranes are widely used in AnMBRs, they are not stable against chemicals when recovery or maintenance cleaning is performed with strong oxidants such as chlorine. Recently, the use of ceramic membranes in AnMBRs has attracted much interest due to their low fouling tendency, good structural integrity, and strong chemical resistance compared to polymeric membranes [4,101]. Reduction of membrane fouling can be achieved by developing new types of membranes or modifying the membrane surface by ultra-violet light, gamma irradiation, or nanotechnology techniques [102]. These modifications are all based on altering the chemical or physical interaction with the membrane surface, thereby increasing the hydrophilic surface properties.
6. Future Perspectives of AnMBRs
Further development of advanced and efficient treatment technologies such as AnMBRs is critical for sustainable wastewater treatment, recovery of water, nutrients, and energy, and reduction of the environmental footprint. Although AnMBRs are already widely used in wastewater treatment, their full-scale application is limited, mainly due to the drawbacks of the technology described in this paper. To expand the application potential of AnMBRs for various wastewaters, further research should be conducted to develop the best strategies to optimize biogas production and dissolved methane recovery in AnMBRs to increase net energy production.
Another approach could be to research and develop new antifouling membranes and fouling control methods. Great efforts should be made to produce or modify membranes to reduce their cost and improve their antifouling properties. In addition, anaerobic dynamic membrane bioreactors should be developed as a new technology due to the ease of membrane fouling control and low energy consumption [12]. Although cake layer formation is the main factor for fouling and its filtration resistance accounts for more than 80% of the total value, it could serve as an additional filter (referred to as dynamic membrane or secondary membrane) [103]. For this application, instead of MF/UF membranes, cheap support materials (such as meshes, woven or non-woven filter cloths) could be used on which a cake layer is formed. However, their stability and cleaning strategies still need to be verified.
7. Conclusions
AnMBR technology is considered promising for industrial and municipal wastewater treatment because it generates little sludge, produces high-quality effluents at high OLR, recovers water, nutrients, and energy, and minimizes bioreactor size by separating HRT and SRT and fully retaining slow-growing microorganisms. However, widespread use of this technology is hindered primarily by membrane fouling and difficulties in controlling nitrogen and dissolved methane in the permeate. With respect to membrane fouling and the energy used to control it, fabrication of membranes from materials with improved antifouling properties, modification of the membrane surface, entrapment of biomass, addition of biochar, and development of cleaning strategies have been mentioned as solutions that can significantly reduce pore blocking. In addition, taking advantage of the cake layer acting as a secondary membrane (dynamic membrane) for solids rejection appears to be a promising solution for fouling control. To prevent the accumulation of dissolved methane in the permeate, which increases methane emission to the atmosphere and reduces the energetic benefits, biological oxidation, air stripping, and membrane-based recovery are mentioned as possible solutions. However, combining methane and nitrogen removal in methane-based denitrification was highlighted as the most reliable method to simplify the system and reduce its cost. Integrating microalgae growth with AnMBRs was indicated as a method to increase economic feasibility, which can produce high-quality effluents for water reuse by removing nutrients and can be used for biofuel production.
Author Contributions
Conceptualization, M.Z.; writing—original draft preparation, M.Z. and A.O.; writing—review and editing, M.Z.; visualization, M.Z.; supervision, M.Z.; project administration, M.Z.; funding acquisition, M.Z. All authors have read and agreed to the published version of the manuscript.
Funding
This research was funded by the Faculty of Geoengineering of the University of Warmia and Mazury in Olsztyn (Statutory Research, 29.610.004-110).
Conflicts of Interest
The authors declare no conflict of interest.
References
- Lin, H.; Peng, W.; Zhang, M.; Chen, J.; Hong, H.; Zhang, Y. A review on anaerobic membrane bioreactors: Applications, membrane fouling and future perspectives. Desalination 2013, 314, 169–188. [Google Scholar] [CrossRef]
- Shin, C.; Bae, J. Current status of the pilot-scale anaerobic membrane bioreactor treatments of domestic wastewaters: A critical review. Bioresour. Technol. 2018, 247, 1038–1046. [Google Scholar] [CrossRef] [PubMed]
- Chen, H.; Chang, S.; Guo, Q.; Hong, Y.; Wu, P. Brewery wastewater treatment using an anaerobic membrane bioreactor. Biochem. Eng. J. 2016, 105, 321–331. [Google Scholar] [CrossRef]
- Meng, F.; Zhang, S.; Oh, Y.; Zhou, Z.; Shin, H.S.; Chae, S.R. Fouling in membrane bioreactors: An updated review. Water Res. 2017, 114, 151–180. [Google Scholar] [CrossRef]
- Song, X.; Luo, W.; Hai, F.I.; Price, W.E.; Guo, W.; Ngo, H.H.; Nghiem, L.D. Resource recovery from wastewater by anaerobic membrane bioreactors: Opportunities and challenges. Bioresour. Technol. 2018, 270, 669–677. [Google Scholar] [CrossRef]
- Dereli, R.K.; Ersahin, M.E.; Ozgun, H.; Ozturk, I.; Jeison, D.; van der Zee, F.; van Lier, J.B. Potentials of anaerobic membrane bioreactors to overcome treatment limitations induced by industrial wastewaters. Bioresour. Technol. 2012, 122, 160–170. [Google Scholar] [CrossRef] [PubMed]
- Smith, A.L.; Stadler, L.B.; Love, N.G.; Skerlos, S.J.; Raskin, L. Perspectives on anaerobic membrane bioreactor treatment of domestic wastewater: A critical review. Bioresour. Technol. 2012, 122, 149–159. [Google Scholar] [CrossRef] [PubMed]
- Lei, Z.; Yang, S.; Li, Y.Y.; Wen, W.; Wang, X.C.; Chen, R. Application of anaerobic membrane bioreactors to municipal wastewater treatment at ambient temperature: A review of achievements, challenges, and perspectives. Bioresour. Technol. 2018, 267, 756–768. [Google Scholar] [CrossRef]
- Aslam, A.; Khan, S.J.; Shahzad, H.M.A. Anaerobic membrane bioreactors (AnMBRs) for municipal wastewater treatment- potential benefits, constraints, and future perspectives: An updated review. Sci. Total Environ. 2022, 802, 149612. [Google Scholar] [CrossRef]
- Vinardell, S.; Astals, S.; Peces, M.; Cardete, M.A.; Fernandez, I.; Mata-Alvarez, J.; Dosta, J. Advances in anaerobic membrane bioreactor technology for municipal wastewater treatment: A 2020 updated review. Renew. Sustain. Energy Rev. 2020, 130, 109936. [Google Scholar] [CrossRef]
- Crone, B.C.; Garland, J.L.; Sorial, G.A.; Vane, L.M. Significance of dissolved methane in effluents of anaerobically treated low strength wastewater and potential for recovery as an energy product: A review. Water Res. 2016, 104, 520–531. [Google Scholar] [CrossRef]
- Hu, Y.; Wang, X.C.; Ngo, H.H.; Sun, Q.; Yang, Y. Anaerobic dynamic membrane bioreactor (AnDMBR) for wastewater treatment: A review. Bioresour. Technol. 2018, 247, 1107–1118. [Google Scholar] [CrossRef]
- McCarty, P.L.; Kim, J.; Shin, C.; Lee, P.H.; Bae, J. Anaerobic fluidized bed membrane bioreactors for the treatment of domestic wastewater. In Anaerobic Biotechnology: Environmental Protection and Resource Recovery; World Scientific: Singapore, 2015; pp. 211–242. [Google Scholar] [CrossRef]
- Monsalvo, V.M.; McDonald, J.A.; Khan, S.J.; Le-Clech, P. Removal of trace organics by anaerobic membrane bioreactors. Water Res. 2014, 49, 103–112. [Google Scholar] [CrossRef] [PubMed]
- Carneiro, R.B.; Gonzalez-Gil, L.; Londoño, Y.A.; Zaiat, M.; Carballa, M.; Lema, J.M. Acidogenesis is a key step in the anaerobic biotransformation of organic micropollutants. J. Hazard. Mater. 2020, 389, 121888. [Google Scholar] [CrossRef]
- Mahmoud, I.; Gao, W.J.; Liao, B.Q.; Cumin, J.; Dagnew, M.; Hong, Y. Development of a high-rate submerged anaerobic membrane bioreactor. Environ. Technol. 2018, 39, 640–650. [Google Scholar] [CrossRef]
- Spagni, A.; Casu, S.; Crispino, N.; Farina, R.; Mattioli, D. Filterability in a submerged anaerobic membrane bioreactor. Desalination 2010, 250, 787–792. [Google Scholar] [CrossRef]
- Wijekoon, K.C.; Visvanathan, C.; Abeynayaka, A. Effect of organic loading rate on VFA production, organic matter removal and microbial activity of a two-stage thermophilic anaerobic membrane bioreactor. Bioresour. Technol. 2011, 102, 5353–5360. [Google Scholar] [CrossRef]
- Galib, M.; Elbeshbishy, E.; Reid, R.; Hussain, A.; Lee, H.S. Energy-positive food wastewater treatment using an anaerobic membrane bioreactor (AnMBR). J. Environ. Manag. 2016, 182, 477–485. [Google Scholar] [CrossRef] [PubMed]
- Chen, C.; Guo, W.; Ngo, H.H.; Lee, D.J.; Tung, K.L.; Jin, P.; Wang, J.; Wu, Y. Challenges in biogas production from anaerobic membrane bioreactors. Renew. Energy 2016, 98, 120–134. [Google Scholar] [CrossRef]
- Chen, R.; Wen, W.; Jiang, H.; Lei, Z.; Li, M.; Li, Y.Y. Energy recovery potential of thermophilic high-solids co-digestion of coffee processing wastewater and waste activated sludge by anaerobic membrane bioreactor. Bioresour. Technol. 2019, 274, 127–133. [Google Scholar] [CrossRef] [PubMed]
- Erkan, H.S.; Engin, G.O. The investigation of paper mill industry wastewater treatment and activated sludge properties in a submerged membrane bioreactor. Water Sci. Technol. 2017, 76, 1715–1725. [Google Scholar] [CrossRef] [PubMed]
- Baêta, B.; Ramos, R.; Lima, D.; Aquino, S. Use of submerged anaerobic membrane bioreactor (SAMBR) containing powdered activated carbon (PAC) for the treatment of textile effluents. Water Sci. Technol. 2012, 65, 1540–1547. [Google Scholar] [CrossRef] [PubMed]
- Svojitka, J.; Dvořák, L.; Studer, M.; Straub, J.O.; Frömelt, H.; Wintgens, T. Performance of an anaerobic membrane bioreactor for pharmaceutical wastewater treatment. Bioresour. Technol. 2017, 229, 180–189. [Google Scholar] [CrossRef]
- Saha, S.; Hussain, A.; Lee, J.; Lee, E.; Lee, H.S. An integrated leachate bed reactor—Anaerobic membrane bioreactor system (LBR-AnMBR) for food waste stabilization and biogas recovery. Chemosphere 2023, 311, 137054. [Google Scholar] [CrossRef] [PubMed]
- Liao, B.Q.; Xie, K.; Lin, H.J.; Bertoldo, D. Treatment of kraft evaporator condensate using a thermophilic submerged anaerobic membrane bioreactor. Water Sci. Technol. 2010, 61, 2177–2183. [Google Scholar] [CrossRef]
- Xia, T.; Gao, X.; Wang, C.; Xu, X.; Zhu, L. An enhanced anaerobic membrane bioreactor treating bamboo industry wastewater by bamboo charcoal addition: Performance and microbial community analysis. Bioresour. Technol. 2016, 220, 26–33. [Google Scholar] [CrossRef]
- Hu, A.Y.; Stuckey, D.C. Treatment of dilute wastewaters using a novel submerged anaerobic membrane bioreactor. J. Environ. Eng. 2006, 132, 190–198. [Google Scholar] [CrossRef]
- Zhang, N.; Wu, C.; Zhang, J.; Han, S.; Peng, Y.; Song, X. Impacts of lipids on the performance of anaerobic membrane bioreactors for food wastewater treatment. J. Membr. Sci. 2023, 666, 121104. [Google Scholar] [CrossRef]
- Shin, C.; McCarty, P.L.; Kim, J.; Bae, J. Pilot-scale temperate-climate treatment of domestic wastewater with a staged anaerobic fluidized membrane bioreactor (SAF-MBR). Bioresour. Technol. 2014, 159, 95–103. [Google Scholar] [CrossRef]
- Gouveia, J.; Plaza, F.; Garralon, G.; Fdz-Polanco, F.; Peña, M. Long-term operation of a pilot scale anaerobic membrane bioreactor (AnMBR) for the treatment of municipal wastewater under psychrophilic conditions. Bioresour. Technol. 2015, 185, 225–233. [Google Scholar] [CrossRef]
- Ho, J.; Sung, S. Methanogenic activities in anaerobic membrane bioreactors (AnMBR) treating synthetic municipal wastewater. Bioresour. Technol. 2010, 101, 2191–2196. [Google Scholar] [CrossRef] [PubMed]
- Chen, L.; Gu, Y.; Cao, C.; Zhang, J.; Ng, J.W.; Tang, C. Performance of a submerged anaerobic membrane bioreactor with forward osmosis membrane for low-strength wastewater treatment. Water Res. 2014, 50, 114–123. [Google Scholar] [CrossRef] [PubMed]
- Gouveia, J.; Plaza, F.; Garralon, G.; Fdz-Polanco, F.; Peña, M. A novel configuration for an anaerobic submerged membrane bioreactor (AnSMBR). Long-term treatment of municipal wastewater under psychrophilic conditions. Bioresour. Technol. 2015, 198, 510–519. [Google Scholar] [CrossRef] [PubMed]
- Kong, Z.; Wu, J.; Rong, C.; Wang, T.; Li, L.; Luo, Z.; Ji, J.; Hanaoka, T.; Sakemi, S.; Ito, M.; et al. Large pilot-scale submerged anaerobic membrane bioreactor for the treatment of municipal wastewater and biogas production at 25 °C. Bioresour. Technol. 2021, 319, 124123. [Google Scholar] [CrossRef] [PubMed]
- Mei, X.; Wang, Z.; Miao, Y.; Wu, Z. A pilot-scale anaerobic membrane bioreactor under short hydraulic retention time for municipal wastewater treatment: Performance and microbial community identification. J. Water Reuse Desalin. 2018, 8, 58–67. [Google Scholar] [CrossRef]
- Chen, C.; Guo, W.; Ngo, H.H.; Chang, S.W.; Nguyen, D.D.; Nguyen, P.D.; Bui, X.T.; Wu, Y. Impact of reactor configurations on the performance of a granular anaerobic membrane bioreactor for municipal wastewater treatment. Int. Biodeter. Biodegr. 2017, 121, 131–138. [Google Scholar] [CrossRef]
- Meabe, E.; Déléris, S.; Soroa, S.; Sancho, L. Performance of anaerobic membrane bioreactor for sewage sludge treatment: Mesophilic and thermophilic processes. J. Membr. Sci. 2013, 446, 26–33. [Google Scholar] [CrossRef]
- He, Y.; Bagley, D.M.; Leung, K.T.; Liss, S.N.; Liao, B.Q. Recent advances in membrane technologies for biorefining and bioenergy production. Biotechnol. Adv. 2012, 30, 817–858. [Google Scholar] [CrossRef]
- Mei, X.; Wang, Z.; Miao, Y.; Wu, Z. Recover energy from domestic wastewater using anaerobic membrane bioreactor: Operating parameters optimization and energy balance analysis. Energy 2016, 98, 146–154. [Google Scholar] [CrossRef]
- Matsunaga, K.; Kindaichi, T.; Ozaki, N.; Ohashi, A.; Nakahara, Y.; Sasakawa, M. Development of anammox reactor equipped with a degassing membrane to improve biomass retention. Water Sci. Technol. 2012, 66, 451–456. [Google Scholar] [CrossRef]
- Gimenez, J.B.; Martí, N.; Ferrer, J.; Seco, A. Methane recovery efficiency in a submerged anaerobic membrane bioreactor (SAnMBR) treating sulphate-rich urban wastewater: Evaluation of methane losses with the effluent. Bioresour. Technol. 2012, 118, 67–72. [Google Scholar] [CrossRef]
- Yeo, H.; An, J.; Reid, R.; Rittmann, B.E.; Lee, H.S. Contribution of liquid/gas mass-transfer limitations to dissolved methane oversaturation in anaerobic treatment of dilute wastewater. Environ. Sci. Technol. 2015, 49, 10366–10372. [Google Scholar] [CrossRef] [PubMed]
- Liu, Z.H.; Yin, H.; Dang, Z.; Liu, Y. Dissolved methane: A hurdle for anaerobic treatment of municipal wastewater. Environ. Sci. Technol. 2014, 48, 889–890. [Google Scholar] [CrossRef]
- Yue, X.; Koh, Y.K.K.; Ng, H.Y. Effects of dissolved organic matters (DOMs) on membrane fouling in anaerobic ceramic membrane bioreactors (AnCMBRs) treating domestic wastewater. Water Res. 2015, 86, 96–107. [Google Scholar] [CrossRef]
- Omar, H.; Rohani, S. Treatment of landfill waste, leachate and landfill gas: A review. Front. Chem. Sci. Eng. 2015, 9, 15–32. [Google Scholar] [CrossRef]
- Smith, A.L.; Stadler, L.B.; Cao, L.; Love, N.G.; Raskin, L.; Skerlos, S.J. Navigating wastewater energy recovery strategies: A life cycle comparison of anaerobic membrane bioreactor and conventional treatment systems with anaerobic digestion. Environ. Sci. Technol. 2014, 48, 5972–5981. [Google Scholar] [CrossRef] [PubMed]
- Hatamoto, M.; Yamamoto, H.; Kindaichi, T.; Ozaki, N.; Ohashi, A. Biological oxidation of dissolved methane in effluents from anaerobic reactors using a down-flow hanging sponge reactor. Water Res. 2010, 44, 1409–1418. [Google Scholar] [CrossRef] [PubMed]
- Cookney, J.; Mcleod, A.; Mathioudakis, V.; Ncube, P.; Soares, A.; Jefferson, B.; McAdam, E.J. Dissolved methane recovery from anaerobic effluents using hollow fibre membrane contactors. J. Membr. Sci. 2016, 502, 141–150. [Google Scholar] [CrossRef]
- Kalakech, C.; Sohaib, Q.; Lesage, G.; Mericq, J.P. Progress and challenges in recovering dissolved methane from anaerobic bioreactor permeate using membrane contactors: A comprehensive review. J. Water Process Eng. 2022, 50, 103218. [Google Scholar] [CrossRef]
- Ylitervo, P.; Akinbomi, J.; Taherzadeh, M.J. Membrane bioreactors’ potential for ethanol and biogas production: A review. Environ. Technol. 2013, 34, 1711–1723. [Google Scholar] [CrossRef]
- Dereli, R.; Urban, D.; Heffernan, B.; Jordan, J.; Ewing, J.; Rosenberger, G.; Dunaev, T. Performance evaluation of a pilot-scale anaerobic membrane bioreactor (AnMBR) treating ethanol thin stillage. Environ. Technol. 2012, 33, 1511–1516. [Google Scholar] [CrossRef]
- Jain, A.; Chaurasia, S.P. Bioethanol production in membrane bioreactor (MBR) system: A review. Int. J. Environ. Res. Dev. 2014, 4, 387–394. [Google Scholar]
- Lee, D.Y.; Li, Y.Y.; Oh, Y.K.; Kim, M.S.; Noike, T. Effect of iron concentration on continuous H2 production using membrane bioreactor. Int. J. Hydrogen Energy 2009, 34, 1244–1252. [Google Scholar] [CrossRef]
- Shen, L.; Bagley, D.M.; Liss, S.N. Effect of organic loading rate on fermentative hydrogen production from continuous stirred tank and membrane bioreactors. Int. J. Hydrog. Energy 2009, 34, 3689–3696. [Google Scholar] [CrossRef]
- Buitrón, G.; Muñoz-Páez, K.M.; Hernández-Mendoza, C.E. Biohydrogen production using a granular sludge membrane bioreactor. Fuel 2019, 241, 954–961. [Google Scholar] [CrossRef]
- Lee, D.Y.; Li, Y.Y.; Noike, T. Influence of solids retention time on continuous H2 production using membrane bioreactor. Int. J. Hydrog. Energy 2010, 35, 52–60. [Google Scholar] [CrossRef]
- Kotay, S.M.; Das, D. Microbial hydrogen production from sewage sludge bioaugmented with a constructed microbial consortium. Int. J. Hydrog. Energy 2010, 35, 10653–10659. [Google Scholar] [CrossRef]
- El-Qelish, M.; Hassan, G.K.; Leaper, S.; Dessì, P.; Abdel-Karim, A. Membrane-based technologies for biohydrogen production: A review. J. Environ. Manag. 2022, 316, 115239. [Google Scholar] [CrossRef]
- Tian, Y.; Li, H.; Li, L.; Su, X.; Lu, Y.; Zuo, W.; Zhang, J. In-situ integration of microbial fuel cell with hollow-fiber membrane bioreactor for wastewater treatment and membrane fouling mitigation. Biosens. Bioelectron. 2015, 64, 189–195. [Google Scholar] [CrossRef]
- Su, X.; Tian, Y.; Sun, Z.; Lu, Y.; Li, Z. Performance of a combined system of microbial fuel cell and membrane bioreactor: Wastewater treatment, sludge reduction, energy recovery and membrane fouling. Biosens. Bioelectron. 2013, 49, 92–98. [Google Scholar] [CrossRef]
- Li, T.; Cai, Y.; Yang, X.L.; Wu, Y.; Yang, Y.L.; Song, H.L. Microbial Fuel Cell-Membrane Bioreactor integrated system for wastewater treatment and bioelectricity production: Overview. J. Environ. Eng. 2020, 146, 04019092. [Google Scholar] [CrossRef]
- Wang, Y.; Jia, H.; Wang, J.; Cheng, B.; Yang, G.; Gao, F. Impacts of energy distribution and electric field on membrane fouling control in microbial fuel cell-membrane bioreactor (MFC-MBR) coupling system. Bioresour. Technol. 2018, 269, 339–345. [Google Scholar] [CrossRef]
- Li, H.; Zuo, W.; Tian, Y.; Zhang, J.; Di, S.; Li, L.; Su, X.Y. Simultaneous nitrification and denitrification in a novel membrane bioelectrochemical reactor with low membrane fouling tendency. Environ. Sci. Pollut. Res. 2016, 24, 1–12. [Google Scholar] [CrossRef] [PubMed]
- Ren, L.; Ahn, Y.; Logan, B.E. A two-stage microbial fuel cell and anaerobic fluidized bed membrane bioreactor (MFC-AFMBR) system for effective domestic wastewater treatment. Environ. Sci. Technol. 2014, 48, 4199–4206. [Google Scholar] [CrossRef] [PubMed]
- Tian, Y.; Ji, C.; Wang, K.; Le-Clech, P. Assessment of an anaerobic membrane bio-electrochemical reactor (AnMBER) for wastewater treatment and energy recovery. J. Membr. Sci. 2014, 450, 242–248. [Google Scholar] [CrossRef]
- Lee, Y.; Oa, S. High speed municipal sewage treatment in microbial fuel cell integrated with anaerobic membrane filtration system. Water Sci. Technol. 2014, 69, 2548–2553. [Google Scholar] [CrossRef]
- Huang, L.; Li, X.; Ren, Y.; Wang, X. Preparation of conductive microfiltration membrane and its performance in a coupled configuration of membrane bioreactor with microbial fuel cell. RSC Adv. 2017, 7, 20824–20832. [Google Scholar] [CrossRef]
- Deng, L.J.; Guo, W.S.; Ngo, H.H.; Zhang, H.W.; Wang, J.; Li, J.X.; Xia, S.Q.; Wu, Y. Biofouling and control approaches in membrane bioreactors. Bioresour. Technol. 2016, 221, 656–665. [Google Scholar] [CrossRef]
- Jensen, P.; Yap, S.; Boyle-Gotla, A.; Janoschka, J.; Carney, C.; Pidou, M.; Batstone, D. Anaerobic membrane bioreactors enable high rate treatment of slaughterhouse wastewater. Biochem. Eng. J. 2015, 97, 132–141. [Google Scholar] [CrossRef]
- Dai, W.; Xu, X.; Liu, B.; Yang, F. Toward energy-neutral wastewater treatment: A membrane combined process of anaerobic digestion and nitritation–anammox for biogas recovery and nitrogen removal. Chem. Eng. J. 2015, 279, 725–734. [Google Scholar] [CrossRef]
- Jacob, P.; Phungsai, P.; Fukushi, K.; Visvanathan, C. Direct contact membrane distillation for anaerobic effluent treatment. J. Membr. Sci. 2015, 475, 330–339. [Google Scholar] [CrossRef]
- Liu, C.; Wang, Q.; Huang, F.; Zhang, J. Removal of phosphorus from anaerobic membrane bioreactor effluent by ion exchange resin. Sep. Sci. Technol. 2016, 51, 2833–2843. [Google Scholar] [CrossRef]
- Xie, M.; Shon, H.K.; Gray, S.R.; Elimelech, M. Membrane-based processes for wastewater nutrient recovery: Technology, challenges, and future direction. Water Res. 2016, 89, 210–221. [Google Scholar] [CrossRef] [PubMed]
- Deng, Q.; Dhar, B.R.; Elbeshbishy, E.; Lee, H.S. Ammonium nitrogen removal from the permeates of anaerobic membrane bioreactors: Economic regeneration of exhausted zeolite. Environ. Technol. 2014, 35, 2008–2017. [Google Scholar] [CrossRef]
- Gonzalez, E.; Diaz, O.; Ruigomez, I.; de Vera, C.R.; Rodriguez-Gomez, L.E.; Rodriguez-Sevilla, J.; Vera, L. Photosynthetic bacteria-based membrane bioreactor as post-treatment of an anaerobic membrane bioreactor effluent. Bioresour. Technol. 2017, 239, 528–532. [Google Scholar] [CrossRef] [PubMed]
- Ngo, H.H.; Ye, Y.; Guo, W.; Du, B.; Wei, D.; Wei, Q.; Liu, Y. Nutrient recovery in anaerobic membrane bioreactors. In Current Developments in Biotechnology and Bioengineering; Elsevier: Amsterdam, The Netherlands, 2020; pp. 283–307. [Google Scholar] [CrossRef]
- Heronemus, E.; Gamage, K.H.; Hettiarachchi, G.M.; Parameswaran, P. Efficient recovery of phosphorus and sulfur from Anaerobic Membrane Bioreactor (AnMBR) permeate using chemical addition of iron and evaluation of its nutrient availability for plant uptake. Sci. Total Environ. 2021, 783, 146850. [Google Scholar] [CrossRef]
- Viruela, A.; Murgui, M.; Gómez-Gil, T.; Durán, F.; Robles, Á.; Ruano, M.V.; Ferrer, J.; Seco, A. Water resource recovery by means of microalgae cultivation in outdoor photobioreactors using the effluent from an anaerobic membrane bioreactor fed with pre-treated sewage. Bioresour. Technol. 2016, 218, 447–454. [Google Scholar] [CrossRef] [PubMed]
- Gonzalez-Camejo, J.; Barat, R.; Aguado, D.; Ferrer, J. Continuous 3-year outdoor operation of a flat-panel membrane photobioreactor to treat effluent from an anaerobic membrane bioreactor. Water Res. 2020, 169, 115238. [Google Scholar] [CrossRef]
- Zielinska, M.; Mikucka, W. Membrane filtration for valorization of digestate from the anaerobic treatment of distillery stillage. Desalin. Water Treat. 2021, 215, 60–68. [Google Scholar] [CrossRef]
- Zielińska, M.; Rusanowska, P.; Zieliński, M.; Dudek, M.; Kazimierowicz, J.; Quattrocelli, P.; Dębowski, M. Liquid fraction of digestate pretreated with membrane filtration for cultivation of Chlorella vulgaris. Waste Manag. 2022, 146, 1–10. [Google Scholar] [CrossRef]
- Chang, H.; Kwon, D.; Kim, J. Rejections and membrane fouling of submerged direct contact hollow-fiber membrane distillation as post-treatment for anaerobic fluidized bed bioreactor treating domestic sewage. Chemosphere 2022, 296, 133964. [Google Scholar] [CrossRef]
- Nguyen, N.C.; Duong, H.C.; Chen, S.S.; Nguyen, H.T.; Ngo, H.H.; Guo, W.; Le, H.Q.; Duong, C.C.; Le, A.H.; Bui, X.T. Water and nutrient recovery by a novel moving sponge–Anaerobic osmotic membrane bioreactor–Membrane distillation (AnOMBR-MD) closed-loop system. Bioresour. Technol. 2020, 312, 123573. [Google Scholar] [CrossRef]
- Kim, H.C.; Shin, J.; Won, S.; Lee, J.Y.; Maeng, S.K.; Song, K.G. Membrane distillation combined with an anaerobic moving bed biofilm reactor for treating municipal wastewater. Water Res. 2015, 71, 97–106. [Google Scholar] [CrossRef]
- Shi, M.; Xiao, M.; Feng, L.; Tu, T.; He, Q.; Yan, S. Water and green ammonia recovery from anaerobic digestion effluent by two-stage membrane distillation. J. Water Process Eng. 2022, 49, 102949. [Google Scholar] [CrossRef]
- Seraj, S.; Mohammadi, T.; Tofighy, M.A. Graphene-based membranes for membrane distillation applications: A review. J. Environ. Chem. Eng. 2022, 10, 107974. [Google Scholar] [CrossRef]
- Lotti, T.; Burzi, O.; Scaglione, D.; Ramos, C.A.; Ficara, E.; Pérez, J.; Carrera, J. Two-stage granular sludge partial nitritation/anammox process for the treatment of digestate from the anaerobic digestion of the organic fraction of municipal solid waste. Waste Manag. 2019, 100, 36–44. [Google Scholar] [CrossRef] [PubMed]
- Arriagada, C.; Guzmán-Fierro, V.; Giustinianovich, E.; Alejo-Alvarez, L.; Behar, J.; Pereira, L.; Campos, V.; Fernández, K.; Roeckel, M. NOB suppression and adaptation strategies in the partial nitrification—Anammox process for a poultry manure anaerobic digester. Process Biochem. 2017, 58, 258–265. [Google Scholar] [CrossRef]
- Li, Z.Y.; Xu, X.D.; Xu, X.C.; Yang, F.L.; Zhang, S.S. Sustainable operation of submerged Anammox membrane bioreactor with recycling biogas sparging for alleviating membrane fouling. Chemosphere 2015, 140, 106–113. [Google Scholar] [CrossRef]
- Lee, J.; Alrashed, W.; Engel, K.; Yoo, K.; Neufeld, J.D.; Lee, H.S. Methane-based denitrification kinetics and syntrophy in a mem-brane biofilm reactor at low methane pressure. Sci. Total Environ. 2019, 695, 133818. [Google Scholar] [CrossRef] [PubMed]
- Liu, D.; Yang, Y.; Ai, J.; Li, Y.; Xing, Y.; Li, J. Research on microbial structures, functions and metabolic pathways in an advanced denitrification system coupled with aerobic methane oxidation based on metagenomics. Bioresour. Technol. 2021, 332, 125047. [Google Scholar] [CrossRef]
- Cao, Q.; Li, X.; Xie, Z.; Li, C.; Huang, S.; Zhu, B.; Li, D.; Liu, X. Compartmentation of microbial communities in structure and function for methane oxidation coupled to nitrification–denitrification. Bioresour. Technol. 2021, 341, 125761. [Google Scholar] [CrossRef]
- Martin, I.; Pidou, M.; Soares, A.; Judd, S.; Jefferson, B. Modelling the energy demands of aerobic and anaerobic membrane bioreactors for wastewater treatment. Environ. Technol. 2011, 32, 921–932. [Google Scholar] [CrossRef]
- Seib, M.D.; Berg, K.J.; Zitomer, D.H. Low energy anaerobic membrane bioreactor for municipal wastewater treatment. J. Membr. Sci. 2016, 514, 450–457. [Google Scholar] [CrossRef]
- Chen, L.; Cheng, P.; Ye, L.; Chen, H.; Xu, X.; Zhu, L. Biological performance and fouling mitigation in the biochar-amended anaerobic membrane bioreactor (AnMBR) treating pharmaceutical wastewater. Bioresour. Technol. 2020, 302, 122805. [Google Scholar] [CrossRef]
- Lei, Z.; Ma, Y.; Wang, J.; Wang, X.C.; Li, Q.; Chen, R. Biochar addition supports high digestion performance and low membrane fouling rate in an anaerobic membrane bioreactor under low temperatures. Bioresour. Technol. 2021, 330, 124966. [Google Scholar] [CrossRef]
- Sohn, W.; Guo, W.; Ngo, H.H.; Deng, L.; Cheng, D.; Zhang, X. A review on membrane fouling control in anaerobic membrane bioreactors by adding performance enhancers. J. Water Process Eng. 2021, 40, 101867. [Google Scholar] [CrossRef]
- Robles, A.; Ruano, M.V.; García-Usach, F.; Ferrer, J. Sub-critical filtration conditions of commercial hollow-fibre membranes in a submerged anaerobic MBR (HF-SAnMBR) system: The effect of gas sparging intensity. Bioresour. Technol. 2012, 114, 247–254. [Google Scholar] [CrossRef]
- Juntawang, C.; Rongsayamanont, C.; Khan, E. Entrapped cells-based-anaerobic membrane bioreactor treating domestic wastewater: Performances, fouling, and bacterial community structure. Chemosphere 2017, 187, 147–155. [Google Scholar] [CrossRef] [PubMed]
- Wang, Z.; Ma, J.; Tang, C.Y.; Kimura, K.; Wang, Q.; Han, X. Membrane cleaning in membrane bioreactors: A review. J. Membr. Sci. 2014, 468, 276–307. [Google Scholar] [CrossRef]
- Dolina, J.; Dlask, O.; Lederer, T.; Dvořák, L. Mitigation of membrane biofouling through surface modification with different forms of nanosilver. Chem. Eng. J. 2015, 275, 125–133. [Google Scholar] [CrossRef]
- Ersahin, M.E.; Tao, Y.; Ozgun, H.; Spanjers, H.; van Lier, J.B. Characteristics and role of dynamic membrane layer in anaerobic membrane bioreactors. Biotechnol. Bioeng. 2016, 113, 761–771. [Google Scholar] [CrossRef] [PubMed]
Disclaimer/Publisher’s Note: The statements, opinions and data contained in all publications are solely those of the individual author(s) and contributor(s) and not of MDPI and/or the editor(s). MDPI and/or the editor(s) disclaim responsibility for any injury to people or property resulting from any ideas, methods, instructions or products referred to in the content. |
© 2023 by the authors. Licensee MDPI, Basel, Switzerland. This article is an open access article distributed under the terms and conditions of the Creative Commons Attribution (CC BY) license (https://creativecommons.org/licenses/by/4.0/).
