Impact of a HVDC Link on the Reliability of the Bulk Nigerian Transmission Network
Abstract
1. Introduction
2. Methodology
2.1. Reliability Indices
2.1.1. Load-Point Indices
2.1.2. System Indices
- SAIFI: System Average Interruption Frequency Index (interruptions per year). This index measures the number of interruptions customers experience each year [22], and it is expressed mathematically as shown below:where is the Average Customer Interruption Frequency, and is the number of customers supplied by load point (customers on a particular bus bar).
- SAIDI: this stands for System Average Interruption Duration Index (hours or minutes per year). This index captures the duration of power outages each year [10] and it is measured in units of time, i.e., hours or minutes [22]. SAIDI represents the average time each customer was without electricity each year and is defined below:where is the Average Customer Interruption Time?
- CAIDI: Customer Average Interruption Duration Index (hours). This index expresses the average time required to restore service, and the expression is given below [23]. It is worth noticing that CAIDI can be calculated as the ratio of SAIDI over SAIFI.
2.2. Reliability Performance in Various Countries
3. Network Model and HVDC Model
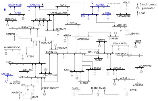
3.1. Network Model
3.2. Repair-Duration (RD) and Failure-Frequency (FF) Computation
3.3. Number of Customers Computation
3.4. HVDC Model
4. Results
4.1. System Indices
4.2. Manual Calculation
- Calculation of SAIFI
- Calculation of SAIDI
- Calculation of CAIDI and ASAI
4.3. Load-Point Indices for the Radial Feeders
4.4. Comparison with other countries
- -
- In terms of SAIDI, the Nigerian transmission-system experience more power outages compared with India, Egypt, and Australia. On the contrary, the Nigerian transmission-system performance appeared more reliable than that of Algeria.
- -
- The high SAIFI value indicates that there are more faults compared with Algeria, India, Egypt, and Australia. This further produces an overall negative impact on CAIDI, decreasing both reliability and customer supply.
5. Impact of HVDC on Reliability Indices
6. Conclusions
Author Contributions
Funding
Data Availability Statement
Acknowledgments
Conflicts of Interest
Glossary
| ASAI | Average Service Availability Index |
| CAIDI | Customer Average Interruption Duration Index |
| FD | Fault Duration |
| HVDC | High Voltage Direct Current |
| IEEE | Institute of Electrical and Electronics Engineers |
| LPI | Load Point Index |
| LPIF | Load Point Interruption Frequency |
| LPIT | Load Point Interruption Time |
| NESO | Nigeria Electricity System Operator |
| NGET | National Grid Electricity Transmission |
| NO | Number of Outages |
| Number of Connected Customers | |
| SAIFI | System Average Interruption Frequency Index |
| SAIDI | System Average Interruption Duration Index |
| TFD | Total Fault Duration |
| TNO | Total Number of Outages |
| VSC | Voltage Source Converter |
References
- Chanchangi, Y.N.; Adu, F.; Ghosh, A.; Sundaram, S.; Mallick, T.K. Nigeria’s energy review: Focusing on solar energy potential and penetration. Environ. Dev. Sustain. 2022. [Google Scholar] [CrossRef] [PubMed]
- Joseph, A. Renewable Energy and Nigeria’s Power Sector; 2016. Available online: https://foundationchambers.com/wp-content/uploads/2021/02/NIGERIA%E2%80%99S-POWER-SECTOR.pdf (accessed on 4 September 2022).
- Augutis, J.; Krikstolaitis, R.; Alzbutas, R.; Matuzas, V.; Uspuras, E. Reliability analysis of the electricity transmission system in Lithuania. Manag. Inf. Syst. 2004, 9, 573–580. [Google Scholar]
- Olasunkanmi, O.G.; Alao, P.O.; Onaifo, F.; Osifeko, M.O.; Sholabi, J.O. Reliability assessment of a gas generating station in Ogun State, Nigeria. J. Appl. Sci. Environ. Manag. 2018, 22, 1005. [Google Scholar] [CrossRef]
- Olasunkanmi, O.; Oyodeji, A.; Okubanjo, A. Fault analysis and prediction of power distribution networks on 11 kV Feeders: A case study of Eleweeran and Poly Road 11kV Feeders, Abeokuta. MANAS J. Eng. 2020, 8, 37–48. [Google Scholar]
- Nader, A.A.S. Reliability Assessment of Electric Power Systems Using Genetic Algoriths; Texas A & M University: College Station, TX, USA, 2004. [Google Scholar]
- Dechsiri, C. Introduction to Stochastic Models and Markov Chains. In Particle Transport in Fluidized Beds: Experiments and Stochastic Models; Groningen, The Netherlands, 2004; pp. 1–23. Available online: https://research.rug.nl/en/publications/particle-transport-in-fluidized-beds-experiments-and-stochastic-m (accessed on 20 February 2021).
- F&I of Actuaries. Description of Stochastic Models; 1959; Volume 2, Available online: https://faculty.wcas.northwestern.edu/robvoigt/courses/2021_fall/ling334/readings/finitary_models.pdf (accessed on 20 February 2021).
- Aschidamini, G.L.; da Cruz1, G.A.; Resener, M.; Leborgne, R.C.; Pereira1, L.A. A Framework for Reliability Assessment in Expansion Planning of Power Distribution Systems. Energies 2022, 15, 5073. [Google Scholar] [CrossRef]
- IEEE Guide for Electric Power Distribution Reliability Indices, 2012th ed.; IEEE, Ed.; IEEE: New York, NY, USA, 2012. [Google Scholar]
- Billinton, R.; Allan, R.N. Reliability Evaluation of Engineering Systems: Concepts and Techniques, 2nd ed.; Plenum Press: New York, NY, USA, 1992; Volume 5, ISBN 9781489906878. [Google Scholar]
- Du, P.; Li, W. Frequency Response Impact of Integration of HVDC into a Low-Inertia AC Power Grid. IEEE Trans. Power Syst. 2021, 36, 613–622. [Google Scholar] [CrossRef]
- Zadkhast, S.; Fotuhi-Firuzabad, M.; Aminifar, F.; Billinton, R.; Faried, S.O.; Edris, A.A. Reliability evaluation of an HVDC transmission system tapped by a VSC station. IEEE Trans. Power Deliv. 2010, 25, 1962–1970. [Google Scholar] [CrossRef]
- Ghiasi, M.; Ghadimi, N.; Ahmadinia, E. An Analytical Methodology for Reliability Assessment and Failure Analysis in Distributed Power System. SN Appl. Sci. 2018, 1, 1–44. [Google Scholar] [CrossRef]
- Okozi, S.O. Reliability Assessment of Nigerian Power Systems Case Study of 330kv Transmission Lines in Benin Sub–Region. Int. J. Eng. Res. 2018, V7, 399–405. [Google Scholar] [CrossRef]
- DIgSILENT. PowerFactory 2020 User Manual, 2020th ed.; GmbH, D., Ed.; DIgSILENT GmbH Heinrich-Hertz-Straße 9: Gomaringen, Germany, 2020. [Google Scholar]
- Van der Merwe, J. Simplified Approach for the Reliability Estimation of Large Transmission and Sub-Transmission Systems. 2014. Available online: https://open.uct.ac.za/handle/11427/9093 (accessed on 20 February 2021).
- Kueck, J.D.; Brendan, J.K.; Philip, N.O.; Lawrence, C.M. Measurement Practices for Reliability and Power Quality; 2004. Available online: https://info.ornl.gov/sites/publications/Files/Pub57467.pdf (accessed on 20 February 2021).
- Billinton, R.; Kumar, S. A Comparative Study of System Versus Load Point Indices for Bulk Power Systems. IEEE Power Eng. Rev. 1986, PWRS-1, 41. [Google Scholar] [CrossRef]
- Okorie, P.U.; Aliyu, U.O.; Jimoh, B.; Sani, S.M. Reliability Indices of Electric Distribution Network System Assessment. Quest J. J. Electron. Commun. Eng. Res. 2015, 3, 1–6. [Google Scholar]
- Reliability and Quality of Supply of Electricity to Customers in NSW; New South Wales. 2005. Available online: https://www.google.com/url?sa=t&rct=j&q=&esrc=s&source=web&cd=&ved=2ahUKEwjIq-yS6YT8AhXYlGoFHXwuBrUQFnoECAwQAQ&url=https%3A%2F%2Fwww.ipart.nsw.gov.au%2Fsites%2Fdefault%2Ffiles%2Fdocuments%2Finformationpaperno3-reliabilityandqualityofsupplyofelectricitytocustomersinnsw-pdffinal_000.pdf&usg=AOvVaw2lyQBV3Ir8SGT2sHJhrF5f (accessed on 20 February 2021).
- Teixeira, J. IEEE 1366-Reliability Indices; Boston, MA, USA, 2019. Available online: https://powerquality.blog/2021/01/19/ieee-1366-reliability-indices/ (accessed on 20 February 2021).
- CEER (Council of European Energy Regulators) 6th CEER Benchmarking Report on the Quality of Electricity and Gas Supply; Brussels, Belgium, 2016. Available online: http://webfileservice.nve.no/API/PublishedFiles/Download/201506197/2126667 (accessed on 5 March 2021).
- Khanorkar, A.R.; Kinhekar, N. Development of reliability assessment framework for extra high voltage transmission network in India and application on Maharashtra. In Proceedings of the Proceedings-2018 International Conference on Smart Electric Drives and Power System, ICSEDPS, Nagpur, India, 12–13 June 2018; IEEE: Piscataway, NJ, USA, 2018; pp. 198–203. [Google Scholar]
- SAIDI & SAIFI | kplc.co.ke. Available online: https://kplc.co.ke/content/item/794/saidi---saifi (accessed on 30 August 2021).
- Rouse, G.; Kelly, J. Electricity Reliability: Problems, Progress, and Policy Solutions; Galvin Electricity Initiative: Chicago, IL, USA, 2011; Available online: http://www.galvinpower.org/sites/default/files/Electricity_Reliability_031611.pdf (accessed on 15 May 2022).
- Olasunkanmi, O.G.; Deng, Z.; Todeschini, G. Load flow analysis of the Nigerian transmission grid using DIgSILENT PowerFactory. In Proceedings of the 2021 56th International Universities Power Engineering Conference: Powering Net Zero Emissions, UPEC 2021-Proceedings, Middlesbrough, UK, 31 August 2021–3 September 2021; IEEE: Piscataway, NJ, USA, 2021; pp. 8–13. [Google Scholar]
- Akintola, A.A.; Awosope, C.O.A. Reliability Analysis of Secondary Distribution System in Nigeria: A Case Study of Ayetoro 1 Substation, Lagos State. Int. J. Eng. Sci. 2017, 6, 13–21. [Google Scholar] [CrossRef]
- Alassi, A.; Bañales, S.; Ellabban, O.; Adam, G.; MacIver, C. HVDC Transmission: Technology Review, Market Trends and Future Outlook. Renew. Sustain. Energy Rev. 2019, 112, 530–554. [Google Scholar] [CrossRef]
- Dey, S.; Bhattacharya, T. Monopolar operation of Modular Multilevel DC-DC Converter Based Hybrid Bipolar HVDC Links. In Proceedings of the 2021 IEEE Texas Power Energy Conf. TPEC 2021, College Station, TX, USA, 2–5 February 2021. [Google Scholar] [CrossRef]
- DIgSILENT GmbH. Technical Reference PWM Converter; DIgSILENT GmbH Heinrich-Hertz-Straße 9: Germany, 2020. Available online: https://www.digsilent.de (accessed on 7 May 2022).
- Converter. Wartsila. Available online: https://www.wartsila.com/encyclopedia/term/converter (accessed on 9 August 2022).
- Font, A.; Ilhan, S.; Ismailoglu, H.; Cortes, F.E.; Ozdemir, A. Design and technical analysis of 500–600 kV HVDC transmission system for Turkey. In Proceedings of the 2017 10th International Conference on Electrical and Electronics Engineering, ELECO, Bursa, Turkey, 30 November–2 December 2017; pp. 201–205. [Google Scholar]
- Flourentzou, N.; Member, S.; Agelidis, V.G.; Member, S.; Demetriades, G.D. VSC-Based HVDC Power Transmission Systems: An Overview. IEEE Trans. POWER Electron. 2009, 24, 592–602. [Google Scholar] [CrossRef]
- Qin, X.; Zeng, P.; Zhou, Q.; Dai, Q.; Chen, J. Study on the development and reliability of HVDC transmission systems in China. In Proceedings of the 2016 IEEE International Conference on Power System Technology, POWERCON, Wollongong, Australia, 28 September–1 October 2016; IEEE: Piscataway, NJ, USA, 2016. [Google Scholar]
- Akinloye, B.O.; Oshevire, P.O.; Epemu, A.M. Evaluation of System Collapse Incidences on The Nigeria Power System. 2016, Volume 3. Available online: www.jmest.org (accessed on 25 July 2022).
- Department of Energy, U. Reliability Improvements from the Application of Distribution Automation Technologies-Initial Results. 2012. Available online: www.smartgrid.gov (accessed on 20 September 2022).





| Index | SAIDI (h/yr) | SAIFI (Interruption/yr) | CAIDI (h) | ASAI % |
|---|---|---|---|---|
| IEEE Standard 1366 | 1.50 | 1.10 | 1.36 | 99.9999 |
| India | 0.27 | 0.17 | 1.62 | - |
| Algeria | 45.0 | 1.40 | - | - |
| Egypt | 1.27 | 0.09 | 14.11 | - |
| Kenya | 11.5 | 4.5 | 2.6 | - |
| USA | 4.08 | 1.49 | 2.05 | 99.91 |
| UK | 1.50 | 0.80 | 1.67 | 99.96 |
| Australia | 0.93 | 0.80 | 1.16 | - |
| Load-Flow Result | ||
|---|---|---|
| P (MW) | Q (Mvar) | |
| Generation | 4804.39 | −297.566 |
| Load | 4654.46 | 1281.339 |
| Losses | 149.9325 | −2338.07 |
| Summer | Winter | |||||
|---|---|---|---|---|---|---|
| Bus | P (MW) | S (MVA) | P (MW) | S (MVA) | ||
| Aja | 162.7 | 202.76 | 136,082 | 123.41 | 123.41 | 382,826 |
| Alagbon | 162.0 | 178.52 | 119,811 | 135.03 | 143.99 | 96,638 |
| Alaoji | 414.7 | 426.69 | 286,372 | 330.6 | 403.17 | 270,584 |
| Ayede | 208.0 | 209.47 | 140,581 | 230.0 | 237.04 | 159,090 |
| Birnin-Kebbi | 198.0 | 198.02 | 132,899 | 187.0 | 202.15 | 135,669 |
| Benin | 132.9 | 179.6 | 120,536 | 170.9 | 195.43 | 131,164 |
| Ganmo | 80.0 | 80.0 | 53,691 | 122.0 | 122.61 | 82,291 |
| Gombe | 154.0 | 156.89 | 105,299 | 116.0 | 153.28 | 102,872 |
| Ikeja West | 1135.0 | 1152.56 | 773,529 | 1102.0 | 1305.86 | 876,417 |
| Jebba | 14.0 | 14.07 | 9443 | 21.0 | 22.14 | 14,856 |
| Jos | 80.0 | 101.81 | 68,331 | 54.0 | 67.18 | 45,089 |
| Kaduna | 176.0 | 176.0 | 118,121 | 102.0 | 102 | 68,456 |
| Kano | 277.0 | 277.0 | 185,906 | 199.0 | 199 | 133,557 |
| Katampe | 465.0 | 482.83 | 324,047 | 381.1 | 390.9 | 262,352 |
| Makurdi | 161.96 | 208.11 | 139,673 | 135.23 | 135.23 | 90,758 |
| New Haven | 100.0 | 101.19 | 67,913 | 170.0 | 230.22 | 154,507 |
| Onitsha | 141.5 | 152.13 | 102,104 | 168.0 | 196.37 | 131,792 |
| Osogbo | 167.0 | 195.09 | 130,930 | 162.6 | 198.04 | 132,915 |
| Sakete | 226.0 | 228.0 | 153,018 | 54.0 | 59.68 | 40,055 |
| Sapele | 64.1 | 79.94 | 53,652 | 74.4 | 74.91 | 50,278 |
| Shiroro | 61.6 | 61.8 | 41,479 | 88.0 | 88.57 | 59,444 |
| Yola | 73.0 | 77.49 | 52,008 | 42.0 | 52.5 | 35,233 |
| Lekki | 0 | 0 | 0 | 135.03 | 135.03 | 90,624 |
| Total | 4654.46 | 4939.98 | 3,315,425 | 4303.30 | 4838.73 | 3,547,467 |
| Parameters | Values |
|---|---|
| Rated DC-voltage | ±500 kV |
| Converter-rated power | 500 MVA |
| Rated AC-voltage | 330 kV |
| Topology | Bipolar |
| Short-circuit impedance | 10% |
| Copper losses | 25 MW |
| Failure frequency | 3 (1/yr) |
| Repair duration | 5 h |
| Parameters | Values |
|---|---|
| DC voltage setpoint | 1 pu |
| AC voltage setpoint | 1 pu |
| Reactive-power setpoint | 0 Mvar |
| Active-power setpoint | (to be set based on the location) |
| Index | SAIDI (h/yr) | SAIFI (Interruption/yr) | CAIDI (h) | ASAI % |
|---|---|---|---|---|
| Summer | 1.441 | 0.8105 | 1.779 | 99.9832 |
| Winter | 0.872 | 0.4037 | 2.160 | 99.9892 |
| Line | TNO | TFD (h) | |
|---|---|---|---|
| Gombe | 2 | 0.5 | Gombe: 105,299 |
| Gombe Yola | 6 | 2.99 | Yola: 52,008 |
| Birnin Kebbi Kanji | 4 | 17.14 | Birnin Kebbi: 132,899 |
| Sakete Ikeja West | 10 | 14.82 | Sakete: 153,018 |
| Index | SAIDI (h/yr) | SAIFI (Interruption/yr) | CAIDI (h) | ASAI % |
|---|---|---|---|---|
| PF results | 1.441 | 0.811 | 1.779 | 99.9832 |
| Manual calculation | 1.442 | 0.811 | 1.778 | 99.9835 |
| Difference | 0.001 | 0.000 | 0.001 | 0.0003 |
| Load-Point Interruption | Gombe | Yola | Birnin-Kebbi | Sakete |
|---|---|---|---|---|
| LPIF (1/yr) | 1.987 | 7.988 | 3.999 | 10.003 |
| LPIT (h/yr) | 0.497 | 3.487 | 17.136 | 14.824 |
| Index | SAIDI (h/yr) | SAIFI (Interruption/yr) | CAIDI (h) | ASAI % |
|---|---|---|---|---|
| Case 0-Without HVDC links | 1.441 | 0.811 | 1.779 | 99.9832 |
| Case 1-HVDC between Azura and Gombe | 1.418 | 0.716 | 1.980 | 99.9838 |
| Case 2-HVDC between Azura and Yola | 1.371 | 0.622 | 2.204 | 99.9843 |
| Load-Point Interruption Case 1 | Gombe | Yola | Birnin- Kebbi | Sakete |
|---|---|---|---|---|
| LPIF (1/yr) | 0 | 6 | 3.999 | 10.003 |
| LPIT (h/yr) | 0 | 2.99 | 17.136 | 14.824 |
| Load-Point Interruption Case 2 | Gombe | Yola | Birnin- Kebbi | Sakete |
|---|---|---|---|---|
| LPIF (1/yr) | 0 | 0 | 3.999 | 10.003 |
| LPIT (h/yr) | 0 | 0 | 17.136 | 14.824 |
Publisher’s Note: MDPI stays neutral with regard to jurisdictional claims in published maps and institutional affiliations. |
© 2022 by the authors. Licensee MDPI, Basel, Switzerland. This article is an open access article distributed under the terms and conditions of the Creative Commons Attribution (CC BY) license (https://creativecommons.org/licenses/by/4.0/).
Share and Cite
Olasunkanmi, O.G.; Apena, W.O.; Barron, A.R.; White, A.O.; Todeschini, G. Impact of a HVDC Link on the Reliability of the Bulk Nigerian Transmission Network. Energies 2022, 15, 9631. https://doi.org/10.3390/en15249631
Olasunkanmi OG, Apena WO, Barron AR, White AO, Todeschini G. Impact of a HVDC Link on the Reliability of the Bulk Nigerian Transmission Network. Energies. 2022; 15(24):9631. https://doi.org/10.3390/en15249631
Chicago/Turabian StyleOlasunkanmi, Omowumi Grace, Waliu O. Apena, Andrew R. Barron, Alvin Orbaek White, and Grazia Todeschini. 2022. "Impact of a HVDC Link on the Reliability of the Bulk Nigerian Transmission Network" Energies 15, no. 24: 9631. https://doi.org/10.3390/en15249631
APA StyleOlasunkanmi, O. G., Apena, W. O., Barron, A. R., White, A. O., & Todeschini, G. (2022). Impact of a HVDC Link on the Reliability of the Bulk Nigerian Transmission Network. Energies, 15(24), 9631. https://doi.org/10.3390/en15249631

