Abstract
A daylighting control system that uses the closed loop proportional algorithm needs to be calibrated both during nighttime and daytime. The selection of the daytime calibration time can affect the behavior of the system and is usually performed when the ratio of the illuminance of the ceiling sensor (SD,tc) to the illuminance at a point on the working plane (ED,tc) is relatively large without sunlight patches in the ceiling photo-sensor’s field of view (FOV). However, this requirement is not associated with a specific value and can be achieved under a wide range of conditions related to the sky luminance distribution. In the present work, four ceiling sensors with different field of views (FOVs) were examined in a typical north-facing office space. The effect of daytime calibration on the system’s performance was estimated through the calculation of lighting energy savings and the overdimming percentage. The results show that the effect of both the FOV of the ceiling sensor and the daytime calibration period is small except for the case of the sensor without cover, especially when it is close to the opening. In an attempt to quantify the SDtc/IDtc ratio, a new magnitude (RR) is proposed by dividing the illuminance ratios of the ceiling photo-sensor by that on the working surface during daytime and nighttime calibration. Thus, the daily calibration of the sensors with cover can be performed when RR > 1.
1. Introduction
Lighting has a significant impact on the energy balance of commercial buildings. In the USA, in these buildings, lighting accounts for 17% of the total electricity consumption [1] making it one of the largest electricity end users. During 2003, the aforementioned percentage was 38%, indicating that over the years a significant reduction occurred. In the EU, the tertiary sector lighting represents 21% of the electricity consumption [2]. The reduction of lighting energy can be achieved by a reduction in the installed power and/or the operating time. Installed power can be reduced due to a combination of improved technology (higher energy efficiency) and design practices (e.g., localized together with general lighting) while the reduction of the operating time can be realized by both personal awareness and the adoption of automation. Automation systems such as those based on the use of sensors (occupancy, illumination or luminance) or switches that operate with time scheduling can greatly increase lighting energy savings [3,4]. DLC (Day Lighting Control) systems controlled by a photo-sensor are capable of adjusting the electric lighting level according to the quantity of daylighting impinging on the photo-sensor. Their target is to maintain a constant illuminance level on the working surface although, quite often, this cannot be realized as their placement is on the ceiling and their position does not coincide with the working area they control. However, the human factor is crucial for the proper function of a lighting control system. Without its acceptance from the users, energy savings can be minimized or even negligible [5].
Williams et al. [6] performed a meta-analysis of lighting energy savings using data from 88 papers for commercial buildings. The average lighting energy savings were 28% when a daylight harvesting system was used, while the results from simulations showed that the energy savings increased by at least 10% compared to those achieved in real buildings. An interesting element of the work is the application of filters in an attempt to remove possible sources of bias. Yu and Su [7] reported energy saving results using papers for the period 2001–2014. Of these only 27% correspond to measurement data mainly in office spaces. In the majority of the examined cases, the annual energy savings are derived from an analysis using either simulation or some simple theoretical methodology. The energy savings derived from measurements in office buildings range from 20% to 62.6% while those estimated from simulations range from 25% to 80%. It has to be mentioned at this point that the resulted energy savings are related to the design illuminance and the operational schedule of the building. Doulos et al. [8], using luminaires with LED and T5 linear fluorescent lamps and T5 lamps, measured their light output and power consumption as a function of the control signal. Τhen, they simulated two types of controllers for an office space while taking into account the maintenance factor. The savings range from 74% to 83% for LED luminaires and 66% to 75% for T5 luminaires.
The photo-sensor plays an important role in the performance of a DLC system. Usually, for convenience, this sensor is mounted on the ceiling. The ratio of illuminance at a certain point (i.e., calibration point) on the working surface to the sensor signal in daylight conditions is the conditional expression for the proper functioning of the integral reset and closed-loop proportional control algorithms. In the former algorithm, the aforementioned ratio is equal to the same ratio calculated during the night setting, while in the latter, it is equal to the same ratio during the daytime setting. Due to the variability of daylighting conditions and the characteristics of the sensor (such as its FOV and its position), this ratio does not remain constant throughout the operation of the lighting system. This results in a deviation from the target illuminance on the working surface and of course the associated energy savings. However, there are cases where multiple sensors have been used, increasing energy savings achieved by the DLC system [9].
Several papers have been published on the performance of DLC systems using either a commercial sensor or a standard illuminance sensor whose FOV is modified by means of a cover. Rubinstein F. et al. [10] used scale models for two types of room shapes (scales 1/3 and 1/6 respectively) to measure the performance of the dimming system based on the relationship between the sensor’s illumination and that of an area on the working surface. Four types of sensors with different FOVs have been tested. This difference was achieved by using covers that modified the FOV appropriately. Experiments confirmed the superiority of the closed-loop proportional algorithm using a photo-sensor with a wide FOV but without viewing the aperture. R.G. Mistrick & J. Thongtipaya [11] using simulations of a typical office space (4.5 × 4.5 × 3 m) tested a number of photo-sensors together with their mounting positions in an attempt to quantify their effect on system performance. Direct, direct/indirect and indirect systems have been tested as well. In this case too, the modification of the photo-sensors’ FOV was carried out by adopting a cylindrical cover. This resulted in photo-sensors with 2 × 30° and 30° × 90° FOVs. The position of the photo-sensor and its mounting height were parameters that affected the performance of the DLC system. The criterion used was the correlation of the photo-sensor’s signal with the dimming level. A better performance of the closed loop proportional algorithm was achieved for the direct lighting system with the photo-sensor mounted on the rear part of the room and a FOV of 30° × 90°. Littlefair and Motin [12] installed daylighting systems (light-shelves, venetian blinds, prismatic glass panes) in mock-up rooms, while they simultaneously measured the performance of a DLC system using the ratio of the ceiling photo-sensor illuminance to the working surface illuminance. In contrast to the previous studies, an unshielded photo-sensor exhibited a constant behavior, while when its FOV was limited by a cylindrical cover, the behavior of the system was significantly affected by the presence of sunlight patches on the floor. It seems that a compromise with a partially shielded photo-sensor is necessary. Mistrick R & Sarkar A [13] have simulated the performance of a DLC system in five classrooms by testing various lighting systems (direct, indirect) and photo-sensors with different FOVs (unshielded, 2 × 55°, 2 × 45°, narrow commercial). They used the correlation between the photo-sensor signal and work plane illuminance as the performance criterion. It seems that an unshielded sensor behaves better in rooms with bilateral daylighting, but also in cases where the aperture is equipped with a light-shelf in combination with a direct lighting system. Photo-sensors with limited FOV behave best when placed at a distance from the aperture. As in the previous analysis (i.e., Littlefair), the presence of solar patches on the floor usually results in lower working plane illuminance than the target illuminance. Choi et al. [14] measured the spatial response of a number of photo-sensors which were then used in a DLC system installed in a 4.8 × 8.1 × 2.7 m room. The performance criterion was the correlation coefficient of the photo-sensor signal to the work plane illuminance. In the best-case scenario, the photo-sensor position was 2.4–3.4 m from the aperture and was inclined either 30° or 60° inward. Doulos et al. [15] presented a decision-making method capable of estimating the best position of a photo-sensor on the ceiling and its proper FOV based on a multiple-criteria analysis. The criteria used are (a) the correlation of the lighting levels between the working plane and the ceiling, (b) the corresponding energy savings and (c) the lighting adequacy which is defined as the percentage of occupied time with the total illuminance exceeding the design illuminance. The photo-sensor’s FOV was modified by using a telescopic cylinder and it was installed in scaled rooms (1/3 108 cases were examined, in total, with various geometrical configurations of the rooms, room sizes, window to wall ratios and orientations). Taking into account only the first criterion, the best selection seems to be the photo-sensor with the narrow FOV positioned in the middle between the aperture and the center of the room, while when the second criterion was used the best selection is the photo-sensor with the wide FOV positioned near the aperture. Mistrick et al. [16] proposed a number of parameters that can be used to determine the performance of the system. The first one is the over-dimming percentage which is defined as the percentage of the occupied hours in which the illuminance, at the examined point on the working surface, is smaller than 90% of the target illuminance. The second parameter is the Root Mean Square Error between the illuminance at a specific point on the working surface and the target illuminance. The rest are the scatter plot between dimming level and photo-sensor signal, the time plots of the dimming percentage, as provided by the lighting system and the optimum one and the distribution of the work plane illuminance. The system is calibrated using a point on the working surface which is called critical point. The basic idea is that if the requirements for lighting levels are met for this point, then they will also be met for the rest of the space. It is obvious that at this point, the number of hours throughout the year when the illumination is less than the target illumination, are maximized. Obviously, the luminaires in areas with no DLC system installed, remain in operation. L. Bellia & F. Fragliasso [17] presented a new set of indices used to evaluate the performance of a DLC system. These new indices were the Daylight Integration Adequacy (DIA), the percentage Light Deficit (LD%), the percentage Intrinsic Light Excess (ILE%) and the percentage Light Waste (LW%). With these indices, the operational conditional of a DLC can be tested and any light deficit or waste occurring can be quantified. As an application example, a small room (4 × 4 × 3 m) was modelled with two types of photo-sensors. The first has a FOV of 2 × 30° and was placed in the center of the room, while the second is aimed at the window with a 40° FOV, at a distance of 1.75 m from the window the aforementioned indices were applied in side-lit offices in the Mediterranean area [18]. In the work of M. Bonolomo et al. [19], a DLC system installed in a building was studied. The ceiling photo-sensor’s FOV and position were not considered as parameters for this analysis and the work was focused on the development of new indicators that can be used to determine the performance of a DLC system. The first of the indicators proposed was the ERI, which is the ratio of lighting energy consumption to the artificial lighting demand. The latter is the sum of the differences between target illuminance and daylight illuminance for all time steps examined. The other two proposed indices are the Over illuminance Avoidance Ratio (OAR) and the Under illuminance Avoidance Ratio (UAR) which are used to estimate the ability of the system to maintain the target illuminance. J. Wang et al. [20] have estimated the differentiation in the performance of a DLC system when real daylight data is used. The ratio of the photo-sensor signal to the critical point [16] illuminance was used as the performance criterion. The position of the ceiling photo-sensor was decided using the best correlation between photo-sensor illuminance and the critical point illuminance. The DLC calibration target was increased energy savings and the avoidance of over-dimming (<2% of operational time). The maximum difference in energy savings when real weather data was used was 15%, while the worst value of over-dimming percentage was 86%, pinpointing the necessity to perform the DLC calibration under favorable weather conditions. This work also compared the differences that occur when using different daylight calculation algorithms. Beccali et al. [21] adopted the use of a neural network (ANN) to find the relation between the working plane illuminance and the illuminance measured on another surface of the space. Since a significant part of the research work presented in the literature has been carried out using some kind of software, the following paragraph lists the various algorithms used for that purpose. Madias et al. [22], in an effort to find the optimum performance of a DLC’s photo-sensor proposed an approach that is based on the multicriteria method PROMETHE II and three criteria: visual comfort, energy savings and the coefficient of correlation between the illuminance on the working surface and the ceiling’s photo-sensor illuminance. They have used weighting factors for the aforementioned criteria equal to 0.3, 0.4 and 0.3 accordingly.
The methodologies followed for the performance analysis of the DLC systems are briefly presented in Table 1.
Table 1.
Literature summary table presenting methodologies proposed to estimate the performance of DLC systems.
Ehrlich et al. [23], in an effort to improve the accuracy of the calculated lighting energy savings when a photoelectric lighting control is simulated, developed a method within the Radiance software [24]. This method is based on a very simple concept, the multiplication of two fish-eye images. One of them represents the angular sensitivity of the sensor, while the other examines the luminance distribution of the space, as this is seen by the photo-sensor. One major drawback, at the time of the development, is that for an annual simulation a large number of renderings were needed and thus the processing time considerably increased. For the validation of the method, the ratio of task illuminance to the photo-sensor signal was used and the value achieved by the simulation was 6.5% higher. In his Msc thesis, Yoon Y. [25], in an effort to simulate the angular sensitivity of the sensor, used a transparent sphere. The sensor point in its center and its transmittance is equal to the photo-sensor’s sensitivity divided by the sensitivity of a lambertian radiator. Rsensor is a Radiance [26] command which traces rays in a scene and their results are summed up in order for the sensor’s signal to be estimated. The command uses a file which contains data related to the angular distribution of the examined sensor sensitivity. SPOT [27] is a tool for the estimation of hourly values of daylight illuminance using the design day approach and Radiance as the calculation engine. Consequently, the hourly values needed for the annual simulations are produced by interpolation. It also facilitates the design of a lighting system together with the selection of a photo-sensor and a control strategy, making the calculation of the annual lighting energy savings possible but with limited capabilities in modelling complicated geometries. The best position of the ceiling photo-sensor is estimated through the correlation of the photo-sensor’s signal with the average workplace illuminance. As can be seen from the aforementioned literature review, a significant shortcoming observed is a methodology for the selection of the day-time calibration together with the effect of the ceiling photo-sensor’s FOV on the performance of a closed loop proportional control algorithm.
Thus, such an analysis is presented in the present work in an attempt to correlate the FOV of the sensor and the time of the daily calibration of a DLC system.
2. Methodology
2.1. Case Study
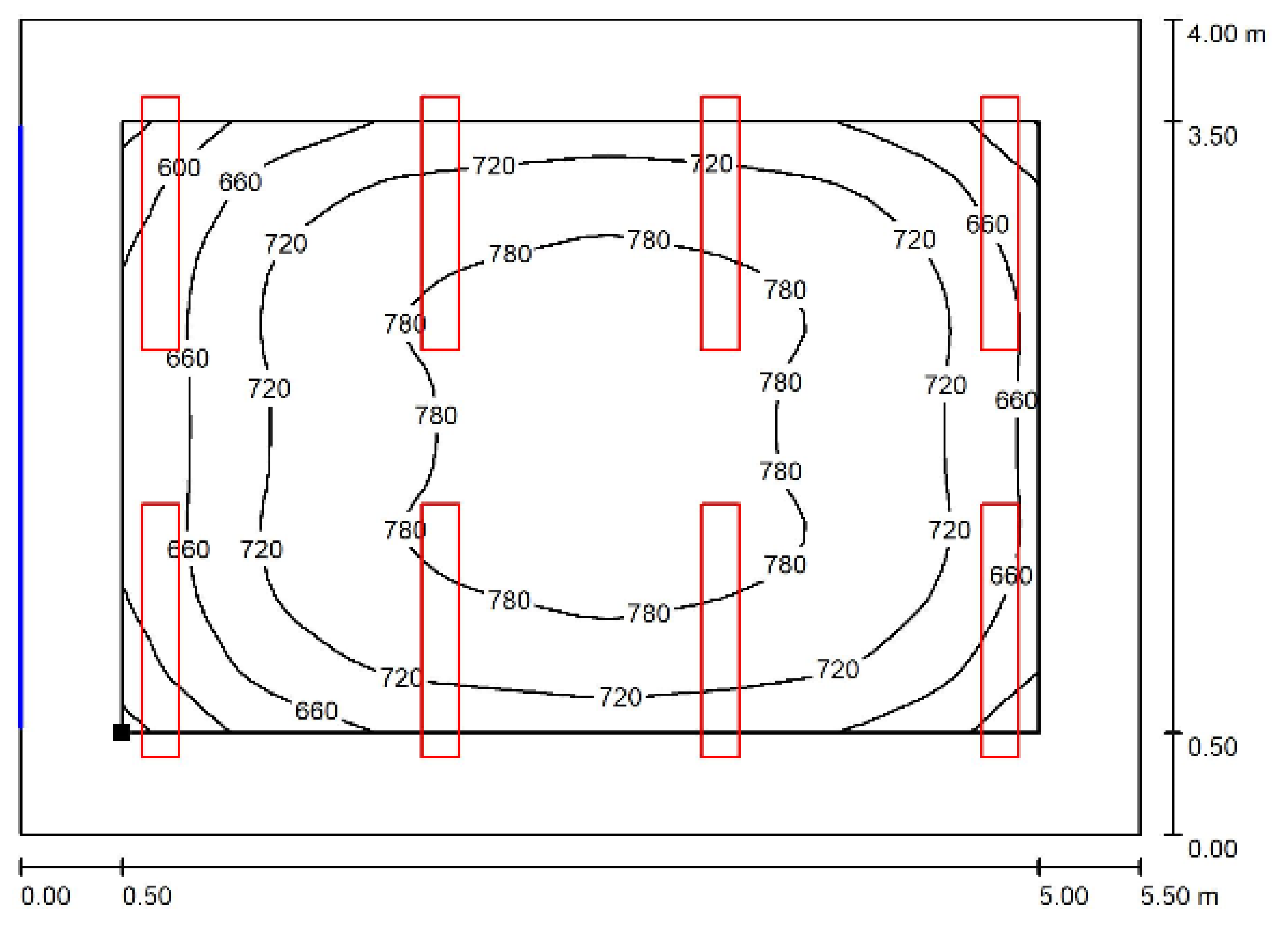
For the simulations, a north-oriented typical office space with dimensions 4 × 5.5 × 2.8 m and an opening with WFR = 20% was used. A North orientation was selected in order to avoid the sun patches in the space and thus possible saturation of the ceiling photo-sensor. According to EN 15193-2017 [4] and the way that it defines the zone near the window that is affected by daylight, all luminaires are in the daylight zone and thus can be controlled as one group. The visible transmittance of the glazing was considered to be 55%, while the reflectance values of the floor, walls and ceiling were 20%, 50% and 70% respectively. Dialux was used for the initial dimensioning of the artificial lighting system [28]. This consists of eight (8) linear 23 W/2400 lm LED luminaires (104.5 lm/W). The distribution of lighting on the typical working surface (height 0.8 m from the floor) is shown in Figure 1 without taking into account the maintenance factor (MF = 1).
Figure 1.
Working surface illuminance distribution (MF = 1).
The room was then modelled in Radiance along with the lighting system as well as the dimming control system. The latter uses a signal from a sensor located on the ceiling. The consumed power (P) of the luminaires depends on the dimming level (δ). The percentage change of the consumed power (on a scale of 0–1) in relation to the dimming level has been measured [7] and is given by the following equation:
P = −0.949 × δ4 + 2.467 × δ3 − 2.205 × δ2 + 1.650 × δ + 0.034
2.2. Simulation Procedure
The ceiling sensor has a black cylindrical cover so that its field of view (FOV) can be limited. The modelling of this cover is presented in Figure 2
Figure 2.
The Geometric configuration of the ceiling photo-sensor cover.
The photo-sensor’s black (to avoid interreflections) cover was created with the following Radiance command using the parameters presented in Figure 2:
where the parameters s and t vary from 0 to 1 in steps of 1/36 and 0 to 1 in steps of 1 accordingly. Parameters x_sen, y_sen and z_sen represent the coordinates of the sensor center. The geometrical modelling of the sensor’s cover, mentioned above, facilitates the change of its FOV while it can be easily used in an optimization method.
gensurf black aer rcos(2∗π∗s) r∗sin(2∗π∗s) “(h1 + (h2∗(cos(2∗π∗s) + 1)∗0.5))∗t” 36 1 | xform -rz 90 -rx 180 -rz 180 -t x_sen y_sen z_sen > sensor_final.rad
The simulation is performed in four stages. In the first stage, the position of the calibration point on the working surface is determined together with the position of the ceiling photo-sensor and the geometry of its cover. Five ceiling photo-sensor positions have been used along the room’s center line at distances of 1, 2, 3, 4, 5 m from the façade (Points P1, P2, P3, P4, P5). These points are presented in Figure 3. During the second stage, the lighting system is turned on and the illuminance values at both points are calculated (Eel,δ=1 and Sel,δ=1). Normally, Eel,δ=1 is larger than the design illuminance, thus the lighting system is dimmed down to a certain percentage (δmax) in order to achieve this target. In the third stage, using the typical climate file, the daylight illuminances are calculated on an hourly basis (ED and SD). In the last stage, the time of the daytime calibration is decided and using the equations presented above, the energy consumption is calculated. Daytime calibration is performed when daylight illuminance, at the control point, is within the range of 400–500 lx, since 500 lx is the design illuminance (Eel,δmax). This condition, of course, may happen at a number of hours throughout the year.
Figure 3.
Location of ceiling photo-sensors.
All simulation parameters are presented in Table 2.
Table 2.
Simulation parameters.
Radiance/DAYSIM [30] software was used for the calculation of daylight illuminances due to its short processing time. The Radiance parameters used for the calculation are presented in Table 3.
Table 3.
Radiance parameters used for the calculation of daylight illuminance.
The control algorithm used was the closed loop proportional. In this control algorithm, the dimming level (δ) is a linear function of the difference between the photo-sensor signal and the signal during nighttime calibration. The equations for this type of control were presented in [10]. However, Bellia and Fragliasso [17] presented a more detailed version by taking into account the gradual reduction of the lighting levels due to lamp depreciation and failure together with surface reflectance reduction. Thus, during the initial operation of the system, the dimming level (δ) is not set equal to one but instead equal to δmax. The relation of the dimming level to the photo-sensor signal is presented in the Figure 4.
Figure 4.
Relationship between dimming level and total photo-sensor signal.
Below are all the equations that can be used to simulate a closed-loop proportional system. The dimming level can be calculated according to the following expression:
where SD is the photo-sensor’s daylight signal, Sel,δ=1 is the photo-sensor signal at night with δ = 1 while Sel,δmax is the photo-sensor signal during night time calibration with δ = δmax.
It is obvious that:
where Iel,δ=1 and Iel,δmax are the illuminances at the control point during nighttime calibration with δ = 1 and δ = δmax accordingly.
δmax = Iel,δmax/Iel,δ=1
When daylight illuminance increases, the control algorithm reduces the lumen output of the luminaires up to a minimum dimming level (δmin) which corresponds to a limit value for the sensor’s daylight signal (SDlim). To obtain the equation for SDlim the following equation is used:
Thus if 0 ≤ SD ≤ SDlim dimming level δ is obtained using Equation (1) else δ = δmin.
For both daytime and nighttime calibration, a point of interest is selected, a point that is located on the working surface in an area where lighting levels should be maintained equal to the design illuminance. During daytime calibration, the daylight illuminance at the aforementioned point is measured together with the dimming level (δtc). As shown in Figure 1, daylight illuminance during daytime calibration should have a value lower but quite near the design illuminance. In simulation, δtc is calculated as follows:
where ED,tc is the total and daylight illuminance on the calibration point during daytime commissioning. It is evident that during daytime calibration IΤtc should be equal to the design illuminance (Eel,δmax). The slope M of the line presented in Figure 1 is estimated as follows:
It should be mentioned at this point that the ceiling sensor is located above the corresponding control point. At each control point, the mean values of the parameters were calculated, parameters which are either related to the control algorithm or to the results of its operation on the illuminance levels. These parameters are presented in Table 4.
Table 4.
Parameters examined related to the lighting control operation.
The normalized Mean Absolute Error (nMAE) and the normalized Root Mean Square Error (nRMSE) were calculated as follows:
With N the total number of operation hours per year.
where ETi is the total illuminance due to daylight and electric lighting at hour i, while ET,max and ET,min are the maximum and minimum values of the total illuminances accordingly.
Lighting Energy Savings (LES) is calculated as follows:
LES = (Lighting energy consumption with DLC-Lighting energy consumption without DLC)/Lighting energy consumption without DLC.
The average values of the aforementioned parameters were calculated on an annual basis, taking into account all the hours when the proper daytime calibration was possible.
3. Results
As already mentioned, the proper selection of the day-time calibration is crucial for the performance of the control system. The calibration can take place any hour with daylight illuminance ED,tc having values close to the design illuminance (in our case the range between 400 lx–500 lx was used). Because of this, the number of hours per year in which the day-time calibration condition is satisfied, increased with the distance from the window. Table 5 presents the number of day-time calibration hours for each control point.
Table 5.
Number of hours per annum together with their percentages when the day-time calibration condition is satisfied.
Since there are no specific criteria for the selection of a proper daytime calibration hour, the following method was initially adopted. For each day-time calibration hour, nMAE, ODP500, ODP450, nRMSE, R2 and LES have been calculated and then their mean value was estimated. For each hour of the daily calibration, the SD,tc/ED,tc ratio is different and this obviously leads to a differentiation of the results. Thus, Standard Deviation (SD) was calculated to present the dispersion of the dataset relative to its mean. The simulation results using the methodology described in the previous paragraph are presented in the graphs of Figure 5 and Figure 6.
Figure 5.
Variation of the mean value of nMAE, ODP500, ODP450, nRMSE, R2, LES in relation to the distance from the window.
Figure 6.
Standard deviation variation of the nMAE, ODP500, ODP450, nRMSE, R2, LES in relation to the distance from the window.
Examining the diagrams in Figure 5 and Figure 6, the following conclusions emerge. When the ceiling photo-sensor moves away from the opening, the lighting energy savings (LES) are reduced. The Standard deviation of LΕS is quite small indicating that all LES values calculated under different daily calibration conditions, are quite close to the average of the data set. Hence, the calculated energy savings do not depend heavily on the selection of the day-time calibration hour. Another interesting fact is that there is no significant difference in the estimated energy savings between the four types of sensors used. The maximum difference in energy savings between the four FOVs tested is 5% for point 5. Between Points P1 and P5 the difference in LES is 30% in the case of the sensor without cover and 26% for the sensor with FOV 2 × 30°. Overdimming is estimated using the percentage of hours, on an annual basis, in which the total illuminance at the control point is less than the design illuminance (500 lx). However, there is a very large number of hours during which the total illuminance is slightly less than 500 lx, due to a combination of the stochastic nature of the calculations and round-off errors. Thus, if this is used as a parameter for comparing different types of sensors, it can lead to erroneous conclusions. This is shown in the Figure 7, presenting the percentage of hours among the annual operating hours (8:00–18:00), in which the total illuminance at points 1, 3, 5 is less than 500 lx for a sensor with FOV 2 × 30°. It is obvious that the majority of illuminance values are quite close to the design illuminance of 500 lx. Consequently, the estimation of overdimming will be based on the number of hours during which illuminance is less than 90% of the design illuminance value (<450 lx in our case) [16].
Figure 7.
Percentage of hours the illuminance succeeded 500 lx for points 1, 3, 5. Daytime calibration was performed at 8:00 on 1st of January for point 1 (P1), at 11:00 on 11th of January for point 3 (P3) and at 11:00 on 20th of March for point 5 (P5).
Narrow FOV sensors show the highest values of overdimming (ODP450), especially at points P3 and P4. These percentages are 6.1% for the sensor with 2 × 30° FOV sensor and 6.6% for the 2 × 45° sensor. Standard deviation for ODP450 values is smaller when ceiling photo-sensors have wide FOVs.
In general, Standard Deviation values increased with the distance from the window for all parameters examined. Large values of SD in comparison with the mean value are observed for OD500, ODP450 and nRMSE. As mentioned above this variability is caused due to the different day-time calibration conditions and the stochastic nature of the calculation, but the latter can be decreased by increasing the values of the ray-tracing parameters. The variability of the ratio SD,tc/ED,tc among all day-time calibration hours is presented in Figure 8 and Figure 9 for ceiling photo-sensors with FOV 2 × 30° and no cover accordingly.
Figure 8.
SD,tc/ED,tc values for all day-time calibration conditions (ceiling photo-sensor with no cover).
Figure 9.
SD,tc/ED,tc values for all day-time calibration conditions (ceiling photo-sensor with FOV 2 × 30°).
The conditional expression which describes the condition that must be met in order for the daylighting control to operate efficiently is the following:
SD/ED = SD,tc/ED,tc
The nMAE parameter was used to verify the aforementioned condition. The largest nMAE values are observed near the opening especially when the exterior ground is in the ceiling sensor’s field of view. For the ceiling sensor without any cover, the nMAE range is between 0.12–0.51, while for the sensors with FOV 2 × 30° and 30 × 90° the range of nMAE values are 0.14–0.2 and 0.14–0.03 respectively. For all the cases, the minimum value of standard deviation is 0.006, while the maximum is 0.03. The ratio SD,tc/ED,tc has a larger value when ceiling sensors with wide FOV are used and when these sensors are located far away from the window as presented in Figure 10.
Figure 10.
Average values of the ratio SD,tc/ED,tc for all daytime calibration versus distance from the window for all ceiling sensor positions examined.
From Figure 10 it appears that the value of the SD,tc/EDtc ratio is particularly small when the ceiling sensor FOV is relatively narrow (e.g., 2 × 30°). In addition, when the sensor’s position is either 1 or 2 m away from the opening, the above ratio is less than the ratio during night calibration (Sel,δmax/Iel,δmax). This results in a positive value of the slope M.
The results concerning the coefficient of determination (R2) between daylight illuminance at the control points and the associated illuminance on the ceiling sensors, were as expected. When a wide FOV ceiling sensor is near the window, R2 is quite small and this value increases with the distance from the window. For all cases, points P3, P4 and P5 have a coefficient of determination larger than 0.9.
The nRMSE was used to present the difference of total illuminance at the control points from the design illuminance (500 lx). This difference can be positive or negative because many times, especially near the opening, illuminance values above 500 lx can be achieved by daylight only. Thus, the value of nRMSE increases at points near the opening and decreases with the distance from it, while the ceiling sensor’s FOV does not seem to significantly affect this distribution.
For all the parameters mentioned so far, the mean value of all daytime conditions was used. Examining the results as a whole, it seems that the best behavior (i.e., lower values in ODP450 in combination with increased LES) has the sensor with FOV 30° × 90° but with very small differences from the other sensors. In addition, this sensor shows the least dependence on the day-time calibration. In order to present the influence of the different daytime calibration conditions, boxplot graphs are used in Figure 11.
Figure 11.
Boxplot graphs for nMAE, ODP500, ODP450, nRMSE, R2 and LES. Left column results for Point 2, right column for Point 4. + sign represents the mean value while the solid dark line is the median.
All boxplots but ODP500 and ODP450 are really short. This suggests that daytime calibration does not have a strong impact on the parameters used to examine the performance of a DLC system under the examined conditions. As long as the illuminance on the working surface during daytime calibration is in the range 400–500 lx when design illuminance is 500 lx and the are no sunpatches in the ceiling photo-sensor’s FOV the results are more or less the same. The parameter that differs significantly is the ODP500 and this is because the stochastic calculation rounds off errors, as already mentioned. Thus, if the illuminance limit is set to 90% of the design illuminance, the resulting overdimming percentage (ODP450) represents a more reliable indicator. The average value of both ODP500 and ODP450 increases slightly with the distance from the window becoming taller. The parameter that is most affected by the distance from the window is the LES. Placing the photo-sensor at the back of the room significantly reduces lighting energy savings.
3.1. The Effect of Photo-Sensor Saturation
All the above results are based on simulations where the ceiling photo-sensor cannot be saturated. Saturation occurs when the ceiling photo-sensor produces the same signal above a certain illuminance value. In the simulation, such a problem does not exist since values of SD and ID can be estimated no matter how large these values are. In order to investigate this, eight commercial photo-sensors from three different manufacturers were tested. These photo-sensors were considered as separate devices that can work with any electronic dimmable ballast model or LED driver having a 0–10 V DC signal. All the photo-sensors were measured under a standard set of conditions in the Photometry Laboratory of the National Technical University of Athens. The test space was a dark room (20 m × 7 m × 4 m) with black mat painted surfaces. The Ambient temperature was kept stable at 26 °C and input voltage at 230 V AC, 50 Hz through the voltage stabilizer for all tested conditions. The saturation of the photo-sensors was measured by exposing the photo-sensor to known amounts of light radiation and measuring the resulting photocell voltage. Using an integrating sphere as presented in Figure 12, with an internal diameter of 25.4 cm, and three orthogonal ports with a 7.6 mm diameter each [31], a uniform luminance field was created in a steady state condition and light radiation was measured along with the signal of the photo-sensor [32]. Light from the light source enters the sphere through an equatorial port (port #1). A baffle inside the sphere prevents direct light emitted from the light source from entering the field of view of the photo-sensor and the radiometer sensor (Figure 13). The photo-sensor is mounted at the other equatorial port (port #2) and a radiometer sensor is located at the north-pole port (port #3). In this arrangement, both the photo-sensor and the radiometer sensor are exposed to the same spectrum of light from the light source and the same intensity as well. A clear 500 W incandescent lamp (Sylvania SYL-180 500W 220V G17Q, OSRAM Sylvania Inc., Wilmington, MA, USA) was selected as a light source covering the visible wavelength range.
Figure 12.
Integrating sphere with three orthogonal ports (#1 to #3) and their uses in the experimental procedure.
Figure 13.
Internal baffle prevents direct light from the light source to the field of view of the photo-sensor and the radiometer.
Measurements are presented in Figure 14.
Figure 14.
Signal versus illuminance for all sensors examined.
The illuminance above saturation is presented in Table 6 for all sensors examined.
Table 6.
Illuminance saturation values for all sensors examined.
The saturation illuminances that were measured are quite large and can be approached in the case of ceiling photo-sensors without a cover. But even in this case, the saturation illuminance is much higher than the signal on the sensor during the daytime calibration (max 154 lx for P1) and therefore does not affect the performance of the DLC systems simulated in the paper.
3.2. The Effect of Critical Point on DLC System Performance
The purpose of controlling the luminous flux of luminaires, in all the cases examined, is to maintain the light levels at the control points. Many times, however, these points are not known. In these cases, the critical point [16] can be used instead. This point is defined as the point on the working surface with the largest percentage of hours with illuminance from daylight only being <500 lx on a yearly basis. Figure 15 presents the position of the critical point for the room examined.
Figure 15.
Critical point position.
Unfortunately, such an arrangement can lead to large and unaccepted overdimming percentages, especially when the ceiling sensor is far from the critical point. This is presented in Figure 16.
Figure 16.
Over-dimming percentage O450 for the critical point in relation to the ceiling sensor position.
4. Discussion
From the aforementioned results, the usefulness of the simulations in the estimation of a DLC system on both energy savings and illuminance values over time is clear. However, the time of the day-time calibration is crucial for the behavior of the system. How is it possible to select the calibration hour for achieving the lowest value of the overdimming percentage? The IESNA Lighting Handbook [33] mentions that calibration at a high SD,tc/ED,tc ratio is suggested as this can reduce over-dimming percentage. This is also shown in our results. But in reality, how can one judge if the SD,tc/ED,tc ratio is large enough, since the only known parameter is the ratio Sel,δmax/Eel,δmax? Using the simulation results, the parameter ratio RR = (SD,tc/ED,tc)/(Sel,δmax/Eel,δmax) can be estimated for each control point for all ceiling sensor FOVs. Figure 17 below presents RR values as these are varied with the distance from the window.
Figure 17.
RR parameter versus distance from the window together with the regression lines.
The equations of the aforementioned regression lines are presented in Table 7.
Table 7.
Linear regression equations.
A practical rule that can be deduced from the relationship between RR and distance from the window is the following: As the ceiling sensor is not placed at distances around 1 m from the opening, the daily calibration can be performed in cases where the value of RR > 1. The same methodology can be applied to various combinations of space geometry and size, location and orientation of apertures so that the RR ratio can be determined using simulation. This value can then be used for selecting the proper hour for the daytime calibration.
5. Conclusions
The purpose of this study was to investigate the effect of daytime calibration on the performance of a closed loop proportional DLC system using simulations. Since the full simulation of a DLC system is now available, the issue of accuracy of the calculations is becoming a matter of great importance [34]. The present article tried to explore, using simulations, the following questions:
- In the simple case of a north-oriented office space, is there a point where the ceiling photo-sensor could be placed in order to achieve increased lighting energy savings and a decreased overdimming percentage at the same time?
- Closed loop proportional systems need calibration during both daytime and night time. Is there a way to determine what time of day is the best time for this? Is calibration affected by the position of the ceiling photo-sensor?
- Is there a possibility of saturating the ceiling sensor?
A typical north-facing office space was used so that there were no solar patches on the floor that would affect the daytime calibration, and four ceiling sensors with different FOVs. The ceiling sensors were placed at five points along the main axis of the space. The annual energy savings are reduced with the distance from the opening. The maximum difference in lighting energy savings between control points P1 and P5 is 30% in the case of the sensor without cover. The difference in lighting energy savings between the sensors examined is very small with the maximum difference between the four FOVs tested to be 5% for point P5. Similarly, the ODP450 is relatively small for all FOVs and increases slightly with the distance from the opening. Because the system performance in the various cases of daytime calibration is not significant, an attempt was made to estimate which value of the SD,tc/ED,tc ratio is considered suitable for the calibration. For all ceiling sensor positions the SD,tc/ED,tc ratio must be greater than the same ratio during nighttime calibration. This value increases with the distance from the opening and can be estimated in situ facilitating the determination of the daytime calibration. From the analysis presented, it is clear that only the lighting energy savings are significantly affected by the distance from the window, especially when the photo-sensors have a wide FOV.
Author Contributions
Conceptualization, A.T.; methodology, A.T. and L.D.; software, A.T. and A.M.; validation, A.T., L.D. and A.M.; formal analysis, A.T., L.D., A.M.; investigation, A.T., L.D. and A.M.; writing—original draft preparation, A.T.; writing—review and editing, L.D.; visualization, A.T., L.D. and A.M.; supervision, A.T. All authors have read and agreed to the published version of the manuscript.
Funding
This research received no external funding.
Conflicts of Interest
The authors declare no conflict of interest.
Nomenclature
| SD,tc | Illuminance on the ceiling sensor during daytime calibration |
| Sel,δ=1 | Illuminance on the ceiling sensor when lighting system is fully on |
| Sel,δmax | Illuminance on the ceiling photo-sensor when design illuminance on the working surface is achieved |
| SD | Illuminance due to daylight on the ceiling photo-sensor |
| ED,tc | Illuminance on the working surface during daytime calibration |
| Eel,δ=1 | Illuminance on the working surface when lighting system is fully on |
| Eel,δmax | Design illuminance on the working surface |
| IT | Total (electric + daylight) illuminance on the working surface |
| ID | Daylight illuminance on the working surface |
| FOV | Ceiling photo-sensor field of view |
| DLC | Daylighting Control |
| DIA | Daylight Adequacy |
| LD% | Light Deficit |
| LW% | Light Weight |
| ILE% | Intrinsic Light Excess |
| ERI | The ratio between lighting energy consumption to artificial lighting demand |
| OAR | Over Illuminance Avoidance Ratio |
| UAR | Under Illuminance Avoidance Ratio |
| ANN | Artificial Neural Network |
| δ | Percentage luminous flux output of the lighting system (dimming level) |
| δmax | Percentage luminous flux output of the lighting system when design illuminance on the working surface is achieved |
| δtc | Percentage luminous flux output of the lighting system during daytime calibration |
| P | Lighting system consumed power |
| nMAE | Normalized Mean Absolute Error |
| ODP500 | Overdimming percentage. Percentage of illuminance values being smaller than the Iel,δmax which in our case is 500 lx |
| nRMSE | normalized Root Mean Square Error |
| R2 | Coefficient of determination |
| LES | Lighting Energy Savings (%) |
| SD | Standard Deviation |
| RR | (SDtc/IDtc)/(Sel,δmax/Iel,δmax) |
References
- Trends in Lighting in Commercial Buildings, Commercial Buildings Energy Consumption Survey. J. Build. Eng. 2020, 31, 101342.
- Bertoldi, P.; Hirl, B.; Labanca, N. Energy Efficiency Status Report 2012—Electricity Consumption and Efficiency Trends in the EU-27; Publications Office of the European Union: Luxembourg, 2012. [Google Scholar] [CrossRef]
- Topalis, F.V.; Doulos, L.T. Ambient Light Sensor Integration, Handbook of Advanced Lighting Technology; Springer: Cham, Switzerland, 2017; pp. 607–634. [Google Scholar]
- EN 15193-1:2017. Energy Performance of Buildings: Energy Requirements for Lighting; Specifications, Module M9; British Standards Institution: London, UK, 2017. [Google Scholar]
- Doulos, L.T.; Tsangrassoulis, A.; Madias, E.-N.; Niavis, S.; Kontadakis, A.; Kontaxis, P.A.; Kontargyri, V.T.; Skalkou, K.; Topalis, F.; Manolis, E.; et al. Examining the impact of daylighting and the corresponding lighting controls to the users of office buildings. Energies 2020, 13, 4024. [Google Scholar] [CrossRef]
- Williams, A.; Atkinson, B.; Garbesi, K.; Page, E.; Rubinstein, F. Lighting Controls in Commercial Buildings. LEUKOS 2012, 8, 161–180. [Google Scholar] [CrossRef]
- Yu, Χ.; Su, Y. Daylight availability assessment and its potential energy Saving estimation –A literature review. Renew. Sustain. Energy Rev. 2015, 52, 494–503. [Google Scholar] [CrossRef]
- Doulos, L.T.; Tsangrassoulis, A.; Kontaxis, P.A.; Kontadakis, A.; Topalis, F.V. Harvesting daylight with LED or T5 fluorescent lamps? Role Dimming Energy Build. 2017, 140, 336–347. [Google Scholar] [CrossRef]
- Doulos, L.; Kontadakis, A.; Madias, E.; Sinou, M.; Tsangrassoulis, A. Minimizing energy consumption for artificial lighting in a typical classroom of a Hellenic public school aiming for near Zero Energy Building using LED DC luminaires and daylight harvesting systems. Energy Build. 2019, 194, 201–217. [Google Scholar] [CrossRef]
- Rubinstein, F.; Ward, G.; Verderber, R. Improving the performance of photoelectrically controlled lighting systems. J. Illum. Eng. Soc. 1989, 18, 70–94. [Google Scholar] [CrossRef] [Green Version]
- Mistrick, R.G.; Thongtipaya, J. Analysis of daylight photocell placement and view in a small office. J. Illum. Eng. Soc. 1997, 26, 150–160. [Google Scholar] [CrossRef]
- Littlefair, P.J.; Motin, A. Lighting controls in areas with innovative daylighting systems: A study of sensor type. Trans. Illum. Eng. Soc. 2001, 33, 59–73. [Google Scholar] [CrossRef]
- Mistrick, R.; Sarkar, A. A study of daylight-responsive photosensor control in five daylighted classrooms. Leukos 2005, 3, 51–74. [Google Scholar] [CrossRef]
- Choi, A.-S.; Song, K.-D.; Kim, Y.-S. The characteristics of photosensors and electronic dimming ballasts in daylight responsive dimming systems. Build. Environ. 2005, 40, 39–50. [Google Scholar] [CrossRef]
- Doulos, L.; Tsangrassoulis, A.; Topalis, F.V. Multi-criteria decision analysis to select the optimum position and proper field of view of a photosensor. Energy Convers. Manag. 2016, 86, 1069–1077. [Google Scholar] [CrossRef]
- Mistrick, R.; Casey, C.; Chen, L.; Subramaniam, S. Computer Modeling of Daylight-Integrated Photocontrol of Electric Lighting Systems. Buildings 2015, 5, 449–466. [Google Scholar] [CrossRef] [Green Version]
- Bellia, L.; Fragliasso, F. New parameters to evaluate the capability of a daylight-linked control system in complementing daylight. Build. Environ. 2017, 123, 223–242. [Google Scholar] [CrossRef]
- Bellia, L.; Fragliasso, F. Automated daylight-linked control systems performance with illuminance sensors for side-lit offices in the Mediterranean area. Autom. Constr. 2019, 100, 145–162. [Google Scholar] [CrossRef]
- Bonomolo, M.; Beccali, M.; Brano, V.L.; Zizzo, G. A set of indices to assess the real performance of daylight-linkedcontrol systems. Energy Build. 2017, 149, 235–245. [Google Scholar] [CrossRef]
- Wang, J.; Wei, M.; Chen, L. Does typical weather data allow accurate predictions of daylight quality and daylight-responsive control system performance. Energy Build. 2019, 184, 72–87. [Google Scholar] [CrossRef]
- Beccali, M.; Bonomolo, M.; Ciulla, G.; Brano, V.L. Assessment of indoor illuminance and study on best photosensors’ position for design and commissioning of Daylight Linked Control systems. A new method based on artificial neural networks. Energy 2018, 154, 466–476. [Google Scholar] [CrossRef]
- Madias, E.N.D.; Doulos, L.T.; Kontaxis, P.A.; Topalis, F.V. Multicriteria decision aid analysis for the optimum performance of an ambient light sensor: Methodology and case study. Oper. Res. Int. J. 2020, 1–29. [Google Scholar] [CrossRef]
- Ehrlich, C.; Papamichael, K.; Lai, J.; Revzan, K. A method for simulating the performance of photosensor-basedlighting controls. Energy Build. 2001, 34, 883–889. [Google Scholar] [CrossRef] [Green Version]
- Ward, G.; Shakespeare, R. Rendering with Radiance: Rendering with Radiance: The Art and Science of Lighting Visualization; Booksurge Llc.: Charleston, SC, USA, 2004; ISBN 100974538108. [Google Scholar]
- Yoon, Y. Development of a Fast and Accurate Annual Daylight Aroach for Complex Window Systems. Ph.D. Thesis, The Pennsylvania State University, The Graduate School, College of Engineering, College Township, PA, USA, 2006. [Google Scholar]
- Available online: https://github.com/LBNL-ETA/Radiance/releases (accessed on 9 August 2021).
- Available online: https://www.daylightinginnovations.com/spot-home (accessed on 9 August 2021).
- Dialux. Available online: https://www.dial.de/en/dialux/ (accessed on 9 August 2021).
- Available online: https://energyplus.net/weather-location/europe_wmo_region_6/GRC/GRC_Athens.167160_IWEC (accessed on 18 June 2021).
- Available online: https://github.com/sariths/radAux/tree/master/daysim (accessed on 28 July 2021).
- International Light Technologies. Instruction Manual, INS250 Integrating Sphere; International Light Technologies: Peabody, MA, USA, 2010. [Google Scholar]
- Technical Guide, a Guide to Intergrading Sphere Theory and Applications. Available online: www.labsphere.com (accessed on 25 October 2018).
- David, L.; DiLaura, K.; Houser, W.; Richard, G.; Mistrick, G.; Steffy, R. The Lighting Handbook, 10th ed.; IESNA: New York, NY, USA, 2011. [Google Scholar]
- Pallis, P.; Braimakis, K.; Roumpedakis, T.C.; Varvagiannis, E.; Karellas, S.; Doulos, L.; Katsaros, M.; Vourliotis, P. Energy and economic performance assessment of efficiency measures in zero-energy office buildings in Greece. Build. Environ. 2021, 206, 108378. [Google Scholar] [CrossRef]
Publisher’s Note: MDPI stays neutral with regard to jurisdictional claims in published maps and institutional affiliations. |
© 2021 by the authors. Licensee MDPI, Basel, Switzerland. This article is an open access article distributed under the terms and conditions of the Creative Commons Attribution (CC BY) license (https://creativecommons.org/licenses/by/4.0/).
















