CO2 Capture, Use, and Storage in the Cement Industry: State of the Art and Expectations
Abstract
1. Introduction
2. State of the Art of CO2 Capture in the Cement Industry
2.1. State of the Art of Post-Combustion CO2 Capture Technologies in the Cement Sector
2.1.1. Chemical Absorption
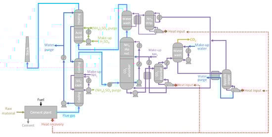
SkyMine® Process
Amine Scrubbing
Chilled Ammonia Process
2.1.2. Membrane Separation
2.1.3. Sorption with Solids
Sorption with Solids at Low Temperature
Calcium Looping
2.2. State of the Art of Oxyfuel Combustion CO2 Capture Technologies in the Cement Sector
2.3. State of the Art of Direct CO2 Capture Technologies in the Cement Sector
2.4. Comparison of CO2 Capture Technologies Evaluated or Planned in the Cement Sector
3. Future Challenges and Prospects for CO2 Capture in the Cement Industry
Author Contributions
Funding
Conflicts of Interest
Abbreviations
| 2DS | IEA’s 2 °C scenario |
| ACCTM | Aker Solution’s Advanced Carbon Capture technology |
| AIPOs | Alumino-phosphates |
| ASU | Air separation unit |
| ASTR | Automated sorbent test rig |
| B2DS | IEA’s Beyond 2 °C scenario |
| CaL | Calcium looping |
| CAP | Chilled Ammonia Process |
| CAPEX | Capital expenditure |
| CCP | Carbon Capture Project |
| CCS | CO2 capture and storage |
| CCU | CO2 capture and utilization |
| CCUS | CO2 capture, utilization and storage |
| CHP | Combined heat and power facility |
| CLEANKER | Clean clinker production by calcium looping process |
| CPU | Compression and purification unit |
| CSA | Concentration swing adsorption |
| DCC | Direct contact cooler |
| DOE-NETL | United States Department of Energy’s National Energy Technology Laboratory |
| CDRMax® | Carbon Clean’s amine-based CO2 capture technology |
| CEMBUREAU | The European Cement Association |
| DEA | Diethanolamine |
| DSR | Direct separator reactor |
| ECRA | European Cement Research Academy |
| EHR | Excess heat recovery |
| EOR | Enhanced oil recovery |
| ESP | Electrostatic precipitator |
| FGD | Flue gas desulfurization |
| FSC | Fixed-site carrier |
| GCCA | Global Cement and Concrete Association |
| IEA | International Energy Agency |
| IFK | Institute of Combustion and Power Plant Technology at the University of Stuttgart |
| ITRI | Industrial Technology Research Institute |
| HECLOT | High Efficiency Calcium Looping Technology |
| LEILAC | Low Emissions Intensity Lime and Cement |
| MAL | Membrane-assisted liquefaction |
| MEA | Monoethanolamine |
| MOFs | Metal organic frameworks |
| MTU | Mobile test unit |
| NDC | National determined contributions |
| NTNU | Norwegian University of Science and Technology |
| OPEX | Operational expenditures |
| PSA | Pressure swing adsorption |
| PVAm | Polyvinylamine |
| RCC | GE’s Regenerative Calcium Cycle |
| RTI | Research Triangle Institute |
| RTS | IEA’s Reference Technology Scenario |
| SAPOs | Alumino-silico-phosphates |
| SFMB | Staged fluidized moving bed |
| SNCR | Selective non catalytic reduction |
| SPECCA | Specific primary energy consumption for CO2 avoided |
| TCC | Taiwan Cement Company |
| TRL | Technology readiness level |
| TSA | Temperature swing adsorption |
| VSA | Vacuum swing adsorption |
| VTCSA | Vacuum, temperature, and concentration swing adsorption |
Symbols and Colors Notation
![]() | Baghouse filter | ![]() | Air |
![]() | Coalescing filter | ![]() | Air in-leaks |
![]() | Cooler | ![]() | Clinker/cement |
![]() | Centrifugal pump | ![]() | CO2 product |
![]() | Compressor | ![]() | Flue gas |
![]() | Cyclone | ![]() | Fuel |
![]() | Filter | ![]() | Heat |
![]() | Heater | ![]() | Heat recovery |
![]() | Heat exchanger | ![]() | Other process streams |
![]() | Fan/blower | ![]() | Power |
![]() | Mill | ![]() | Raw meal/feedstock |
![]() | Reboiler | ![]() | Solvent/sorbent |
![]() | Rotary kiln | ![]() | Steam |
![]() | Silo | ![]() | Water |
![]() | Stack | ||
![]() | Tower/vessel | ||
![]() | Vacuum pump |
References
- Edwards, P. The 2010’s: A decade in the cement sector. Global Cement, 5 December 2019; 10–17. [Google Scholar]
- IEA. Cement. Available online: https://www.iea.org/reports/cement (accessed on 30 July 2020).
- IEA; CSI. Technology Roadmap Low-Carbon Transition in the Cement Industry; IEA: Paris, France, 2018. [Google Scholar]
- IEAGHG. CO2 Capture in the Cement Industry; IEAGHG: Cheltenham, UK, 2008. [Google Scholar]
- Bellona. Climate Action in the Cement Industry; Bellona: Oslo, Norway, 2020. [Google Scholar]
- IEA. World Energy Outlook 2019; International Energy Agency (IEA): Paris, France, 2019; ISBN 978-92-64-97300-8. [Google Scholar]
- Andrew, R.M. Global CO2 emissions from cement production. Earth Syst. Sci. Data 2018, 10, 195–217. [Google Scholar] [CrossRef]
- Hepburn, C.; Adlen, E.; Beddington, J.; Carter, E.A.; Fuss, S.; Mac Dowell, N.; Minx, J.C.; Smith, P.; Williams, C.K. The technological and economic prospects for CO2 utilization and removal. Nature 2019, 575, 87–97. [Google Scholar] [CrossRef] [PubMed]
- IPCC. Global Warming of 1.5 °C: An IPCC Special Report on the Impacts of Global Warming of 1.5 °C above Pre-Industrial Levels and Related Global Greenhouse Gas Emission Pathways, in the Context of Strengthening the Global Response to the Threat of Climate Change, Sustainable Development, and Efforts to Eradicate Poverty; Masson-Delmotte, V., Zhai, P., Pörtner, H.-O., Roberts, D., Skea, J., Shukla, P.R., Pirani, A., Moufouma-Okia, W., Péan, C., Pidcock, R., et al., Eds.; IPCC: Geneva, Switzerland, 2018. [Google Scholar]
- GCCA. GCCA Launches ‘Innovandi—The Global Cement and Concrete Research Network’. Singapore, 10 October 2019. Available online: https://gccassociation.org/news/gcca-launches-innovandi-the-global-cement-and-concrete-research-network/ (accessed on 1 August 2020).
- GCCA. Innovandi—The Global Cement and Concrete Research Network. Available online: https://gccassociation.org/innovandi/ (accessed on 1 August 2020).
- CEMBUREAU. Cementing the European Green Deal; The European Cement Association: Brussels, Belgium, 2020. [Google Scholar]
- Beumelburg, C. HeidelbergCement First Cement Company to Receive Approval for Science-Based CO2 Reduction Targets. 13 May 2019. Available online: https://www.heidelbergcement.com/en/pr-13-05-2019 (accessed on 6 May 2020).
- HeidelbergCement. HeidelbergCement and Partners Drive Innovative CO2 Separation. 30 March 2020. Available online: https://www.heidelbergcement.com/en/pr-30-03-2020 (accessed on 6 August 2020).
- GCCSI. The Global Status of CCS: 2019; Global CCS Institute: Melbourne, Australia, 2019. [Google Scholar]
- IPCC. IPCC Special Report on Carbon Dioxide Capture and Storage; Metz, B., Davidson, O., Coninck, H.C.D., Loos, M., Meyer, L.A., Eds.; Cambridge University Press: Cambridge, UK; New York, NY, USA, 2005; ISBN 13 978-0-521-86643-9. [Google Scholar]
- IEA. Transforming Industry through CCUS; International Energy Agency: Paris, France, 2019. [Google Scholar]
- Naranjo, M.; Brownlow, D.T.; Garza, A. CO2 capture and sequestration in the cement industry. Energy Procedia 2011, 4, 2716–2723. [Google Scholar] [CrossRef]
- ECRA. Carbon Capture Technology—Options and Potentials for the Cement Industry; TR 044/2007; European Cement Research Academy GmbH: Düsseldorf, Germany, 2007. [Google Scholar]
- Hills, T.; Leeson, D.; Florin, N.; Fennell, P. Carbon Capture in the Cement Industry: Technologies, Progress, and Retrofitting. Environ. Sci. Technol. 2015, 50. [Google Scholar] [CrossRef] [PubMed]
- CEMBUREAU. The Role of Cement in the 2050 Low Carbon Economy; The European Cement Association: Brussels, Belgium, 2018. [Google Scholar]
- Bjerge, L.-M.; Brevik, P. CO2 Capture in the Cement Industry, Norcem CO2 Capture Project (Norway). Energy Procedia 2014, 63, 6455–6463. [Google Scholar] [CrossRef]
- Walters, J. SkyMine® Beneficial CO2 Use Project. Final Report; Skyonic Corporation: Austin, TX, USA, 2016. [Google Scholar]
- Jones, J.; Barton, C.; Clayton, M.; Yablonsky, A.; Legere, D. SkyMine® Carbon Mineralization Pilot Project. Final Phase 1 Topical Report; Skyonic Corporation: Austin, TX, USA, 2011. [Google Scholar]
- Bottoms, R.R. Process for Separating Acidic Gases. U.S. Patent 1783901, 2 December 1930. [Google Scholar]
- IEAGHG. Integrated Carbon Capture and Storage Project at Saskpower’s Boundary Dam Power Station; IEA Environmental Projects Ltd.: Cheltenham, UK, 2015. [Google Scholar]
- Miyamoto, O.; Maas, C.; Tsujiuchi, T.; Inui, M.; Hirata, T.; Tanaka, H.; Yonekawa, T.; Kamijo, T. KM CDR ProcessTM project update and the new novel solvent development. Energy Procedia 2017, 114, 5616–5623. [Google Scholar] [CrossRef]
- Dubois, L.; Thomas, D. Comparison of various configurations of the absorption-regeneration process using different solvents for the post-combustion CO2 capture applied to cement plant flue gases. Int. J. Greenh. Gas Control 2018, 69, 20–35. [Google Scholar] [CrossRef]
- Wang, M.; Lawal, A.; Stephenson, P.; Sidders, J.; Ramshaw, C. Post-combustion CO2 capture with chemical absorption: A state-of-the-art review. Chem. Eng. Res. Des. 2011, 89, 1609–1624. [Google Scholar] [CrossRef]
- Kim, S.; Shi, H.; Lee, J.Y. CO2 absorption mechanism in amine solvents and enhancement of CO2 capture capability in blended amine solvent. Int. J. Greenh. Gas Control 2016, 45, 181–188. [Google Scholar] [CrossRef]
- Dutcher, B.; Fan, M.; Russell, A.G. Amine-based CO2 capture technology development from the beginning of 2013—A review. ACS Appl. Mater. Interfaces 2015, 7, 2137–2148. [Google Scholar] [CrossRef]
- Knudsen, J.N.; Bade, O.M.; Askestad, I.; Gorset, O.; Mejdell, T. Pilot plant demonstration of CO2 capture from cement plant with advanced amine technology. Energy Procedia 2014, 63, 6464–6475. [Google Scholar] [CrossRef]
- Bartolomé Muñoz, C.; Mora Peris, P.; Recalde Rodríguez, J.D. Estado del Arte de las Tecnologías de Captura y Almacenamiento de CO2 en la Industria del Cemento; Agrupación de Fabricantes de Cemento de España: Madrid, Spain, 2011; ISBN 978-84-615-5702-8. [Google Scholar]
- Vega, F.; Baena-Moreno, F.M.; Gallego Fernández, L.M.; Portillo, E.; Navarrete, B.; Zhang, Z. Current status of CO2 chemical absorption research applied to CCS: Towards full deployment at industrial scale. Appl. Energy 2020, 260, 114313. [Google Scholar] [CrossRef]
- IEAGHG. Deployment of CCS in the Cement Industry; IEA Environmental Projects Ltd.: Cheltenham, UK, 2013. [Google Scholar]
- Knudsen, J.N. Results and Future Perspective of Aker Solutions’ Amine Project. In Proceedings of the Norcem CO2 Capture Project, Langesund, Norway, 20 May 2015. [Google Scholar]
- Gardarsdottir, S.O.; De Lena, E.; Romano, M.; Roussanaly, S.; Voldsund, M.; Pérez-Calvo, J.-F.; Berstad, D.; Fu, C.; Anantharaman, R.; Sutter, D.; et al. Comparison of Technologies for CO2 Capture from Cement Production—Part 2: Cost Analysis. Energies 2019, 12, 542. [Google Scholar] [CrossRef]
- Government.no. The Government Launches ‘Longship’ for Carbon Capture and Storage in Norway. Norway, 21 September 2020. Available online: https://www.regjeringen.no/en/aktuelt/the-government-launches-longship-for-carbon-capture-and-storage-in-norway/id2765288/ (accessed on 13 October 2020).
- Knudsen, J.C. Carbon Capture Utilization and Storage (CCUS). In Proceedings of the Carnegie ESG Seminar, Oslo, Norway, 21 November 2019. [Google Scholar]
- AkerSolutions. Aker Solutions’ Carbon Capture and Storage Technology Gets DNV GL Approval. Norway, 29 April 2020. Available online: https://www.akersolutions.com/news/news-archive/2020/aker-solutions-carbon-capture-and-storage-technology-gets-dnv-gl-approval/ (accessed on 30 July 2020).
- GCCSI. World’s Largest Capture Pilot Plant for Cement Commissioned in China. Available online: https://www.globalccsinstitute.com/news-media/insights/worlds-largest-capture-pilot-plant-for-cement-commissioned-in-china/ (accessed on 5 August 2020).
- Conch. Conch Group’s First Batch of Industrial Grade Carbon Dioxide Products Were Successfully Dispatched for Sale. 31 October 2018. Available online: http://www.conch.cn/en/News/info.aspx?itemid=166511 (accessed on 4 August 2020).
- GCCSI. Dalmia Cement (Bharat) Limited and Carbon Clean Solutions Team up to Build Cement Industry’s Largest Carbon Capture Plant. Available online: https://www.globalccsinstitute.com/news-media/latest-news/dalmia-cement-bharat-limited-and-carbon-clean-solutions-team-up-to-build-cement-industrys-largest-carbon-capture-plant/ (accessed on 24 July 2020).
- CarbonClean. Solvents. Available online: https://www.carbonclean.com/solvents (accessed on 13 October 2020).
- Lombardo, G.; Agarwal, R.; Askander, J. Chilled Ammonia Process at Technology Center Mongstad—First results. Energy Procedia 2014, 51, 31–39. [Google Scholar] [CrossRef]
- Voldsund, M.; Gardarsdottir, S.O.; De Lena, E.; Pérez-Calvo, J.-F.; Jamali, A.; Berstad, D.; Fu, C.; Romano, M.; Roussanaly, S.; Anantharaman, R.; et al. Comparison of technologies for CO2 capture from cement production—Part 1: Technical evaluation. Energies 2019, 12, 559. [Google Scholar] [CrossRef]
- Augustsson, O.; Oskarsson, A.; Grubbström, J.; Sutter, D. D10.4. Feasibility Study for CAP Process Scale-up; GE Power Sweden: Norrköping, Sweden, 2018. [Google Scholar]
- Jordal, K.; Abanades, C.; Cinti, G.; Berstad, D.; Hoenig, V.; Hornberger, M.; Monteiro, J.G.; Gardarsdottir, S.; Ruppert, J.; Størset, S.; et al. D2.11. CEMCAP Strategic Conclusions—Progressing CO2 Capture from Cement towards Demonstration Revision 1; SINTEF Energi AS: Trondheim, Norway, 2019. [Google Scholar]
- Baker, R.W.; Freeman, B.; Kniep, J.; Huang, Y.I.; Merkel, T.C. CO2 capture from cement plants and steel mills using membranes. Ind. Eng. Chem. Res. 2018, 57, 15963–15970. [Google Scholar] [CrossRef]
- He, X. A review of material development in the field of carbon capture and the application of membrane-based processes in power plants and energy-intensive industries. Energy Sustain. Soc. 2018, 8, 34. [Google Scholar] [CrossRef]
- Hägg, M.B.; Lindbråthen, A.; He, X.; Nodeland, S.G.; Cantero, T. Pilot demonstration-reporting on CO2 capture from a cement plant using hollow fiber process. Energy Procedia 2017, 114, 6150–6165. [Google Scholar] [CrossRef]
- He, X. The latest development on membrane materials and processes for post-combustion CO2 capture: A review. SF J. Mater. Chem. Eng. 2018, 1, 1009:1–1009:8. [Google Scholar]
- SINTEF. CEMCAP. Available online: https://www.sintef.no/projectweb/cemcap/research/sp4/wp11-membrane-assisted-co2-liquefaction/ (accessed on 30 July 2020).
- Sayari, A.; Belmabkhout, Y.; Serna-Guerrero, R. Flue gas treatment via CO2 adsorption. Chem. Eng. J. 2011, 171, 760–774. [Google Scholar] [CrossRef]
- Ruthven, D.M. Principles of Adsorption and Adsorption Processes; John Wiley and Sons: New York, NY, USA, 1984; ISBN 1-56081-517-5. [Google Scholar]
- Nelson, T.O.; Kataria, A.; Mobley, P.; Soukri, M.; Tanthana, J. RTI’s solid sorbent-based CO2 capture process: Technical and economic lessons learned for application in coal-fired, NGCC, and cement plants. Energy Procedia 2017, 114, 2506–2524. [Google Scholar] [CrossRef]
- Total. Svante, LafargeHolcim, Oxy Low Carbon Ventures and Total Launch Study for Commercial-Scale Carbon Capture and End-Use at U.S. Plant. Vancouver/Zurich/Houston/Paris, 6 January 2020. Available online: https://www.total.com/media/news/press-releases/svante-lafargeholcim-oxy-low-carbon-ventures-and-total-launch-study-commercial-scale-carbon-capture (accessed on 24 July 2020).
- Total. U.S. Department of Energy’s National Energy Technology Laboratory Announces Investment to Further Develop LH CO2MENT Colorado Project, Carbon Capture Technology. 17 September 2020. Available online: https://www.total.com/media/news/actualites/us-department-of-energys-national-energy-technology-laboratory-announces (accessed on 13 October 2020).
- Svante. Available online: https://svanteinc.com/carbon-capture-technology/ (accessed on 29 June 2020).
- Moore, A. US 45Q Tax Credit Key to Developing Carbon Capture Facility in Colorado; S&P Global Platts; 2020; Available online: https://www.spglobal.com/platts/en/market-insights/latest-news/coal/010820-us-45q-tax-credit-key-to-developing-carbon-capture-facility-in-colorado. (accessed on 13 October 2020).
- LafargeHolcim. LafargeHolcim Launches Carbon Capture Project in Canada. Zug. Available online: https://www.lafargeholcim.com/lafargeholcim-launch-carbon-capture-project-canada (accessed on 24 July 2020).
- Hornberger, M.; Spörl, R.; Scheffknecht, G. Calcium looping for CO2 capture in cement plants—Pilot scale test. Energy Procedia 2017, 114, 6171–6174. [Google Scholar] [CrossRef]
- de Lena, E.; Spinelli, M.; Romano, M.C. CO2 capture in cement plants by “Tail-end” Calcium Looping process. Energy Procedia 2018, 148, 186–193. [Google Scholar] [CrossRef]
- Cinti, G.; Matai, R.; Becker, S.; Alonso, M.; Abanades, C.; Spinelli, M.; De Lena, E.; Consonni, S.; Romano, M.; Hornberger, M.; et al. Options for Calcium Looping for CO2 Capture in the Cement Industry. In Proceedings of the 2nd ECRA/CEMCAP Workshop: Carbon Capture Technologies in the Cement Industry, Dusseldorf, Germany, 6–7 November 2017. [Google Scholar]
- de Lena, E.; Spinelli, M.; Gatti, M.; Scaccabarozzi, R.; Campanari, S.; Consonni, S.; Cinti, G.; Romano, M.C. Techno-economic analysis of calcium looping processes for low CO2 emission cement plants. Int. J. Greenh. Gas Control 2019, 82, 244–260. [Google Scholar] [CrossRef]
- Chang, M.-H.; Chen, W.-C.; Huang, C.-M.; Liu, W.-H.; Chou, Y.-C.; Chang, W.-C.; Chen, W.; Cheng, J.-Y.; Huang, K.-E.; Hsu, H.-W. Design and experimental testing of a 1.9 MWth calcium looping pilot plant. Energy Procedia 2014, 63, 2100–2108. [Google Scholar] [CrossRef]
- Hwang, Y. HECLOT, an Innovation for Circular Economy. ITRI Today Spring. 2020. Available online: https://itritoday.itri.org/100/content/en/unit_02-3.html (accessed on 4 August 2020).
- ITRI. Calcium-Looping CO2 Capture Technology. Available online: https://www.itri.org.tw/english/ListStyle.aspx?DisplayStyle=01_content&SiteID=1&MmmID=1037333532432522160&MGID=621024013054352667 (accessed on 4 August 2020).
- CN. Taiwan Cement Co Sets CO2 Capture Targets. CemNet. 12 June 2019. Available online: https://www.cemnet.com/News/story/166756/taiwan-cement-co-sets-co2-capture-targets.html (accessed on 4 August 2020).
- Balfe, M.C.; Augustsson, O.; Tahoces-soto, R.; Bjerge, L.-M.H. Alstom’s Regenerative Calcium Cycle—Norcem derisking study: Risk mitigation in the development of a 2nd generation CCS technology. Energy Procedia 2014, 63, 6440–6454. [Google Scholar] [CrossRef]
- Balfe, M. Alstom’s Regenerative Calcium Cycle. Results and Future Perspective. In Proceedings of the Norcem CO2 Capture Project—Int. CCS Conference, Langesund, Norway, 20–21 May 2015. [Google Scholar]
- Arias, B.; Alonso, M.; Abanades, C. CO2 capture by calcium looping at relevant conditions for cement plants: Experimental testing in a 30 kWth pilot plant. Ind. Eng. Chem. Res. 2017, 56, 2634–2640. [Google Scholar] [CrossRef]
- Jordal, K.; Voldsund, M.; Størset, S.; Fleiger, K.; Ruppert, J.; Spörl, R.; Hornberger, M.; Cinti, G. CEMCAP—Making CO2 capture retrofittable to cement plants. Energy Procedia 2017, 114, 6175–6180. [Google Scholar] [CrossRef]
- Fantini, M. Clean and Green. World Cement. September 2019. Available online: http://www.cleanker.eu/clean-and-green-world-cement (accessed on 4 August 2020).
- EC. CLEANKER CLEAN clinKER Production by Calcium Looping Process. Available online: https://ec.europa.eu/inea/en/horizon-2020/projects/h2020-energy/carbon-capture-storage-power-plants/cleanker (accessed on 24 July 2020).
- CLEANKER. Clean Clinker by Calcium Looping for Low CO2 Cement. Available online: http://www.cleanker.eu/ (accessed on 24 July 2020).
- ECRA. ECRA CCS Project: Report on Phase IV.A; TR-ECRA-128/2016; European Cement Research Academy: Düsseldorf, Germany, 2016. [Google Scholar]
- Ditaranto, M.; Bakken, J. Study of a full scale oxy-fuel cement rotary kiln. Int. J. Greenh. Gas Control 2019, 83, 166–175. [Google Scholar] [CrossRef]
- ECRA. CCS—Carbon Capture and Storage. Available online: https://ecra-online.org/research/ccs/ (accessed on 5 August 2020).
- ECRA. Cement Industry Launches an Industrial-Scale Carbon Capture Project. 29 January 2018. Available online: https://ecra-online.org/press-releases/ (accessed on 10 July 2020).
- Hills, T.P.; Sceats, M.; Rennie, D.; Fennell, P. LEILAC: Low Cost CO2 Capture for the Cement and Lime Industries. Energy Procedia 2017, 114 (Suppl. C), 6166–6170. [Google Scholar] [CrossRef]
- CCJ. LEILAC Project Moves to Phase 2. Carbon Capture J. 2020, 75, 8. [Google Scholar]
- IEA. ETP Clean Energy Technology Guide. Available online: https://www.iea.org/articles/etp-clean-energy-technology-guide (accessed on 13 October 2020).
- IEA. Energy Technologies Perspectives 2020; International Energy Agency: Paris, France, 2020. [Google Scholar]
















| Technology | Project | Test Location | Operation | Scale of Field Test | Type | Energy Consumption | Cost |
|---|---|---|---|---|---|---|---|
| SkyMine® | SkyMine® Beneficial CO2 Use Project | Capitol Aggregates’ San Antonio cement plant, Texas, United States of America | 2015– | 76,488 t CO2/y | CCU | 8.3 GJe/t CO2 [23] | $125 M a [23] |
| Aker Solution’s ACCTM | Norcem CO2 capture project | Norcem’s cement plant, Brevik, Norway | 2014–2015 | 450 Nm3/h kiln flue gas 140–250 kg CO2/h | capture | 3.0 GJ/t CO2 b,c,d 2.7 GJ/t CO2 b,d 0 GJ/t CO2 b [36] | NA |
| Aker Solution’s ACCTM | Norway’s full chain CCS | Norcem’s cement plant, Brevik, Norway | 2023– | 400,000 t CO2/y | CCS | NA | NA |
| Amine scrubbing | Anhui Conch Cement project | Anhui Conch’s cement plant in Wuhu, China | 2018– | 50,000 t CO2/y | CCU | NA | $10 M |
| CDRMax® | Dalmia Cement project | Dalmia cement’s plant in Tamil Nadu, India | NA | 500,000 t CO2/y | CCU | NA | $40/t CO2 [44] |
| CAP | CEMCAP | GE’s Technology Center in Växjö, Sweden | 2015–2018 | - | Individual components tested: absorber, DCC-scrubber and water wash | 2.37 GJ/t CO2 b [47] 3.75 GJ/t CO2 e [46] | 66.2 €/t CO2 [37] |
| Membranes | Norcem CO2 capture project | Norcem’s cement plant, Brevik, Norway | 2014 | NA | capture | NA | NA |
| Membranes | MemCCC project | Norcem’s cement plant, Brevik, Norway | 2016 | 37 Nm3/h kiln flue gas | capture | 1.20 GJe/t CO2 [51] | 47–48 €/t CO2 d [51] |
| MAL | CEMCAP | TNO, Eindhoven, Netherlands and SINTEF Energy Research, Trondheim, Norway | 2015–2018 | - | Individual components tested separately: membranes and liquefaction | 3.22 GJe/t CO2 e [46] | 83.5 €/t CO2 [37] |
| RTI solid sorbent technology | Norcem CO2 capture project | Norcem’s cement plant, Brevik, Norway | 2016 | NA | capture | 2.4 GJ/t CO2 b,c,d [56] | 45.8 €/t CO2 c,d 40.7 €/t CO2 d 38.6 €/t CO2 [56] |
| VeloxothermTM | LafargeHolcim Cement Carbon Capture | Holcim Portland cement plant, Colorado, United States of America | 2023– | 2,000,000 t CO2/y | CCUS (EOR) | NA | $150 M $50/t CO2 [60] |
| VeloxothermTM | CO2MENT | Lafarge’s Richmond British Columbia cement plant, Canada | 2019–2022 | 1 t CO2/d | CCU | NA | $28 M |
| HECLOT | ITRI’s Calcium Looping Pilot | Ho Ping Cement plant, Taiwan | 2013– | 1 t CO2/h | capture | NA | $30/t CO2 [67] |
| RCC | Norcem CO2 capture project | Institute of Combustion and Power Plant Technology at the University of Stuttgart (IFK), Germany | 2013–2017 | - | - | 3.13 GJ/t CO2 e,h 1.45 GJ/t CO2 e,i [71] | NA |
| CaL | CEMCAP | IFK, Stuttgart University, Germany INCAR-CSIC, Spain | 2015–2018 | - | - | 4.42 GJ/t CO2 e,f,h 4.07 GJ/t CO2 e,g,h 3.17 GJ/t CO2 e,i [65] | 52.4 €/t CO2 h 58.6 €/t CO2 i [37] |
| Entrained CaL | CLEANKER | Buzzi Unicem Vernasca cement plant, Italy | 2019–2021 | 1000 Nm3/h kiln flue gas | capture and mineralization testing | NA | NA |
| Oxyfuel combustion | CEMCAP | HeidelbergCement plant, Hannover | 2015–2018 | - | oxyfuel prototype testing: clinker cooler and burner | 1.63 GJ/t CO2 e | 42.4 €/t CO2 [37] |
| Oxyfuel combustion | ECRA’s CCS project | HeidelbergCement plant in Coleferro, Italy Lafarge Holcim plant in Retznei, Austria | NA | NA | NA | NA | 80 M€ [80] |
| Direct capture | LEILAC | Lixhe, Belgium | 2020 | 25,000 t CO2/y | NA | NA | NA |
| Direct capture | LEILAC 2 | Heidelberg cement plant in Western Europe | 2020–2024 | 100,000 t CO2/y | NA | NA | NA |
Publisher’s Note: MDPI stays neutral with regard to jurisdictional claims in published maps and institutional affiliations. |
© 2020 by the authors. Licensee MDPI, Basel, Switzerland. This article is an open access article distributed under the terms and conditions of the Creative Commons Attribution (CC BY) license (http://creativecommons.org/licenses/by/4.0/).
Share and Cite
Plaza, M.G.; Martínez, S.; Rubiera, F. CO2 Capture, Use, and Storage in the Cement Industry: State of the Art and Expectations. Energies 2020, 13, 5692. https://doi.org/10.3390/en13215692
Plaza MG, Martínez S, Rubiera F. CO2 Capture, Use, and Storage in the Cement Industry: State of the Art and Expectations. Energies. 2020; 13(21):5692. https://doi.org/10.3390/en13215692
Chicago/Turabian StylePlaza, Marta G., Sergio Martínez, and Fernando Rubiera. 2020. "CO2 Capture, Use, and Storage in the Cement Industry: State of the Art and Expectations" Energies 13, no. 21: 5692. https://doi.org/10.3390/en13215692
APA StylePlaza, M. G., Martínez, S., & Rubiera, F. (2020). CO2 Capture, Use, and Storage in the Cement Industry: State of the Art and Expectations. Energies, 13(21), 5692. https://doi.org/10.3390/en13215692
































