Zoning Evaluation for Voltage Optimization in Distribution Networks with Distributed Energy Resources
Abstract
:1. Introduction
2. Brief Recalls of the Linear Method
- and are the variations of, respectively, the active and the reactive powers out-flowing the -th node of the grid;
- is the variation of the squared nodal voltage at the -th node of the grid;
- is a subset of including only the nodes of the network with DERs;
- are the variations of, respectively, the active and reactive powers injected by a DER at the -th node of the grid.
3. Zoning Methodologies
- Defining an electrical distance among the nodes of the network;
- Grouping the nodes into VCZs;
- Identifying a PN in each VCZ;
- Determining the optimum number of VCZs.
3.1. Electrical Distances
- Sensitivity to the only active power;
- Sensitivity to the only reactive power;
- Sensitivity to both active and reactive powers.
3.1.1. Sensitivities to Active Powers
3.1.2. Sensitivities to the Reactive Powers
3.1.3. Sensitivities to Active and Reactive Powers
3.2. Voltage Control Zones
- Aggregation based on the only active power;
- Aggregation based on the only reactive power;
- Aggregation based on both active and reactive powers.
3.2.1. Aggregation Based on Active Power
3.2.2. Aggregation Based on Reactive Power
3.2.3. Aggregation Based on Active and Reactive Powers
3.3. Pilot Nodes
- from extract the submatrix composed of the rows and columns corresponding to the nodes clustered in ;
- evaluate the sum of all the elements of contained in each row;
- choose the node corresponding to the row of with the minimum sum.
3.4. Clustering Quality Indices
4. Application to a Voltage Optimization Problem
- is the reference value of the i-th nodal voltage amplitude ;
- is the acceptable variation of ;
- and are the available ranges of, respectively, the active and reactive powers of the k-th DER.
- Measuring the voltage amplitude at the slack node;
- Collecting the measures of active and reactive powers injected/absorbed by DERs and loads;
- Solving a minimization problem subject to PF equations and network constraints;
- Sending the optimal set-points to the local controllers of the DERs installed in the grid;
- is the variation of the squared nodal voltage of the h-th PN with respect to the measured initial operating point ;
- is the variation of the squared reference value of the h-th PN with respect to ;
- and are, respectively, the minimum and maximum variations of ;
- is the variation of the DER active power at the k-th node with respect to the initial operating point ;
- is the variation of the DER reactive power at the k-th node with respect to the initial operating point ;
- and are, respectively, the minimum and maximum variations of ;
- and are, respectively, the minimum and maximum variations of .
- Measuring the voltage amplitude at the slack node;
- Collecting only the measures of the voltage amplitudes at the PNs;
- Solving a minimization problem subject to linear model (The linear model in (3) is reduced to the variations of the nodal voltage amplitudes) and network constraints;
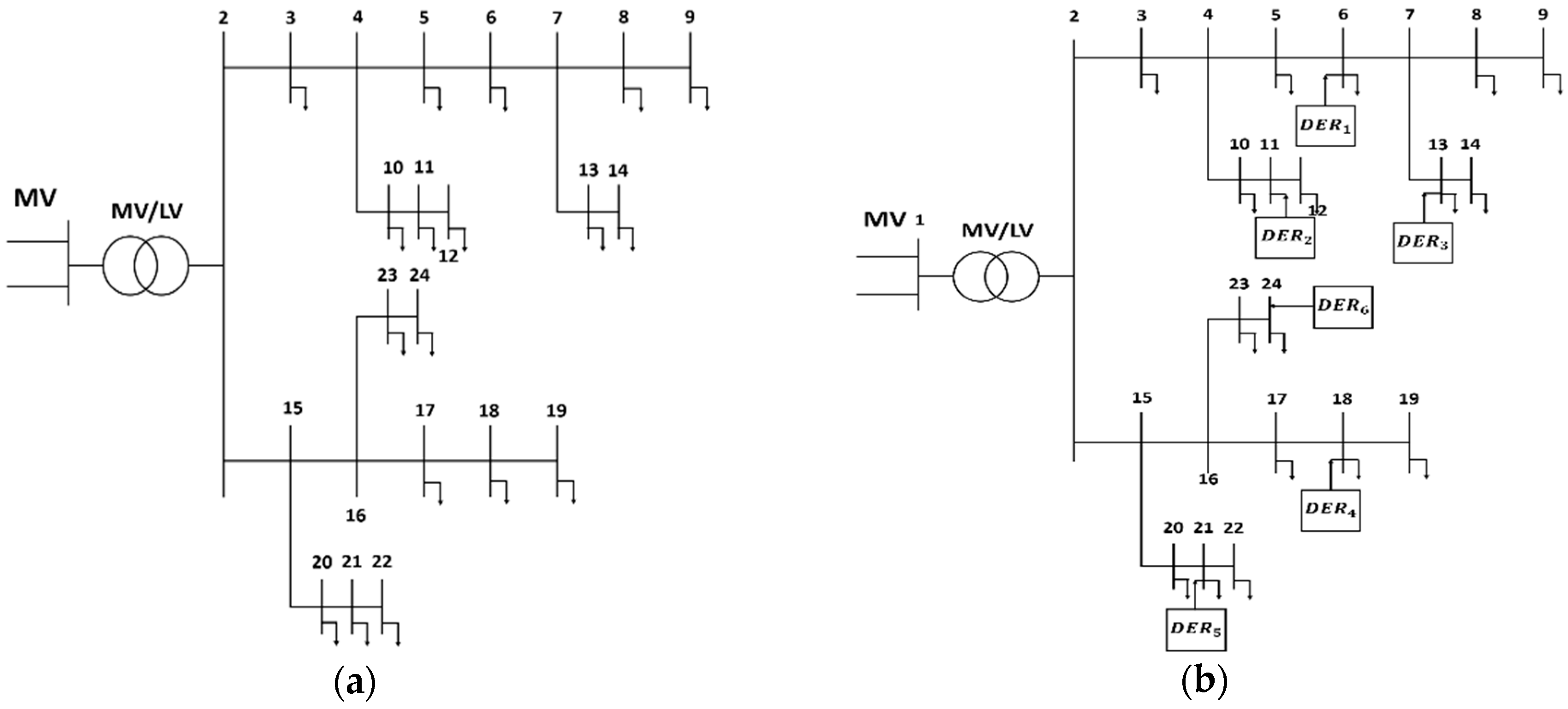
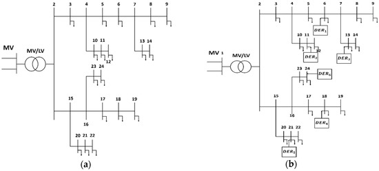
- Sending the optimal set-points to the local controller of the DERs installed in the grid as highlighted in Figure 1b.
5. Results
5.1. Zoning Methodologies
- No-load voltage amplitude at the MV busbar: p.u.;
- Active and reactive powers absorbed by uncontrolled loads equal to 70% of the rated values: = 70% and = 70%;
- No DER connected to the grid.
- Sensitivity to active power, referred to as ;
- Sensitivity to reactive power, referred to as ;
- Sensitivity to active and reactive powers based on the Manhattan distance, referred to as ;
- Sensitivity to active and reactive powers based on the Euclidean distance, referred as .
- Hierarchical clustering with , referred to as P algorithm;
- Hierarchical clustering with , referred to as Q algorithm;
- Hierarchical clustering with and , referred to as PQ algorithm;
- Intersection clustering with and , referred to as P ∩ Q algorithm;
- Hierarchical clustering with , referred to as D1 algorithm;
- Hierarchical clustering with , referred to as D2 algorithm.
- Case R—In this base case, the R/X ratio of the line parameters are reported in Table 1. They are typical values of a LV network in which resistive parameters are prevailing; note that the different ratios are related to the presence of both lines and cables (R/X is higher for cables) and to difference sections (R/X is lower at the head of the feeder).
- Case R≈X—Each R/X ratio in Table 1 is multiplied for a factor equal to 0.2 so as to obtain comparable values of resistive and inductive parameters.
- Case X—Each R/X ratio in Table 1 is multiplied for a factor equal to 0.05; results are typical of a MV network in which inductive parameters are prevailing.
- In the Case R, index for the P algorithm shows higher values and the best choice is for VCZ ;
- In the Case R≈X, both P and Q algorithms show the largest index value for VCZ = 5, considering that for the Q algorithm there is small variation of the index between VCZ equal to 4 or 5;
- In the Case X, the index for the Q algorithm suggests a clustering composed of VCZ equal to 5 or larger values whereas the index for the P algorithm has a peak for VCZ equal to 3.
5.2. Voltage Optimization Problem
- DG—DERs are DGs connected to the grid by inverters; they inject a fixed active power = 20 kW and are equipped with a Volt/Var control with = kVAr (the European Standards [31] impose that inverters of significant powers (greater than 11 kW) have a “rectangular capability chart”, which guarantees independence of the two powers in their admissible ranges. In the considered case, the inverter guarantees a “rectangular” capability chart that allows to vary the reactive power in the range [−15, 15] kVAr, independently from the value of the active power); in the initial operating point = kVAr.
- DG and BESS—DERs are DGs connected to the grid by inverters that inject a fixed active power = 10 kW and that are equipped with a Volt/Var control with = kVAr (in the initial operating point kVAr); DGs connected to nodes #6, #11, #18, #24 are also equipped with BESSs injecting/absorbing a controlled active power ; it is assumed that the state-of-charge of the BESSs allows to vary in the range [−5, 5] kW.
6. Conclusions
Author Contributions
Funding
Conflicts of Interest
Appendix A
- Input: and ;
- Initialize and = and = ;
- Find the minimum electrical distance in both and ;
- Aggregate in and the nodes and in a fictious node by substituting and and by imposing symmetrical distances and ;
- Re-compute firstly in and then in the electrical distance different from zero among the fictious nodes and and the remaining nodes with the maximum distance criterion (the adoption of the maximum distance criterion assures that, in the step iii. of the iteration , the minimum distance is larger than the one evaluated in the step iii. of the iteration ) and impose symmetrical distances. As an example for :FOR i = 1:NIF AND THENENDEND
- Store and , representative of a network divided in VCZs;
- If and are not null matrices go back to step iii. with ;
- Output: N matrices and representative of a network divided in N-1,…,1 VCZs;
- Fix the number of VCZs on the basis of clustering quality indices or of the type of control problem;
- Initialize and ;
- If the i-th row corresponds to a node which is already included in a for , then go to step xi.
- Insert in the -th control area the i-th node and all the nodes corresponding to the columns of such that for (the same result is obtained by using in place of );
- Go to step xi. with until ;
- Output: with containing the nodes grouped in each VCZ.
Appendix B
- Input: and with provided by the hierarchical algorithms in Section 3.2.1 and in Section 3.2.2, respectively;
- Determine the control areas by performing iteratively for and .
- Output: with containing the nodes grouped in the h-th VCZ.
References
- Efkarpidis, N.; De Rybel, T.; Driesen, J. Technical assessment of centralized and localized voltage control strategies in low voltage networks. Sustain. Energy Grids Netw. 2016, 8, 85–97. [Google Scholar] [CrossRef]
- Antoniadou-Plytaria, K.E.; Kouveliotis-Lysikatos, I.N.; Georgilakis, P.S.; Hatziargyriou, N.D. Distributed and decentralized voltage control of smart distribution networks: Models, methods, and future research. IEEE Trans. Smart Grid 2017, 8, 2999–3008. [Google Scholar] [CrossRef]
- Conti, S.; Greco, A.M.; Messina, N.; Raiti, S. Local voltage regulation in LV distribution networks with PV distributed generation. In Proceedings of the IEEE International Symposium on Power Electronics, Electrical Drives, Automation and Motion (SPEEDAM), Taormina, Italy, 23–26 May 2006. [Google Scholar]
- Di Fazio, A.R.; Fusco, G.; Russo, M. Decentralized voltage control of distributed generation using a distribution system structural MIMO Model. Control Eng. Pract. 2016, 47, 81–90. [Google Scholar] [CrossRef]
- Vovos, P.N.; Kiprakis, A.E.; Wallace, A.R.; Harrison, G.P. Centralized and distributed voltage control: Impact on distributed generation penetration. IEEE Trans. Power Syst. 2007, 22, 476–483. [Google Scholar] [CrossRef]
- Takahashi, N.; Hayashi, Y. Centralized voltage control method using plural D-STATCOM with controllable dead band in distribution system with renewable energy. In Proceedings of the IEEE PES Innovative Smart Grid Technologies Europe (ISGT Europe), Berlin, Germany, 14–17 October 2012. [Google Scholar]
- Zad, B.B.; Lobry, J.; Vallée, F. A Centralized approach for voltage control of MV distribution systems using DGs power control and a direct sensitivity analysis method. In Proceedings of the IEEE International Energy Conference (ENERGYCON), Leuven, Belgium, 2–4 April 2016. [Google Scholar]
- Capitanescu, F.; Bilibin, I.; Ramos, E.R. A comprehensive centralized approach for voltage constraints management in active distribution grid. IEEE Trans. Power Syst. 2014, 29, 933–942. [Google Scholar] [CrossRef]
- Nguyen, T.; Guillo-Sansano, E.; Syed, M.H.; Nguyen, V.; Blair, S.M.; Reguera, L.; Tran, Q.; Caire, R.; Burt, G.M.; Gavriluta, C.; et al. Multi-agent system with plug and play feature for distributed secondary control in microgrid—Controller and power hardware-in-the-loop Implementation. Energies 2018, 11, 3253. [Google Scholar] [CrossRef]
- Bolognani, S.; Carli, R.; Cavraro, G.; Zampieri, S. Distributed reactive power feedback control for voltage regulation and loss minimization. IEEE Trans. Autom. Control 2015, 60, 966–981. [Google Scholar] [CrossRef]
- Bahramipanah, M.; Nick, M.; Cherkaoui, R.; Paolone, M. Network clustering for voltage control in active distribution network including energy storage systems. In Proceedings of the IEEE Power & Energy Society Innovative Smart Grid Technologies Conference (ISGT), Washington DC, USA, 18–20 February 2015. [Google Scholar]
- Bahramipanah, M.; Torregrossa, D.; Cherkaoui, R.; Paolone, M. A decentralized adaptive model-based real-time control for active distribution networks using battery energy storage systems. IEEE Trans. Smart Grid 2018, 9, 3406–3418. [Google Scholar] [CrossRef]
- Sun, H.; Guo, Q.; Zhang, B.; Wu, W.; Wang, B. An adaptive zone-division-based automatic voltage control system with applications in China. IEEE Trans. Power Syst. 2013, 28, 1816–1828. [Google Scholar] [CrossRef]
- Chai, Y.; Guo, L.; Wang, C.; Zhao, Z.; Du, X.; Pan, J. Network partition and voltage coordination control for distribution networks with high penetration of distributed PV units. IEEE Trans. Power Syst. 2018, 33, 3396–3407. [Google Scholar] [CrossRef]
- Di Fazio, A.R.; Russo, M.; de Santis, M. Zoning evaluation for voltage vontrol in smart distribution networks. In Proceedings of the IEEE International Conference on Environment and Electrical Engineering (EEEIC), Palermo, Italy, 12–15 June 2018. [Google Scholar]
- Lagonotte, P.; Sabonnadière, J.; Léost, J.; Paul, J. Structural analysis of the electrical system: Application to secondary voltage control in France. IEEE Trans. Power Syst. 1989, 4, 479–486. [Google Scholar] [CrossRef]
- Zhong, J.; Nobile, E.; Bose, A.; Bhattacharya, K. Localized reactive power markets using the concept of voltage control areas. IEEE Trans. Power Syst. 2004, 19, 1555–1561. [Google Scholar] [CrossRef]
- Grigoras, G.; Neagu, B.; Scarlatache, F.; Ciobanu, R.C. Identification of pilot nodes for secondary voltage control using K-means clustering algorithm. In Proceedings of the IEEE 26th International Symposium on Industrial Electronics (ISIE), Edinburgh, UK, 19–21 June 2017. [Google Scholar]
- Amraee, T.; Soroudi, A.; Ranjbar, A.M. Probabilistic determination of pilot points for zonal voltage control. IET Gener. Transm. Distrib. 2012, 6, 1–10. [Google Scholar] [CrossRef]
- Alimisis, V.; Taylor, P.C. Zoning evaluation for improved coordinated automatic voltage control. IEEE Trans. Power Syst. 2015, 30, 2736–2746. [Google Scholar] [CrossRef]
- Blumsack, S.; Hines, P.; Patel, M.; Barrows, C.; Sanchez, E.C. Defining power network zones from measures of electrical distance. In Proceedings of the IEEE Power & Energy Society General Meeting, Calgary, AB, Canada, 26–30 July 2009. [Google Scholar]
- Biserica, M.; Foggia, G.; Chanzy, E.; Passalergue, J. Transaction areas for local voltage controlin distribution networks. In Proceedings of the 22nd International Conference on Electricity Distribution (CIRED), Stockholm, Sweden, 10–13 June 2013. [Google Scholar]
- Ding, J.; Zhang, Q.; Hu, S.; Wang, Q.; Ye, Q. Clusters partition and zonal voltage regulation for distribution networks with high penetration of PVs. IET Gener. Transm. Distrib. 2018, 12, 6041–6051. [Google Scholar] [CrossRef]
- Richardot, O.; Bésanger, Y.; Radu, D.; Hadjsaid, N. Optimal location of pilot buses by a genetic algorithm approach for a coordinated voltage control in distribution systems. In Proceedings of the IEEE PowerTech, Bucharest, Romania, 28 June–2 July 2009. [Google Scholar]
- Di Fazio, A.R.; Russo, M.; Valeri, S.; de Santis, M. Sensitivity-based model of low voltage distribution systems with distributed energy resources. Energies 2016, 9, 801. [Google Scholar] [CrossRef]
- Di Fazio, A.R.; Russo, M.; Valeri, S.; de Santis, M. Linear method for steady-state analysis of radial distribution systems. IJEPES 2018, 99, 744–755. [Google Scholar] [CrossRef]
- Rousseeuw, P.J. Silhouettes: A Graphical Aid to the Interpretation and Validation of Cluster Analysis. J. Comput. Appl. Math. 1987, 20, 53–65. [Google Scholar] [CrossRef]
- Petrovic, S. A comparison between the Silhouette index and the Davis-Bouldin index in labelling IDS clusters. In Proceedings of the 11th Nordic Workshop of Secure IT Systems, Linkping, Sweden, 19–20 October 2006. [Google Scholar]
- Kulmala, A.; Repo, S.; Järventausta, P. Coordinated voltage control in distribution networks including several distributed energy resources. IEEE Trans. Smart Grid 2014, 5, 2010–2020. [Google Scholar] [CrossRef]
- Borghetti, A. Using mixed integer programming for the volt/var optimization in distribution feeders. Electr. Power Syst. Res. 2013, 98, 39–50. [Google Scholar] [CrossRef]
- EN 50438 Standard. Requirements for Micro-Generating Plants to be Connected in Parallel with Public Low-Voltage Distribution Networks; CENELEC: Brussells, Belgium, 2014. [Google Scholar]
- Zimmerman, R.D.; Murillo-Sanchez, C.E.; Thomas, R.J. MATPOWER: Steady-state operations, planning and analysis tools for power systems research and education. IEEE Trans. Power Syst. 2011, 26, 1–19. [Google Scholar] [CrossRef]




















| From Node | To Node | R (p.u.) | X (p.u.) | R/X |
|---|---|---|---|---|
| 2 | 3 | 0.0105 | 0.0025 | 4.2 |
| 3 | 4 | 0.0059 | 0.0014 | 4.2 |
| 4 | 5 | 0.0114 | 0.0027 | 4.2 |
| 5 | 6 | 0.0079 | 0.0011 | 7.2 |
| 6 | 7 | 0.0095 | 0.0014 | 6.8 |
| 7 | 8 | 0.0053 | 0.0007 | 7.6 |
| 8 | 9 | 0.0040 | 0.0006 | 6.7 |
| 4 | 10 | 0.0106 | 0.0015 | 7.1 |
| 10 | 11 | 0.0121 | 0.0017 | 7.1 |
| 11 | 12 | 0.0040 | 0.0006 | 6.7 |
| 7 | 13 | 0.0089 | 0.0011 | 8.1 |
| 13 | 14 | 0.0037 | 0.0002 | 18 |
| 2 | 15 | 0.0006 | 0.0001 | 6.0 |
| 15 | 16 | 0.0190 | 0.0010 | 19 |
| 16 | 17 | 0.0100 | 0.0005 | 20 |
| 17 | 18 | 0.0088 | 0.0004 | 22 |
| 18 | 19 | 0.0408 | 0.0019 | 21 |
| 15 | 20 | 0.0038 | 0.0008 | 4.8 |
| 20 | 21 | 0.0512 | 0.0027 | 19 |
| 21 | 22 | 0.0236 | 0.0012 | 20 |
| 16 | 23 | 0.0632 | 0.0096 | 6.6 |
| 23 | 24 | 0.0017 | 0.0003 | 5.7 |
| From Node | Pload,r (kW) | Qload,r (kVAr) |
|---|---|---|
| 2 | 3.11 | 1.56 |
| 3 | 3.11 | 1.56 |
| 4 | 2.04 | 1.01 |
| 5 | 2.04 | 1.01 |
| 6 | 7.93 | 3.97 |
| 7 | 2.04 | 1.01 |
| 8 | 3.11 | 1.56 |
| 4 | 3.11 | 1.56 |
| 10 | 3.11 | 1.56 |
| 11 | 3.11 | 1.56 |
| 12 | 3.11 | 1.56 |
| 13 | 3.11 | 1.56 |
| 14 | 3.11 | 1.56 |
| 15 | 9.84 | 4.91 |
| 16 | 7.93 | 3.97 |
| 17 | 3.11 | 1.56 |
| 18 | 3.11 | 1.56 |
| 19 | 7.93 | 3.97 |
| 20 | 7.93 | 3.97 |
| 21 | 2.04 | 1.01 |
| 22 | 7.93 | 3.97 |
| 23 | 2.04 | 1.01 |
| Case | Algorithm | VCZ1 | VCZ2 | VCZ3 | |||
|---|---|---|---|---|---|---|---|
| Nodes | PN | Nodes | PN | Nodes | PN | ||
| R | P, PQ, D1, D2 | 3–14 | 5 | 15,20–22 | 20 | 16–19,23,24 | 17 |
| Q, P∩Q | 3–14 | 5 | 15–22 | 16 | 23,24 | 23 | |
| R≈X | P, Q, PQ, P∩Q, D1, D2 | 3–14 | 5 | 15,20–22 | 20 | 16–19,23,24 | 18 |
| X | P | 3–15,20 | 5 | 16–19,23,24 | 16 | 21,22 | 21 |
| Q, PQ, D1, D2 | 3–14 | 5 | 16–19,23,24 | 16 | 15,20–22 | 20 | |
| P ∩ Q | - | - | - | - | - | ||
| Case | Algorithm | VCZ1 | VCZ2 | VCZ3 | VCZ4 | ||||
|---|---|---|---|---|---|---|---|---|---|
| Nodes | PN | Nodes | PN | Nodes | PN | Nodes | PN | ||
| R | P, D1, D2 | 3–14 | 5 | 15,20 | 20 | 16–19,23,24 | 17 | 21,22 | 21 |
| Q, P∩Q, PQ | 3–14 | 5 | 15,20–22 | 20 | 16–19 | 17 | 23,24 | 23 | |
| R≈X | P, D1, D2 | 3–14 | 5 | 15,20 | 20 | 16–19,23,24 | 17 | 21,22 | 21 |
| Q, PQ | 3–14 | 5 | 15,20–22 | 20 | 16–19 | 17 | 23,24 | 23 | |
| P∩Q | - | - | - | - | - | - | - | - | |
| X | P, P∩Q, D1, D2 | 3–14 | 5 | 15,20 | 20 | 16–19,23,24 | 17 | 21,22 | 21 |
| Q, PQ | 3–14 | 5 | 15,20–22 | 20 | 16–19 | 17 | 23,24 | 23 | |
| Case | Algorithm | VCZ1 | VCZ2 | VCZ3 | VCZ4 | VCZ5 | |||||
|---|---|---|---|---|---|---|---|---|---|---|---|
| Nodes | PN | Nodes | PN | Nodes | PN | Nodes | PN | Nodes | PN | ||
| R | P, P∩Q, PQ, D1, D2 | 3–14 | 5 | 15,20 | 15 | 16–19 | 18 | 21,22 | 21 | 23,24 | 23 |
| Q | 3–4,10–12 | 10 | 5–9,13,14 | 7 | 16–19 | 18 | 15,20–22 | 20 | 23,24 | 23 | |
| R≈X | P, Q, P∩Q, PQ, D1, D2 | 3–14 | 5 | 15,20 | 15 | 16–19 | 18 | 21,22 | 21 | 23,24 | 23 |
| X | P | 3,4,10–12 | 10 | 5–9,13,14 | 7 | 15,20 | 15 | 16–19,23,24 | 16 | 21,22 | 21 |
| Q, P∩Q, PQ, D1, D2 | 3–14 | 5 | 15,20 | 15 | 16–19 | 17 | 21,22 | 21 | 23,24 | 23 | |
| Case | Algorithm | VCZ1 | VCZ2 | VCZ3 | VCZ4 | VCZ5 | VCZ6 | ||||||
|---|---|---|---|---|---|---|---|---|---|---|---|---|---|
| Nodes | PN | Nodes | PN | Nodes | PN | Nodes | PN | Nodes | PN | Nodes | PN | ||
| R | P, Q, P∩Q, PQ, D1, D2 | 3,4, 10–12 | 10 | 5–9, 13,14 | 7 | 15,20 | 15 | 16–19 | 18 | 21,22 | 21 | 23,24 | 23 |
| R≈X | P, Q, P∩Q, PQ, D1, D2 | 3,4, 10–12 | 10 | 5–9, 13,14 | 7 | 15,20 | 15 | 16–19 | 18 | 21,22 | 21 | 23,24 | 23 |
| X | P, Q, P ∩ Q, PQ, D1, D2 | 3,4, 10–12 | 10 | 5–9, 13,14 | 7 | 15,20 | 15 | 16–19 | 18 | 21,22 | 21 | 23,24 | 23 |
| Case | Algorithm | VCZ1 | VCZ2 | VCZ3 | VCZ4 | VCZ5 | VCZ6 | VCZ7 | |||||||
|---|---|---|---|---|---|---|---|---|---|---|---|---|---|---|---|
| Nodes | PN | Nodes | PN | Nodes | PN | Nodes | PN | Nodes | PN | Nodes | PN | Nodes | PN | ||
| R | P | 3,4, 10–12 | 10 | 5–9, 13,14 | 7 | 15 | 15 | 20 | 20 | 16–19 | 18 | 21,22 | 21 | 23,24 | 23 |
| Q | 3,4,10 | 4 | 5–9, 13,14 | 7 | 11,12 | 11 | 15,20 | 15 | 16–19 | 18 | 21,22 | 21 | 23,24 | 23 | |
| PQ, D1, D2 | 3,4 | 4 | 5–9, 13,14 | 7 | 10–12 | 11 | 15,20 | 15 | 16–19 | 18 | 21,22 | 21 | 23,24 | 23 | |
| P∩Q | - | - | - | - | - | - | - | - | - | - | - | - | - | - | |
| R≈X | P, Q, P∩Q, PQ, D1, D2 | 3,4 | 3 | 5–9, 13,14 | 7 | 10–12 | 11 | 15,20 | 15 | 16–19 | 18 | 21,22 | 21 | 23,24 | 23 |
| X | P | 3,4 | 3 | 5–9, 13,14 | 7 | 10–12 | 11 | 15,20 | 15 | 16–19 | 17 | 21,22 | 21 | 23,24 | 23 |
| Q, P∩Q, PQ, D1, D2 | 3,4, 10–12 | 10 | 5–9, 13,14 | 7 | 15,20 | 15 | 16–18 | 17 | 19 | 19 | 21,22 | 21 | 23,24 | 23 | |
| P∩Q | - | - | - | - | - | - | - | - | - | - | - | - | - | - | |
| Case | Configuration | Algorithm | Benchmark | Proposed VOP | |||
|---|---|---|---|---|---|---|---|
| 3 VCZ | 4 VCZ | 5 VCZ | 6 VCZ | ||||
| R | DG | P | 1.0 | 2.4 | 1.9 | 1.2 | 1.1 |
| Q | 1.3 | 1.1 | 1.1 | ||||
| Reactive Power | ||||||
|---|---|---|---|---|---|---|
| Nodes | Algorithm | Benchmark | Proposed VOP | |||
| 3 VCZ | 4 VCZ | 5 VCZ | 6 VCZ | |||
| #6 | P | −15 | −15 | −15 | −15 | −15 |
| Q | −8.6 | |||||
| #11 | P | −14 | −15 | −15 | 15 | 0.60 |
| Q | −8.8 | −1.4 | –7.2 | |||
| #13 | P | −15 | −15 | −15 | −15 | −15 |
| Q | −8.9 | |||||
| #18 | P | 15 | −3.6 | 13 | −9.6 | −9.9 |
| Q | −11 | −15 | −15 | |||
| #21 | P | −4.3 | 15 | −15 | −15 | −14 |
| Q | −9.3 | 15 | 15 | |||
| #24 | P | −15 | 15 | 15 | −15.0 | −15 |
| Q | −15 | −15 | ||||
| Case | Configuration | Algorithm | Benchmark | Proposed VOP | |||
|---|---|---|---|---|---|---|---|
| 3 VCZ | 4 VCZ | 5 VCZ | 6 VCZ | ||||
| R | DG with BESS | P | 1.0 | 11 | 12 | 2.5 | 2.4 |
| Q | 5.0 | 3.8 | 3.6 | ||||
| Active Power | Reactive Power | ||||||||||
|---|---|---|---|---|---|---|---|---|---|---|---|
| Nodes | Algorithm | Benchmark | Proposed VOP | Benchmark | Proposed VOP | ||||||
| 3 VCZ | 4 VCZ | 5 VCZ | 6 VCZ | 3 VCZ | 4 VCZ | 5 VCZ | 6 VCZ | ||||
| #6 | P | −4.1 | −3.5 | −3.8 | −4.0 | −3.4 | 15 | 5.2 | 8.1 | 8.3 | 8.5 |
| Q | −4.6 | −3.6 | −2.6 | 6.1 | 5.3 | 5.5 | |||||
| #11 | P | −5.0 | −1.8 | −1.9 | −2.0 | −2.5 | 15 | 5.6 | 8.5 | 8.8 | 8.7 |
| Q | −2.4 | −3.0 | 6.6 | 5.7 | 5.5 | ||||||
| #13 | P | - | - | 3.3 | 5.1 | 8.1 | 8.2 | 8.3 | |||
| Q | 6.1 | 5.3 | 5.5 | ||||||||
| #18 | P | 3 | 1.0 | 2.0 | 2.0 | 2.0 | 15 | 6.3 | 9.4 | 9.7 | 9.7 |
| Q | 5.0 | 1.0 | 1.0 | 9.4 | 6.5 | 6.5 | |||||
| #21 | P | - | - | -15 | 7.3 | −15 | −15 | −15 | |||
| Q | 7.5 | 7.5 | 7.4 | ||||||||
| #24 | P | −2 | 1.0 | 2.0 | −2.2 | −2.3 | 1.9 | 6.3 | 9.5 | 9.1 | 9.1 |
| Q | −3.1 | −2.2 | −2.1 | 4.5 | 6.0 | 5.9 | |||||
| Case | Configuration | Benchmark | Proposed VOP | ||||
|---|---|---|---|---|---|---|---|
| Algorithm | 3 VCZ | 4 VCZ | 5 VCZ | 6 VCZ | |||
| R≈X | DG | 1.0 | P | 7.1 | 8.7 | 2.8 | 1.2 |
| Q | 3.8 | ||||||
| DG and BESS | 1.0 | P | 15 | 25 | 3.3 | 2.3 | |
| Q | 7.0 | ||||||
| Case | Configuration | Benchmark | Proposed VOP | ||||
|---|---|---|---|---|---|---|---|
| Algorithm | 3 VCZ | 4 VCZ | 5 VCZ | 6 VCZ | |||
| X | DG | 1.0 | P | 3.0 | 28 | 24 | 1.2 |
| Q | 19 | 20 | 7.5 | ||||
| DG with BESS | 1.0 | P | 11 | 28 | 28 | 1.5 | |
| Q | 19 | 13 | 8.6 | ||||
© 2019 by the authors. Licensee MDPI, Basel, Switzerland. This article is an open access article distributed under the terms and conditions of the Creative Commons Attribution (CC BY) license (http://creativecommons.org/licenses/by/4.0/).
Share and Cite
Di Fazio, A.R.; Russo, M.; De Santis, M. Zoning Evaluation for Voltage Optimization in Distribution Networks with Distributed Energy Resources. Energies 2019, 12, 390. https://doi.org/10.3390/en12030390
Di Fazio AR, Russo M, De Santis M. Zoning Evaluation for Voltage Optimization in Distribution Networks with Distributed Energy Resources. Energies. 2019; 12(3):390. https://doi.org/10.3390/en12030390
Chicago/Turabian StyleDi Fazio, Anna Rita, Mario Russo, and Michele De Santis. 2019. "Zoning Evaluation for Voltage Optimization in Distribution Networks with Distributed Energy Resources" Energies 12, no. 3: 390. https://doi.org/10.3390/en12030390
APA StyleDi Fazio, A. R., Russo, M., & De Santis, M. (2019). Zoning Evaluation for Voltage Optimization in Distribution Networks with Distributed Energy Resources. Energies, 12(3), 390. https://doi.org/10.3390/en12030390
