Integrated Analysis of Influence of Multiple Factors on Transmission Efficiency of Loader Drive Axle
Abstract
:1. Introduction
2. Experimental
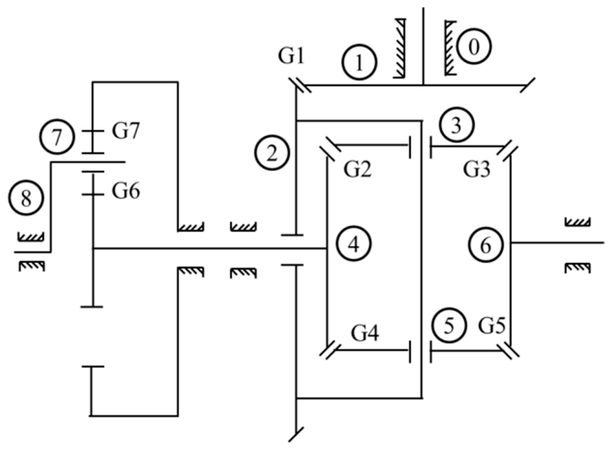
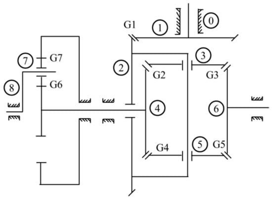
2.1. Digital Model of the Loader Drive Axle
2.2. Research on Transmission Efficiency of Loader Drive Axle
2.2.1. Research on Transmission Efficiency of the Main Reducing Gear
2.2.2. Research on Transmission Efficiency of the Differential Planetary Mechanism
2.2.3. Research on Transmission Efficiency of the Wheel Planetary Reducing Gear
3. Results and Discussions
4. Conclusions
- (1)
- By establishing a three-dimensional digital model of a loader drive axle, the transmission efficiency of the main reducing gear, the differential planetary mechanism, and the wheel planetary reducing gear of the loader drive axle are studied. The transmission efficiency functional relationship between the loader drive axle and the main reducing gear, differential planetary mechanism, and wheel planetary reducing gear were obtained; that is, a functional relationship between the transmission efficiency of the loader drive axle and the gear mesh friction coefficient, the mesh power loss coefficient, the normal pressure angle, the helix angle, the offset amount, the speed ratio, and the characteristic parameters.
- (2)
- The transmission efficiency of the loader drive axle increased with speed ratio and decreased when the gear teeth mesh friction coefficient and the mesh power loss coefficient increased. However, compared with the mesh power loss coefficient, the degree of influence of the transmission efficiency of the loader drive axle was different than the gear teeth friction coefficient, and the mesh power loss coefficient of each gear pair had a different influence on the transmission efficiency of the loader drive axle.
Author Contributions
Funding
Acknowledgments
Conflicts of Interest
References
- Xu, H.; Kahraman, A. Prediction of friction-related power losses of hypoid gear pairs. Proc. Inst. Mech. Eng. Part K J. Multi-Body Dyn. 2007, 221, 387–400. [Google Scholar] [CrossRef]
- Fanghella, P.; Bruzzone, L.; Ellero, S.; Landò, R. Kinematics, Efficiency and Dynamic Balancing of a Planetary Gear Train Based on Nutating Bevel Gears. Mech. Based Des. Struct. Mach. 2015, 44, 72–85. [Google Scholar] [CrossRef]
- Kakavasa, I.; Olvera, A.V.; Dinia, D. Hypoid Gear Vehicle Axle Efficiency. Tribol. Int. 2016, 101, 314–323. [Google Scholar] [CrossRef]
- Paouris, L.; Theodossiades, S.; Rahmani, R.; Rahnejat, H.; Hunt, G.; Barton, W. Effect of Lubricant Rheology on Hypoid Gear Pair Efficiency. In Proceedings of the 3rd Biennial International Conference on Powertrain Modelling and Control, Loughborough, UK, 7–9 September 2016; pp. 1–25. [Google Scholar]
- Simon, V. Improvements in the Mixed Elastohydrodynamic Lubrication and in the Efficiency of Hypoid Gears. Proc. Inst. Mech. Eng. Part J J. Eng. Tribol. 2019. [Google Scholar] [CrossRef]
- Lyu, C.; Zhao, Y.; Lyu, M. Loader Power-Split Transmission System Based on a Planetary Gear Set. Adv. Mech. Eng. 2018, 10, 1–8. [Google Scholar] [CrossRef]
- Xiong, S.; Wilfong, G.; Lumkes Jr., J. Components Sizing and Performance Analysis of Hydro-Mechanical Power Split Transmission Applied to a Wheel Loader. Energies 2019, 12, 1613. [Google Scholar] [CrossRef]
- Bardav, D.; Fossier, C.; Changenet, C.; Ville, F.; Berier, V. Investigations on Drive Axle Thermal Behaviour: Power Loss and Heat-Transfer Estimations. SAE Int. J. Eng. 2018, 11, 55–66. [Google Scholar]
- Chen, C.; Angeles, J. Virtual power flow and mechanical gear-mesh power losses of epicyclic gear trains. J. Mech. Des. 2007, 129, 107–113. [Google Scholar] [CrossRef]
- Chen, C.; Liang, T.T. Theoretic study of efficiency of two DOFs of epicyclic gear transmission via virtual power. J. Mech. Des. 2011, 133, 031007–031013. [Google Scholar] [CrossRef]
- Chen, C. Power flow analysis of compound epicyclic gear transmission: Simpson gear train. J. Mech. Des. 2011, 133, 1–5. [Google Scholar] [CrossRef]
- Chen, C. Power Analysis of Epicyclic Transmissions Based on Constraints. J. Mech. Robot. 2012, 4, 041004. [Google Scholar] [CrossRef]
- Chen, C. Power flow and efficiency analysis of epicyclic gear transmission with split power. Mech. Mach. Theory 2013, 59, 96–106. [Google Scholar] [CrossRef]
- Hu, Q.C.; Li, J.Y.; Duan, F.H. Power Flow and Efficiency Analysis of Compound Planetary Gears Transmission with Bevel Gears. J. Mech. Eng. 2015, 51, 42–48. [Google Scholar] [CrossRef]
- Li, J.Y.; Wu, T.L.; Zhu, T.J.; Hu, Q.C.; Cai, C.M.; Zong, C.F. Influence of Multi-Factor on the Transmission Efficiency of Multistage Micro-Planetary Gearing Transmission. Microsyst. Technol. 2019. [Google Scholar] [CrossRef]
- Beijing Gear Factory. Gleason Technical Information Translation, 2nd ed.; Mechanical Industry Press: Beijing, China, 1983; pp. 137–139. [Google Scholar]
- Saiki, K.; Fukamachi, S. Research on High Efficiency Hypoid Gear for Automotive Application. In Proceedings of the 14th IFToMM World Congress, Taipei, Taiwan, 25–30 October 2015; pp. 293–297. [Google Scholar]









| Main Reducing Gear | ||
|---|---|---|
| Name | Driving Gear | Driven Gear |
| Number of teeth | 7 | 37 |
| Transverse module (mm) | 10.7 | |
| Normal pressure angle | 20° 30′ | |
| Differential Planetary Mechanism | ||
| Name | Planet Gear | Half Shaft Gear |
| Number of teeth | 10 | 18 |
| Large transverse module (mm) | 7 | |
| Pressure angle | 25° | |
| Wheel Planetary Reducing Gear | ||
| Name | Sun Gear | Planet Gear |
| Number of teeth | 17 | 15 |
| Modulus (mm) | 5.5 | |
| Pressure angle | 20° | |
© 2019 by the authors. Licensee MDPI, Basel, Switzerland. This article is an open access article distributed under the terms and conditions of the Creative Commons Attribution (CC BY) license (http://creativecommons.org/licenses/by/4.0/).
Share and Cite
Li, J.; Wu, T.; Chi, W.; Hu, Q.; Meen, T. Integrated Analysis of Influence of Multiple Factors on Transmission Efficiency of Loader Drive Axle. Energies 2019, 12, 4540. https://doi.org/10.3390/en12234540
Li J, Wu T, Chi W, Hu Q, Meen T. Integrated Analysis of Influence of Multiple Factors on Transmission Efficiency of Loader Drive Axle. Energies. 2019; 12(23):4540. https://doi.org/10.3390/en12234540
Chicago/Turabian StyleLi, Jianying, Tunglung Wu, Weimin Chi, Qingchun Hu, and Teenhang Meen. 2019. "Integrated Analysis of Influence of Multiple Factors on Transmission Efficiency of Loader Drive Axle" Energies 12, no. 23: 4540. https://doi.org/10.3390/en12234540
APA StyleLi, J., Wu, T., Chi, W., Hu, Q., & Meen, T. (2019). Integrated Analysis of Influence of Multiple Factors on Transmission Efficiency of Loader Drive Axle. Energies, 12(23), 4540. https://doi.org/10.3390/en12234540

