A New Approach to Include Complex Grounding System in Lightning Transient Studies and EMI Evaluations †
Abstract
:1. Introduction
2. Parameters of the Grounding System
3. Modeling the Grounding System
4. Grounding Model Verification
4.1. Grounding Rod of 15 m Length
4.2. Grounding Grid of 10 m Meshes with Total Size 3600 m
5. Integration of Grounding and Transmission System
6. An Example of Results: Case Study
7. Conclusions
Author Contributions
Funding
Acknowledgments
Conflicts of Interest
Glossaries
| Symbol | Unit | Description | Page(s) |
| a | m | Grounding conductor radius...................................... | 2, 4, 5, 7 |
| - | Decay constant of double exponential source...................... | 4–6 | |
| - | Crest constant of double exponential source....................... | 4–6 | |
| C | F | General term describing capacitance............................. | 2 |
| d | m | Grounding conductor burial depth................................ | 2, 4–7 |
| V/m | Critical electric field for soil ionization............................ | 2, 8 | |
| V/m | Electric field strenght exerted on the soil.......................... | 2 | |
| G | S | General term describing conductance............................. | 2 |
| I | A | General term describing current................................... | 6 |
| A | Current leaked from the ground per-unit lenght conductor to the soil................................................................ | 2 | |
| A | Current magnitude of double exponential source.................. | 4–6 | |
| A/m | Current density leaked to the soil................................. | 2 | |
| L | H | General term describing inductance............................... | 2 |
| s | m | Grounding conductor spacing. | |
| l | m | General term describing length................................... | 2, 5, 8 |
| - | MOA Exponential factor to form the V-I characteristic............. | 12, 13 | |
| - | MOA Voltage segment factor to form the V-I characteristic........ | 12, 13 | |
| V | MOA Reference voltage for operation............................. | 12, 13 | |
| H/m | Permeability of vacuum: 4π × 10−7. | 2 | |
| - | Relative permittivity of the soil.................................... | 2, 4–7 | |
| F/m | Permittivity of vacuum: ......................... | 2 | |
| m | Resistivity of soil.................................................. | 2, 4–7 | |
| U | V | General term describing voltage.................................. | 6 |
| Y | S | General term describing admittance............................... | 2, 4 |
| Z | General term describing impedance............................... | 2, 4 | |
| - | Cable surge impedance based on the lossless transmission line model ............................................................ | 7 | |
| - | Transmission line surge impedance based on the lossless transmission line model........................................... | 7 |
Abbreviations
| Symbol | Description | Page(s) |
| AWG | American Wire Gauge ............................................ | 5, 6 |
| CIGRE | Conseil International des Grands Réseaux Électriques............. | 1 |
| EMF | ElectroMagnetic Field. | 4, 5 |
| EMI | ElectroMagnetic Interference ...................................... | 1, 2, 8 |
| ICHVE | International Conference on High Voltage Engineering and Application ....................................................... | 10 |
| IEEE | Institute of Electrical and Electronics Engineers ................... | 8 |
| MTL | Multi-conductor Transmission Line ............................... | 4, 5 |
Appendix A. Software and Integration
Appendix A.1. Software Versions
- MathWorks Matlab version 9.3, R2017b, 64-bit (14 September 2017)
- MathWorks Simulink version 9.0, R2017b, 64-bit (24 July 2017)
- MathWorks Simscape version 4.3 (18 November 2017)
- Powersys EMTP-RV 3.5 32-bit (17 January 2017)
- Powersys FMI Add-On for Matlab/Simulink (15 March 2018)
Appendix A.2. Matlab/Simulink and EMTP-RV FMI Interface

Appendix B. Matlab/Simulink Simulation Log Definition
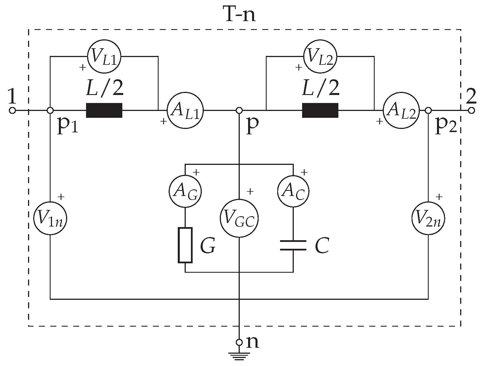
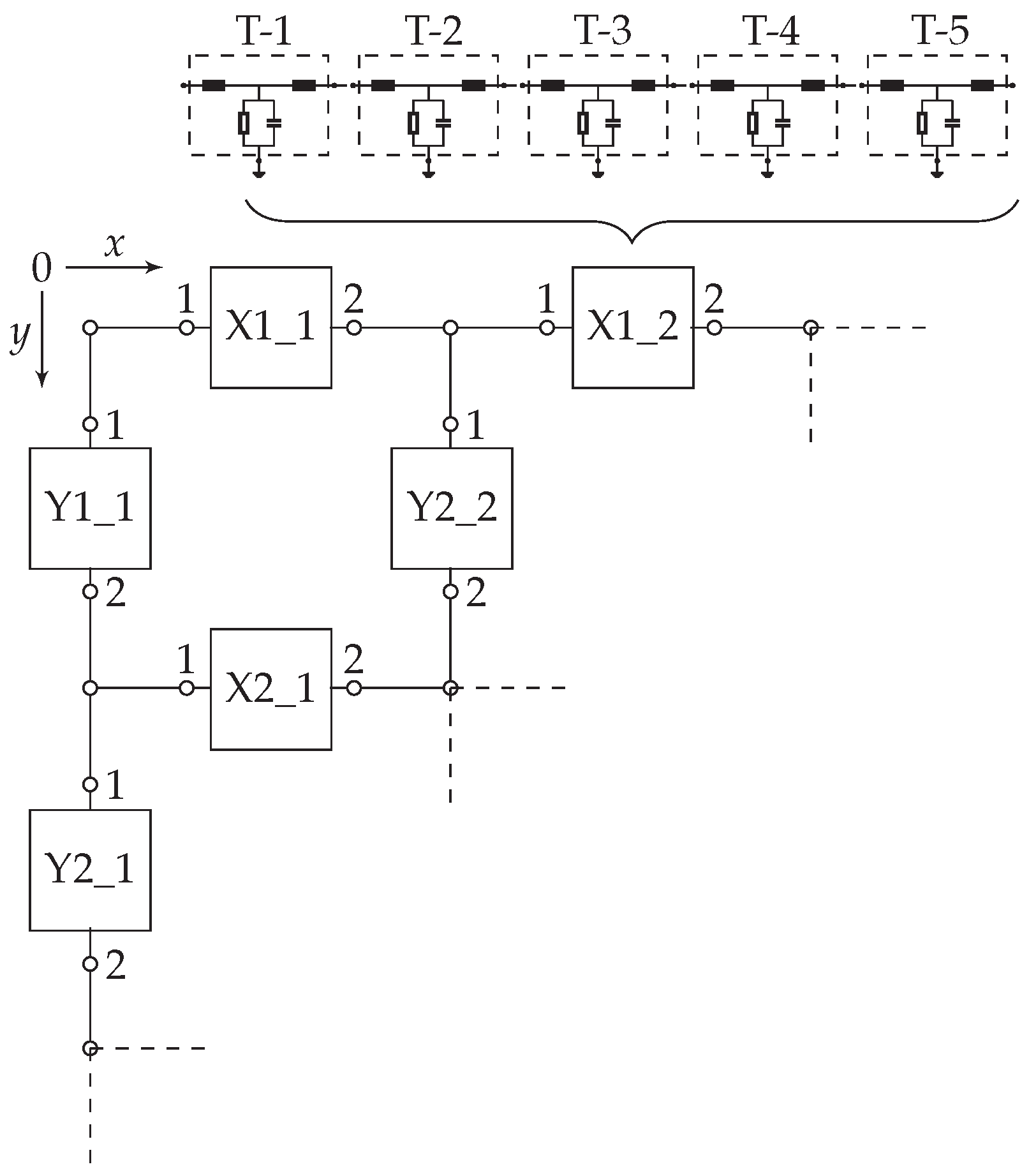
| Node (Figure 1) | Log-File Name | Grid Segment (Figure 2) | Element | Series Selection |
|---|---|---|---|---|
| simlog_scc_grounding_system. | X/Y’y-dir’_’x-dir’. | l1.v. | series.values/time | |
| simlog_scc_grounding_system. | X/Y’y-dir’_’x-dir’. | l1.i. | series.values/time | |
| simlog_scc_grounding_system. | X/Y’y-dir’_’x-dir’. | l2.v. | series.values/time | |
| simlog_scc_grounding_system. | X/Y’y-dir’_’x-dir’. | l2.i. | series.values/time | |
| simlog_scc_grounding_system. | X/Y’y-dir’_’x-dir’. | p1.v. | series.values/time | |
| simlog_scc_grounding_system. | X/Y’y-dir’_’x-dir’. | p2.v. | series.values/time | |
| simlog_scc_grounding_system. | X/Y’y-dir’_’x-dir’. | g.i. | series.values/time | |
| simlog_scc_grounding_system. | X/Y’y-dir’_’x-dir’. | p.v. | series.values/time | |
| simlog_scc_grounding_system. | X/Y’y-dir’_’x-dir’. | c.i. | series.values/time |
Appendix C. EMTP-RV Surge Arrester Parameterization V-I characteristics
| Segment | (pu) | ||
|---|---|---|---|
| 1 | 4.23208099271728 × 10 | 2.40279296219991 × 10 | 2.98198270953446 × 10 |
| 2 | 2.81773645053899 × 10 | 2.66219333383972 × 10 | 4.81500000000002 × 10 |
| 3 | 4.15144087019289 × 10 | 2.00870413085783 × 10 | 5.24450368910346 × 10 |
| 4 | 2.63271405014350 × 10 | 3.52906710089596 × 10 | 5.62230840318764 × 10 |
| 5 | 3.21774149817822 × 10 | 1.11310570543270 × 10 | 5.69192036592734 × 10 |
| 6 | 1.93774621300766 × 10 | 5.36270125014300 | 6.14408449804349 × 10 |
References
- IEEE. 80-2013—IEEE Guide for Safety in AC Substation Grounding; IEEE Std 80-2013 (Revision of IEEE Std 80-2000/Incorporates IEEE Std 80-2013/Cor 1-2015); IEEE: New York, NY, USA, 2015; pp. 1–226. [Google Scholar] [CrossRef]
- Sunde, E.D. Earth Conduction Effects in Transmission Systems, 1st ed.; The Bell Telephone Laboratories, Dover Publications: New York, NY, USA, 1949. [Google Scholar]
- Grcev, L.; Dawalibi, F. An Electromagnetic Model for Transients in Grounding Systems. IEEE Trans. Power Deliv. 1990, 5, 1773–1781. [Google Scholar] [CrossRef]
- Liu, Y. Transient Response of Grounding Systems Caused by Lightning: Modelling and Experiments. Ph.D. Thesis, Uppsala University, Uppsala, Sweden, 2004. [Google Scholar]
- Grcev, L. Lightning Surge Efficiency of Grounding Grids. IEEE Trans. Power Deliv. 2011, 26, 1692–1699. [Google Scholar] [CrossRef]
- Alipio, R.; Schroeder, M.A.O.; Afonso, M.M. Voltage Distribution Along Earth Grounding Grids Subjected to Lightning Currents. IEEE Trans. Ind. Appl. 2015, 51, 4912–4916. [Google Scholar] [CrossRef]
- Jardines, A.; Guardado, J.L.; Torres, J.; Chávez, J.J.; Hernández, M. A Multiconductor Transmission Line Model for Grounding Grids. Int. J. Electr. Power Energy Syst. 2014, 60, 24–33. [Google Scholar] [CrossRef]
- Liu, Y.; Theethayi, N.; Thottappillil, R. An Engineering Model for Transient Analysis of Grounding System under Lightning Strikes: Nonuniform Transmission-Line Approach. IEEE Trans. Power Deliv. 2005, 20, 722–730. [Google Scholar] [CrossRef]
- He, J.; Gao, Y.; Zeng, R.; Zou, J.; Liang, X.; Zhang, B.; Lee, J.; Chang, S. Effective Length of Counterpoise Wire under Lightning Current. IEEE Trans. Power Deliv. 2005, 20, 1585–1591. [Google Scholar] [CrossRef]
- Alipio, R.; Costa, R.M.; Dias, R.N.; Conti, A.D.; Visacro, S. Grounding Modeling Using Transmission Line Theory: Extension to Arrangements Composed of Multiple Electrodes. In Proceedings of the 2016 33rd International Conference on Lightning Protection (ICLP), Estoril, Portugal, 25–30 September 2016; pp. 1–5. [Google Scholar] [CrossRef]
- Grcev, L.D. Computer Analysis of Transient Voltages in Large Grounding Systems. IEEE Trans. Power Deliv. 1996, 11, 815–823. [Google Scholar] [CrossRef]
- Modelica Association c/o PELAB. Functional Mock-Up Interface. 2018. Available online: http://fmi-standard.org/ (accessed on 23 March 2018).
- Cornau, J. Guide EMTP-RV Matlab/Simulink FMI Export; Powersys: Paris, France, 2018. [Google Scholar]
- IEEE. IEEE Guide for Measuring Earth Resistivity, Ground Impedance, and Earth Surface Potentials of a Grounding System; IEEE Std 81-2012 (Revision of IEEE Std 81-1983); IEEE: New York, NY, USA, 2012; pp. 1–86. [Google Scholar] [CrossRef]
- Gupta, B.R.; Thapar, B. Impulse Impedance of Grounding Grids. IEEE Trans. Power Appar. Syst. 1980, PAS-99, 2357–2362. [Google Scholar] [CrossRef]
- Estimating Lightning Performance of Transmission Lines. II. Updates to Analytical Models. IEEE Trans. Power Deliv. 1993, 8, 1254–1267. [CrossRef]
- Oettle, E.E. A New General Estimation Curve for Predicting the Impulse Impedance of Concentrated Earth Electrodes. IEEE Trans. Power Deliv. 1988, 3, 2020–2029. [Google Scholar] [CrossRef]
- IEEE. IEEE Guide for the Application of Insulation Coordination; IEEE Std 1313.2-1999; IEEE: New York, NY, USA, 1999. [Google Scholar] [CrossRef]
- Hagen, S.T. Lightning Strike Analysis; Western Norway University of Applied Sciences: Porsgrunn, Norway, 2016. [Google Scholar]











| Grounding Grid | Area | Variables |
|---|---|---|
| 5 × 5 m mesh | 1600 m | 6480 |
| 3600 m | 14040 | |
| 10 × 10 m mesh | 1600 m | 3600 |
| 3600 m | 7560 |
© 2019 by the authors. Licensee MDPI, Basel, Switzerland. This article is an open access article distributed under the terms and conditions of the Creative Commons Attribution (CC BY) license (http://creativecommons.org/licenses/by/4.0/).
Share and Cite
Steinsland, V.; Sivertsen, L.H.; Cimpan, E.; Zhang, S. A New Approach to Include Complex Grounding System in Lightning Transient Studies and EMI Evaluations. Energies 2019, 12, 3142. https://doi.org/10.3390/en12163142
Steinsland V, Sivertsen LH, Cimpan E, Zhang S. A New Approach to Include Complex Grounding System in Lightning Transient Studies and EMI Evaluations. Energies. 2019; 12(16):3142. https://doi.org/10.3390/en12163142
Chicago/Turabian StyleSteinsland, Vegard, Lasse Hugo Sivertsen, Emil Cimpan, and Shujun Zhang. 2019. "A New Approach to Include Complex Grounding System in Lightning Transient Studies and EMI Evaluations" Energies 12, no. 16: 3142. https://doi.org/10.3390/en12163142
APA StyleSteinsland, V., Sivertsen, L. H., Cimpan, E., & Zhang, S. (2019). A New Approach to Include Complex Grounding System in Lightning Transient Studies and EMI Evaluations. Energies, 12(16), 3142. https://doi.org/10.3390/en12163142

