You are currently viewing a new version of our website. To view the old version click .
Energies
  • Article
  • Open Access

1 July 2018

A Black Start Scheme Based on Modular Multilevel Control-High Voltage Direct Current

and
School of Mechanical Electronic and Information Engineering, China University of Mining and Technology (Beijing), Beijing 100083, China
*
Author to whom correspondence should be addressed.
This article belongs to the Section F: Electrical Engineering

Abstract

Modern society’s need for power and its dependence on power sources is increasing with its development. As a result the consequences of blackout accidents have become more serious. At present, only three sources can be regarded as black-start power sources, namely Line Commutate Converter-High Voltage Direct Current (LCC-HVDC), Voltage Source Converter-High Voltage Direct Current (VSC-HVDC), and microgrids. The potential of these three sources has already been demonstrated. Lately, VSC-HVDC primarily uses the Modular Multilevel Converter (MMC) topology structure, also known as MMC-HVDC. Some domestic and foreign papers have also proposed using VSC-HVDC as a black-start power source for large power failures. However, most of these studies have analyzed only 2-level or 3-level VSC-HVDC topologies and there is no MMC topology for VSC-HVDC analysis. Therefore, the conclusion that VSC-HVDC can be used as black-start power source cannot be held true for a MMC-HVDC structures. To understand the characteristics of MMC-HVDC as a black-start power source, it is necessary to analyze the MMC-HVDC converter and do a comprehensive assessment of its performance as a black-start power source. This study analyzes the feasibility of MMC-HVDC as a start power source for black start from with regards to three aspects, namely the working principle, control strategy, and implementation scheme. We designed a corresponding MMC-HVDC control strategy depending upon the analysis result. Moreover, a complete power grid restoration process is also designed according to the black-start scheme principle, which is based on the theory of MMC-HVDC as a black start power source. Finally, the whole black start process is performed in PSCAD/EMTDC. The simulation results show that the voltage and frequency of system are maintained in a steady range during the black start realization process and the validity of MMC-HVDC as a black start power source is also verified.

1. Introduction

Modern society’s need for power and its dependence on power sources is increasing in tune with its ongoing development. The consequences of blackout accidents have become increasingly more grievous. In the case of emergency power outages, we must take measures to restore the system power source at the fastest pace possible to avoid huge economic losses. Since, large power outage accidents are becoming progressively unavoidable, studying black-start technology has become essential. The traditional black start relies on a self-restoring power generator. This method has been studied for a long time and has proved to be reliable in several domestic and international power outage accidents. However, the method still has numerous issues as discussed further. Under the influence of start power capacity, it is necessary to arrange the restoration sequence of each unit in a black-start process. At the same time, it also deals with the configuration problem of black-start power sources in traditional black start schemes. To conduct a black start successfully, the system must have enough black-start power capacity to ensure sufficient initial start-up power capacity. Since the main load units are asynchronous motors, carrying on without enough start-up power capacity will lead to bus voltage and bus frequency fluctuations. If this fluctuation exceeds the allowable range of the motor, it will result in a failure to start. Thus, a reliable and efficient power source is critical for a successful black start [1,2,3,4,5,6,7,8].
At present, there are three methods that are regarded as efficient black-start power sources, namely Line Commutate Converter-High Voltage Direct Current (LCC-HVDC), Voltage Source Converter-High Voltage Direct Current (VSC-HVDC), and microgrids [9,10,11,12,13,14,15,16]. Their potential has already been demonstrated in previous applications. When in operation, the LCC-HVDC system absorbs a lot of reactive power and needs an AC network to provide a commutation current. Thus, it can be said that LCC-HVDC has its own limitations when used as a black-start power source [17]. A microgrid uses renewable energy to generate electricity and has a self-black start capability. However, it has a relatively low power level and is bound to specific locations. Moreover, micro-grid has a lot of limitations when it is used as a black-start power source [18,19]. In comparison to micro-grids, VSC-HVDC has a larger start capacity, higher safety, and more stability that can meet the requirements of the starting capacity. During a black start, it can control the active and reactive power independently and efficiently, which can later integrate with the AC system. It can also provide quick reactive power and offer voltage support to AC systems [20,21,22,23,24].
Of late, VSC-HVDC mainly employs the Modular Multilevel Converter (MMC) topology structure, which is also called Modular Multilevel Converter-High Voltage Direct Current (MMC-HVDC). At present, several studies at home and abroad have focused on using VSC-HVDC as a black-start power source for blackout accidents. However, most of the researches only analyze 2-level or 3-level VSC-HVDC topologies and there are no MMC-HVDC structure studies. Therefore, we can conclude that the fact that VSC-HVDC can be used as a black-start power source cannot be fully applicable to a MMC-HVDC structure. To get MMC-HVDC to perform as a black start power source, it is necessary to analyze the MMC-HVDC converter. Only then can a comprehensive assessment regarding the performance of MMC-HVDC as a black-start power source be made. The traditional black start scheme can be divided into a black start stage, grid restoration stage, and load restoration stage. The black-start power source mainly works in the black start stage. Once the black-start power source starts, the non-black units start successfully and the grid and load restoration is implemented using the non-black start units and black-start power source. The main function of a black-start power source is reflected in the initial stage of the black start scheme. Based on previous analysis, this study mainly concerns the MMC-HVDC control strategies in the black start stage, which includes pre-starting control strategy, overvoltage suppression strategy of start-up no-load transmission line, and start-up non-black start units control strategy. Based on MMC-HVDC as a black-start power source, the complete power network restoration scheme is designed to verify the validity of MMC-HVDC as a black-start power source. Finally, the completed black start scheme is verified by PSCAD/EMTDC. The simulation results indicate that the voltage and frequency of the system are steady during black start, which validates MMC-HVDC as a black-start power source.

2. MMC Operating Characteristics

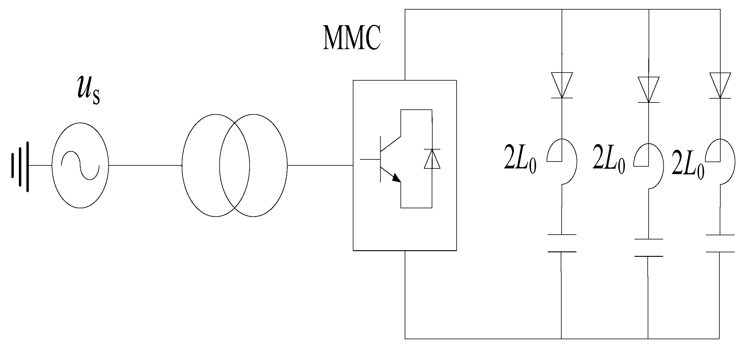
Each phase of a MMC-HVDC converter comprises multiple sub-modules in series. Its basic topology is shown in Figure 1 [25]. When a converter is working, each phase has n sub-modules in running state. The desired ac output voltage can be obtained by changing the distribution relationship of the n sub-modules on the upper and lower bridge in each phase.
Figure 1. MMC Circuit Topology Structure.
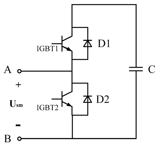
Figure 2 shows a single sub-module topology. A single sub-module of a MMC-HVDC converter contains two IGBT switching devices and each switching device has a reverse current diode D1 and D2 in parallel with it. The sub-module also contains one DC capacitor C. The role of the DC capacitor is energy storage, which is then used to support the bus voltage. The three running states of the sub-module are locked, working, and bypass, as summarized in Table 1. In this table, 0 indicates that the switch is off and 1 indicates that the switch is on.
Figure 2. Sub-module Topology Structure.
Table 1. Sub-module Running Status.
Equations (1) and (2) show the mathematical model of MMC positive and negative sequence components, respectively, in the dq coordinate system:
{ L d i d + ( t ) d t + = R i d + ( t ) ω L i q + ( t ) v d + ( t ) + u d + ( t ) L d i q + ( t ) d t + = R i q + ( t ) + ω L i d + ( t ) v q + ( t ) + u q + ( t )
{ L d i d ( t ) d t + = R i d ( t ) ω L i q ( t ) v d ( t ) + u d ( t ) L d i q ( t ) d t + = R i q ( t ) + ω L i d ( t ) v q ( t ) + u q ( t )

3. Black-Start Control Strategy

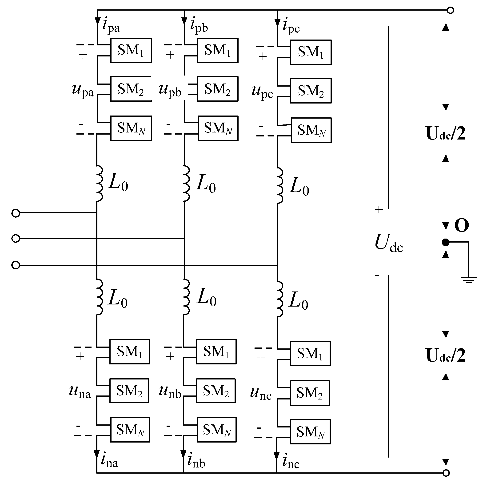
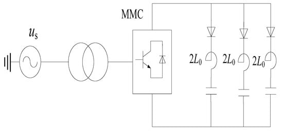
The MMC-HVDC system are shown in Figure 3. When a large power outage occurs at one end of the MMC-HVDC system due to an accident or natural disaster, the entire MMC-HVDC system stops running.
Figure 3. MMC-HVDC System.

3.1. MMC Pre-Starting Control Strategy

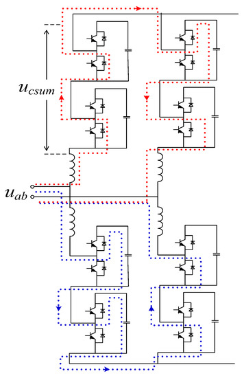
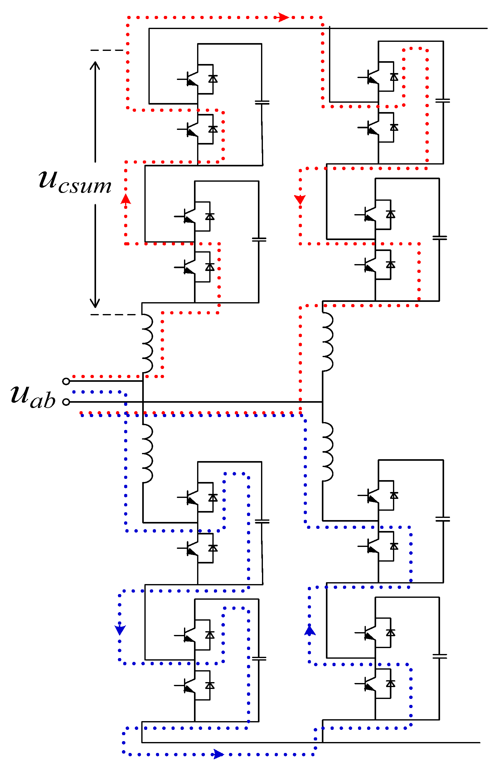
When a power outage occurs at one end, the other end of the converter station is also shut down. In this situation, if people want to start the MMC-HVDC system, it is necessary to charge both ends of the convertor station using the AC power source of the active terminal. At this stage, the capacitor of converter station sub-modules can be charged using the AC system. Considering the phase A and B charging circuits as examples, the charging current is shown in Figure 4. In this figure, u c s u m is the sum of one single bridge’s capacitor voltages at any given time. The line voltage forms 2 loops, one between phase A and phase B of the upper bridge. The other loop is between phase A and phase B of lower bridge. Due to three-phase symmetry, it can be considered that the capacitor voltage u c s u m of all the 6 bridges are equal at any time. If u a b > u c s u m , the sub-module capacitor of phase A lower bridge and phase B upper bridge will be charged. If u a b < u c s u m , the sub-module capacitor phase A upper bridge and phase B lower bridge will be discharged.
Figure 4. Charging Circuit between Phase A and Phase B.
At this stage, the current limiting resistor R l i m is introduced at the outlet side of the converter station due to the low damping of charging circuit, hence preventing the system and bridge current from overflowing:
R l i m max ( U s 2 6 I a r m _ m a x 2 ω 2 ( L + 1 2 L 0 ) 2 , U s 4 S N 2 ω 2 ( L + 1 2 L 0 ) 2 )
where, R l i m is the current limiting resistor, L 0 is the bridge reactance, L is connection reactance, U s is rated line voltage, I a r m _ m a x is allowable maximum value of bridge current, and S n is the rated capacity of system.
For two ends of the MMC-HVDC system, when power outage occurs on one end, the other end of the converter station is also shut down. The charging equivalent circuit is shown in Figure 5.
Figure 5. Charging Equivalent Circuit.
At the moment, the upper and lower bridge currents of the passive end is equal and in the same direction. The capacitors of the two bridges are charged simultaneously, and if the passive side converter station locks all sub-modules, the sub-modules can only be charged to half-rated voltage during the start process and the convertor station cannot be started successfully. Therefore, the starting step of the converter station is designed as follows:
Step 1
Start the active side converter station, close the DC line circuit breaker, and charge the passive side converter station.
Step 2
During the capacitor charging process, we need to monitor the capacitor voltage value of each phase in the passive side. Each phase includes 2N sub-modules and the capacitor voltage of the 2N sub-modules are sorted by a given cycle period. Charge the N sub-modules with minimum capacitor voltage until the capacitor voltage of N sub-modules reaches the rated value.
Step 3
When the sub-modules capacitor voltage of both the passive and active side rise to the rated value gradually, the pre-charge process is finished and MMC-HVDC converter station is locked at this time.
Step 4
Unlock the converter station and input the fixed AC voltage controller. The fixed AC voltage controller uses the slope control to ensure that the AC voltage rises from 0 to the rated value to avoid excitation inrush current and overvoltage. At this time, the MMC-HVDC converter station start-up process is finished.

3.2. Overvoltage Suppression Strategy of Start-Up No-Load Transmission Line

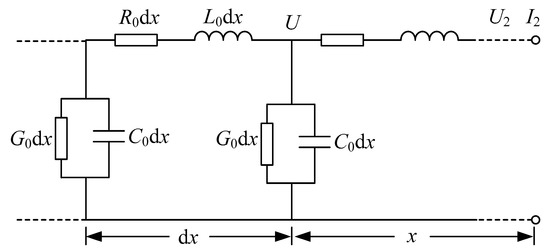
Once the MMC-HVDC charging process is complete, it is necessary to restore other important units in the network. Usually, the black-start power source is situated far away from the working units. It needs long-distance transmission line and multi-level transformer. Therefore, before starting the non-black start units, it has to charge the transmission lines along the route. Once the no-load transmission lines are charged, there will be problems of power frequency overvoltage and operation overvoltage. First, we analyze the reason of overvoltage and establish the mathematic model of high voltage long-distance transmission line. The equivalent circuit is shown in Figure 6.
Figure 6. Long-Distance Transmission Line.
L0 is the unit length inductance, C0 is capacitance, R0 is conductor resistance, and G0 is conductance of line to ground. The relationship between the voltage U x and current I x at any point on the line and the voltage U 2 and current I 2 at the end of the line is shown below:
[ U x I x ] = ( cos α x j Z c sin α x j sh α x Z c cos α x ) [ U 2 I 2 ]
γ = j α = j ω L 0 C 0 is the transmission line coefficient. The imaginary part α is the phase coefficient. Z c = R 0 + j ω L 0 G 0 + j ω C 0 is the transmission characteristics coefficient at w, which is the power source angular frequency. From (4), it can be obtained as follows:
U x = cos α x cos α l U 1 0 x L
L is the length of the transmission line and x is the distance from the end of the line to any point on transmission line. It can be obtained from (5) that the voltage of any point on the no-load transmission line is greater than source voltage and the power frequency voltage at the end of transmission line is the highest.
Based on the above analysis, if no overvoltage suppression measures are undertaken during the charging process of no load transmission line, it will produce an overvoltage. To avoid the black start failure due to overvoltage, some soft start strategies are needed to restrain the overvoltage problems.
In this paper, three methods to analyze start-up no-load transmission lines are discussed. The first method is to start the long transmission line, where the AC voltage of VSC2 side rises to the rated value. The second method is the soft start method [26]. The AC voltage of the inverter side is controlled by VSC2 according to a certain curve. Before the AC voltage reaches the rated value, close the circuit breaker connected to VSC2 and the no-load transmission line. The third method is also a soft start method but different from the second-starting mode [14]. In this mode, close the circuit breaker first, which is connected to VSC2 and the no-load transmission line. Secondly, control VSC2 making the AC voltage rise from 0 to the rated value. The simulation results of the above analysis in PSCAD/EMTDC, are shown in Figure 7, Figure 8 and Figure 9.
Figure 7. First Start Method.
Figure 8. Second Start Method.
Figure 9. Third Start Method.
By comparing the simulation results of the three start methods, it can be concluded that the third method can suppress overvoltage completely during the no-load transmission line start-up process. This ensure that overvoltage will not be generated at the end of the transmission line. The impact of overvoltage will also be reduced on circuit breakers and motors. However, inverter or circuit breaker may appear to be an unexpected situation, to ensure the safe operation of equipment. The isolation is still required using circuit breaker. In this situation, we adopt the second method that can reduce the overvoltage generated during the charging process of a no-load transmission line. Therefore, the charging method of transmission lines should be selected according to the actual situation.

3.3. The Control Strategy of Non-Black Start Units

After finishing the no-load transmission line charging process, MMC-HVDC moves on to starting other non-black start units. The non-black start units are usually large or medium sized thermal power units and their auxiliary machines are large capacity asynchronous motors. The start-up process of non-black start unit is the same as that of starting a motor. The start-up process of a non-black start unit produces a larger starting current, owing to which, the voltage of the AC busbar drops. Thus, unsuccessful starting of non-black start units is generally due to low AC busbar voltages. Therefore, MMC-HVDC needs to have the sufficient capacity and sufficient voltage adjustment capability to restore the AC busbar voltage back to the specified range and ensure the smooth start of generator units. From the preceding analysis, it can be seen that it is crucial to ensure the stability of the AC voltage and frequency on the inverter side.
This paper proposes a voltage stability control strategy to ensure the stability of the inverter voltage. The outer loop voltage control structure is shown in Figure 10 and the inner loop current control structure is shown in Figure 11.
Figure 10. Outer Loop Voltage Control Structure.
Figure 11. Inner Loop Current Control Structure.
Frequency is used as a control quantity during frequency modulation. There are three 3 kinds of control methods:
(1)
Traditional generator frequency modulation.
(2)
VSC-HVDC frequency modulation.
(3)
VSC-HVDC and generator coordinate frequency modulation.
The frequency response characteristics of the three different frequency modulation methods are studied using simulation analysis, as shown in Figure 12. It can be seen that VSC-HVDC has the fastest frequency modulation response. Therefore, VSC-HVDC can be used to control the frequency while starting non-black start units. Now, the busbar frequency can be stabilized more quickly and it can also guarantee successful starting of non-black start units.
Figure 12. Frequency Response Characteristics.
Based on the analysis of MMC frequency modulation, we can establish the generator frequency modulation equation as:
K G Δ f + Δ P = 0
K G * = K G f N / P G N
where Δf is the increment of the system frequency at the end of frequency modulation process, ΔP is the active power increment of the frequency modulation unit at the end of frequency modulation process, and K G is the unit regulating power of the generator.
Next, establish the MMC-HVDC frequency modulation equation according to (6) and (7) as:
K VSC Δ f + Δ P VSC = 0
K G Δ f + Δ P G = 0
K VSC is the unit regulating power of VSC-HVDC, which is a non-dimensional quantity. It describes the dynamic characteristics of VSC-HVDC. Its value can be set large at the initial stage of load restoration and reduced gradually during the restoration process. The value is set to be approaching zero when the system tends to be stable.
The increment of load is shown in (10):
Δ P L = Δ P VSC + Δ P G = Δ f ( K VSC + K G )
The frequency modulation load of MMC is shown in (11):
Δ P VSC = K VSC Δ P L / K S
From the preceding analysis, it can be seen that the final load Δ P vsc of MMC is proportional to the unit power. The capacity control of frequency modulation between MMC-HVDC and generator units can be achieved by changing unit regulating power.
To be concise, we can say that the frequency control strategy of MMC non-black start units is designed as shown in Figure 13. f is the actual frequency of the system. f r e f is set at 50 Hz. When the frequency drops to the specified action value, the MMC increases the active power Δ P vsc automatically according to (11). Δ P r e f 0 is the initial active setting value. Δ P vsc plus Δ P r e f 0 equals to P r e f , which is the active setting value.
Figure 13. Frequency Control Strategy of MMC Non-black Start Units.

4. Black-Start Restoration Scheme

In this experiment, the black-start system topology shown in Figure 14 is considered using MMC-HVDC as a black-start power source. The system topology includes three parts to simulate the MMC-HVDC black start, namely the active side, MMC-HVDC system, and passive side. In the system topology, the active side is a power source network, which is outside the range of the power outage accident. It provides power for the initial stage of black start and the initial stage of generator start. The voltage level of the active side is 230 kV. It is connected to the rectifier side of the MMC-HVDC converter through a transformer with the ratio of 230/166 kV. The output DC voltage of rectifier side is 320 kV and it is provided to the inverter side. The output AC voltage of the inverter side is 166 kV and it is provided to the passive side through a transformer with the ratio of 166/230 kV.
Figure 14. Black Start System Topology.
The passive side needs to be started after power outage accident. The busbar BusAll of passive side is connected with the inverter side of the MMC-HVDC by circuit breaker BR1. They are also connected with the busbar BusAll that includes line CA and line CB. Generator units are also connected with busbar BusAll. Generator and busbar BusAll are connected by circuit breaker BM1 and BS1. When the BM1 is closed, the generator is started and the generator can be considered as a motor. When the generator is started, the generator can be run separately from the MMC-HVDC. The load of the generator is 10 MVA. When the BS1 is closed, the generator and the MMC-HVDC converter can be connected to the grid. In this case, busbar BusAll can be used as a power source to provide power for the grid restoration stage.
The length of the line CA is 25 km. Circuit breakers include CAline and CAline1 on line CA. The length of the line CB is 15 km. Circuit breakers include CBline and CBline1 on line CB. The line CA and the line CB are connected to the busbar BusA and busbar BusB, respectively. The busbar BusA has a load of 30 MVA and busbar BusB has a load of 10 MVA.
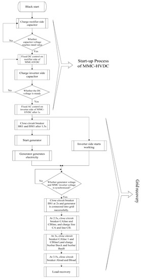
To reflect the changes of electrical quantities during the power grid and restoration process. The process of restoration and the changes of system status are divided into two stages. The name of the circuit breaker mentioned and the electrical components refer to Figure 14. The process flow chart refers to Figure 15.
Figure 15. Black Start Process Flow Chart.
First stage: The MMC starts to work and the charging process of all the busbars are finished. The start-up process of the generator is finished and they are connected to the grid. This is the MMC-HVDC start-up and the grid restoration process stage. Simulation time is from 0 to 2.5 s.
At the beginning of simulation, all IGBT should be locked in the MMC rectifier and inverter side. Depending on whether the capacitor voltage reaches the rated value, we charging all the sub-module capacitors on the MMC rectifier side. When the capacitor voltage and DC side bridge voltage reaches the predetermined value, it controls the MMC rectifier side, and the charging process lasts 0.3 s.
When the rectifier side charging process gets over, it adopts a fixed DC voltage control strategy for the MMC rectifier side and the controlled value is 320 kV and the MMC inverter side is still locked to achieve capacitor charging process. During this stage, monitor whether the DC side voltage stabilizes to the given value. When the DC voltage is stabilized to the given value successfully, move to the next stage. This stage runs from 0.3 s to 1 s. After 1 s, MMC invertor side adopts fixed AC voltage control strategy and supplies power to the passive side network.
After the inverter side is started, the system voltage and frequency become steady, thus closing circuit breaker BR1 and charging the busbar BusAll. After 1.5 s, it closes the circuit breaker BM1 and starts the generator. Once the generator is started successfully and runs normally it needs to be connected to the grid on the inverter side. At this time, we need to judge whether the MMC inverter side voltage and the generator voltage is synchronized in amplitude, frequency, and phase. If they are unsynchronized, it becomes essential to control the MMC inverter and synchronize the inverter voltage with the generator voltage. Once they are synchronized, circuit breaker BS1 closes. The generator and MMC are connected successfully. In this simulation, the circuit breaker BS1 is closed at 2 s and generator is connected into the grid successfully.
Second stage: The restoration process of the remaining load in the system. This stage is load restoration stage during the black start process. Simulation period is from 2.5 s to 4 s.
At 2.5 s, we close the circuit breakers CAline and CBline and charging lines CA and CB. At 3 s, we close the circuit breakers CAline 1 and CBline1. Connecting busbar BusAll with busbar BusA and busbar BusB and charging busbar BusA and busbar BusB. At 3.5 s, closing circuit breaker Cload1 and Cload2, connecting the load1 and load2 with the grid. The total load of ALoad and Bload is 40 MVA.
Such high-power load restoration will cause serious impact on the system voltage. Therefore, MMC inverter side still adopts a fixed AC voltage control strategy. It can provide steady reactive and active power supports for the system.

5. Simulation Analysis

To verify the control strategy and power grid restoration process designed in this study for black start using MMC-HVDC, simulation analysis is performed in PSCAD/EMTDC. The specific parameters of the simulation model are shown in Table 2.
Table 2. Simulation Parameters.
The changes of MMC-HVDC sending end DC busbar voltage U d c r is shown in Figure 16. The changes of MMC-HVDC receiving end DC busbar voltage U d c n are shown in Figure 17. The MMC inverter starts at 1 s, generator starts at 2 s, and loads recover at 3.5 s. From these figures, it can be seen that the DC busbar voltage is maintained at a given value for 1 s, 2 s, and 3.5 s. Thus, it can be seen that the control strategy of the MMC designed in this study is effective. It can guarantee the stability of a DC busbar voltage in the complete black start process.
Figure 16. MMC-HVDC Sending End DC Busbar Voltage.
Figure 17. MMC-HVDC Receiving End DC Busbar Voltage.
Figure 18 shows the reactive power Q m r waveform in black start process, which is injected from MMC rectifier side. From this figure, it can be seen that reactive power Q m r is still kept at zero during black start process. It guarantees that MMC-HVDC does not waste the active power from the active side. It also guarantees that the power factor of the active side is one.
Figure 18. Reactive Power Waveform of MMC Rectifier Side.
Figure 19 and Figure 20 show waveforms for reactive power Q m n and active power P m n from the passive side. The MMC inverter does not work before 1 s. Thus, there is not power output. After 1 s, the MMC inverter starts working and power fluctuates slightly. Power fluctuation is caused by the impedance on the line which is connected to the MMC inverter.
Figure 19. Reactive Power Waveform from Passive Side.
Figure 20. Active Power Waveform from Passive Side.
Figure 21 shows the change of inverter voltage u p a 1 waveform on the passive side. Generator starts at 2 s. It can be seen from Figure 19 and Figure 20 that MMC provides the corresponding power to support the generator starting at this moment. The output voltage u p a 2 waveform is shown in Figure 22.
Figure 21. Inverter Voltage Waveform.
Figure 22. Output Voltage from Generator.
The generator will produce a voltage once it restarts. At this time, the waveform of the generator needs to be controlled, because generator voltage must be synchronized with the MMC inverter voltage. However, it is more convenient to control the MMC voltage; this work controls the MMC inverter voltage to synchronize with the generator voltage. The phase of generator voltage is given as the MMC inverter voltage reference. The MMC inverter side is controlled by the phase locked loop to synchronize MMC inverter voltage with the output voltage of generator. The changes of these two waveforms are shown in Figure 23.
Figure 23. Voltage Waveform of Generator and Grid.
When the MMC inverter voltage and generator output voltage are synchronized with respect to their amplitude, phase, and frequency, the grid-connected operation is achieved. In the simulations conducted in this study, the grid-connected operation is carried out at 2.5 s. At the same time, the circuit breaker BS1 is closed, and the obtained voltage waveform is shown in Figure 23. From this figure, it can be seen that the MMC and the generator are successfully synchronized. Thus, it can be said that the first stage of grid restoration has been completed successfully.
In the second stage of the power grid restoration, the MMC inverter side still uses fixed AC voltage control strategy and it continues to provide reactive power for the system. In the start-up process of unloaded line and load, it can be seen that the output voltage of generator and MMC can be kept steady and the output of generator and MMC is well controlled. It can be concluded that the second stage of load restoration is successful.
Figure 24 is the frequency waveform of the AC busbar in the black start process. In this process, the system frequency is well controlled in the inverter start-up stage, generator start-up stage, grid-connected stage, and load restoration stage. There is no serious problem with the system frequency.
Figure 24. Frequency Waveform of AC Busbar during Black Start Process.
Figure 25 is the capacitor-voltage waveform of the first sub-module, fourth sub-module, seventh sub-module, and eleventh sub-module from the MMC rectifier side during the black start process. Figure 26 is the capacitor voltage waveform of the first sub-module, fourth sub-module, seventh sub-module, and eleventh sub-module from the MMC inverter side during the black start process. It can be seen from these waveforms that the capacitor voltage of each module still maintains steady and balance during the processes of generator start-up stage, grid-connected stage and load restoration stage. Through the above analysis, it can be concluded that MMC-HVDC can be used as a start power source during black start processes.
Figure 25. Capacitor Voltage Waveform of MMC Rectifier Side.
Figure 26. Capacitor Voltage Waveform of MMC Inverter Side.

6. Conclusions

Heretofore, VSC-HVDC based on an MMC structure has developed rapidly and has been widely used and studied both at home and abroad because of its high capacity, safety, stability, controllability, and so on. This study primarily focuses on the feasibility of MMC-HVDC as a black-start power source. It also introduces the development background and the advantage of MMC-HVDC as a black-start power source. Meanwhile, it also analyses its working principle, topology structure, and control strategy, along with its technical characteristics and control of overvoltage and start-up process of non-black start units. This study presents the following work:
(1)
Design of a power-frequency overvoltage suppression strategy for no-load transmission line, based on a MMC-HVDC structure. In the grid restoration process, power frequency overvoltage of no-load transmission line is an important factor to be considered during the charging and switching operation. Analyze the formation mechanism of overvoltage through setting up the mathematical model of no-load transmission line and design a control strategy for suppressing the corresponding overvoltage using MMC-HVDC.
(2)
Design voltage and frequency control strategies for MMC-HVDC to start non-black start units. Analyze the problems of voltage and frequency fluctuation when non-black start units start functioning. To solve these problems, a control scheme with voltage and frequency control is designed. It can maintain a steady power system voltage and frequency during the start-up process of non-black start units.
(3)
Design power grid restoration scheme based on MMC-HVDC as a black-start power source and build corresponding simulation model in PSCAD/EMTDC simulation environment. The power grid restoration scheme includes three stages, namely the start-up stage of MMC-HVDC, restoration stage of power system, and stage of load restoration. During the power grid restoration, the voltage and frequency of the system are kept in a steady range, which establishes the possibility and superiority of MMC-HVDC as a black-start power source.

Author Contributions

Conceptualization, Zecheng Li; Data curation, Zecheng Li; Formal analysis, Zecheng Li; Funding acquisition, Zecheng Li; Investigation, Zecheng Li; Methodology, Zecheng Li; Project administration, Zecheng Li; Resources, Zecheng Li; Software, Zecheng Li; Supervision, Guojun Tan; Validation, Zecheng Li; Visualization, Zecheng Li; Writing–original draft, Zecheng Li; Writing–review & editing, Zecheng Li.

Funding

This research received no external funding.

Acknowledgments

The author would like to thank Tan from China University of Mining and Technology (Beijing) for reviewing this paper.

Conflicts of Interest

The authors declare no conflict of interest.

References

  1. Chen, M.Y. Power System Blackstart Model and Method Optimization; North China Electric Power University: Baoding, China, 2014. [Google Scholar]
  2. Liu, L. Research on Control Technology of Applying Storage-Based Wind Farm as Black-Start Power Source for Power Grid; North China Electric Power University: Baoding, China, 2017. [Google Scholar]
  3. Dong, X.Y. The Study on Black Start for District Power Network; Zhejiang University: Hangzhou, China, 2012. [Google Scholar]
  4. Li, S. Research on Multi-objective Coordinative Optimization of Network Reconfiguration for Power System Restoration; North China Electric Power University: Baoding, China, 2017. [Google Scholar]
  5. Feltes, J.W.; Moran, C.G. Black start studies for system restoration. IEEE Tran. Power Electr. 2014, 19, 1333–1340. [Google Scholar]
  6. Li, J.H.; Kong, M.; Mu, G.; Zhang, J.X.; Qi, J.; Wei, Z.M.; Guo, Q. Overview of Researches on Key Technologies of Power System Black-Start. South. Power Syst. Technol. 2017, 11, 68–77. [Google Scholar] [CrossRef]
  7. Xin, K.; Wu, X.C.; He, S.Z. Review on the blackout of power systems and discussion on its security lessons and related countermeasures. South. Power Syst. Technol. 2013, 7, 32–38. [Google Scholar]
  8. Liscouski, B.; Elliot, W.J. Final Report on the 14 August 2003 Blackout[R]//US-Canada Power System Outage Task Force; Technical Report; US-Canada Power System Outage Task Force: New York, NY, USA, 2010; pp. 1–20. [Google Scholar]
  9. Liu, J.K.; Cui, W.Q.; Wang, C.G.; Liu, M.J.; Xu, Q.S. Feasibility analysis on using photovoltaic system with battery as black-start unit under uncertain environment. South. Power Syst. Technol. 2016, 10, 82–88. [Google Scholar]
  10. Qiao, H.; Wen, Z.P.; Zhou, Q.; Xie, Y.T. Research on the feature of the black-start with distributed generation in distribution network. Power Syst. Clean Energy 2015, 31, 54–59. [Google Scholar]
  11. Chen, X.K.; Sun, F.; Lu, Y.; Yu, J.; Dong, H.N. Black-start scheme based on PSCAD /EMTDC transient simulation and research for southern Liaoning power system. North. Electr. Power Technol. 2014, 35, 15–17. [Google Scholar]
  12. Guo, L. Research on VSC-HVDC Improving the Power System Stability of Frequency and Voltage; North China Electric Power University: Baoding, China, 2006. [Google Scholar]
  13. Zhang, J.; Xu, Z.; Chen, H.R. Startup Procedures for the VSC-HVDC System. Trans. China Electr. Soc. 2009, 24, 159–165. [Google Scholar]
  14. Deng, C. The Research on VSC-HVDC System and Its Application in Isolated Power Supply Black Start; Changsha University of Science & Technology: Changsha, China, 2013. [Google Scholar]
  15. Wang, K.; Luo, J.; Yang, S.; YANG, W. Startup Procedures for the VSC-HVDC System Supplying Power to Passive Network. Proc. CSEE 2011, 31, 276–281. [Google Scholar]
  16. Sun, L.; Yuan, W.Q.; Wu, C.P. Modeling of two level grid connected PV system and designing the key links. J. North. Dianli Univ. 2016, 36, 73–75. [Google Scholar]
  17. Yin, Y.H.; Guo, J.B.; Zhao, J.J.; Bu, G.Q. Preliminary analysis of large scale blackout in interconnected north america power grid on august 14 and lessons to be drawn. Power Syst. Technol. 2003, 27, 8–16. [Google Scholar]
  18. Huang, X.; Jin, X.; Ma, L. An Optimized Island Micro-Grid Black-Start Control Method. Trans. China Electrotech. Soc. 2013, 28, 182–190. [Google Scholar]
  19. Wang, Z.H. The Research of the Black-Start’s Characteristic with Micro-Grid; Dalian University of Technology: Dalian, China, 2010. [Google Scholar]
  20. Ding, G.; Ding, M.; Tang, G.; He, Z. Submodule capacitance parameter and voltage balancing scheme of a new multilevel VSC modular. Proc. CSEE 2010, 29, 1–6. [Google Scholar]
  21. Li, T.; Zhao, C.; Wang, C.; Pang, H.; Li, H.; Hu, J. Startup Schemes for Converter Station of MMC-HVDC System Applied in Grid Black Start. Autom. Electr. Power Syst. 2013, 37, 117–122. [Google Scholar]
  22. Guo, L.; Zhao, C.Y.; Li, G.K.; Hu, D.L. VSC-HVDC for enhancing power system frequency stability in the load restoration stage of black start. J. North China Electr. Power Univ. 2007, 34, 22–31. [Google Scholar]
  23. Liu, T. Research on Simulation of Power System Restoration by Voltage Sourced Converter based Direct Current Transmission (VSC-HVDC); North China Electric Power University: Baoding, China, 2011. [Google Scholar]
  24. Lu, X. Study of Control Strategies Applying VSC-HVDC to Start Power Grid; North China Electric Power University: Baoding, China, 2007. [Google Scholar]
  25. Simon, Y.; Teeuwsen, P. Modeling the trans-bay cable project as voltage-sourced converter with modular multilevel converter design. In Proceedings of the IEEE Power and Energy Society General Meeting, Detroit, MI, USA, 24–29 July 2011; IEEE: Detroit, MI, USA, 2011; pp. 1944–9925. [Google Scholar]
  26. Lin, Z.; Liu, C.; Lin, X.; Guo, Q. Redundant Protection Strategy Based on CPS-SPWM for Modular Multilevel Converter. Autom. Electr. Power Syst. 2015, 39. [Google Scholar] [CrossRef]

Article Metrics

Citations

Article Access Statistics

Multiple requests from the same IP address are counted as one view.