Abstract
This paper is devoted to a comparison study of the breakdown voltage of CO2, N2, and SF6 gases, and CO2–SF6 and N2–SF6 mixtures under different voltage waveforms, namely AC, DC, and lightning impulse voltages, in point–plane and sphere–sphere electrode arrangements. The influence of pressure, voltage polarity, and percentage of SF6 in CO2 and N2 were studied, and equivalencies between the breakdown voltage of SF6 and those of the considered mixtures were analyzed. It is shown that the breakdown voltage of SF6 is the highest, whatever the applied voltage waveforms. Similarly, for a given voltage waveform, the breakdown voltage of SF6 is the highest. The AC breakdown voltage is the lowest for all gases. The addition of small amounts of SF6 to CO2 and N2 significantly improved the breakdown voltages of both natural gases. For a given breakdown voltage, the ratio between the pressure of CO2 to that of SF6 was generally lower than the pressure of N2 to SF6, whatever the voltage waveforms.
1. Introduction
SF6 possesses excellent insulating properties, it can interrupt the current of electric arcs and interfere with their performance, has good heat transfer capacity, and chemical stability. These factors mean that sulfur hexafluoride gas is the most widely used gas in high-voltage (HV) components integrated in the transmission and distribution of electric power (HV circuit breakers (GCB), gas insulated switchgears (GIS), transmission lines (GIL), etc.) for more than half a century. SF6 is one of the best insulating gases known to date. However, despite its outstanding properties, SF6 gas is an aggravating agent of the greenhouse effect, and has a global warming potential (GWP) 23,900 times that of CO2. It is for this reason that since the Kyoto Protocol (COP3, 1997), SF6 use and emission into the atmosphere started to be controlled, and intense research has been undertaken to find substitutes for SF6 that have a lesser impact on the environment, as well as comparable dielectric and current interrupting capabilities. Unfortunately, all considered gases present a high liquefaction temperature [1,2,3,4,5], in addition to certain gases having excessive prices. To overcome this problem, and to decrease the liquefaction temperature, these gases are mixed with N2 and CO2; both of these natural gases are used as buffers. Thus, promising new mixtures of complex fluids using natural gases (N2, CO2, dry air) as buffers have been developed these last years, and some have been introduced in mean and high voltage apparatus [2,3,4,5,6,7].
Another solution would be to dilute small amounts of SF6 in N2 or CO2; as these natural gases (N2 and CO2) are freely available in the atmosphere. Their impact on the environment is weak; their ozone depletion potential (ODP) is low compared to SF6. With a suitable choice of parameters such as SF6 concentration, pressure, and electrode gap, it would be possible to get mixtures that had a reduced impact on the environment (i.e., a low greenhouse effect) and would present a good compromise between insulating properties and minimum operating temperature. Many investigations have been conducted on SF6–N2 mixtures [7,8].
This paper is devoted to a comparison between the breakdown voltage (BDV) of CO2, N2, and SF6 gases, and CO2–SF6 and N2–SF6 mixtures under three types of voltage waveforms, namely AC, DC, and lightning impulse voltages, in two different electrode geometries, namely point–plane and sphere–sphere electrode arrangements, at different pressures. The influence of pressure, voltage polarity, and percentage of SF6 in CO2 and N2 are investigated, and equivalencies between the breakdown voltage of SF6 and those of mixtures are discussed.
2. Experimental Section
The tested gases and gas mixtures were SF6, N2, and CO2, and SF6–N2 and SF6–CO2, respectively. The breakdown voltage was measured for three voltage waveforms: AC, positive, DC negative, and positive lightning impulse voltages using two different electrode arrangements.
We first compared the three gases (CO2, N2, and SF6) in point–plane electrode arrangement for three different electrode gaps (5, 10, and 20 mm). Then, we compared the breakdown voltages of those gases and their mixtures in a sphere–sphere electrode arrangement.
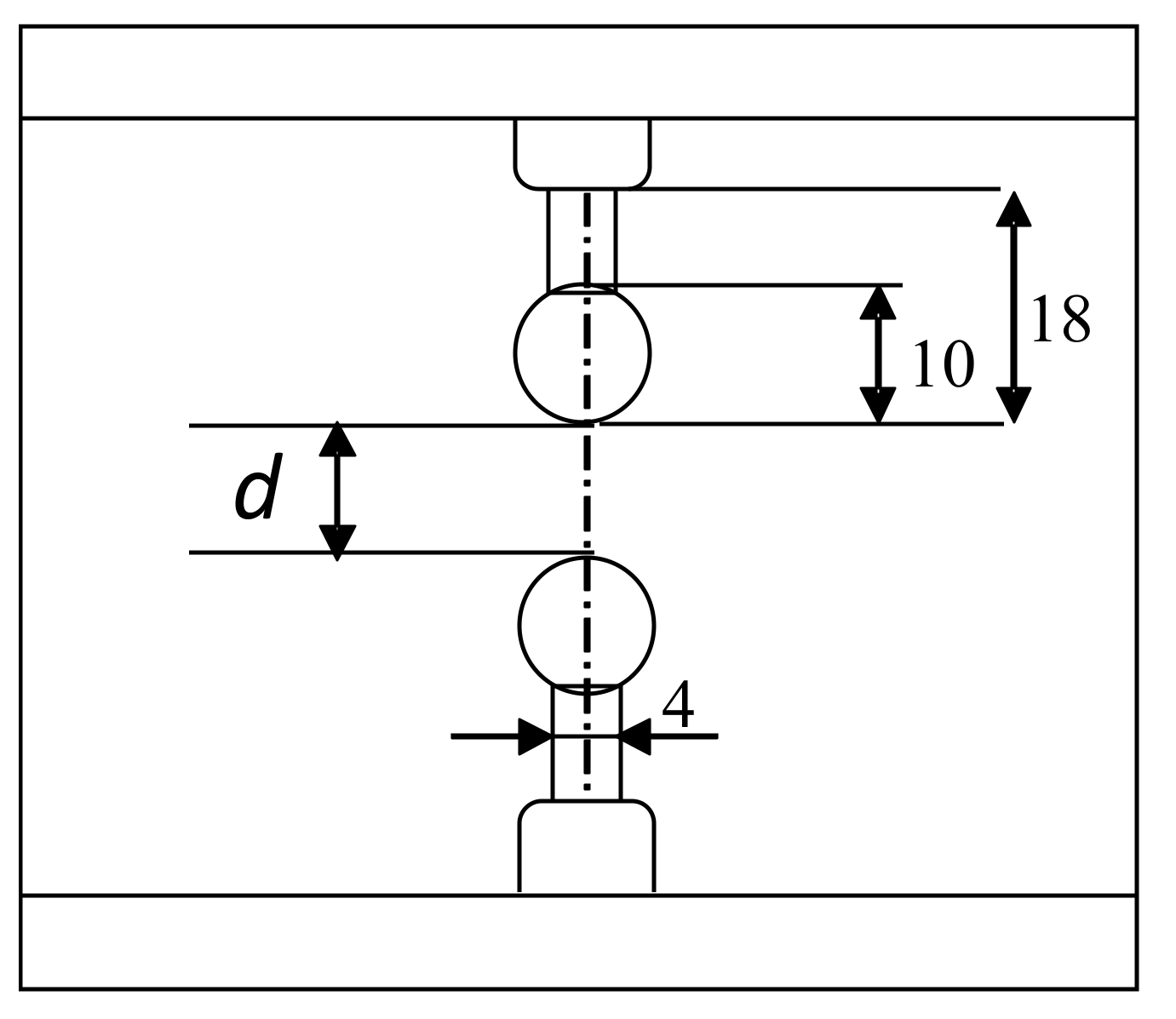
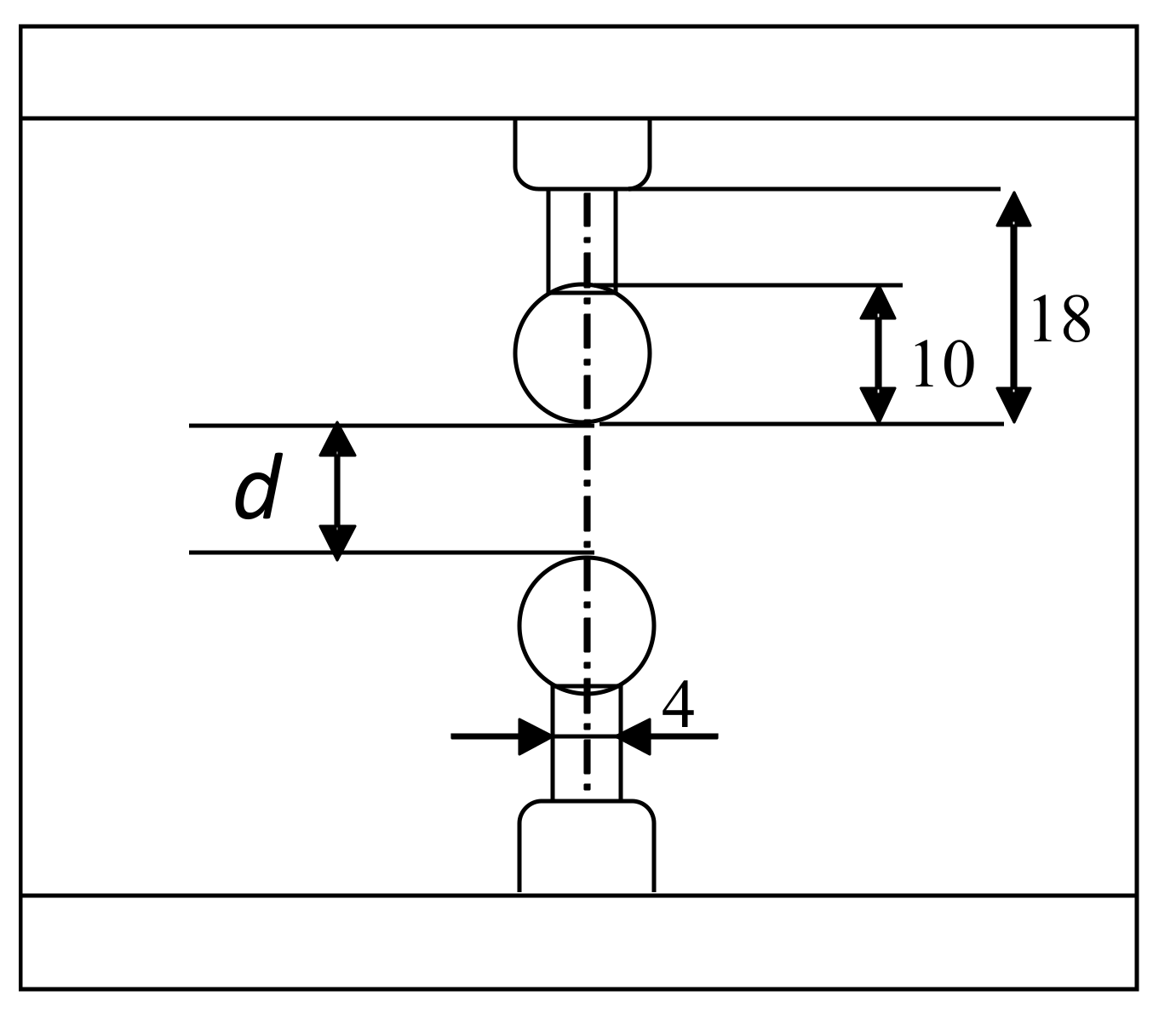
The point was made of tungsten and its radius of curvature was 10.0 ± 0.5 μm. This value may have varied slightly with the succession of tests due to tip erosion, the tip was replaced as soon as its profile became different from the original; its height was 18 mm. As for the plane electrode, it had the shape of a plane disk of which the edges were profiled according to Rogowski. The disc had a diameter of 49.5 mm, a thickness of 6 mm, and a periphery of radius curvature of 3 mm. The sphere electrode had the same height as the tip electrode and a radius of 5 mm. Note that the surface state of the electrodes were controlled, and that the electrodes were changed/replaced as soon as a defect was detected. In both configurations, the two opposite electrodes were axisymmetric and their axis was vertical. Figure 1 shows a diagram of the experimental setup, a general view of the test cell, and details on the dimensions of the electrodes.

Figure 1.
Experimental setup: (a) diagram of electrical circuit; (b) general view of the test cell containing point-plane electrodes geometry; and (c) details on the dimensions of electrodes.
Note that we limited our measurements to 0.4 MPa (4 bar). This pressure is generally the operating gas pressure in high voltage apparatus filled with pure SF6 (gas insulated switchgear (GIS), for instance).
2.1. High Voltage Supplies
The AC high-voltage supply was a 200 kV, 50 Hz, 60 kVA transformer (Hipotronics type). A voltage regulator enabled the operator to increase voltage at a chosen rate. The maximum and effective values of the output voltages of the test transformer were measured using a 60 MHz Maxtron 60 MHz oscilloscope connected to a capacitive voltage divider 1:10,000 (BER 1423/1212-A314, 0.01 µF/100 pF—200 kV).
Two direct high-voltage supplies were used: A 200 kV, 400 W, 2 mA DC generator of positive polarity (Spellman type), and a 150 kV, 225 W, 1.5 mA DC generator (SAMES type) of negative polarity connected to a resistive divider.
The lightning impulse (LI) voltage was supplied either by a 200 kV–2 kJ Marx generator or a 1 MV–50 kJ Marx generator (both generators are Haefely type) each generator was connected to a dedicated capacitive divider; the ratio of dividers was 1:10,000 for the first generator and 1:11,000 for the second generator. The waveform of LI voltage used had a 1.2 µs ± 30% front time and a 50 µs ± 20% tail time. The lightning impulse voltage breakdown was measured using the up-and-down method according to International Electrotechnical Commission (IEC 60060-1:2010).
2.2. Filling the Test Cell and Breakdown Voltage Measurement Procedures
Before each series of breakdown tests, we emptied the test cell using a vacuum pump in order to attain a minimum pressure of approximately 10 mbar, which meant we could proceed to completely flush the test cell in accordance with the American Standards for Testing and Materials (ASTM-D-2477-2005); filling the test cell with the gas to be tested, followed by emptying of the test chamber. The gas was then introduced into the cell before applying the voltage. For a given electrode gap, the measurements were performed from high to low pressure. The pressure was decreased in steps of 0.5 bar. Regarding the realization of gas mixtures, we used Dalton method that takes into account the coefficient of compressibility of gases [9].
After a number of measurement series the cell was completely disassembled and cleaned, and the electrodes were treated (cleaning and sharpening/changing the tip if necessary). Throughout the study, a halogen gas detector allowed us to prevent and/or remedy any gas leaks. Control of the intake/emptying pressure was ensured by a system of taps, equipped with a pressure gauge, connected to the gas bottles using polyurethane pipes.
For the 50 Hz AC tests, the applied voltage was raised to breakdown at a rate of 0.5 kV/s ± 20%, according to ASTM-D-2477-2005. The time interval (waiting time) between two successive applied voltages was approximately 2 min. At least ten voltage applications were considered to estimate the mean breakdown value for each series of measurements. Each breakdown point plotted on a figure is the average of five sets of measurements; this was done to ensure their reproducibility.
Regarding the DC breakdown voltage measurements, the tests were carried out by progressively increasing the voltage stepwise until breakdown occurred. Each level of applied voltage was sustained for 1 min; each point plotted on a figure is the average of at least twenty measurements.
For the impulse voltage tests, we first performed preliminary tests to roughly determine the voltage at which breakdown occurs. We then started a series of measurements using the up-and-down method, according to the International Electrotechnical Commission (IEC 60060-1:2010). The intermediate stand time between a shot and the following shot was 90 s. The number of shot series we applied to establish the U50% breakdown voltage was 40. This voltage is visualized by means of a display screen (Haefely Digital Impulse Analysis System (DIAS) 730) connected to the output of a capacitive divider. An oscilloscope was also used to record these breakdown voltages, and to check the concordance of the results with those of the display screen.
3. Experimental Results
3.1. Influence of Voltage Waveform and Polarity on Breakdown Voltage of Gases in a Point-Plane Electrode Arrangement
Figure 2, Figure 3, Figure 4 and Figure 5 depict the BDV voltages of SF6, N2, and CO2 gases as a function of the gas pressure and the inter-electrode gap, respectively, for a point–plane electrode arrangement under different voltage waveforms. These characteristics show that the breakdown voltage increases with the pressure and/or the inter-electrode distance d. By drawing straight lines of tendency, we noted that some experimental data deviates from the linear tendency. Note that for comparison purposes, AC breakdown voltages in all figures are peak values.
Figure 2.
AC breakdown voltage of N2 (a), CO2 (b) and SF6 (c) gases in the point–plane electrode arrangement.
Figure 3.
Lightning impulse (LI) breakdown voltage of N2 (a), CO2 (b) and SF6 (c) gases in the point–plane electrode arrangement.
Figure 4.
Negative DC breakdown voltage of N2 (a), CO2 (b) and SF6 (c) gases in the point–plane electrode arrangement.
Figure 5.
Positive DC breakdown voltage of N2 (a), CO2 (b) and SF6 (c) gases in the point–plane electrode arrangement.
Under AC, CO2 BDV is clearly higher than that of N2. While the BDV of SF6 is more than three times higher than that of both CO2 and N2 for the three investigated electrode gaps (5, 10, and 20 mm). In contrast, under a positive LI voltage, the BDV of N2 was somewhat higher than that of CO2. However, as expected, the SF6 breakdown voltage was always the highest when compared to that of N2 and CO2, because of its well-documented superior insulation performance. Note that for an inter-electrode gap of 5 and 10 mm, the visible differences observed in N2 at low pressures decreased when pressure was increased. If the slope of growth is maintained, the breakdown voltage at 10 mm, 4 bar would be approximately 20 kV, while on Figure 2 it is approximately 17 kV, representing a difference of 15%, which is not negligible. This could be due to the dispersion of measurements in N2. The dispersion of the measurements of breakdown voltages in N2 has also been reported by others [10].
Note that a linear variation in the breakdown voltage of N2 and CO2 has been observed by E. Onal [11] using a rod–plane electrode system with an electrode gap of 25 mm and a pressure between 1 to 5 bar; the tip radius of the rod was 1 mm.
Under DC, the BDV of N2 and CO2 were higher at negative polarity for the three electrode gaps. Similar to the trend observed for SF6 with an electrode gap of 10 mm, we first observed, at 0.5 bar, that the positive DC BDV was higher than the negative DC BDV, and then we observed the inverse: that the negative DC BDV became higher (Figure 6). Such a variation has been reported in previous work in SF6 under LI voltages [12]. This inversion phenomenon has also been observed with a 3.7% Fluoronitriles–96.3% CO2 mixture [4]. This is likely due to space charges.
Figure 6.
Comparison of breakdown voltages of N2 (a), CO2 (b) and SF6 (c) gases in positive (
) and negative (
) DC in point–plane electrode arrangement; electrode gap = 10 mm.
) and negative (
) DC in point–plane electrode arrangement; electrode gap = 10 mm.
Note that the point–plane electrode geometry is generally investigated to simulate defects or triple points in high-voltage equipment (GIS for instance).
3.2. Influence of Voltage Waveform on the Breakdown Voltage of Gases and Mixtures in Sphere–Sphere Electrode Arrangement
Generally, in order to investigate the dielectric strength of a given material (gas here) one uses an electrode geometry that provides a uniform or quasi-uniform electric field. In this study, we consider a sphere–sphere electrode arrangement whose axis is vertical. The spheres have a radius of 5 mm and the inter-electrode distance was set to 10 mm (Figure 7). This geometry provides an electrode utility factor η of 0.42 (η being the Schwaiger form factor [13]).
Figure 7.
Scheme of the electrode geometry; the dimensions are in mm; d = 10 mm.
Regarding the mixtures, the amounts of SF6 diluted in N2 or CO2 were limited to 20%. Because of what we stated earlier, beyond this value mixtures with SF6 become less interesting, both ecologically and economically. The tests were conducted according to standards IEC 60060-1:2010.
3.2.1. Comparison of Breakdown Voltages of N2, CO2, and SF6
The BDV is clearly dependent on the voltage waveform whatever the considered gas, as shown in Figure 8. It is noted that the AC and DC breakdown voltages of N2 and CO2 vary quasi-linearly with pressure, which is not the case with LI BDV, where the variation is clearly non-linear. On the other hand, the DC and LI BDVs were always higher than the AC BDVs. The LI BDVs of CO2 and N2 were at first higher than the negative DC BDVs, however, following an inversion, they were lower. This inversion is sharper in N2; occurring between 1.5 and 2.0 bar, and in CO2 between 2.0 and 2.5 bar. Beyond 2.0 bar, the LI and negative DC voltages were very similar for CO2. While in N2, DC BDV remained higher than LI BDV. In SF6, LI BDV was always the highest. This result makes it possible to envisage the replacement of SF6 by nitrogen, especially in medium HV equipment, at a moderate pressure.
Figure 8.
Comparison of the breakdown voltages of each of the investigated gases in the sphere–sphere electrode arrangement for AC (♦), negative (■) and LI (∆) voltages; electrode gap d = 10 mm.
Figure 9 shows a comparison of the BDVs of each of the three investigated gases for a given voltage waveform. It is noted that the BDV of SF6 is always higher than that of N2 and CO2, whatever the voltage type. The lowest breakdown voltage of the three gases was observed when using AC. Under AC, the BDV of CO2 was lower than that of N2, while under DC and LI voltages, the BDVs of both gases were very similar.

Figure 9.
Comparison of breakdown voltages of the three investigated gases in sphere–sphere electrode arrangement for AC, negative DC, and positive LI voltages; electrode gap d = 10 mm.
3.2.2. Comparison of Breakdown Voltages of SF6–N2 and SF6–CO2 Mixtures for Different Voltage Waveforms in Sphere–Sphere Electrode Arrangement
The addition of SF6 to CO2 and N2 improves the breakdown voltages of these natural gases. This improvement depends both on the concentration of SF6 and the type of voltage waveforms. The comparison between the three gases (N2, CO2, and SF6) and their mixtures (N2–SF6 and CO2–SF6) can either be carried out at a given common breakdown voltage (UBDV) of the three waveform voltages, or at a fixed common pressure. In the following, we compared the BDVs of mixtures at a given pressure, namely 2 bar, with the BDVs of N2, CO2, and SF6 for the three voltage waveforms at this pressure (Table 1).
Table 1.
Average breakdown voltage of N2, CO2, and SF6 for the three voltage waveform voltages at 2 bar.
Figure 10 depicts the variation in BDV versus the percentage of SF6 for the three types of voltages at 2 bar. We observed that the AC BDV of CO2 increased by 15% and 25% at 5% and 10% SF6, respectively. The AC BDV of N2 increased by 12% and 18% at 5% and 10% SF6, respectively. For DC, the BDV of CO2 increased by 20% and 29% at 5% and 10% SF6, respectively. While for N2, BDV increased by 18% and 22% at 5% and 10% SF6, respectively.
Figure 10.
Comparison of the breakdown voltage of SF6–N2 and SF6–CO2 mixtures in sphere–sphere electrode arrangement under different types of voltage waveforms at p = 2 bar.
The LI BDVs of CO2 and N2 increased by 25% and 44%, respectively, at 5% SF6. While the LI BDVs of CO2 and N2 increased by 20% and 46%, respectively, at 10% SF6. The fact that the BDV of a 95% N25% SF6 mixture is higher than that of 90% N2–10% SF6 mixture seems illogical at first glance. This is also the case with N2, where the LI BDV at 1.5 bar is higher than at 2 bar.
Note that the LI BDV of SF6 at 2 bar (approximately 126 kV) is obtained with an 80% N2–20% SF6 mixture.
In the range of investigated SF6 concentrations, the DC BDVs of N2–SF6 mixtures increase with the percentage of SF6 and/or pressures, as depicted in Figure 11. We noticed an equivalency between pure SF6 and 82% N2–18% SF6 at 3 bar; the BDV was approximately 125 kV. We observed a linear tendency when increasing the SF6 concentration; this is not the case under LI. Indeed, beyond 5% SF6, we even noted a decrease in BDV, evidencing a non-linearity, as shown in Figure 10.
Figure 11.
Breakdown voltage of a SF6–N2 mixture at 2, 3, and 4 bar, under negative DC voltage; electrode gap d = 10 mm.
This non-linearity could result from space charge and mechanisms involved in discharge phenomena. Juhre and Kynast [14] reported a similar observation when analyzing the BDV of SF6–CF4 in a non-homogeneous field. They attributed this phenomenon to the stabilization mechanism of corona discharges. Onal [10] also reported this non-linearity of SF6–N2 and SF6–CO2 mixtures in the rod-to-plane electrode system. According to this author, the non-linearity is due to the charge density and development of streamers.
The use of natural gases can be considered, particularly in medium voltage apparatus, when pressures remain moderate and do not present a great danger to people. Regarding breakdown, N2 and CO2 are more or less equivalent. However, the choice of which gas to use must integrate other parameters. CO2 is usually preferred over N2 because of its better repeatability of dielectric performance when compared to N2 [15,16,17], and its better current interruption capabilities. These advantages justify the choice of CO2 as a buffer gas in the development of mixtures with new gases that are potential candidates for the substitution of SF6 in high-voltage apparatus [1,5,18].
4. Conclusions
This work shows that the breakdown voltage of SF6 is the highest of the studied gases, whatever the applied voltage waveform. Similarly, for a given voltage waveform, the breakdown voltage of SF6 is the highest. The AC breakdown voltage is the lowest voltage for all gases. Additionally, the dielectric strengths of natural gases (CO2 and N2) are very close, especially under lightning impulse voltage.
Thus, pure CO2 and N2 and their mixtures with SF6 constitute potential gases for HV applications. Their insulating properties can be improved by increasing pressure and/or size of apparatus. With apparatus of the same size, the use of N2 or CO2 requires a working pressure about three times higher than that of SF6. However, it should be emphasized, that if increasing the working pressure of GIS, a new dimensioning of the mechanical structure would be required to withstand the higher pressure; one must also be very careful to remain below the security pressure. Of course, economic aspects must also be considered. In case of surface imperfections and defects in equipment what is simulated by point-plane electrodes geometry, a significant decrease breakdown voltage was observed.
On the other hand, the addition of small amounts of SF6 to CO2 and N2 significantly improved the breakdown voltages of both natural gases. However, the amount of SF6 has to remain at a reasonable value so as to not compromise the benefits of such mixtures or negatively impact the environment; the economic aspect (especially the SF6 price) must be taken into account as well. Also, the use of CO2 would be preferable to N2 in the creation of mixtures used in HV apparatus, because, (1) CO2 better interrupts the electrical arc than N2; (2) the fact that for a given breakdown voltage, the ratio between the pressure of CO2 to that of SF6 is generally lower than that between the pressure of N2 to SF6, whatever the voltage waveforms; and (3) compared to N2, CO2 shows less dispersion in experimental measurements of breakdown voltage.
Acknowledgments
The authors would like to thank the International Scientific Partnership Program (ISPP) at King Saud University for funding this research work through ISPP#0047.
Author Contributions
All authors contributed in the design and realization of experiments as well as in writing the paper.
Conflicts of Interest
The authors declare no conflicts of interest.
References
- Chen, L.; Widger, P.; Tateyama, C.; Kumada, A.; Griffiths, H.; Hidaka, K.; Haddad, A. Breakdown Characteristics of CF3I/CO2 gas mixtures under fast impulse in rod-plane and GIS geometries. In Proceedings of the 19th International Symposium on High Voltage Engineering, Pilsen, Czech Republic, 23–28 August 2015. [Google Scholar]
- Simk, P.; Ranjan, N. Dielectric strength of C5 Perfluoroketone. In Proceedings of the 19th International Symposium on High Voltage Engineering, Pilsen, Czech Republic, 23–28 August 2015. [Google Scholar]
- Honeywell, H. New Low Global Warming Potential Aerosol Propellant; Brochure; Honeywell International Inc.: Wabash, IN, USA, 2011. [Google Scholar]
- Nechmi, H.E. Recherche de Gaz/Mélanges Gazeux sans Hexafluorure de Soufre Pour Des Applications Haute Tension. Ph.D. Thesis, Ecole Centrale de Lyon, Université of Lyon, Lyon, France, 2016. [Google Scholar]
- Intergovernmental Panel on Climate Change (IPCC). Direct Global Warming Potentials; Technical Report; Intergovernmental Panel on Climate Change (IPCC): Geneva, Switzerland, 2007. [Google Scholar]
- Devins, J.C. Replacement Gases for SF6. IEEE Trans. Electr. Insul. 1980, 15, 81–86. [Google Scholar] [CrossRef]
- Kawamura, T.; Matsumoto, S.; Hanai, M.; Murayama, Y. SF6/N2 Mixtures for HV Equipment and Practical Problems. In Gaseous Dielectrics VIII; Christophorou, L.G., Olthoff, J.K., Eds.; Kluwer Academic/Plenum Publishers: New York, NY, USA, 1998; pp. 333–343. [Google Scholar]
- Christophorou, L.G.; van Brunt, R.J. SF6/N2 mixtures basic HV insulation properties. IEEE Trans. Dielectr. Electr. Insul. 1995, 2, 952–1003. [Google Scholar] [CrossRef]
- Hamon, B. Mélange de Gaz; Techniques de L’ingénieur, Traité de Génie Electrique: Saint-Denis, France, 1990. [Google Scholar]
- Meijer, S.; Smit, J.J.; Girodet, A. Comparison of the Breakdown Strength of N2, CO2 and SF6 using the Extended Up-and-Down Method. In Proceedings of the 2006 IEEE 8th International Conference on Properties & Applications of Dielectric Materials, Bali, Indonesia, 26–30 June 2006; pp. 653–656. [Google Scholar]
- Onal, E. Breakdown mechanism of different sulphur hexafluoride gas mixtures. Adv. Mater. Sci. Eng. 2018, 2018, 3206132. [Google Scholar] [CrossRef]
- Sadaoui, F.; Beroual, A. Influence of polarity on breakdown voltage of gases in divergent electric field under lightning impulse voltages. In Proceeding of the International Conference on High Voltage Engineering and Application, Shanghai, China, 17–20 September 2012. [Google Scholar]
- Kind, D.; Kärner, H. High Voltage Insulation Technology: Text Book for Electric Engineers; Vieweg: Wiesbaden, Germany, 1985. [Google Scholar]
- Berg, J.; Kuffel, E. Breakdown voltage of characteristics of SF6-CF4 mixture in uniform and non-uniform field gaps. In Proceeding of the IEEE International Symposium on Electrical Insulation, Montreal, QC, Canada, 16–19 June 1996. [Google Scholar]
- Juhre, K.; Kynast, E. High pressure N2, N2/CO2 and CO2 gas insulation in comparison to SF6 in GIS applications. In Proceeding of the 14th International Symposium High Voltage Engineering (ISH), Beijing, China, 25–29 August 2005. C-01. [Google Scholar]
- Rokunohe, T.; Yagihashi, Y.; Endo, F.; Oomori, T. Fundamental insulation characteristics of air, N2, CO2, N2/O2, and SF6 /N2 mixed gases. Electr. Eng. Jpn. 2006, 155, 9–16. [Google Scholar] [CrossRef]
- Diarra, T.; Beroual, A.; Buret, F.; Pham, V.D. Correspondence between SF6, N2 and Air under pressure for a common surface flashover voltage. In Proceeding of the Ninth International Symposium on High Voltage Engineering (ISH’95), Graz, Austria, 28 August–1 September 1995; p. 2264. [Google Scholar]
- Nechmi, H.E.; Beroual, A.; Girodet, A.; Vinson, P. Fluoronitriles/CO2 gas mixture as promising substitute to SF6 for insulation in high voltage applicationse. IEEE Trans. Dielectr. Electr. Insul. 2016, 23, 2587–2593. [Google Scholar] [CrossRef]
© 2018 by the authors. Licensee MDPI, Basel, Switzerland. This article is an open access article distributed under the terms and conditions of the Creative Commons Attribution (CC BY) license (http://creativecommons.org/licenses/by/4.0/).












