Empirical Modeling of the Viscosity of Supercritical Carbon Dioxide Foam Fracturing Fluid under Different Downhole Conditions
Abstract
1. Introduction
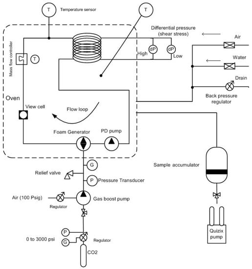
2. Experimental Methodology
- Test was started with a clean, empty, and properly vacuumed loop. The backpressure regulator was ensured to be in a closed position. Oven was set to testing temperature.
- A Quizex pump was used to displace foaming fluids from the accumulator to the loop until the desired pressure was reached.
- The PD pump was then operated at 500 s−1 and the foam generator attached was opened at 50 to 100% of its speed.
- The needle valve was opened and the liquid in the loop was gradually discharged into a graduated cylinder.
- While discharging the liquid, the loop pressure was maintained to the testing pressure by injecting CO2. A gas booster was used to reach the higher pressure. This step generated the desired foam quality that was fixed to 80% in all the tests performed [43].
- Foam circulation was continued at any testing shear rate until a stable density foam with uniform texture appeared.
- The system software recorded the differential pressure reading at each shear rate tested and calculated the foam apparent viscosity using Equation (2).
- Foam circulation was continued at any testing shear rate until a stable density foam with uniform texture appeared.
- 9.
- The equipment stored all the data that was used for generating the required apparent viscosity plots presented in the next section.
3. Results and Discussion
3.1. Effect of Shear Rate
3.2. Effect of Temperature
3.2.1. Effect of Pressure
3.2.2. Combined Effect of Temperature, Pressure, and Shear Rate
4. Conclusions
Acknowledgments
Author Contributions
Conflicts of Interest
References
- Harvey, T.; Gray, J. The Unconventional Hydrocarbon Resources of Britain’s Onshore Basins–Shale Gas; Department of Energy & Climate Change: London, UK, 2013.
- Aguilera, R. Flow units: From conventional to tight-gas to shale-gas to tight-oil to shale-oil reservoirs. SPE Reserv. Eval. Eng. 2014, 17, 190–208. [Google Scholar] [CrossRef]
- Lee, K.S.; Kim, T.H. Integrative Understanding of Shale Gas Reservoirs; Springer: Berlin, Germany, 2016. [Google Scholar]
- Peles, J.; Wardlow, R.; Cox, G.; Haley, W.; Dusterhoft, R.; Walters, H.; Weaver, J. Maximizing well production with unique low molecular weight frac fluid. In Proceedings of the SPE Annual Technical Conference and Exhibition, San Antonio, TX, USA, 29 September–2 October 2002; Society of Petroleum Engineers: Richardson, TX, USA, 2002. [Google Scholar]
- Gu, M.; Mohanty, K. Rheology of polymer-free foam fracturing fluids. J. Petroleum Sci. Eng. 2015, 134, 87–96. [Google Scholar] [CrossRef]
- Ribeiro, L.; Sharma, M. Fluid selection for energized fracture treatments. In Proceedings of the SPE Hydraulic Fracturing Technology Conference, The Woodlands, TX, USA, 4–6 February 2013; Society of Petroleum Engineers: Richardson, TX, USA, 2013. [Google Scholar]
- Middleton, R.S.; Carey, J.W.; Currier, R.P.; Hyman, J.D.; Kang, Q.; Karra, S.; Jiménez-Martínez, J.; Porter, M.L.; Viswanathan, H.S. Shale gas and non-aqueous fracturing fluids: Opportunities and challenges for supercritical CO2. Appl. Energy 2015, 147, 500–509. [Google Scholar] [CrossRef]
- Barati, R.; Liang, J.T. A review of fracturing fluid systems used for hydraulic fracturing of oil and gas wells. J. Appl. Polym. Sci. 2014, 131. [Google Scholar] [CrossRef]
- Makhanov, K.; Habibi, A.; Dehghanpour, H.; Kuru, E. Liquid uptake of gas shales: A workflow to estimate water loss during shut-in periods after fracturing operations. J. Unconv. Oil Gas Resour. 2014, 7, 22–32. [Google Scholar] [CrossRef]
- Li, X.; Feng, Z.; Han, G.; Elsworth, D.; Marone, C.; Saffer, D.; Cheon, D.-S. Breakdown pressure and fracture surface morphology of hydraulic fracturing in shale with H2O, CO2 and N2. Geomech. Geophys. Geo-Energy Geo-Resour. 2016, 2, 63–76. [Google Scholar] [CrossRef]
- Gandossi, L. An Overview of Hydraulic Fracturing and Other Formation Stimulation Technologies for Shale Gas Production; European Commisison Joint Research Centre Technology Reports; European Commisison: Brussels, Belgium, 2013. [Google Scholar]
- Liu, F.; Ellett, K.; Xiao, Y.; Rupp, J.A. Assessing the feasibility of CO2 storage in the new albany shale (devonian–mississippian) with potential enhanced gas recovery using reservoir simulation. Int. J. Greenh. Gas Control 2013, 17, 111–126. [Google Scholar] [CrossRef]
- Busch, A.; Alles, S.; Gensterblum, Y.; Prinz, D.; Dewhurst, D.N.; Raven, M.D.; Stanjek, H.; Krooss, B.M. Carbon dioxide storage potential of shales. Int. J. Greenh. Gas Control 2008, 2, 297–308. [Google Scholar] [CrossRef]
- Shi, J.-Q.; Durucan, S. Modelling of mixed-gas adsorption and diffusion in coalbed reservoirs. In Proceedings of the SPE Unconventional Reservoirs Conference, Keystone, CO, USA, 10–12 February 2008; Society of Petroleum Engineers: Richardson, TX, USA, 2008. [Google Scholar]
- Edrisi, A.R.; Kam, S.I. A new foam rheology model for shale-gas foam fracturing applications. In Proceedings of the SPE Canadian Unconventional Resources Conference, Calgary, AB, Canada, 30 October–1 November 2012; Society of Petroleum Engineers: Richardson, TX, USA, 2012. [Google Scholar]
- Heller, R. Laboratory measurements of matrix permeability and slippage enhanced permeability in gas shales. In Proceedings of the SPE Hydraulic Fracturing Technology Conference, The Woodlands, TX, USA, 4–6 February 2013. [Google Scholar]
- Kang, S.M.; Fathi, E.; Ambrose, R.J.; Akkutlu, I.Y.; Sigal, R.F. Carbon dioxide storage capacity of organic-rich shales. SPE J. 2011, 16, 842–855. [Google Scholar] [CrossRef]
- Luo, X.; Wang, S.; Wang, Z.; Jing, Z.; Lv, M. Experimental research on rheological properties and proppant transport performance of grf–CO2 fracturing fluid. J. Petroleum Sci. Eng. 2014, 120, 154–162. [Google Scholar] [CrossRef]
- Wanniarachchi, W.; Ranjith, P.; Perera, M.; Lashin, A.; Al Arifi, N.; Li, J. Current opinions on foam-based hydro-fracturing in deep geological reservoirs. Geomech. Geophys. Geo-Energy Geo-Resour. 2015, 1, 121–134. [Google Scholar] [CrossRef]
- Gassara, O.; Douarche, F.; Braconnier, B.; Bourbiaux, B. Equivalence between semi-empirical and population-balance foam models. Transp. Porous Media 2017, 120, 473–493. [Google Scholar] [CrossRef]
- Hirasaki, G.J.; Lawson, J.B. Mechanisms of foam flow in porous media: Apparent viscosity in smooth capillaries. Soc. Petroleum Eng. J. 1985, 25, 176–190. [Google Scholar] [CrossRef]
- Bretherton, F. The motion of long bubbles in tubes. J. Fluid Mech. 1961, 10, 166–188. [Google Scholar] [CrossRef]
- Ahmed, S.; Elraies, K.A.; Tan, I.M.; Hashmet, M.R. Experimental investigation of associative polymer performance for CO2 foam enhanced oil recovery. J. Petroleum Sci. Eng. 2017, 157, 971–979. [Google Scholar] [CrossRef]
- Ahmed, S.; Elraies, K.A.; Forooozesh, J.; Bt Mohd Shafian, S.R.; Hashmet, M.R.; Hsia, I.C.C.; Almansour, A. Experimental investigation of immiscible supercritical carbon dioxide foam rheology for improved oil recovery. J. Earth Sci. 2017, 28, 835–841. [Google Scholar] [CrossRef]
- Gassara, O.; Douarche, F.; Braconnier, B.; Bourbiaux, B. Calibrating and interpreting implicit-texture models of foam flow through porous media of different permeabilities. J. Petroleum Sci. Eng. 2017, 159, 588–602. [Google Scholar] [CrossRef]
- Ransohoff, T.; Radke, C. Laminar flow of a wetting liquid along the corners of a predominantly gas-occupied noncircular pore. J. Colloid Interface Sci. 1988, 121, 392–401. [Google Scholar] [CrossRef]
- Kovscek, A.; Radke, C. Fundamentals of Foam Transport in Porous Media; ACS Publications: Washington, DC, USA, 1994. [Google Scholar]
- Mezdour, S.; de Préval, E.S.; Granda, P.; Cuvelier, G.; Ducept, F. Impact of interfacial characteristics on foam structure: Study on model fluids and at pilot scale. Oil Gas Sci. Technol.–Revue d’IFP Energies Nouvelles 2017, 72, 13. [Google Scholar] [CrossRef][Green Version]
- Noetinger, B.; Hume, L.; Chatelin, R.; Poncet, P. Effective viscosity of a random mixture of fluids. Phys. Rev. Fluids 2018, 3, 014103. [Google Scholar] [CrossRef]
- Sun, X.; Liang, X.; Wang, S.; Lu, Y. Experimental study on the rheology of CO2 viscoelastic surfactant foam fracturing fluid. J. Petroleum Sci. Eng. 2014, 119, 104–111. [Google Scholar] [CrossRef]
- Edrisi, A.; Kam, S.I. A new foam model in pipes for drilling and fracturing application. SPE J. 2014, 19, 576–585. [Google Scholar] [CrossRef]
- Green, D.W.; Willhite, G.P. Enhanced Oil Recovery; Henry L. Doherty Memorial Fund of AIME, Society of Petroleum Engineers: Richardson, TX, USA, 1998. [Google Scholar]
- Pramudita, R.A.; Ryoo, W.S. Viscosity measurements of CO2-in-water foam with dodecyl polypropoxy sulfate surfactants for enhanced oil recovery application. Korea-Aust. Rheol. J. 2016, 28, 237–241. [Google Scholar] [CrossRef]
- Batôt, G.; Fleury, M.; Nabzar, L. Study of CO2 foam performance in a ccs context. In Proceedings of the 30th International Symposium of the Society of Core Analysts, Snowmass, CO, USA, 21–26 August 2016. [Google Scholar]
- Sherif, T.; Ahmed, R.; Shah, S.; Amani, M. Rheological correlations for oil-based drilling foams. J. Nat. Gas Sci. Eng. 2016, 35, 1249–1260. [Google Scholar] [CrossRef]
- Ostwald, W. Ueber die geschwindigkeitsfunktion der viskosität disperser systeme. I. Kolloid-Zeitschrift 1925, 36, 99–117. [Google Scholar] [CrossRef]
- Martins, A.; Lourenco, A.; Sa, C.; Silva, V., Jr. Foam rheology characterization as a tool for predicting pressures while drilling offshore wells in ubd conditions. In Proceedings of the SPE/IADC Drilling Conference, Amsterdam, The Netherlands, 27 February–1 March 2001; Society of Petroleum Engineers: Richardson, TX, USA, 2001. [Google Scholar]
- Farzaneh, S.A.; Sohrabi, M. Experimental investigation of CO2-foam stability improvement by alkaline in the presence of crude oil. Chem. Eng. Res. Des. 2015, 94, 375–389. [Google Scholar] [CrossRef]
- Sheng, J. Enhanced Oil Recovery Field Case Studies; Gulf Professional Publishing: Houston, TX, USA, 2013. [Google Scholar]
- Kapetas, L.; Bonnieu, S.V.; Danelis, S.; Rossen, W.; Farajzadeh, R.; Eftekhari, A.; Shafian, S.M.; Bahrim, R.K. Effect of temperature on foam flow in porous media. J. Ind. Eng. Chem. 2016, 36, 229–237. [Google Scholar] [CrossRef]
- Langevin, D. Influence of interfacial rheology on foam and emulsion properties. Adv. Colloid Interface Sci. 2000, 88, 209–222. [Google Scholar] [CrossRef]
- Chen, Y.; Elhag, A.S.; Worthen, A.J.; Reddy, P.P.; Ou, A.M.; Hirasaki, G.J.; Nguyen, Q.P.; Biswal, S.L.; Johnston, K.P. High temperature CO2-in-water foams stabilized with cationic quaternary ammonium surfactants. J. Chem. Eng. Data 2016, 61, 2761–2770. [Google Scholar] [CrossRef]
- Solbakken, J.S.; Skauge, A.; Aarra, M.G. Foam performance in low permeability laminated sandstones. Energy Fuels 2014, 28, 803–815. [Google Scholar] [CrossRef]
- Ahmed, S.; Elraies, K.A.; Hashmet, M.R.; Hanamertani, A.S. Viscosity models for polymer free CO2 foam fracturing fluid with the effect of surfactant concentration, salinity and shear rate. Energies 2017, 10, 1970. [Google Scholar] [CrossRef]
- Osei-Bonsu, K.; Shokri, N.; Grassia, P. Fundamental investigation of foam flow in a liquid-filled hele-shaw cell. J. Colloid Interface Sci. 2016, 462, 288–296. [Google Scholar] [CrossRef] [PubMed]
- Stevenson, P. Foam Engineering: Fundamentals and Applications; John Wiley & Sons: Hoboken, NJ, USA, 2012. [Google Scholar]
- Bonilla, L.F.; Shah, S.N. Experimental investigation on the rheology of foams. In Proceedings of the SPE/CERI Gas Technology Symposium, Calgary, AB, USA, 3–5 April 2000; Society of Petroleum Engineers: Calgary, AB, Canada, 2000. [Google Scholar]
- Long, Y.; Zhu, W.; Li, J.; Huang, X. Rheological properties studies on the steam-foam drive in heavy oil reservoirs. In Proceedings of the 2012 International Conference on Computer Distributed Control and Intelligent Environmental Monitoring (CDCIEM), Changsha, China, 5–6 March 2012; IEEE: Changsha, China, 2012; pp. 600–605. [Google Scholar]
- Hashmet, M.R.; Onur, M.; Tan, I.M. Empirical correlations for viscosity of polyacrylamide solutions with the effects of temperature and shear rate. II. J. Dispers. Sci. Technol. 2014, 35, 1685–1690. [Google Scholar] [CrossRef]













| Temperature (°C) | Pressure (psi) | Parameter Estimates | R2 | ||
|---|---|---|---|---|---|
| K (mPa·s) | n (Unitless) | ||||
| Set A | 40 | 1500 | 3825 | 0.33 | 0.999 |
| 80 | 1500 | 2121 | 0.405 | 0.997 | |
| 100 | 1500 | 1478.5 | 0.457 | 0.999 | |
| 120 | 1500 | 684.35 | 0.567 | 0.998 | |
| Set B | 80 | 1000 | 443.53 | 0.596 | 0.996 |
| 80 | 1500 | 2121 | 0.405 | 0.999 | |
| 80 | 2000 | 2959 | 0.37 | 0.999 | |
| 80 | 2500 | 3633.7 | 0.388 | 0.999 | |
| Parameter | Estimate | R2 |
|---|---|---|
| a1 | −1630.820 | 0.999 |
| a2 | 3910.034 | |
| b1 | 0.075 | |
| b2 | −0.027 | |
| b3 | 0.328 |
| Parameter | Estimate | R2 |
|---|---|---|
| c1 | −1089.127 | 1.00 |
| c2 | 3745.258 | |
| c3 | 481.335 | |
| d1 | 0.198 | |
| d2 | −0.421 | |
| d3 | 0.573 |
| Parameter Estimates | ||
|---|---|---|
| Parameter | Estimate | R2 |
| e1 | −1156.022 | 1 |
| e2 | 3836.989 | |
| e3 | 298.957 | |
| e4 | −2338.651 | |
| e5 | 2527.240 | |
| f1 | 0.204 | |
| f2 | −0.426 | |
| f3 | 0.031 | |
| f4 | 0.070 | |
| f5 | 0.468 | |
© 2018 by the authors. Licensee MDPI, Basel, Switzerland. This article is an open access article distributed under the terms and conditions of the Creative Commons Attribution (CC BY) license (http://creativecommons.org/licenses/by/4.0/).
Share and Cite
Ahmed, S.; Elraies, K.A.; Hashmet, M.R.; Alnarabiji, M.S. Empirical Modeling of the Viscosity of Supercritical Carbon Dioxide Foam Fracturing Fluid under Different Downhole Conditions. Energies 2018, 11, 782. https://doi.org/10.3390/en11040782
Ahmed S, Elraies KA, Hashmet MR, Alnarabiji MS. Empirical Modeling of the Viscosity of Supercritical Carbon Dioxide Foam Fracturing Fluid under Different Downhole Conditions. Energies. 2018; 11(4):782. https://doi.org/10.3390/en11040782
Chicago/Turabian StyleAhmed, Shehzad, Khaled Abdalla Elraies, Muhammad Rehan Hashmet, and Mohamad Sahban Alnarabiji. 2018. "Empirical Modeling of the Viscosity of Supercritical Carbon Dioxide Foam Fracturing Fluid under Different Downhole Conditions" Energies 11, no. 4: 782. https://doi.org/10.3390/en11040782
APA StyleAhmed, S., Elraies, K. A., Hashmet, M. R., & Alnarabiji, M. S. (2018). Empirical Modeling of the Viscosity of Supercritical Carbon Dioxide Foam Fracturing Fluid under Different Downhole Conditions. Energies, 11(4), 782. https://doi.org/10.3390/en11040782

