Resilient and Immune by Design Microgrids Using Solid State Transformers
Abstract
:1. Introduction
Background
- Proposing a new architecture for interconnections between the main grid and the LV distribution grids by eliminating the need for synchronicity and by obtaining microgrids by design (always operating in island mode versus the main grid, which only injects a constant power in the SST DC busbar); it is shown that the architecture brings resilience and immunity by design in the microgrid;
- Proposing suitable test cases for the evaluation of the proposed architecture in terms of microgrid stability, in a situation with power electronics-only energy injection and no classical mechanical inertia (no rotating machines to stabilize the grid); the test cases are also showing that the microgrid has resilience and immunity, which is supported by the proposed design;
- Showing with the selected test cases that in microgrids with power electronics only generation, the microgrid stability is based on electrostatic energy in the capacitors behind the inverters. Thus, a different stability principle applies compared with the classical main grid mechanical-inertia dependent principle. This is the most important contribution, as in most of the studies one tries to keep an acceptable mechanical or mechanical-simulated inertia within the grid, in order to keep the frequency around the nominal value;
- Summarizing the possible multiple roles of SSTs to ensure resilience, sustainability, adaptability and expandability of the architecture in a smart grid vision with SST separated LV microgrids.
2. New Architectures Based on SST Connected Microgrids
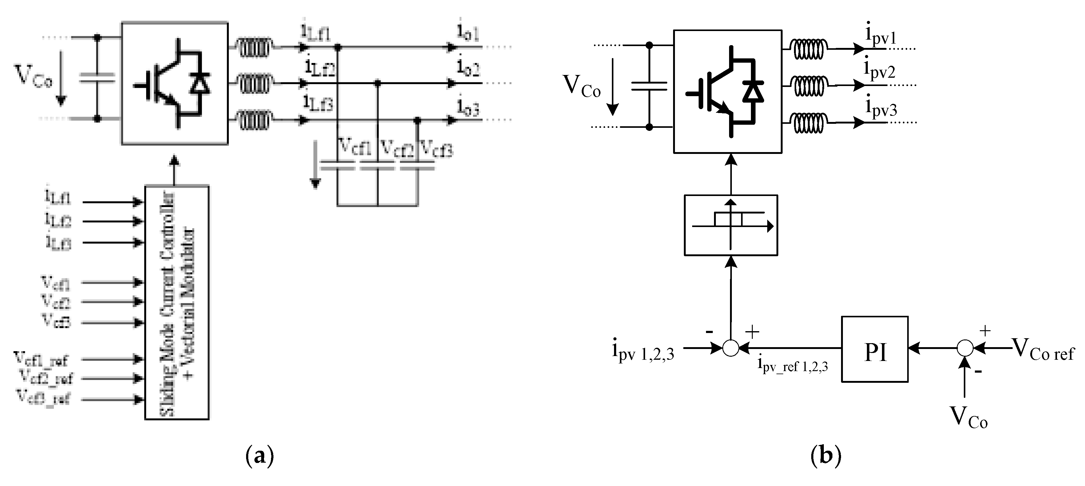
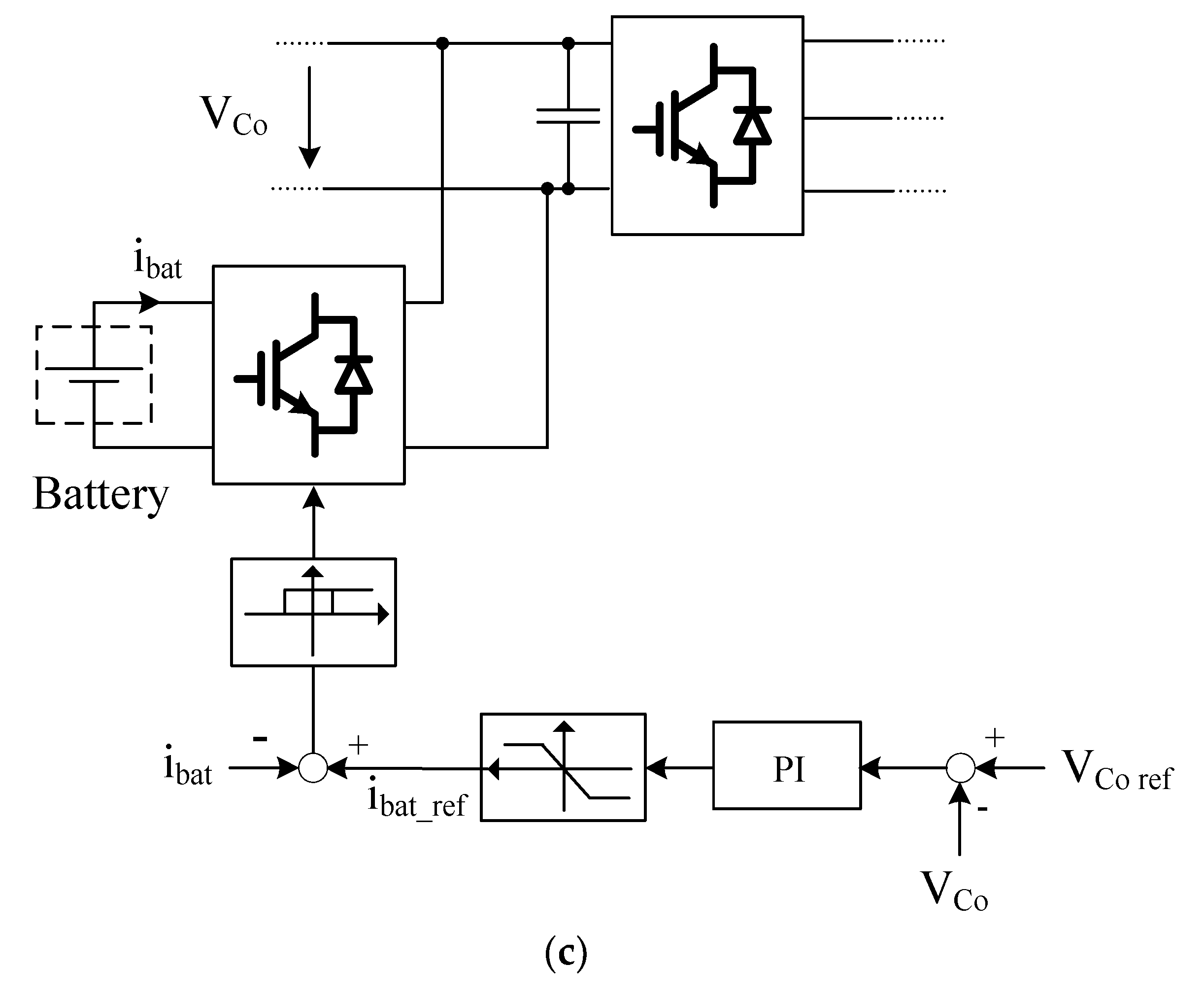
- The balancing between the microgrid consumption and locally connected production (renewable, mainly PV) is now possible locally with the means of storage within the SST, acting as an equilibrium node of the whole microgrid;
- The SST LV AC connection module can operate as grid forming device, thus giving the frequency and the nominal voltage signals, while all other RES can act in the standard grid-following mode;
- Intense disturbances of the main grid cannot actually affect the microgrid, due to the SST AC/DC/AC interconnection. Further, intense variations, voltage sag events, low power quality in the main grid are smooth out by the SST and thus, the microgrid resilience and power quality can be enhanced (and it is decoupled from the resilience/quality of the main grid)
- The connection with the main grid (MV network) becomes buffered, which can be translated into flexible, predictable and even constant power flow, thus drastically reducing the uncertainty in system operation (which may remain only on special cases), and asking for less ancillary services while improving the stability in the main grid;
- The buffered energy in the SST (or associated with SST, as the battery can be physically outside SST, but logically integrated), allows setting different degrees of resilience and even immunity, as the microgrid may be able to supply energy to loads even in the case of main grid outages;
- Finally, the microgrid becomes an independent system by design, being able to operate as an island (a system by itself, with its own balancing means and not depending on the main grid synchronicity) or connected (through a back-to-back elastic connection).
3. Numerical Simulation Scenarios
- The profile of the power absorbed by the microgrid from the main grid shall be either set and known in advance (contractually bind) or schedulable. Therefore, in the proposed scenarios, we assume a constant power injection from the DSO towards the microgrid (Pgrid = constant).
- Microgrid operation is set to “island operation mode”. In other words, as long as the grid provides only scheduled power/energy, the real-time balancing of the MG is performed internally. Thus, the real-time power control remains essential and can to be done by means of one or more of the following resources:
- ○
- storage units (e.g., battery) injects/absorbs power through the DC bus of the SST depending on the balancing needs of the SST (ΔP);
- ○
- LV inverter of the SST acts as grid former, which means that it provides the frequency signal and sets the operation point for the battery;
- ○
- in order to allow powers balancing, co-participation of PVs in the microgrid, in addition to its power modulation, the grid former can alter the frequency in a band centered on the nominal value (50 Hz) to allow primary control, in response to what the PVs can provide in real-time; note that all PVs operate in droop control mode. Therefore, frequency is only an information signal to show that a balancing reaction from the grid followers is needed (not anymore a physical consequence of unbalance, as it is in the main systems driven by large rotating machines), information that is easy to be spread over the whole microgrid through the same wires used for transmitting power.
4. Simulations and Results
- The SST DC bus and its associated capacitor;
- The DSO grid is modeled as a constant power source with PSYS = 35 kW, except the time interval [0.5s, 0.6s] when the loss the connection of the MG with main power system is simulated. PSYS is simulated as a power injection from the isolation stage of SST in the low voltage DC bus bar of SST, as per Figure 7;
- One storage system (it can be also seen as a virtual aggregation of several storage units) connected to the SST DC bus through a DC/DC converter. The storage system is represented by a standard battery (model provided by the Simulink library), connected to the DC/DC converter. For the DC/DC converter, the classical bidirectional Buck/Boost converter was used [38]. The battery is also used to control the inner DC bus voltage, for which a PI controller was used. The time-response of the PI controller is defined by its variables kp and ki. The parameters of the battery are 725 V and 60 Ah;
- An IGBT three-phase voltage source bridge inverter;
- An LC low-pass filter, with LFlt = 5 mH (series) and CFlt = 10 μF (parallel), is employed on the AC side of the inverter to filter out higher frequency harmonics produced by the inverter.
- Electrical lines: Line 1 (Ln1) has RLn1 = 0.4 Ω, LLn1 = 50 μH, Line 2 (Ln2) has RLn2 = 0.3 Ω, LLn2 = 50 μ H, Line 3 (Ln3) has RLn3 = 0.5 Ω, LLn3 = 50 μ H.
- Loads: Load 1 has P1 = 3 × 2500 W, Q1 = 3 × 2000 var at nominal voltage U = 230 V AC; Load 2 has R2 = 50 Ω, L2 = 1 mH on each phase; Load 3 has P3 = 3 × 3000 W, Q3 = 3 × 2000 var at nominal voltage U = 230 V AC.
- PV generation unit: It is connected in node 2, in parallel with load 2 and is generating a constant power of 3 × 1500 = 4500 W. Its characteristics have been extrapolated from a real PV system consisting of a set of Sunmodule Plus SW 300 mono PV panels [39] with a total power under STC conditions of 24.2 kW. The PV unit is connected to the microgrid via a classical three-phase inverter. This PV system was implemented in Matlab/Simulink trough the Simscape toolbox elements.
5. Conclusions
Author Contributions
Funding
Acknowledgments
Conflicts of Interest
References
- Terzija, V.; Valverde, G.; Cai, D.; Regulski, P.; Madani, V.; Fitch, J.; Skok, S.; Begovic, M.M.; Phadke, A. Wide-Area Monitoring, Protection, and Control of Future Electric Power Networks. Proc. IEEE 2011, 99, 80–93. [Google Scholar] [CrossRef]
- Faruque, M.A.A.; Vatanparvar, K. Energy Management-as-a-Service Over Fog Computing Platform. IEEE Internet Things J. 2016, 3, 161–169. [Google Scholar] [CrossRef]
- Eremia, M.; Shahidehpour, M. (Eds.) Handbook of Electrical Power System Dynamics: Modeling, Stability, and Control; Power Engineering Series; Wiley & IEEE Press: New York, NY, USA, 2013. [Google Scholar]
- Hatziargyriou, N. MicroGrids; Wiley-IEEE Press: New York, NY, USA, 2014; ISBN 1-118-72067-9. [Google Scholar]
- El-Hawary, M.E. The Smart Grid—State-of-the-art and Future Trends. Electr. Power Compon. Syst. 2014, 42, 239–250. [Google Scholar] [CrossRef] [Green Version]
- Hirsch, A.; Parag, Y.; Guerrero, J. Microgrids: A review of technologies, key drivers, and outstanding issues. Renew. Sustain. Energy Rev. 2018, 90, 402–411. [Google Scholar] [CrossRef]
- European Climate Foundation. 2010. Available online: https://www.solarworld.de/en/home/ (accessed on 20 October 2018).
- International Renewable Energy Agency (IRENA). Renewable Energy Policies in a Time of Transition; IRENA: Bonn, Germany, 2018. [Google Scholar]
- Vandoorn, T.L.; Meersman, B.; Kooning, J.D.M.D.; Vandevelde, L. Directly-Coupled Synchronous Generators with Converter Behavior in Islanded Microgrids. IEEE Trans. Power Syst. 2012, 27, 1395–1406. [Google Scholar] [CrossRef]
- Ciornei, I.; Heracleous, C.; Kyriakou, M.; Eliades, D.; Constantinou, C.K.; Kyriakides, E. Test System for Mapping Interdependencies of Critical Infrastructures for Intelligent Management in Smart Cities. In Smart Cities in the Mediterranean; Progress in IS; Springer: Cham, Switzerland, 2017; pp. 355–377. ISBN 978-3-319-54557-8. [Google Scholar]
- Monti, A.; Huitema, G.; Sayed-Mouchawe, M.; Amezua, A.S.A. Digitalization of the Electricity System and Customer Participation; European Commission ETIP-SNET: Brussels, Belgium, 2018. [Google Scholar]
- European Technology and Innovation Platform for Smart Networks in Energy Transition ETIP SNET Decarbonizing Europe by 2050: EU Energy Players Propose One Broad Ambitious Mission for Europe. 2018. Available online: https://www.solarworld.de/en/home/ (accessed on 20 October 2018).
- Hailu, T.G.; Mackay, L.; Ramirez-Elizondo, L.M.; Ferreira, J.A. Voltage Weak DC Distribution Grids. Electr. Power Compon. Syst. 2017, 45, 1091–1105. [Google Scholar] [CrossRef] [Green Version]
- Gavriluta, C.; Caire, R.; Gomez-Exposito, A.; Hadjsaid, N. A Distributed Approach for OPF-Based Secondary Control of MTDC Systems. IEEE Trans. Smart Grid 2016. [Google Scholar] [CrossRef]
- Mitsubishi Electric Corporation. Mitsubishi Electric Launches D-Smiree System for Medium- and Low-Voltage DC Distribution; Mitsubishi Electric Corporation: Tokyo, Japan, 2016. [Google Scholar]
- Prötzsch, M. MVDC Plus. Available online: https://www.siemens.com/global/en/home/ products/energy/medium-voltage/solutions/mvdc.html (accessed on 5 March 2018).
- Hakala, T.; Lähdeaho, T.; Järventausta, P. Low-Voltage DC Distribution—Utilization Potential in a Large Distribution Network Company. IEEE Trans. Power Deliv. 2015, 30, 1694–1701. [Google Scholar] [CrossRef]
- Lassila, J.; Kaipia, T.; Haakana, J.; Partanen, J.; Koivuranta, K. Potential and strategic role of power electronics in electricity distribution systems. In Proceedings of the CIRED 2009—The 20th International Conference and Exhibition on Electricity Distribution, Prague, Czech Republic, 8–11 June 2009; Part 2. p. 1. [Google Scholar]
- She, X.; Burgos, R.; Wang, G.; Wang, F.; Huang, A.Q. Review of solid state transformer in the distribution system: From components to field application. In Proceedings of the 2012 IEEE Energy Conversion Congress and Exposition (ECCE), Raleigh, NC, USA, 15–20 September 2012; pp. 4077–4084. [Google Scholar]
- Eremia, M.; Liu, C.-C.; Edris, A.-Y. (Eds.) Advanced Solutions in Power Systems: HVDC, FACTS, and Artificial Intelligence; Power Engineering Series; Wiley & IEEE Press: New York, NY, USA, 2016. [Google Scholar]
- Hammons, T.J.; Lescale, V.F.; Uecker, K.; Haeusler, M.; Retzmann, D.; Staschus, K.; Lepy, S. State of the Art in Ultrahigh-Voltage Transmission. Proc. IEEE 2012, 100, 360–390. [Google Scholar] [CrossRef]
- Spagnuolo, G.; Petrone, G.; Araujo, S.V.; Cecati, C.; Friis-Madsen, E.; Gubia, E.; Hissel, D.; Jasinski, M.; Knapp, W.; Liserre, M.; et al. Renewable Energy Operation and Conversion Schemes: A Summary of Discussions During the Seminar on Renewable Energy Systems. IEEE Ind. Electron. Mag. 2010, 4, 38–51. [Google Scholar] [CrossRef] [Green Version]
- Kolar, J.W.; Huber, J.E. Solid-State Transformers—Key Design Challenges, Applicability, and Future Concepts. In Conference Guide; IEEE: New York, NY, USA, 2016; p. 26. [Google Scholar]
- Abu-Siada, A.; Budiri, J.; Abdou, A.F. Solid State Transformers Topologies, Controllers, and Applications: State-of-the-Art Literature Review. Electronics 2018, 7, 298. [Google Scholar] [CrossRef]
- Intelligent COMPONENTs for the Power Grid of the Future. Available online: https://phys.org/news/2018-04-intelligent-components-power-grid-future.html (accessed on 20 October 2018).
- Smart Transformer for the Energy Turnaround. Available online: https://techxplore.com/news/2018-09-smart-energy-turnaround.html (accessed on 20 October 2018).
- New Electric Car Charger Is More Efficient, 10 Times Smaller Than Current Tech. Available online: https://techxplore.com/news/2018-10-electric-car-charger-efficient-smaller.html (accessed on 21 October 2018).
- Zacharia, L.; Hadjidemetriou, L.; Kyriakides, E. Integration of Renewables into the Wide Area Control Scheme for Damping Power Oscillations. IEEE Trans. Power Syst. 2018, 33, 5778–5786. [Google Scholar] [CrossRef]
- Berckmans, G.; Messagie, M.; Smekens, J.; Omar, N.; Vanhaverbeke, L.; Van Mierlo, J.; Berckmans, G.; Messagie, M.; Smekens, J.; Omar, N.; et al. Cost Projection of State of the Art Lithium-Ion Batteries for Electric Vehicles Up to 2030. Energies 2017, 10, 1314. [Google Scholar] [CrossRef]
- Ayre, J. Tesla Completes World’s Largest Li-ion battery (129 MWh) in South Australia. 2017. Available online: https://cleantechnica.com/2017/11/23/tesla-completes-worlds-largest-li-ion-battery-129-mwh-energy-storage-facility-south-australia-notfree/ (accessed on 16 November 2018).
- Colthorpe, A. Big Solar-Plus-Storage Project Will be One of Hawaii Utility’s Lowest-Cost Power Sources. 2018. Available online: https://www.pv-tech.org/news/big-solar-plus-storage-project-will-be-one-of-hawaii-utilitys-lowest-c/ (accessed on 16 November 2018).
- ENTSO-E. Network Code on Requirements for Grid Connection Applicable to all Generators; ENTSO-E: Brussels, Belgium, 2016. [Google Scholar]
- Zacharia, L.; Kyriakou, A.; Hadjidemetriou, L.; Kyriakides, E.; Azzopardi, C.P.B.; Martensen, N.; Borg, N. Islanding and Resynchronization Procedure of a University Campus Microgrid. In Proceedings of the 2018 International Conference on Smart Energy Systems and Technologies (SEST), Sevilla, Spain, 10–12 September 2018; pp. 1–6. [Google Scholar]
- Huber, J.E.; Kolar, J.W. Solid-State Transformers: On the Origins and Evolution of Key Concepts. IEEE Ind. Electron. Mag. 2016, 10, 19–28. [Google Scholar] [CrossRef]
- Roasto, I.; Romero-Cadaval, E.; Martins, J.; Smolenski, R. State of the art of active power electronic transformers for smart grids. In Proceedings of the IECON 2012—38th Annual Conference on IEEE Industrial Electronics Society, Montreal, QC, Canada, 25–28 October 2012; pp. 5241–5246. [Google Scholar]
- Huang, A.Q.; Crow, M.L.; Heydt, G.T.; Zheng, J.P.; Dale, S.J. The Future Renewable Electric Energy Delivery and Management (FREEDM) System: The Energy Internet. Proc. IEEE 2011, 99, 133–148. [Google Scholar] [CrossRef]
- Rodriguez, J.R.; Dixon, J.W.; Espinoza, J.R.; Pontt, J.; Lezana, P. PWM regenerative rectifiers: State of the art. IEEE Trans. Ind. Electron. 2005, 52, 5–22. [Google Scholar] [CrossRef]
- Fernão Pires, V.; Romero-Cadaval, E.; Vinnikov, D.; Roasto, I.; Martins, J.F. Power converter interfaces for electrochemical energy storage systems—A review. Energy Convers. Manag. 2014, 86, 453–475. [Google Scholar] [CrossRef]
- SolarWorld Sunmodule Plus SW 300 mono. Available online: https://www.solarworld.de/en/home/ (accessed on 12 November 2018).













© 2018 by the authors. Licensee MDPI, Basel, Switzerland. This article is an open access article distributed under the terms and conditions of the Creative Commons Attribution (CC BY) license (http://creativecommons.org/licenses/by/4.0/).
Share and Cite
Sanduleac, M.; Martins, J.F.; Ciornei, I.; Albu, M.; Toma, L.; Pires, V.F.; Hadjidemetriou, L.; Sauba, R. Resilient and Immune by Design Microgrids Using Solid State Transformers. Energies 2018, 11, 3377. https://doi.org/10.3390/en11123377
Sanduleac M, Martins JF, Ciornei I, Albu M, Toma L, Pires VF, Hadjidemetriou L, Sauba R. Resilient and Immune by Design Microgrids Using Solid State Transformers. Energies. 2018; 11(12):3377. https://doi.org/10.3390/en11123377
Chicago/Turabian StyleSanduleac, Mihai, João F. Martins, Irina Ciornei, Mihaela Albu, Lucian Toma, Vitor Fernão Pires, Lenos Hadjidemetriou, and Rooktabir Sauba. 2018. "Resilient and Immune by Design Microgrids Using Solid State Transformers" Energies 11, no. 12: 3377. https://doi.org/10.3390/en11123377
APA StyleSanduleac, M., Martins, J. F., Ciornei, I., Albu, M., Toma, L., Pires, V. F., Hadjidemetriou, L., & Sauba, R. (2018). Resilient and Immune by Design Microgrids Using Solid State Transformers. Energies, 11(12), 3377. https://doi.org/10.3390/en11123377

