Comparison by Life-Cycle Assessment of Alternative Processes for Carvone and Verbenone Production
Abstract
:1. Introduction
2. Materials and Methods
2.1. General Introduction of the Development
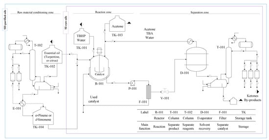
2.2. Description of the Heterogeneous Catalytic Process for the Batch Production of Verbenone and Carvone
2.2.1. Raw Materials Conditioning Zone
2.2.2. Reaction Zone
2.2.3. Separation Zone
2.3. LCA Methodology
2.3.1. Goal and Scope Definition
2.3.2. Life Cycle Inventory Analysis
2.3.3. Life Cycle Impact Assessment
3. Results and Discussion
3.1. Environmental Impacts in the Production of the Iron-Based Phthalocyanine Complex Catalyst FePcCl16-NH2-SiO2
3.2. Comparing Scenarios SI-Raw-Oils and SII-Purified-Oils in the Proposed Process to Produce Verbenone and Carvone
4. Conclusions
Supplementary Materials
Author Contributions
Funding
Institutional Review Board Statement
Informed Consent Statement
Data Availability Statement
Acknowledgments
Conflicts of Interest
Sample Availability
References
- Galvan-Lima, Â.; Cunha, S.C.; Martins, Z.E.; Soares, A.G.; Ferreira, I.M.P.L.V.O.; Farah, A. Headspace Volatolome of Peel Flours from Citrus Fruits Grown in Brazil. Food Res. Int. 2021, 150, 110801. [Google Scholar] [CrossRef] [PubMed]
- Singh, B.; Singh, J.P.; Kaur, A.; Yadav, M.P. Insights into the Chemical Composition and Bioactivities of Citrus Peel Essential Oils. Food Res. Int. 2021, 143, 110231. [Google Scholar] [CrossRef] [PubMed]
- Allenspach, M.; Steuer, C. α-Pinene: A Never-Ending Story. Phytochemistry 2021, 190, 112857. [Google Scholar] [CrossRef] [PubMed]
- Phillips, M.A.; Croteau, R.B. Resin-Based Defenses in Conifers. Trends Plant Sci. 1999, 4, 184–190. [Google Scholar] [CrossRef]
- Becerra, J.A.; Villa, A.L. Clean Limonene Transformations into Added-Value Compounds of Fine Chemistry Using Heterogeneous Catalysis. In Advances in Chemistry Research; Taylor, J.C., Ed.; Nova Publishers: Hauppauge, NY, USA, 2019; Volume 47, p. 234. ISBN 978-1-53614-716-2. [Google Scholar]
- Bajpai, P. Chapter 17—Kraft Spent Liquor Recovery. In Biermann’s Handbook of Pulp and Paper: Raw Material and Pulp Making, 3rd ed.; Elsevier: Amsterdam, The Netherlands, 2018; pp. 425–451. [Google Scholar]
- Höfer, R. Chapter 3B—The Pine Biorefinery Platform Chemicals Value Chain. In Industrial Biorefineries & White Biotechnology; Pandey, A., Höfer, R., Taherzadeh, M., Nampoothiri, K.M., Larroche, C., Eds.; Elsevier: Amsterdam, The Netherlands, 2015; pp. 127–155. ISBN 978-0-444-63453-5. [Google Scholar]
- de Carvalho, C.C.C.R.; da Fonseca, M.M.R. Carvone: Why and How Should One Bother to Produce This Terpene. Food Chem. 2006, 95, 413–422. [Google Scholar] [CrossRef]
- Rivera-Dávila, O.L.; Sánchez-Martínez, G.; Rico-Martínez, R. Ecotoxicity of Pesticides and Semiochemicals Used for Control and Prevention of Conifer Bark Beetle (Dendroctonus Spp.) Outbreaks. Chemosphere 2021, 263, 128375. [Google Scholar] [CrossRef]
- Ren, Y.; Liu, S.; Jin, G.; Yang, X.; Zhou, Y.J. Microbial Production of Limonene and Its Derivatives: Achievements and Perspectives. Biotechnol. Adv. 2020, 44, 107628. [Google Scholar] [CrossRef]
- Demyttenaere, J.C.R. Biotransformation of Terpenoids by Microorganisms. In Bioactive Natural Products (Part F); Studies in Natural Products Chemistry; Atta-ur-Rahman, Ed.; Elsevier: Amsterdam, The Netherlands, 2001; Volume 25, pp. 125–178. [Google Scholar]
- Sales, A.; Paulino, B.N.; Pastore, G.M.; Bicas, J.L. Biogeneration of Aroma Compounds. Curr. Opin. Food Sci. 2018, 19, 77–84. [Google Scholar] [CrossRef]
- Joseph, T.; Halligudi, S.B. Oxyfunctionalization of Limonene Using Vanadium Complex Anchored on Functionalized SBA-15. J. Mol. Catal. A Chem. 2005, 229, 241–247. [Google Scholar] [CrossRef]
- Rauchdi, M.; Ait Ali, M.; Roucoux, A.; Denicourt-Nowicki, A. Novel Access to Verbenone via Ruthenium Nanoparticles-Catalyzed Oxidation of α-Pinene in Neat Water. Appl. Catal. A Gen. 2018, 550, 266–273. [Google Scholar] [CrossRef]
- Cánepa, A.L.; Chanquía, C.M.; Eimer, G.A.; Casuscelli, S.G. Oxidation of Olefins Employing Mesoporous Molecular Sieves Modified with Copper. Appl. Catal. A Gen. 2013, 462–463, 8–14. [Google Scholar] [CrossRef]
- Davey, P.N.; Newman, C.P.; Thiam, W.A.; Tse, C.-L. Preparation of Carvone. WO2000058253A1, 5 October 2000. [Google Scholar]
- Derfer, J.M.; Kane, B.J.; Young, D.G. Preparation of Carvone. U.S. Patent US3293301, 20 December 1966. [Google Scholar]
- Bain, J.P.; Gary, W.Y. Preparation of Verbenone. U.S. Patent US2767215A, 16 October 1956. [Google Scholar]
- Yang, M.; Long, Q.; Li, W.; Wang, Z.; He, X.; Wang, J.; Wang, X.; Xiong, H.; Guo, C.; Zhang, G.; et al. Mapping the Environmental Cost of a Typical Citrus-Producing County in China: Hotspot and Optimization. Sustainability 2020, 12, 1827. [Google Scholar] [CrossRef]
- Moura, B.; Monteiro, H.; Mata, T.M.; Martins, A.A. Life Cycle Energy and Carbon Emissions of Essential Oil Extraction from Rosemary. Energy Rep. 2022, 8, 291–297. [Google Scholar] [CrossRef]
- Teigiserova, D.A.; Hamelin, L.; Tiruta-Barna, L.; Ahmadi, A.; Thomsen, M. Circular Bioeconomy: Life Cycle Assessment of Scaled-up Cascading Production from Orange Peel Waste under Current and Future Electricity Mixes. Sci. Total Environ. 2022, 812, 152574. [Google Scholar] [CrossRef] [PubMed]
- Santiago, B.; Moreira, M.T.; Feijoo, G.; González-García, S. Identification of Environmental Aspects of Citrus Waste Valorization into D-Limonene from a Biorefinery Approach. Biomass Bioenergy 2020, 143, 105844. [Google Scholar] [CrossRef]
- Jahandideh, A.; Johnson, T.J.; Esmaeili, N.; Johnson, M.D.; Richardson, J.W.; Muthukumarappan, K.; Anderson, G.A.; Halfmann, C.; Zhou, R.; Gibbons, W.R. Life Cycle Analysis of a Large-Scale Limonene Production Facility Utilizing Filamentous N2-Fixing Cyanobacteria. Algal Res. 2017, 23, 1–11. [Google Scholar] [CrossRef]
- Zhang, D.; del Rio-Chanona, E.A.; Wagner, J.L.; Shah, N. Life Cycle Assessments of Bio-Based Sustainable Polylimonene Carbonate Production Processes. Sustain. Prod. Consum. 2018, 14, 152–160. [Google Scholar] [CrossRef]
- Gallego-Villada, L.A.; Hasenstab, C.; Alarcón, E.A.; Villa, A.L. Identification by Life Cycle Assessment of the Critical Stage in the Catalytic Synthesis of Nopol Using Heterogeneous Catalysis. Sustain. Prod. Consum. 2021, 27, 23–34. [Google Scholar] [CrossRef]
- Becerra, J.-A.; González, L.-M.; Villa, A.-L. Kinetic Study of α-Pinene Allylic Oxidation over FePcCl16-NH2-SiO2 Catalyst. J. Mol. Catal. A 2016, 423, 12–21. [Google Scholar] [CrossRef]
- Becerra, J.-A.; González, L.-M.; Villa, A.-L. A Bio-Inspired Heterogeneous Catalyst for the Transformation of Limonene from Orange Peel Waste Biomass into Value-Added Products. Catal. Today 2018, 302, 250–260. [Google Scholar] [CrossRef]
- Li, B.; Guinness, S.M.; Hoagland, S.; Fichtner, M.; Kim, H.; Li, S.; Maguire, R.J.; McWilliams, J.C.; Mustakis, J.; Raggon, J.; et al. Continuous Production of Anhydrous Tert-Butyl Hydroperoxide in Nonane Using Membrane Pervaporation and Its Application in Flow Oxidation of a γ-Butyrolactam. Org. Process Res. Dev. 2018, 22, 707–720. [Google Scholar] [CrossRef]
- Metz, J.; Schneider, O.; Hanack, M. Synthesis and Properties of Substituted (phthalocyaninato)-Iron and -Cobalt Compounds and Their Pyridine Adducts. Inorg. Chem. 1984, 23, 1065–1071. [Google Scholar] [CrossRef]
- Sorokin, A.B.; Tuel, A. Heterogeneous Oxidation of Aromatic Compounds Catalyzed by Metallophthalocyanine Functionalized Silicas. New J. Chem. 1999, 23, 473–476. [Google Scholar] [CrossRef]
- Becerra, J.-A.; Villa, A.-L. Techno-Economic Evaluation of D-Limonene and α-Pinene Separation from Citrus and Turpentine Oils. Chem. Eng. Technol. 2020, 43, 2295–2306. [Google Scholar] [CrossRef]
- International Organization for Standardization. Environmental Management—Life Cycle Assessment—Principles and Framework, 2nd ed.; ISO 14040:2006; ISO: Geneva, Switzerland, 2006. [Google Scholar]
- International Organization for Standardization. Environmental Management—Life Cycle Assessment—Requirements and Guidelines, 1st ed.; ISO 14044:2006; ISO: Geneva, Switzerland, 2006. [Google Scholar]
- Beccali, M.; Cellura, M.; Iudicello, M.; Mistretta, M. Resource Consumption and Environmental Impacts of the Agrofood Sector: Life Cycle Assessment of Italian Citrus-Based Products. Environ. Manag. 2009, 43, 707–724. [Google Scholar] [CrossRef]
- Winkler, D.L.E.; Hearne, G.W. Shell Development Co. Non-Catalytic Liquid Phase Isobutane Oxidation. No. U.S. Patent US2845461A, 29 July 1958. [Google Scholar]
- Jubin, J.C. Manufacture of Tertiary Butyl Hydroperoxide. Lyondell Chemical Technology LP. No. U.S. Patent US4128587A, 5 December 1978. [Google Scholar]
- Takatsuna, K.; Shiozawa, K.; Okumura, Y. Process for Preparing Amino-Propyl Silanes. Eur. Pat. EP0403706A2, 27 December 1990. [Google Scholar]
- Converse, W. Process for Production of Unsaturated Amines. U.S. Patent US2216548A, 1 October 1940. [Google Scholar]
- Ronzio, R.A.; Davis, P.K.; Ziegler, R.C. Process for Producing Ammonium Heptamolybdate and/or Ammonium Dimolybdate. U.S. Patent US4079116, 14 March 1978. [Google Scholar]
- Blume, P.W.; Thomas, G.A.; Gervais, B. Chlorination of Phthalic Anhydride. U.S. Patent US2429985A, 4 November 1947. [Google Scholar]
- Yongsheng, Z.; Renjie, Y.; Chen, J.; Jiangyin Jingcheng Glass Co., Ltd. Production Process of Triethoxy Silane. China Pat. CN1810811A, 2 August 2006. [Google Scholar]
- PRé Sustainability, B.V. SimaPro. Available online: https://simapro.com/ (accessed on 15 March 2022).
- Huijbregts, M.A.J.; Steinmann, Z.J.N.; Elshout, P.M.F.; Stam, G.; Verones, F.; Vieira, M.D.M.; Hollander, A.; Zijp, M.; van Zelm, R. ReCiPe 2016 v1.1. A Harmonized Life Cycle Impact Assessment Method at Midpoint and Endpoint Level Report I: Characterization; National Institute for Public Health and the Environment: Bilthoven, The Netherlands, 2016. [Google Scholar]
- IPCC. The Intergovernmental Panel on Climate Change. Available online: https://www.ipcc.ch/ (accessed on 15 March 2022).














| Verbenone | Carvone | |||
|---|---|---|---|---|
| SI-Raw-Oils | SII-Purified-Oils | SI-Raw-Oils | SII-Purified-Oils | |
| R-101 | ||||
| Initial mass, kg | 1665.60 | 1627.85 | 1624.90 | 1615.80 |
| Ketone mass produced, kg | 27.23 | 27.63 | 13.03 | 10.52 |
| Molar percentage ketone, % | 0.539 | 0.546 | 0.242 | 0.199 |
| Heat duty, kW | −316.8 | −326.9 | −530.6 | −483.8 |
| T, K | 318 | 318 | 318 | 318 |
| P, kPa | 85 | 85 | 85 | 85 |
| Time, h | 6 | 6 | 6 | 6 |
| F-101 | ||||
| Ketone mass recovered, kg | 26.96 | 27.36 | 12.90 | 10.41 |
| D-101 | ||||
| Molar percentage ketone concentrated, % | 22.6 | 44.84 | 16.58 | 2.03 |
| Reboiler heat duty, kW | 363 | 350 | 383 | 383 |
| Time, h | 2 | 2 | 2 | 2 |
| T-101 | ||||
| Initial mass, kg | 119.87 | 59.56 | 70.98 | 179.31 |
| Product mass, kg | 41.78 | 26.53 | ||
| Ketone purity, % | 59.7 | 83.9 | 36.5 | 32.6 |
| Reboiler heat duty, kW | 26.8 | 9.6 | 8.3 | 46.0 |
| Ketone capacity at 3 batches in R-101 per day, ton/y | 46.01 | 29.21 | 36.44 | 29.53 |
| Impact Category | Abbreviation |
|---|---|
| Global warming, Human health | GWH |
| Global warming, Terrestrial ecotoxicity | GWTE |
| Global warming, Freshwater ecotoxicity | GWFE |
| Stratospheric Ozone Depletion | OD |
| Ionizing radiation | IR |
| Ozone formation, Human health | OFH |
| Fine particulate matter formation | PMF |
| Ozone Formation, Terrestrial Ecosystem | OFTE |
| Terrestrial Acidification | TA |
| Freshwater Eutrophication | FEu |
| Marine Eutrophication | MEu |
| Terrestrial Ecotoxicity | TEt |
| Freshwater ecotoxicity | FEt |
| Marine ecotoxicity | MEt |
| Humam Carcinogenic Toxicity | HCT |
| Human Non-carcinogenic Toxicity | HNCT |
| Land Use | LU |
| Mineral Resource Scarcity | MR |
| Fossil Resource Scarcity | FR |
| Water Consumption, Human health | WCH |
| Water Consumption, Terrestrial ecosystem | WCTE |
| Water Consumption, Aquatic ecosystem | WCAE |
| Ketone Process | Verbenone | Carvone | ||
|---|---|---|---|---|
| Scenario/Statisticals of the Score | SI-Raw-Oils | SII-Purified-Oils | SI-Raw-Oils | SII-Purified-Oils |
| Mean | 0.249 | 0.335 | 1.78 | 1.78 |
| Median | 0.248 | 0.334 | 1.78 | 1.78 |
| SD | 0.00973 | 0.0138 | 0.0116 | 0.0123 |
| CV | 3.91% | 4.11% | 0.654% | 0.691% |
| 2.5% | 0.23 | 0.312 | 1.76 | 1.76 |
| 97.5% | 0.27 | 0.367 | 1.8 | 1.81 |
| SEM (standard error of mean) | 0.000308 | 0.000436 | 0.000367 | 0.00039 |
| Transport, Truck < 10 t, Euro TYPE, 80%LF, Default/GLO Mass Sensitive Analysis | |||
|---|---|---|---|
| Activity/Cumulated Indicator (%) | EURO1 | EURO3 | EURO5 |
| t-butyl_hydroperoxyde_(TBHP) | 85.8 | 85.7 | 85.2 |
| isobutane_isomerization_B | 49.1 | 49.3 | 51.1 |
| Transport, truck < 10 t, EURO TYPE, 80%LF, default/GLO Mass | 27.9 | 27.7 | 25.1 |
| t-butyl_alcohol_rxn_P1 | 32.1 | 32.1 | 31.9 |
| water_rxn_P1 | 24.8 | 24.8 | 24.7 |
| alpha_pinene_rxn_P1 | 9.69 | 9.68 | 9.62 |
| Electricity, High Voltage {CO}| Electricity Production, TYPE | |||
| Activity/Cumulated Indicator (%) | Natural Gas | Hydro | |
| isobutane_isomerization_B | 69.8 | 51.2 | |
| t-butyl_hydroperoxyde_(TBHP) | 69.8 | 51.2 | |
| Liquified petroleum gas {RoW}|market for|Cut-off, S | 14.1 | 23.9 | |
| Hydrochloric acid, without water, in 30% solution state {RoW}|market for|Cut-off, S | 8.52 | 14.4 | |
| Electricity, high voltage {CO}| electricity production, TYPE | 47.2 | 12.8 | |
Publisher’s Note: MDPI stays neutral with regard to jurisdictional claims in published maps and institutional affiliations. |
© 2022 by the authors. Licensee MDPI, Basel, Switzerland. This article is an open access article distributed under the terms and conditions of the Creative Commons Attribution (CC BY) license (https://creativecommons.org/licenses/by/4.0/).
Share and Cite
Becerra, J.-A.; González, J.-M.; Villa, A.-L. Comparison by Life-Cycle Assessment of Alternative Processes for Carvone and Verbenone Production. Molecules 2022, 27, 5479. https://doi.org/10.3390/molecules27175479
Becerra J-A, González J-M, Villa A-L. Comparison by Life-Cycle Assessment of Alternative Processes for Carvone and Verbenone Production. Molecules. 2022; 27(17):5479. https://doi.org/10.3390/molecules27175479
Chicago/Turabian StyleBecerra, Jaime-Andrés, Juan-Miguel González, and Aída-Luz Villa. 2022. "Comparison by Life-Cycle Assessment of Alternative Processes for Carvone and Verbenone Production" Molecules 27, no. 17: 5479. https://doi.org/10.3390/molecules27175479
APA StyleBecerra, J.-A., González, J.-M., & Villa, A.-L. (2022). Comparison by Life-Cycle Assessment of Alternative Processes for Carvone and Verbenone Production. Molecules, 27(17), 5479. https://doi.org/10.3390/molecules27175479

