Sign in to use this feature.

Years

Between: -

Subjects

remove_circle_outline
remove_circle_outline
remove_circle_outline
remove_circle_outline
remove_circle_outline
remove_circle_outline
remove_circle_outline
remove_circle_outline
remove_circle_outline

Journals

Article Types

Countries / Regions

Search Results (25)

Search Parameters:
Keywords = reversible substation

Order results
Result details
Results per page
Select all
Export citation of selected articles as:
24 pages, 1512 KB  
Article
Strategies to Mitigate Reverse Power Flow in Distribution Networks with High Penetration of Solar Photovoltaic Generation
by Ivan Santos Pereira, Gustavo da Costa Vergara, Jesús M. López-Lezama, Nicolás Muñoz-Galenao and Lina Paola Garcés Negrete
Energies 2026, 19(4), 1069; https://doi.org/10.3390/en19041069 - 19 Feb 2026
Viewed by 612
Abstract
The power industry has undergone significant recent changes due to the growing demand for a cleaner and more sustainable energy mix. In this context, the Brazilian government began encouraging distributed generation (DG), making photovoltaic generation a strong trend in the country. However, the [...] Read more.
The power industry has undergone significant recent changes due to the growing demand for a cleaner and more sustainable energy mix. In this context, the Brazilian government began encouraging distributed generation (DG), making photovoltaic generation a strong trend in the country. However, the expansion of DG may cause negative impacts on the grid, such as reverse power flow (RPF) and overvoltages, which motivates research aimed at mitigating these effects. This study proposes strategies to mitigate RPF in distribution networks with high penetration of photovoltaic generation and evaluates their impacts on the electrical system. Three strategies were analyzed: a battery energy storage system (BESS), a control mechanism using a Grid Zero inverter, and PV Curtailment. The strategies were implemented in OpenDSS on a real distribution network located in São Paulo, Brazil. The assessment involved analyzing power flow in critical transformers and at the substation, as well as monitoring bus voltages and network energy losses. The quantitative results demonstrate that BESS allocation was the superior strategy, reducing technical losses by 61.3% and fully mitigating reverse power flow under steady-state conditions. The Grid Zero inverter eliminated power injection into the grid; however, it increased substation dependency by 59% compared to the baseline scenario. PV curtailment, although achieving the smallest reduction in RPF, proved to be the most effective technique for power quality, limiting the average voltage rise to 0.7%. Full article
Show Figures

Figure 1

30 pages, 8453 KB  
Article
PBZGNet: A Novel Defect Detection Network for Substation Equipment Based on Gradual Parallel Branch Architecture
by Mintao Hu, Yang Zhuang, Jiahao Wang, Yaoyi Hu, Desheng Sun, Dawei Xu and Yongjie Zhai
Sensors 2026, 26(1), 300; https://doi.org/10.3390/s26010300 - 2 Jan 2026
Viewed by 657
Abstract
As power systems expand and grow smarter, the safe and steady operation of substation equipment has become a prerequisite for grid reliability. In cluttered substation scenes, however, existing deep learning detectors still struggle with small targets, multi-scale feature fusion, and precise localization. To [...] Read more.
As power systems expand and grow smarter, the safe and steady operation of substation equipment has become a prerequisite for grid reliability. In cluttered substation scenes, however, existing deep learning detectors still struggle with small targets, multi-scale feature fusion, and precise localization. To overcome these limitations, we introduce PBZGNet, a defect-detection network that couples a gradual parallel-branch backbone, a zoom-fusion neck, and a global channel-recalibration module. First, BiCoreNet is embedded in the feature extractor: dual-core parallel paths, reversible residual links, and channel recalibration cooperate to mine fault-sensitive cues. Second, cross-scale ZFusion and Concat-CBFuse are dynamically merged so that no scale loses information; a hierarchical composite feature pyramid is then formed, strengthening the representation of both complex objects and tiny flaws. Third, an attention-guided decoupled detection head (ADHead) refines responses to obscured and minute defect patterns. Finally, within the Generalized Focal Loss framework, a quality rating scheme suppresses background interference while distribution regression sharpens the localization of small targets. Across all scales, PBZGNet clearly outperforms YOLOv11. Its lightweight variant, PBZGNet-n, attains 83.9% mAP@50 with only 2.91 M parameters and 7.7 GFLOPs—9.3% above YOLOv11-n. The full PBZGNet surpasses the current best substation model, YOLO-SD, by 7.3% mAP@50, setting a new state of the art (SOTA). Full article
(This article belongs to the Special Issue Deep Learning Based Intelligent Fault Diagnosis)
Show Figures

Figure 1

19 pages, 4215 KB  
Article
Modeling and Evaluation of Reversible Traction Substations in DC Railway Systems: A Real-Time Simulation Platform Toward a Digital Twin
by Dario Zaninelli, Hamed Jafari Kaleybar and Morris Brenna
Appl. Sci. 2026, 16(1), 80; https://doi.org/10.3390/app16010080 - 21 Dec 2025
Viewed by 681
Abstract
Traditional diode-based rectifiers (TDRs) in railway traction substations (TSSs) are inefficient at handling bidirectional power flow and cannot recover regenerative braking energy (RBE). Replacing these conventional systems with reversible traction substations (RTSSs) requires detailed modeling, extensive simulations, and validation using real data. This [...] Read more.
Traditional diode-based rectifiers (TDRs) in railway traction substations (TSSs) are inefficient at handling bidirectional power flow and cannot recover regenerative braking energy (RBE). Replacing these conventional systems with reversible traction substations (RTSSs) requires detailed modeling, extensive simulations, and validation using real data. This paper presents a DT-oriented real-time modeling and Hardware-in-the-Loop (HIL) platform for the analysis and performance assessment of RTSSs in DC railway systems. The integration of interleaved PWM rectifiers enables bidirectional power flow, allowing efficient RBE recovery and its return to the main grid. Modeling railway networks with moving trains is complex due to nonlinear dynamics arising from continuously varying positions, speeds, and accelerations. The proposed approach introduces an innovative multi-train simulation method combined with low-level transient and power-quality analysis. The validated DT model, supported by HIL emulation using OPAL-RT, accurately reproduces real-world system behavior, enabling optimal component sizing and evaluation of key performance indicators such as voltage ripple, total harmonic distortion, passive-component stress, and current imbalance. The results demonstrate improved energy efficiency, enhanced system design, and reduced operational costs. Meanwhile, experimental validation on a small-scale RTSS prototype, based on data from the Italian 3 kV DC railway system, confirms the accuracy and applicability of the proposed DT-oriented framework. Full article
(This article belongs to the Section Electrical, Electronics and Communications Engineering)
Show Figures

Figure 1

28 pages, 8306 KB  
Article
Coordinated Voltage and Power Factor Optimization in EV- and DER-Integrated Distribution Systems Using an Adaptive Rolling Horizon Approach
by Wonjun Yun, Phi-Hai Trinh, Jhi-Young Joo and Il-Yop Chung
Energies 2025, 18(23), 6357; https://doi.org/10.3390/en18236357 - 4 Dec 2025
Cited by 1 | Viewed by 628
Abstract
The penetration of distributed energy resources (DERs), such as photovoltaic (PV) generation and electric vehicles (EVs), in distribution systems has been increasing rapidly. At the same time, load demand is rising due to the proliferation of data centers and the growing use of [...] Read more.
The penetration of distributed energy resources (DERs), such as photovoltaic (PV) generation and electric vehicles (EVs), in distribution systems has been increasing rapidly. At the same time, load demand is rising due to the proliferation of data centers and the growing use of artificial intelligence. These trends have introduced new operational challenges: reverse power flow from PV generation during the day and low-voltage conditions during periods of peak load or when PV output is unavailable. To address these issues, this paper proposes a two-stage adaptive rolling horizon (ARH)-based model predictive control (MPC) framework for coordinated voltage and power factor (PF) control in distribution systems. The proposed framework, designed from the perspective of a distributed energy resource management system (DERMS), integrates EV charging and discharging scheduling with PV- and EV-connected inverter control. In the first stage, the ARH method optimizes EV charging and discharging schedules to regulate voltage levels. In the second stage, optimal power flow analysis is employed to adjust the voltage of distribution lines and the power factor at the substation through reactive power compensation, using PV- and EV-connected inverters. The proposed algorithm aims to maintain stable operation of the distribution system while minimizing PV curtailment by computing optimal control commands based on predicted PV generation, load forecasts, and EV data provided by vehicle owners. Simulation results on the IEEE 37-bus test feeder demonstrate that, under predicted PV and load profiles, the system voltage can be maintained within the normal range of 0.95–1.05 per unit (p.u.), the power factor is improved, and the state-of-charge (SOC) requirements of EV owners are satisfied. These results confirm that the proposed framework enables stable and cooperative operation of the distribution system without the need for additional infrastructure expansion. Full article
Show Figures

Figure 1

16 pages, 1426 KB  
Article
Nighttime Reactive Power Optimization for Large-Scale PV Plants: Minimizing Compensation Equipment Investment
by Yu-Ming Liu, Cheng-Chien Kuo and Hung-Cheng Chen
Appl. Sci. 2025, 15(19), 10748; https://doi.org/10.3390/app151910748 - 6 Oct 2025
Cited by 3 | Viewed by 1336
Abstract
The increasing integration of photovoltaic (PV) power systems poses challenges for nighttime voltage regulation because long high-voltage (HV) and ultra-high-voltage (UHV) underground cables generate capacitive reactive power that elevates the grid voltage. Conventional compensators based on passive inductors and capacitors are bulky, costly, [...] Read more.
The increasing integration of photovoltaic (PV) power systems poses challenges for nighttime voltage regulation because long high-voltage (HV) and ultra-high-voltage (UHV) underground cables generate capacitive reactive power that elevates the grid voltage. Conventional compensators based on passive inductors and capacitors are bulky, costly, and inflexible, rendering them unsuitable for substation use. This study proposes an optimization-based strategy that leverages the existing inverter infrastructure of PV plants to provide nighttime reactive power compensation without additional hardware. A genetic algorithm (GA) determines the optimal number and spatial deployment of inverters to minimize line losses. Field validation at a 120 MW PV plant with 1292 inverters shows that the strategy reduces reverse reactive power from 0.84 MVAr to 0.00214 MVAr and line losses from 1.8235 kW to 0.386 kW using only 55 inverters, achieving near-zero additional capital expenditure (CAPEX). This method enhances the voltage stability and system efficiency while reducing the investment and maintenance costs. Full article
(This article belongs to the Section Green Sustainable Science and Technology)
Show Figures

Figure 1

17 pages, 1811 KB  
Article
Investigating Small-Scale DER Impact on Fault Currents and Overcurrent Protection Coordination in Distribution Feeders Under Brazilian Technical Standards
by Murillo Cobe Vargas, Mariana Altoé Mendes, Oureste Elias Batista and Yongheng Yang
Electricity 2025, 6(3), 54; https://doi.org/10.3390/electricity6030054 - 18 Sep 2025
Viewed by 1506
Abstract
This paper investigates the impacts of small-scale distributed energy resources (DERs) on fault currents and overcurrent protection (OCP) coordination in distribution feeders, considering the Brazilian regulatory framework. Changes in fault current levels and OCP coordination are analyzed by focusing on the relationships between [...] Read more.
This paper investigates the impacts of small-scale distributed energy resources (DERs) on fault currents and overcurrent protection (OCP) coordination in distribution feeders, considering the Brazilian regulatory framework. Changes in fault current levels and OCP coordination are analyzed by focusing on the relationships between DER location, output power, and OCP positioning. Simulations were conducted in Simulink/MATLAB using the IEEE 13-Node Distribution Test Feeder as a case study, considering various DER integration scenarios. The DER model adheres to the Brazilian standard NBR 16149:2013, which governs fault current injection and voltage ride-through behavior. The results indicate that DER integration can disrupt OCP coordination and significantly affect fault current levels, despite their relatively small current contributions during faults. In one scenario, OCP coordination was lost, while in others, coordination time intervals decreased. The findings show that DER location has a minimal influence on fault current changes, whereas output power plays a more critical role. Faults occurring farther from the substation cause greater current variation in installed relays, with deviations nearing ±10%. Additionally, reverse fault currents through relays are identified as a key concern for protection engineers. Full article
Show Figures

Figure 1

23 pages, 5178 KB  
Article
Variable Dimensional Bayesian Method for Identifying Depth Parameters of Substation Grounding Grid Based on Pulsed Eddy Current
by Xiaofei Kang, Zhiling Li, Jie Hou, Su Xu, Yanjun Zhang, Zhihao Zhou and Jingang Wang
Energies 2025, 18(17), 4649; https://doi.org/10.3390/en18174649 - 1 Sep 2025
Viewed by 723
Abstract
The substation grounding grid, as the primary path for fault current dissipation, is crucial for ensuring the safe operation of the power system and requires regular inspection. The pulsed eddy current method, known for its non-destructive and efficient features, is widely used in [...] Read more.
The substation grounding grid, as the primary path for fault current dissipation, is crucial for ensuring the safe operation of the power system and requires regular inspection. The pulsed eddy current method, known for its non-destructive and efficient features, is widely used in grounding grid detection. However, during the parameter identification process, it is prone to local minima or no solution. To address this issue, this paper first develops a pulsed eddy current forward response model for the substation grounding grid based on the magnetic dipole superposition principle, with accuracy validation. Then, a variable dimensional Bayesian parameter identification method is introduced, utilizing the Reversible-Jump Markov Chain Monte Carlo (RJMCMC) algorithm. By using nonlinear optimization results as the initial model and introducing a dual-factor control strategy to dynamically adjust the sampling step size, the model enhances coverage of high-probability regions, enabling effective estimation of grounding grid parameter uncertainties. Finally, the proposed method is validated by comparing the forward response model with field test results, showing that the error is within 10%, demonstrating both the accuracy and practical applicability of the proposed parameter identification method. Full article
(This article belongs to the Special Issue Reliability of Power Electronics Devices and Converter Systems)
Show Figures

Figure 1

53 pages, 1175 KB  
Review
Revisiting the Pathogenesis of X-Linked Adrenoleukodystrophy
by Pierre Bougnères and Catherine Le Stunff
Genes 2025, 16(5), 590; https://doi.org/10.3390/genes16050590 - 17 May 2025
Cited by 3 | Viewed by 7338
Abstract
Background: X-ALD is a white matter (WM) disease caused by mutations in the ABCD1 gene encoding the transporter of very-long-chain fatty acids (VLCFAs) into peroxisomes. Strikingly, the same ABCD1 mutation causes either devastating brain inflammatory demyelination during childhood or, more often, progressive spinal [...] Read more.
Background: X-ALD is a white matter (WM) disease caused by mutations in the ABCD1 gene encoding the transporter of very-long-chain fatty acids (VLCFAs) into peroxisomes. Strikingly, the same ABCD1 mutation causes either devastating brain inflammatory demyelination during childhood or, more often, progressive spinal cord axonopathy starting in middle-aged adults. The accumulation of undegraded VLCFA in glial cell membranes and myelin has long been thought to be the central mechanism of X-ALD. Methods: This review discusses studies in mouse and drosophila models that have modified our views of X-ALD pathogenesis. Results: In the Abcd1 knockout (KO) mouse that mimics the spinal cord disease, the late manifestations of axonopathy are rapidly reversed by ABCD1 gene transfer into spinal cord oligodendrocytes (OLs). In a peroxin-5 KO mouse model, the selective impairment of peroxisomal biogenesis in OLs achieves an almost perfect phenocopy of cerebral ALD. A drosophila knockout model revealed that VLCFA accumulation in glial myelinating cells causes the production of a toxic lipid able to poison axons and activate inflammatory cells. Other mouse models showed the critical role of OLs in providing energy substrates to axons. In addition, studies on microglial changing substates have improved our understanding of neuroinflammation. Conclusions: Animal models supporting a primary role of OLs and axonal pathology and a secondary role of microglia allow us to revisit of X-ALD mechanisms. Beyond ABCD1 mutations, pathogenesis depends on unidentified contributors, such as genetic background, cell-specific epigenomics, potential environmental triggers, and stochasticity of crosstalk between multiple cell types among billions of glial cells and neurons. Full article
(This article belongs to the Section Molecular Genetics and Genomics)
Show Figures

Figure 1

20 pages, 33063 KB  
Article
Assessment of Italian Distribution Grids and Implications for Energy Communities’ Integration: A Focus on Reverse Power Flow and Energy Balance
by Aleksandar Dimovski, Corrado Maria Caminiti, Giuliano Rancilio, Mattia Ricci, Biagio Di Pietra and Marco Merlo
Energies 2025, 18(5), 1255; https://doi.org/10.3390/en18051255 - 4 Mar 2025
Cited by 1 | Viewed by 2656
Abstract
This study evaluates the potential impact of new energy communities (ECs) on the electric infrastructure within the Italian regulatory framework using publicly available information on reverse power flow metrics in high-voltage (HV)/medium-voltage (MV) interfaces and calculating the municipal energy balance. The current legislation [...] Read more.
This study evaluates the potential impact of new energy communities (ECs) on the electric infrastructure within the Italian regulatory framework using publicly available information on reverse power flow metrics in high-voltage (HV)/medium-voltage (MV) interfaces and calculating the municipal energy balance. The current legislation is incentivizing EC configurations where members connected to the same HV/MV interface are sharing energy, predominantly produced by new-generation units. To identify critical territories, primary substation service areas are overlapped with reverse flow occurrences, focusing on cases that exceed 5% of the year. The output is utilized to indicate the municipalities that fall within these areas. The municipalities deemed critical are further evaluated, defining a Key Performance Index (KPI) as the ratio of local production capacity to consumption, with generation data procured by the national database on production units and load estimates derived from provincial cumulative data, adjusted using census information on population and employment with a municipal resolution. A piecewise linearization approach is employed to examine the cumulative distribution function (CDF) of the KPI, enabling a traffic light-like criticality classification. The results provide a relative assessment and highlight municipalities with a higher risk of detrimental impact of EC adoption within the current framework. The outcome is presented as a national georeferenced map illustrating the municipal criticality. This emphasizes the need for revising the regulative framework, potentially enabling the utilization of existing generators in critical areas and leveraging load flexibility and increased local energy sharing to procure benefits from EC adoption. Full article
(This article belongs to the Section F: Electrical Engineering)
Show Figures

Figure 1

17 pages, 4739 KB  
Article
Two-Stage Integrated Optimization Design of Reversible Traction Power Supply System
by Xiaodong Zhang, Wei Liu, Qian Xu, Zhuoxin Yang, Dingxin Xia and Haonan Liu
Energies 2025, 18(3), 703; https://doi.org/10.3390/en18030703 - 3 Feb 2025
Cited by 2 | Viewed by 1677
Abstract
In a traction power supply system, the design of traction substations significantly influences both the system’s operational stability and investment costs, while the energy management strategy of the flexible substations affects the overall operational expenses. This study proposes a novel two-stage system optimization [...] Read more.
In a traction power supply system, the design of traction substations significantly influences both the system’s operational stability and investment costs, while the energy management strategy of the flexible substations affects the overall operational expenses. This study proposes a novel two-stage system optimization design method that addresses both the configuration of the system and the control parameters of traction substations. The first stage of the optimization focuses on the system configuration, including the optimal location and capacity of traction substations. In the second stage, the control parameters of the traction substations, particularly the droop rate of reversible converters, are optimized to improve regenerative braking energy utilization by applying a fuzzy logic-based adjustment strategy. The optimization process aims to minimize the total annual system cost, incorporating traction network parameters, power supply equipment costs, and electricity expenses. The parallel cheetah algorithm is employed to solve this complex optimization problem. Simulation results for Metro Line 9 show that the proposed method reduces the total annual project costs by 5.8%, demonstrating its effectiveness in both energy efficiency and cost reduction. Full article
(This article belongs to the Section F: Electrical Engineering)
Show Figures

Figure 1

17 pages, 1727 KB  
Review
Cell Culture Adaptive Amino Acid Substitutions in FMDV Structural Proteins: A Key Mechanism for Altered Receptor Tropism
by Hassan Mushtaq, Syed Salman Shah, Yusra Zarlashat, Mazhar Iqbal and Wasim Abbas
Viruses 2024, 16(4), 512; https://doi.org/10.3390/v16040512 - 27 Mar 2024
Cited by 5 | Viewed by 4667
Abstract
The foot-and-mouth disease virus is a highly contagious and economically devastating virus of cloven-hooved animals, including cattle, buffalo, sheep, and goats, causing reduced animal productivity and posing international trade restrictions. For decades, chemically inactivated vaccines have been serving as the most effective strategy [...] Read more.
The foot-and-mouth disease virus is a highly contagious and economically devastating virus of cloven-hooved animals, including cattle, buffalo, sheep, and goats, causing reduced animal productivity and posing international trade restrictions. For decades, chemically inactivated vaccines have been serving as the most effective strategy for the management of foot-and-mouth disease. Inactivated vaccines are commercially produced in cell culture systems, which require successful propagation and adaptation of field isolates, demanding a high cost and laborious time. Cell culture adaptation is chiefly indebted to amino acid substitutions in surface-exposed capsid proteins, altering the necessity of RGD-dependent receptors to heparan sulfate macromolecules for virus binding. Several amino acid substations in VP1, VP2, and VP3 capsid proteins of FMDV, both at structural and functional levels, have been characterized previously. This literature review combines frequently reported amino acid substitutions in virus capsid proteins, their critical roles in virus adaptation, and functional characterization of the substitutions. Furthermore, this data can facilitate molecular virologists to develop new vaccine strains against the foot-and-mouth disease virus, revolutionizing vaccinology via reverse genetic engineering and synthetic biology. Full article
(This article belongs to the Special Issue Viral Receptors and Tropism)
Show Figures

Figure 1

18 pages, 3410 KB  
Article
Optimal Voltage Control Method for a Step Voltage Regulator Considering the Under-Load Tap Changer in a Distribution System Interconnected with a Renewable Energy Source
by Hyun-ok Lee, Dae-Jin Kim, Chun-Sung Kim and Byungki Kim
Energies 2023, 16(16), 6039; https://doi.org/10.3390/en16166039 - 17 Aug 2023
Cited by 5 | Viewed by 2172
Abstract
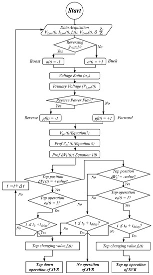
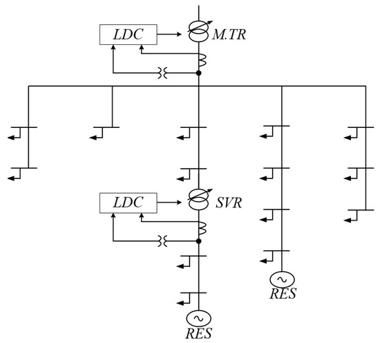
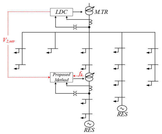
The voltage in distribution systems is controlled by the under-load tap changer of the substation and the pole transformer of the primary feeders. Recently, as one of the main countermeasures, a step voltage regulator is being introduced to solve voltage problems such as [...] Read more.
The voltage in distribution systems is controlled by the under-load tap changer of the substation and the pole transformer of the primary feeders. Recently, as one of the main countermeasures, a step voltage regulator is being introduced to solve voltage problems such as overvoltage phenomena in a distribution feeder interconnected with a renewable energy source and under voltage in a long-distance feeder. However, the tap of the step voltage regulator may be frequently operated due to its interdependent relationship with the under-load tap changer in the distribution system. Furthermore, given the existing operating characteristics of the step voltage regulator, it is difficult to perfectly maintain the customer voltage within an allowable limit using existing methods such as the line drop compensation method for a step voltage regulator. In addition, the existing line drop compensation method, considering the distributed generators, may be not able to control the proper voltage within an allowable limit. Therefore, in order to solve such voltage problems, this paper proposes a voltage control method for a step voltage regulator by considering the output voltage of an under-load tap changer that is operated via the line drop compensation method. In other words, to overcome the limitations of existing voltage control methods for step voltage regulators, this paper proposes an optimal control method to determine the optimal compensation rate for a step voltage regulator by considering the reverse power flow from a renewable energy source and the output voltage of the under-load tap changer of the main transformer. Full article
(This article belongs to the Section A1: Smart Grids and Microgrids)
Show Figures

Figure 1

28 pages, 11726 KB  
Article
Cause Investigation of Fractures in the Anti-Arc Portion of the Gravity Dam’s Overflow and the Top of the Substation Tunnel
by Wenwen Liang, Lingye Leng, Hao Tian, Xiao Tian and Caihong Zhang
Buildings 2023, 13(6), 1531; https://doi.org/10.3390/buildings13061531 - 15 Jun 2023
Cited by 1 | Viewed by 1962
Abstract
Clarifying the origins of fractures and adopting acceptable repair plans are crucial for the design, maintenance, and safe operation of concrete gravity dams. In this research, numerical simulation is largely utilized to investigate the reasons for fractures in the anti-arc portion of the [...] Read more.
Clarifying the origins of fractures and adopting acceptable repair plans are crucial for the design, maintenance, and safe operation of concrete gravity dams. In this research, numerical simulation is largely utilized to investigate the reasons for fractures in the anti-arc portion of the concrete gravity dam and the top of a substation tunnel in Guangdong Province, China. The calculation parameters are chosen based on the design information and engineering expertise to model the temperature field and stress field distribution of the dam during both normal operation and severe weather. The study demonstrates that under the effect of severe structural restraints and high temperatures, the tensile stress at the top of the substation tunnel would be 2.64 MPa in the summer, which is more than the tensile strength by 1.5 MPa and causes deep cracks. The tensile stress reaches 3.0 MPa in the summer under the effect of severe weather near the top of the substation tunnel. When a cold wave strikes in the winter, the concrete’s tensile stress on the overflow dam surface rises from 1.6 MPa to 4.0 MPa, exceeding the tensile strength by 1.9 MPa, resulting in the formation of a connection fracture in the reverse arc section. Both the actual observed crack location and the monitoring findings of the crack opening, as determined by the crack gauge, agree with the modeling results. The technique to lessen the structural restrictions of a comparable powerhouse hydropower station is pointed out based on engineering expertise, and various and practical repair strategies are proposed to guarantee the structure’s safe operation. Full article
(This article belongs to the Special Issue Damage to Civil Engineering Structures)
Show Figures

Figure 1

21 pages, 4849 KB  
Article
Design of a 5th Generation District Heating Substation Prototype for a Real Case Study
by Gianni Martinazzoli, Daniele Pasinelli, Adriano Maria Lezzi and Mariagrazia Pilotelli
Sustainability 2023, 15(4), 2972; https://doi.org/10.3390/su15042972 - 7 Feb 2023
Cited by 10 | Viewed by 8702
Abstract
The evolution of district heating networks is moving toward low temperatures in heat distribution with so called 4th generation networks. However, the lowest heat transfer fluid temperatures in district heating are achieved through ultra-low temperature networks, referred to as 5th generation district heating [...] Read more.
The evolution of district heating networks is moving toward low temperatures in heat distribution with so called 4th generation networks. However, the lowest heat transfer fluid temperatures in district heating are achieved through ultra-low temperature networks, referred to as 5th generation district heating networks (5GDHNs). Low temperatures in heat distribution results in an extremely different configuration of 5GDHN compared to traditional district heating network, especially in the grid substation due to the inability to directly couple the grid with the buildings. This paper presents a detailed design of a 5th generation substation prototype, which is carried out to verify the proper operation and monitor the performance of this type of substation in a real case study. The prototype is fed by low-temperature waste heat, currently dissipated through evaporative towers, and will be built in the city of Brescia, Italy. The layout of the substation prototype, consisting of a bidirectional pumping system, a reversible water-to-water heat pump, an inertial thermal energy storage and a heat exchanger, is presented. An analysis is performed to figure out which refrigerant offers the best performance of the heat pump. In addition, fixed the refrigerant, the performance of the grid connected heat pump is found to be increased from 29.5% to 55.5% for both heating and cooling compared with a stand-alone air-to-water heat pump solution. Finally, the process flow diagram and the piping and instrumentation diagram of the substation are presented and commented. Full article
Show Figures

Figure 1

19 pages, 1443 KB  
Article
Impact of Reverse Power Flow on Distributed Transformers in a Solar-Photovoltaic-Integrated Low-Voltage Network
by Issah Babatunde Majeed and Nnamdi I. Nwulu
Energies 2022, 15(23), 9238; https://doi.org/10.3390/en15239238 - 6 Dec 2022
Cited by 44 | Viewed by 16957
Abstract
Modern low-voltage distribution systems necessitate solar photovoltaic (PV) penetration. One of the primary concerns with this grid-connected PV system is overloading due to reverse power flow, which degrades the life of distribution transformers. This study investigates transformer overload issues due to reverse power [...] Read more.
Modern low-voltage distribution systems necessitate solar photovoltaic (PV) penetration. One of the primary concerns with this grid-connected PV system is overloading due to reverse power flow, which degrades the life of distribution transformers. This study investigates transformer overload issues due to reverse power flow in a low-voltage network with high PV penetration. A simulation model of a real urban electricity company in Ghana is investigated against various PV penetration levels by load flows with ETAP software. The impact of reverse power flow on the radial network transformer loadings is examined for high PV penetrations. Using the least squares method, simulation results are modelled in Excel software. Transformer backflow limitations are determined by correlating operating loads with PV penetration. At high PV penetration, the models predict reverse power flow into the transformer. Interpolations from the correlation models show transformer backflow operating limits of 78.04 kVA and 24.77% at the threshold of reverse power flow. These limits correspond to a maximum PV penetration limit of 88.30%. In low-voltage networks with high PV penetration; therefore, planners should consider transformer overload limits caused by reverse power flow, which degrades transformer life. This helps select control schemes near substation transformers to limit reverse power flow. Full article
(This article belongs to the Special Issue Power System Dynamics and Renewable Energy Integration)
Show Figures

Figure 1

Back to TopTop