Sign in to use this feature.

Years

Between: -

Subjects

remove_circle_outline
remove_circle_outline
remove_circle_outline
remove_circle_outline
remove_circle_outline
remove_circle_outline
remove_circle_outline
remove_circle_outline
remove_circle_outline

Journals

Article Types

Countries / Regions

Search Results (130)

Search Parameters:
Keywords = multibody interaction

Order results
Result details
Results per page
Select all
Export citation of selected articles as:
27 pages, 5175 KB  
Article
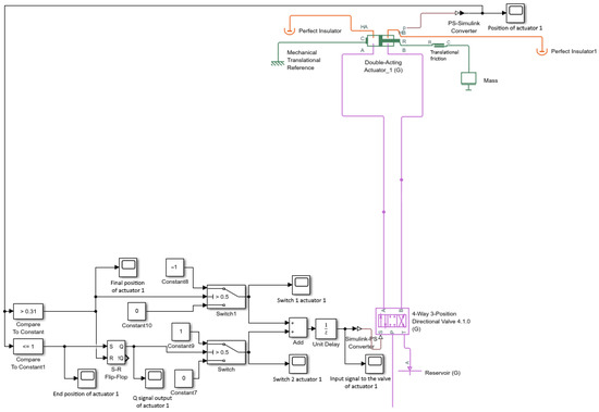
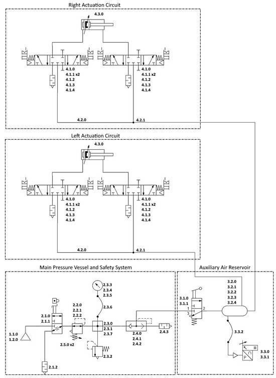
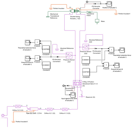
Design and Optimization of Universal Inspection Cells with Energy-Efficient Pneumatic Actuation
by Marek Sukop, Rudolf Jánoš, Jakub Brna and Jaroslav Melko
Actuators 2026, 15(1), 36; https://doi.org/10.3390/act15010036 - 6 Jan 2026
Viewed by 122
Abstract
The study presents the design and simulation of a pneumatic drive unit intended for energy-efficient vehicle propulsion. The research focuses on developing a MATLAB 23.2/Simulink-based model that accurately represents the dynamic behavior of double-acting pneumatic actuators, including the interaction between pressure, force, torque [...] Read more.
The study presents the design and simulation of a pneumatic drive unit intended for energy-efficient vehicle propulsion. The research focuses on developing a MATLAB 23.2/Simulink-based model that accurately represents the dynamic behavior of double-acting pneumatic actuators, including the interaction between pressure, force, torque transmission, and wheel rotation. The model integrates pneumatic circuit parameters with mechanical drivetrain components, allowing a comprehensive evaluation of system performance and compressed-air consumption. The simulation architecture is fully modular and parameterized, enabling rapid reconfiguration for different drive layouts and operating conditions. Results demonstrate that the proposed model provides a realistic representation of the physical processes in pneumatic systems, offering valuable insights for optimizing actuator control, gear ratios, and energy management strategies. Identified challenges include computational complexity and sensitivity to manually defined parameters, which highlight opportunities for further refinement. The developed model serves as a practical design and analysis tool for future engineers engaged in the development of sustainable pneumatic propulsion systems and educational simulations. Future work will address adaptive control algorithms, improved visualization using multibody dynamics, and optimization of air consumption under varying load conditions. Full article
(This article belongs to the Section Control Systems)
Show Figures

Figure 1

32 pages, 3856 KB  
Article
Parameter Identification in Nonlinear Vibrating Systems Using Runge–Kutta Integration and Levenberg–Marquardt Regression
by Şefika İpek Lök, Ömer Ekim Genel, Rosario La Regina, Carmine Maria Pappalardo and Domenico Guida
Symmetry 2026, 18(1), 16; https://doi.org/10.3390/sym18010016 - 21 Dec 2025
Viewed by 276
Abstract
Guided by principles of symmetry to achieve a proper balance among model consistency, accuracy, and complexity, this paper proposes a new approach for identifying the unknown parameters of nonlinear one-degree-of-freedom mechanical systems using nonlinear regression methods. To this end, the steps followed in [...] Read more.
Guided by principles of symmetry to achieve a proper balance among model consistency, accuracy, and complexity, this paper proposes a new approach for identifying the unknown parameters of nonlinear one-degree-of-freedom mechanical systems using nonlinear regression methods. To this end, the steps followed in this study can be summarized as follows. Firstly, given a proper set of input time histories and a virtual model with all parameters known, the dynamic response of the mechanical system of interest, used as output data, is evaluated using a numerical integration scheme, such as the classical explicit fixed-step fourth-order Runge–Kutta method. Secondly, the numerical values of the unknown parameters are estimated using the Levenberg–Marquardt nonlinear regression algorithm based on these inputs and outputs. To demonstrate the effectiveness of the proposed approach through numerical experiments, two benchmark problems are considered, namely a mass-spring-damper system and a simple pendulum-damper system. In both mechanical systems, viscous damping is included at the kinematic joints, whereas dry friction between the bodies and the ground is accounted for and modeled using the Coulomb friction force model. While the source of nonlinearity is the frictional interaction alone in the first benchmark problem, the finite rotation of the pendulum introduces geometric nonlinearity, in addition to the frictional interaction, in the second benchmark problem. To ensure symmetry in explaining model behavior and the interpretability of numerical results, the analysis presented in this paper utilizes five different input functions to validate the proposed method, representing the initial phase of ongoing research aimed at applying this identification procedure to more complex mechanical systems, such as multibody and robotic systems. The numerical results from this research demonstrate that the proposed approach effectively identifies the unknown parameters in both benchmark problems, even in the presence of nonlinear, time-varying external input actions. Full article
(This article belongs to the Special Issue Modeling and Simulation of Mechanical Systems and Symmetry)
Show Figures

Figure 1

22 pages, 5796 KB  
Article
Coupled Dynamic Analysis of a Twin-Barge Float-Over Installation: Load Transfer and Motion Responses
by Changzi Wang, Shibo Jian, Xiancang Song, Yufeng Jiang, Xiaodong Liu and Yuanzhi Guo
J. Mar. Sci. Eng. 2025, 13(12), 2365; https://doi.org/10.3390/jmse13122365 - 12 Dec 2025
Viewed by 266
Abstract
The increasing size and weight of deep-water topside modules necessitate reliable and efficient installation methods. The twin-barge float-over technique presents a viable alternative to conventional heavy-lift operations; however, its critical tri-vessel load transfer phase involves complex hydrodynamic interactions and continuous load redistribution that [...] Read more.
The increasing size and weight of deep-water topside modules necessitate reliable and efficient installation methods. The twin-barge float-over technique presents a viable alternative to conventional heavy-lift operations; however, its critical tri-vessel load transfer phase involves complex hydrodynamic interactions and continuous load redistribution that are not adequately captured by traditional staged analyses. This study develops a fully coupled time-domain dynamic model to simulate this process. The framework integrates multi-body potential flow hydrodynamics, mooring and fender systems, and Deck Support Units (DSUs). A novel continuous mass-point variation method is introduced to replicate progressive ballasting and the dynamic load transfer from single- to dual-barge support. Numerical simulations under representative sea states reveal significant narrow-gap resonance effects, direction-dependent motion amplification, and transient DSU load peaks that are overlooked in conventional quasi-static approaches. Beam-sea conditions are found to induce the largest lateral DSU loads and the highest risk of barge misalignment. The proposed framework demonstrates superior capability in predicting motion responses and load transitions, thereby providing critical technical support for the safe and efficient application of twin-barge float-over installations in complex marine environments. Full article
(This article belongs to the Special Issue Deep-Sea Mineral Resource Development Technology and Equipment)
Show Figures

Figure 1

24 pages, 10325 KB  
Article
Structural Dynamics of E-Bike Drive Units: A Flexible Multibody Approach Revealing Fundamental System-Level Interactions
by Kevin Steinbach, Dominik Lechler, Peter Kraemer, Iris Groß and Dirk Reith
Vehicles 2025, 7(4), 158; https://doi.org/10.3390/vehicles7040158 - 8 Dec 2025
Viewed by 515
Abstract
The design-related behaviour of structural dynamics for electric-assisted bicycle (e-bike) drive units significantly influences the mechanical system—e.g., vibrations and durability, stresses and loads, or functionality and comfort. Identifying the underlying mechanical principles opens up optimisation possibilities, such as improved e-bike design and user [...] Read more.
The design-related behaviour of structural dynamics for electric-assisted bicycle (e-bike) drive units significantly influences the mechanical system—e.g., vibrations and durability, stresses and loads, or functionality and comfort. Identifying the underlying mechanical principles opens up optimisation possibilities, such as improved e-bike design and user experience. Despite its potential to enhance the system, the structural dynamics of the drive unit have received little research attention to date. To improve the current situation, this paper uses a flexible multibody modelling approach, enabling new insights through virtual trials and analyses that are not feasible solely from measurements. The incorporation of the drive unit’s system-level topology regarding mass, moment of inertia, stiffness, and damping enables the analysis of critical system states. Experiments accompany the analysis and validate the model by demonstrating a load-dependent shift of the first torsional mode around 35 Hz to 60 Hz, capturing comparable resonance frequency ranges up to 6 kHz, and yielding qualitatively consistent peak positions in both steady-state and ramp-up analyses (mean deviations of 0.03% and 0.06%, respectively). Theoretical considerations of the multibody system highlight the effects, and the stated modelling restrictions make the method’s limitations transparent. The key findings are that the drive unit’s structural dynamic behaviour exhibits solely one structural mode until 0.5 kHz, and further 27 modes up to 10 kHz, solely originating due to the multibody arrangement of the drivetrain. These modes are also load-dependent and lead to resonances during operation. In summary, the approach enables engineers, for the first time, to significantly improve the structural dynamics of the e-bike drive unit using a full-scale system model. Full article
Show Figures

Figure 1

23 pages, 10702 KB  
Article
A Versatile SPH Approach for Modelling Very Flexible and Modularized Floating Structures in Moored Configurations
by Rafail Ioannou, Vasiliki Stratigaki, Eva Loukogeorgaki and Peter Troch
J. Mar. Sci. Eng. 2025, 13(12), 2283; https://doi.org/10.3390/jmse13122283 - 30 Nov 2025
Cited by 1 | Viewed by 447
Abstract
A variety of Offshore Floating Photovoltaics (OFPVs) applications rely on the capacity of their floating support structures displacing in the shape of surface waves to reduce extreme wave-induced loads exerted on their floating-mooring system. This wave-adaptive displacement behaviour is typically realized through two [...] Read more.
A variety of Offshore Floating Photovoltaics (OFPVs) applications rely on the capacity of their floating support structures displacing in the shape of surface waves to reduce extreme wave-induced loads exerted on their floating-mooring system. This wave-adaptive displacement behaviour is typically realized through two principal design approaches, either by employing slender and continuously deformable structures composed of highly elastic materials or by decomposing the structure into multiple floating rigid pontoons interconnected via flexible connectors. The hydrodynamic behaviour of these structures is commonly analyzed in the literature using potential flow theory, to characterize wave loading, whereas in order to deploy such OFPV prototypes in realistic marine environments, a high-fidelity numerical fluid–structure interaction model is required. Thus, a versatile three-dimensional numerical scheme is herein presented that is capable of handling non-linear fluid-flexible structure interactions for Very Flexible Floating Structures (VFFSs): Multibody Dynamics (MBD) for modularized floating structures and floating-mooring line interactions. In the present study, this is achieved by employing the Smoothed Particles Hydrodynamics (SPH) fluid model of DualSPHysics, coupled both with the MBD module of Project Chrono and the MoorDyn+ lumped-mass mooring model. The SPH-MBD coupling enables modelling of large and geometrically non-linear displacements of VFFS within an Applied Element Method (AEM) plate formulation, as well as rigid body dynamics of modularized configurations. Meanwhile, the SPH-MoorDyn+ captures the fully coupled three-dimensional response of floating-mooring and floating-floating dynamics, as it is employed to model both moorings and flexible interconnectors between bodies. The coupled SPH-based numerical scheme is herein validated against physical experiments, capturing the hydroelastic response of VFFS, rigid body hydrodynamics, mooring line dynamics, and flexible connector behaviour under wave loading. The demonstrated numerical methodology represents the first validated Computational Fluid Dynamics (CFD) application of moored VFFS in three-dimensional domains, while its robustness is further confirmed using modular floating systems, enabling OFPV engineers to comparatively assess these two types of wave-adaptive designs in a unified numerical framework. Full article
(This article belongs to the Section Ocean Engineering)
Show Figures

Figure 1

17 pages, 2180 KB  
Article
Multi-Objective Optimization of Design Parameters to Improve Dynamic Performances of Distributed Actuation Mechanism
by Ik Hyun Jo and Jong Ho Kim
Mathematics 2025, 13(23), 3773; https://doi.org/10.3390/math13233773 - 24 Nov 2025
Viewed by 310
Abstract
The distributed actuation mechanism (DAM) is inspired by the motion of biological muscles and enables efficient modulation between speed and force through a variable gearing concept. This study proposes an advanced modeling-based multi-objective optimization framework that enhances the dynamic performance of a DAM-based [...] Read more.
The distributed actuation mechanism (DAM) is inspired by the motion of biological muscles and enables efficient modulation between speed and force through a variable gearing concept. This study proposes an advanced modeling-based multi-objective optimization framework that enhances the dynamic performance of a DAM-based manipulator by simultaneously improving its end-effector velocity and payload capacity. The kinematic and dynamic characteristics of the DAM are mathematically modeled to capture the interactions among design parameters, and a high-fidelity multibody dynamics model is developed using RecurDyn. Then, a sequential quadratic programming (SQP) algorithm implemented in MATLAB is employed to perform optimization under geometric and physical constraints. The results demonstrate that the proposed optimization method achieved increases of approximately 46.5% in maximum velocity and over 40% in maximum payload, confirming the effectiveness of the advanced modeling-based optimization strategy. It was also found that link-length ratios and hinge offsets play critical roles in determining the DAM’s dynamic behavior. The proposed framework provides a systematic and practical approach for integrating mathematical modeling with design optimization and offers valuable guidelines for improving the structural design and performance of distributed-actuation-based robotic manipulators. Full article
(This article belongs to the Special Issue Advanced Modeling and Design of Vibration and Wave Systems)
Show Figures

Figure 1

50 pages, 4155 KB  
Review
A Comprehensive Review of Theoretical Advances, Practical Developments, and Modern Challenges of Autonomous Unmanned Ground Vehicles
by Rosario La Regina, Ömer Ekim Genel, Carmine Maria Pappalardo and Domenico Guida
Machines 2025, 13(12), 1071; https://doi.org/10.3390/machines13121071 - 21 Nov 2025
Viewed by 1193
Abstract
The recent integration of Unmanned Ground Vehicles (UGVs) into human activities represents a significant scientific advancement and technological development, with substantial impacts across various fields, not limited to mechanical engineering, including agriculture, defense, and civil construction. Therefore, this study aims to provide a [...] Read more.
The recent integration of Unmanned Ground Vehicles (UGVs) into human activities represents a significant scientific advancement and technological development, with substantial impacts across various fields, not limited to mechanical engineering, including agriculture, defense, and civil construction. Therefore, this study aims to provide a practical methodological framework, developed through a historical and systematic literature review, to emphasize the general criteria and the main interactions that an engineer should consider in the initial design phase of a UGV, thereby subsequently proceeding with its computer-aided modeling and simulation. To this end, a systematic literature review is conducted to identify current research interests in this field and pinpoint potential research gaps. Following the systematic literature review presented in this study, the focus of the present investigation shifts to classifying UGVs by analyzing their characteristics based on specific criteria, including weight, type of steering system, and wheel and track configurations. Additionally, the differences between wheels and tracks are further examined by comparing these two solutions and highlighting their advantages and limitations. This review paper also addresses power systems, hardware components, and navigation challenges. Subsequently, the primary sectors and applications where these vehicles are widely utilized are thoroughly analyzed. Finally, a specific section of the manuscript is dedicated to illustrating the preliminary mechanical design of a typical unmanned ground vehicle, thereby highlighting its functional requirements and selecting the most suitable locomotion system. For this purpose, preliminary evaluations and simple calculations are introduced to determine the motor performance required for the proposed design example. In conclusion, the literature survey on UGVs presented in this paper, rooted in the common perspective of kinematic and dynamic analysis of multibody mechanical systems, clearly highlights the importance of this topic in modern engineering applications. Full article
(This article belongs to the Section Vehicle Engineering)
Show Figures

Figure 1

25 pages, 8154 KB  
Article
Dynamic Behavior of a Modernized Passenger Coach for Multimodal Transport: Effect of Wheel Wear and Clearance Optimization
by Almas Alizhan, Baitak Apshikur, Murat Alimkulov, Anatoly Goltsev, Valeriy Chernavin and Kunanbayev Almas
Future Transp. 2025, 5(4), 168; https://doi.org/10.3390/futuretransp5040168 - 7 Nov 2025
Viewed by 398
Abstract
This study examines the modernization of the 61-4179 TVZ passenger coach for transporting light automobiles up to 3 tons, addressing the efficiency of multifunctional rail use. The objective was to assess how additional mass–dimensional loading influences strength, load distribution, and the dynamic stability [...] Read more.
This study examines the modernization of the 61-4179 TVZ passenger coach for transporting light automobiles up to 3 tons, addressing the efficiency of multifunctional rail use. The objective was to assess how additional mass–dimensional loading influences strength, load distribution, and the dynamic stability of the vehicle–track system. Finite element simulations in ANSYS Workbench 2021 R2 determined stress distribution, deformations, and safety margins, while multibody dynamics modeling in Universal Mechanism evaluated wheel–rail contact forces, carbody accelerations, and stability coefficients. Field tests on curves with radii of 350 m and 300 m at 60 km/h validated the models. Carbody accelerations were 0.65–0.68 m/s2, below the 0.7 m/s2 regulatory limit; wheelset attack angles remained under 0.01 rad; and derailment safety coefficients were 1.6–1.8, all meeting international standards. Uniform load distribution maintained stability and suppressed oscillations. However, critical scenarios (wheel wear, extreme flange clearance, higher speeds) produced parameters approaching threshold values. To mitigate risks, clearance adjustment per δ0 standards, a 1:20 guard-rail inclination, and optimized crossing profiles are proposed. These measures reduced lateral dynamic forces by 12–15% and raised the strength coefficient by 1.2–1.3. The results confirm technical feasibility, operational safety, and extended service life, supporting sustainable multimodal transport development. Full article
Show Figures

Figure 1

25 pages, 4107 KB  
Article
A Computational Framework for Formalizing Rollover Risk in Heavy-Duty Vehicles: Application to Concrete Truck Mixers
by Farshad Afshari and Daniel Garcia-Pozuelo
Actuators 2025, 14(11), 533; https://doi.org/10.3390/act14110533 - 3 Nov 2025
Viewed by 574
Abstract
This study introduces a computational framework that formalizes rollover risk in heavy-duty vehicles by integrating simulation-informed physical modeling with sensor-driven decision logic. The approach combines high-fidelity fluid–structure interaction modeling (via CFD) with multibody vehicle dynamics simulations to capture the complex behavior of rotating, [...] Read more.
This study introduces a computational framework that formalizes rollover risk in heavy-duty vehicles by integrating simulation-informed physical modeling with sensor-driven decision logic. The approach combines high-fidelity fluid–structure interaction modeling (via CFD) with multibody vehicle dynamics simulations to capture the complex behavior of rotating, partially filled mixer tanks under dynamic conditions. Rollover thresholds were identified by extracting the maximum safe speeds across a range of maneuvers (e.g., steady-state turning and step steering), using tire lift-off as the critical indicator. These thresholds were then formalized into decision rules using onboard sensor data, such as lateral acceleration, steering input, and tank rotation speed, allowing a real-time rollover warning system to continuously compare current vehicle states against critical limits. By systematically extracting critical force and moment responses and translating them into limit values provided by conventional onboard sensors (lateral acceleration, roll angle, steering input), the framework bridges high-fidelity simulation and real-time monitoring. A concrete truck mixer is used as a case study to demonstrate the utility of this approach in formalizing rollover thresholds for real-world decision support. Beyond the specific vehicle type, this work contributes to the broader discourse on how computational methods can contribute to new control or assistance strategies for safety-critical systems. Full article
(This article belongs to the Special Issue Feature Papers in Actuators for Surface Vehicles)
Show Figures

Figure 1

35 pages, 1515 KB  
Review
Dynamics of Train–Track–Subway System Interaction—A Review
by Lu Sun, Mohammad Seyedkazemi, Charles C. Nguyen and Jaiden Zhang
Machines 2025, 13(11), 1013; https://doi.org/10.3390/machines13111013 - 3 Nov 2025
Cited by 1 | Viewed by 2065
Abstract
This study provides a comprehensive review of advancements in the field of train–track–subway system interaction dynamics and suggests future directions for research and development. Mathematical modeling of train–track–subway interaction system is addressed, including wheel–track contact mechanics and wear, train multibody dynamics, train–track system [...] Read more.
This study provides a comprehensive review of advancements in the field of train–track–subway system interaction dynamics and suggests future directions for research and development. Mathematical modeling of train–track–subway interaction system is addressed, including wheel–track contact mechanics and wear, train multibody dynamics, train–track system coupling dynamics, track slab subsystem dynamics, subway tunnel–ground interaction models, building vibration excited by ground-borne seismic waves, and noise. Advanced computing and simulation techniques used for numerical studies of the dynamics of train–track–subway system interaction in the past two decades are also addressed, including high-performance computing with efficient algorithms, multi-physics and multi-scale simulation, real-time hardware-in-the-loop simulation, and laboratory and field validation. The study extends the applications of train–track–subway interaction dynamics to subway route planning, structural and material design, subway maintenance, operations safety and reliability, and passenger comfort. Emerging technologies and future perspectives are also reviewed and discussed, including artificial intelligence, smart sensing and real-time monitoring, digital twin technology, and sustainable design integration. Full article
(This article belongs to the Section Vehicle Engineering)
Show Figures

Figure 1

43 pages, 6958 KB  
Review
From Multi-Field Coupling Behaviors to Self-Powered Monitoring: Triboelectric Nanogenerator Arrays for Deep-Sea Large-Scale Cages
by Kefan Yang, Shengqing Zeng, Keqi Yang, Dapeng Zhang and Yi Zhang
J. Mar. Sci. Eng. 2025, 13(11), 2042; https://doi.org/10.3390/jmse13112042 - 24 Oct 2025
Viewed by 650
Abstract
As global Marine resource development continues to expand into deep-sea and ultra-deep-sea domains, the intelligent and green transformation of deep-sea aquaculture equipment has become a key direction for high-quality development of the Marine economy. Large deep-sea cages are considered essential equipment for deep-sea [...] Read more.
As global Marine resource development continues to expand into deep-sea and ultra-deep-sea domains, the intelligent and green transformation of deep-sea aquaculture equipment has become a key direction for high-quality development of the Marine economy. Large deep-sea cages are considered essential equipment for deep-sea aquaculture. However, there are significant challenges associated with ensuring their structural integrity and long-term monitoring capabilities in the complex Marine environments characteristic of deep-sea aquaculture. The present study focuses on large deep-sea cages, addressing their dynamic response challenges and long-term monitoring power supply needs in complex Marine environments. The present study investigates the nonlinear vibration characteristics of flexible net structures under complex fluid loads. To this end, a multi-field coupled dynamic model is constructed to reveal vibration response patterns and instability mechanisms. A self-powered sensing system based on triboelectric nanogenerator (TENG) technology has been developed, featuring a curved surface adaptive TENG array for the real-time monitoring of net vibration states. This review aims to focus on the research of optimizing the design of curved surface adaptive TENG arrays and deep-sea cage monitoring. The present study will investigate the mechanisms of energy transfer and cooperative capture within multi-body coupled cage systems. In addition, the biomechanics of fish–cage flow field interactions and micro-energy capture technologies will be examined. By integrating different disciplinary perspectives and adopting innovative approaches, this work aims to break through key technical bottlenecks, thereby laying the necessary theoretical and technical foundations for optimizing the design and safe operation of large deep-sea cages. Full article
Show Figures

Figure 1

19 pages, 4246 KB  
Article
Development of a Machine Learning Interatomic Potential for Zirconium and Its Verification in Molecular Dynamics
by Yuxuan Wan, Xuan Zhang and Liang Zhang
Nanomaterials 2025, 15(21), 1611; https://doi.org/10.3390/nano15211611 - 22 Oct 2025
Viewed by 1612
Abstract
Molecular dynamics (MD) can dynamically reveal the structural evolution and mechanical response of Zirconium (Zr) at the atomic scale under complex service conditions such as high temperature, stress, and irradiation. However, traditional empirical potentials are limited by their fixed function forms and parameters, [...] Read more.
Molecular dynamics (MD) can dynamically reveal the structural evolution and mechanical response of Zirconium (Zr) at the atomic scale under complex service conditions such as high temperature, stress, and irradiation. However, traditional empirical potentials are limited by their fixed function forms and parameters, making it difficult to accurately describe the multi-body interactions of Zr under conditions such as multi-phase structures and strong nonlinear deformation, thereby limiting the accuracy and generalization ability of simulation results. This paper combines high-throughput first-principles calculations (DFT) with the machine learning method to develop the Deep Potential (DP) for Zr. The developed DP of Zr was verified by performing molecular dynamic simulations on lattice constants, surface energies, grain boundary energies, melting point, elastic constants, and tensile responses. The results show that the DP model achieves high consistency with DFT in predicting multiple key physical properties, such as lattice constants and melting point. Also, it can accurately capture atomic migration, local structural evolution, and crystal structural transformations of Zr under thermal excitation. In addition, the DP model can accurately capture plastic deformation and stress softening behavior in Zr under large strains, reproducing the characteristics of yielding and structural rearrangement during tensile loading, as well as the stress-induced phase transition of Zr from HCP to FCC, demonstrating its strong physical fidelity and numerical stability. Full article
(This article belongs to the Section Theory and Simulation of Nanostructures)
Show Figures

Figure 1

20 pages, 7652 KB  
Article
Hybrid Numerical Analysis Models and Experiment Research for Wheel–Rail Noise of Urban Rail Vehicle
by Shangshuai Jia, Xinli Zhao, Wenmin Zhang, Leiming Song, Chen Hu, Hao Lin and Xiaojun Hu
Modelling 2025, 6(4), 133; https://doi.org/10.3390/modelling6040133 - 22 Oct 2025
Viewed by 567
Abstract
For urban rail vehicles operating at speeds ranging from 60 to 250 km/h, the dominant source of radiated noise is the wheel–rail interaction. Finite element modal analysis was conducted on the wheelset, rails, and track slab. A multibody dynamics model under straight-line condition [...] Read more.
For urban rail vehicles operating at speeds ranging from 60 to 250 km/h, the dominant source of radiated noise is the wheel–rail interaction. Finite element modal analysis was conducted on the wheelset, rails, and track slab. A multibody dynamics model under straight-line condition was established. It was a rigid–flexible coupling dynamics model, including the rigid vehicle body, flexible wheelsets, flexible rails, and flexible track slabs. Dynamic simulation calculations were carried out in this model to obtain the wheel–rail forces. The finite element and boundary element models of wheels and rails were established using simulation software to obtain the results of wheel–rail noise. The sound pressure levels on the surfaces of wheels and rails were calculated under the operating conditions of 120 km/h, 140 km/h, 160 km/h, and 200 km/h in the straight-line condition. The variation law of the frequency distribution of wheel–rail noise with the change in speed was obtained. The variation fitting function of wheel–rail noise SPL with speeds was obtained. Within the speed of 200 km/h, as the speed increased, the total value of wheel–rail SPL basically shows a linear growth. The simulation analysis results were compared with the experiment results. It indicated that the simulation results were reasonable. The simulation models are of great significance for the noise prediction in train design and manufacturing. Full article
Show Figures

Graphical abstract

20 pages, 3633 KB  
Article
A FMBD-DEM Coupled Modeling for Semi-Active Controlled Lunar Lander
by Hanyu Lin, Bo Lei and Weixing Yao
Aerospace 2025, 12(10), 935; https://doi.org/10.3390/aerospace12100935 - 16 Oct 2025
Viewed by 585
Abstract
This study examines the landing performance of a four-legged lunar lander equipped with magnetorheological dampers when landing on discrete lunar soil. To capture the complex interaction between the lander and the soil, a coupled dynamic model is developed that integrates flexible multibody dynamics [...] Read more.
This study examines the landing performance of a four-legged lunar lander equipped with magnetorheological dampers when landing on discrete lunar soil. To capture the complex interaction between the lander and the soil, a coupled dynamic model is developed that integrates flexible multibody dynamics (FMBD), granular material modeling, and a semi-active fuzzy control strategy. The flexible structures of the lander are described using the floating frame of reference, while the lunar soil behavior is simulated using the discrete element method (DEM). A fuzzy controller is designed to achieve the adaptive MR damping force under varying landing conditions. The FMBD and DEM modules are coupled through a serial staggered approach to ensure stable and accurate data exchange between the two systems. The proposed model is validated through a lander impact experiment, demonstrating good agreement with experimental results. Based on the validated model, the influence of discrete lunar regolith properties on MR damping performance is analyzed. The results show that the MR-based landing leg system can effectively absorb impact energy and adapt well to the uneven, granular lunar surface. Full article
(This article belongs to the Section Astronautics & Space Science)
Show Figures

Figure 1

21 pages, 2648 KB  
Article
A Hybrid Reinforcement Learning Framework Combining TD3 and PID Control for Robust Trajectory Tracking of a 5-DOF Robotic Arm
by Zied Ben Hazem, Firas Saidi, Nivine Guler and Ali Husain Altaif
Automation 2025, 6(4), 56; https://doi.org/10.3390/automation6040056 - 14 Oct 2025
Cited by 1 | Viewed by 1761
Abstract
This paper presents a hybrid reinforcement learning framework for trajectory tracking control of a 5-degree-of-freedom (DOF) Mitsubishi RV-2AJ robotic arm by integrating model-free deep reinforcement learning (DRL) algorithms with classical control strategies. A novel hybrid PID + TD3 agent is proposed, combining a [...] Read more.
This paper presents a hybrid reinforcement learning framework for trajectory tracking control of a 5-degree-of-freedom (DOF) Mitsubishi RV-2AJ robotic arm by integrating model-free deep reinforcement learning (DRL) algorithms with classical control strategies. A novel hybrid PID + TD3 agent is proposed, combining a Proportional–Integral–Derivative (PID) controller with the Twin Delayed Deep Deterministic Policy Gradient (TD3) algorithm, and is compared against standalone TD3 and PID controllers. In this architecture, the PID controller provides baseline stability and deterministic disturbance rejection, while the TD3 agent learns residual corrections to enhance tracking accuracy, robustness, and control smoothness. The robotic system is modeled in MATLAB/Simulink with Simscape Multibody, and the agents are trained using a reward function inspired by artificial potential fields, promoting energy-efficient and precise motion. Extensive simulations are performed under internal disturbances (e.g., joint friction variations, payload changes) and external disturbances (e.g., unexpected forces, environmental interactions). Results demonstrate that the hybrid PID + TD3 approach outperforms both standalone TD3 and PID controllers in convergence speed, tracking precision, and disturbance rejection. This study highlights the effectiveness of combining reinforcement learning with classical control for intelligent, robust, and resilient robotic manipulation in uncertain environments. Full article
(This article belongs to the Topic New Trends in Robotics: Automation and Autonomous Systems)
Show Figures

Figure 1

Back to TopTop