Dynamic Behavior of a Modernized Passenger Coach for Multimodal Transport: Effect of Wheel Wear and Clearance Optimization
Abstract
1. Introduction
- To develop a three-dimensional geometric model and determine mass–dimensional characteristics;
- To design a methodology for stress–strain analysis under additional loads using FEM;
- To identify natural vibration frequencies and conduct modal analysis;
- To perform dynamic simulations for various loading configurations;
- To propose the most effective and safe cargo placement scheme;
- To determine clearance parameters for crossings as a function of axle load variations.
2. Materials and Methods
2.1. Research Object and Aim
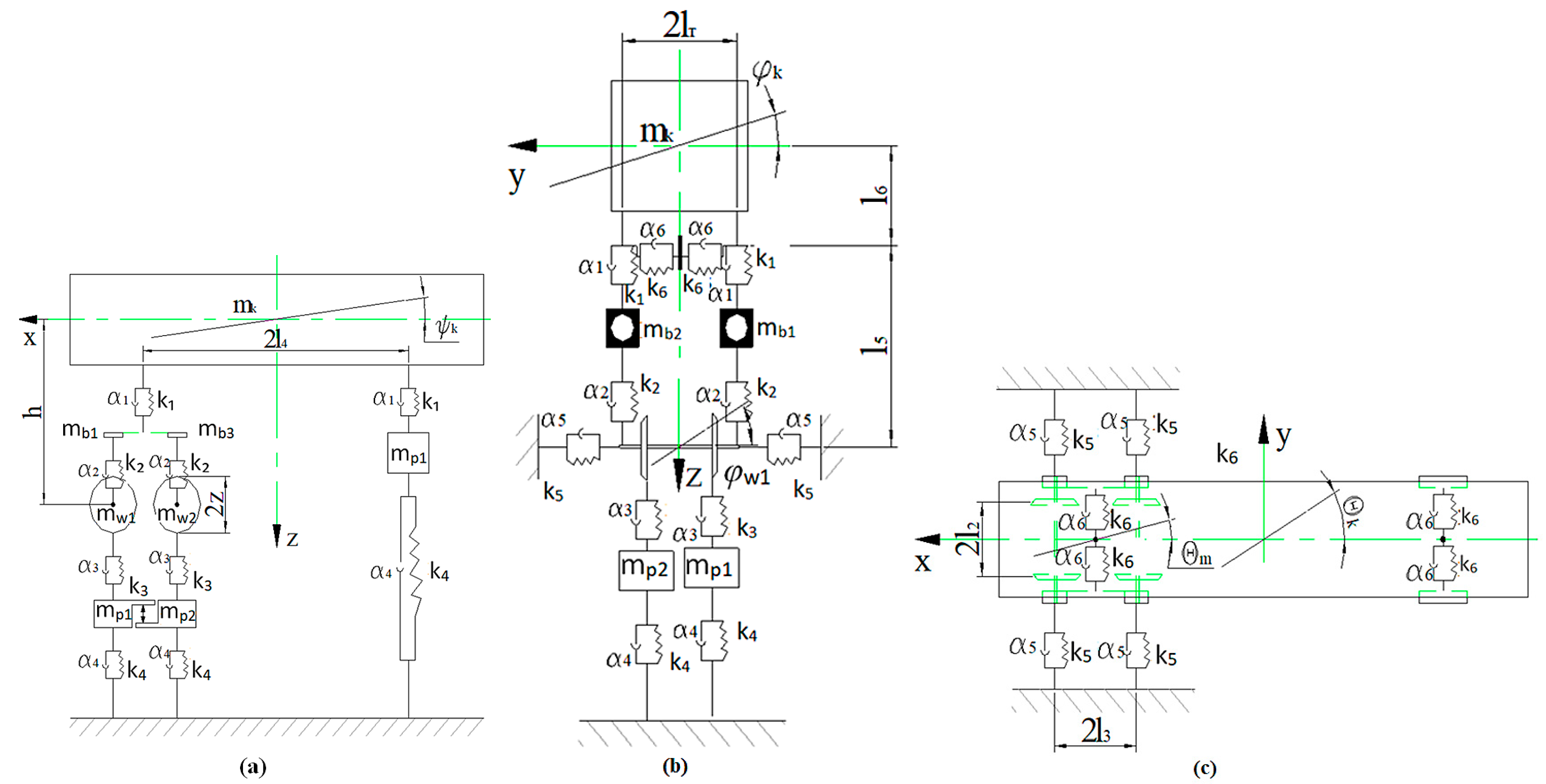
2.2. Geometric and Structural Parameters
2.3. Modeling Methodology and Computational Conditions
3. Results and Discussion
3.1. Static Strength Analysis Results
3.2. Modal Analysis Results
3.3. Results of Dynamic Stability Analysis
- Configuration 1: the automobile was positioned at the end of coach body, and the motion was analyzed on a simple curve with a radius of R = 350 m (Figure 9a);
- Configuration 2: the automobile was positioned closer to the center, and the motion was analyzed on an S-shaped curve with radii R1 = 350 m and R2 = 300 m (Figure 9b).
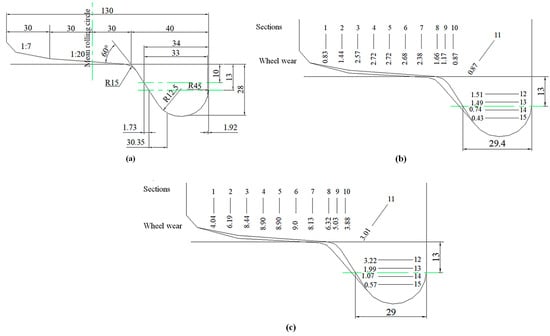
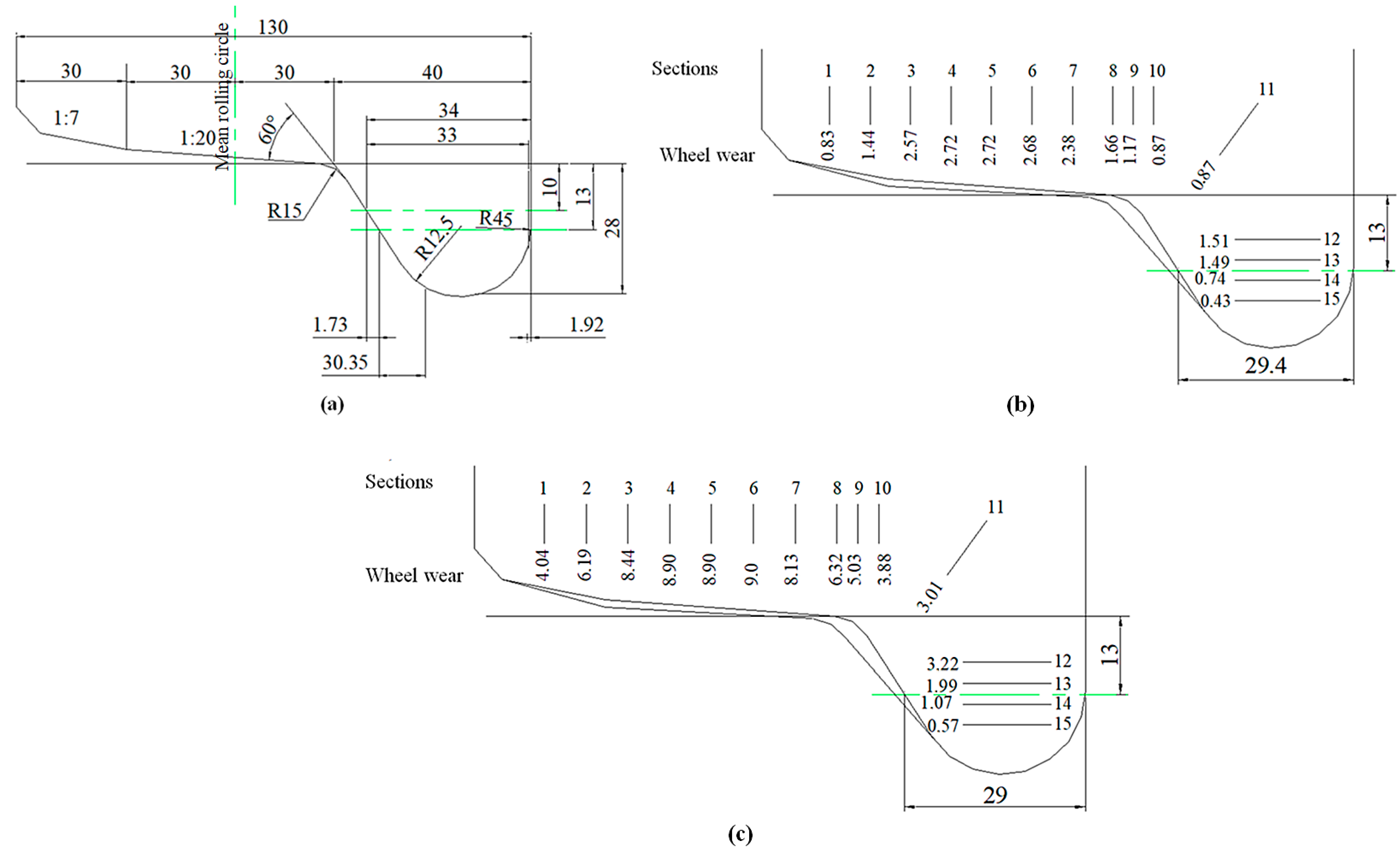
3.4. Analysis of the Effectiveness of Gap Optimization on Curved Track Sections
- the running surface of the wing rails is executed with a 1:20 inclination;
- the drop of the point below the rail threads at sections of 20, 30, and 40 mm is set at 5, 3, and 1 mm, respectively;
- the radii of the working edges of the point at sections of 10, 20, 30, and 40 mm are set at 5, 7, 9, and 11 mm, while at 50 mm and beyond–13 mm;
- the point of the frog is uniformly reduced from the physical tip to the mathematical tip, reaching a level 40 mm below the running surface of the rail threads.
4. Conclusions
Author Contributions
Funding
Institutional Review Board Statement
Informed Consent Statement
Data Availability Statement
Conflicts of Interest
Abbreviations
| ANSYS | Analysis System (Finite Element simulation software) |
| CAD | Computer-Aided Design |
| CG | Center of Gravity |
| DoF | Degrees of Freedom |
| FEM | Finite Element Method |
| MBD | Multibody Dynamics |
| MBS | Multibody System |
| MPa | Megapascal |
| Pa | Pascal |
| UM | Universal Mechanism (multibody dynamics software) |
| 3D | Three-Dimensional |
| kN | Kilonewton |
References
- Akhmedov, E. Problems of and Prospects for the Development of Railway Infrastructure in Kazakhstan. E3S Web Conf. 2024, 471, 02006. [Google Scholar] [CrossRef]
- Nedeliaková, E.; Valla, M.; Masár, M. Modernization of Railway Wagons for Customer Satisfaction and Safety. Vehicles 2024, 6, 374–383. [Google Scholar] [CrossRef]
- Comi, A.; Hriekova, O. A Focus on Railway Shift in Urban Freight Transport: Scenarios and Applications. Future Transp. 2024, 4, 681–696. [Google Scholar] [CrossRef]
- Liu, B.; Vollebregt, E.; Bruni, S. Review of Conformal Wheel/Rail Contact Modelling Approaches: Towards the Application in Rail Vehicle Dynamics Simulation. Veh. Syst. Dyn. 2023, 62, 1355–1379. [Google Scholar] [CrossRef]
- Li, J.; Hu, M.; Wu, H.; Zhong, H. Numerical Simulations and Experimental Analysis of High-Speed Turnout Rails Wear Models. Sci. Rep. 2025, 15, 22680. [Google Scholar] [CrossRef] [PubMed]
- Bosso, N.; Magelli, M.; Zampieri, N. Simulation of Wheel and Rail Profile Wear: A Review of Numerical Models. Rail. Eng. Sci. 2022, 30, 403–436. [Google Scholar] [CrossRef]
- Pagaimo, J.; Millan, P.; Ambrósio, J. Flexible Multibody Formulation Using Finite Elements with 3 DoF per Node with Application in Railway Dynamics. Multibody Syst. Dyn. 2023, 58, 83–112. [Google Scholar] [CrossRef]
- Bustos, A.; Rubio, H.; Castejon, C.; Garcia-Prada, J.C. Effect of the secondary suspension and intercar links on the performance of a high-speed train. Mech. Mach. Theory 2025, 198, 106167. [Google Scholar] [CrossRef]
- Wang, H.; Zhang, X.; Wang, R.; Feng, G.A. Simulation Approach for Analysis of the Regenerative Potential of High-Speed Train Suspensions. Energies 2024, 17, 3496. [Google Scholar] [CrossRef]
- Doudkin, M.V.; Apshikur, B.; Kim, A.I.; Ipalakov, T.T.; Asangaliev, E.A.; Mlynczak, M.; Tungushbaeva, Z.K. Development of Mathematical Models Describing the Processes Occurring in the Railway Track Construction as a Whole, or in the Work of Its Individual Elements. News Natl. Acad. Sci. Repub. Kazakhstan Ser. Geol. Tech. Sci. 2019, 5, 6–15. [Google Scholar] [CrossRef]
- Doudkin, M.; Apshikur, B.; Kim, A.; Ipalakov, T.T.; Asangaliev, E.A.; Młyńczak, M. Development of an Installation for Shear Ground Testing in the Railway Track Construction. News Natl. Acad. Sci. Repub. Kazakhstan Ser. Geol. Tech. Sci. 2019, 6, 22–35. [Google Scholar] [CrossRef]
- Petrenko, V. Simulation of Railway Vehicle Dynamics in Universal Mechanism Software. Procedia Eng. 2016, 134, 23–29. [Google Scholar] [CrossRef]
- Rakhimov, M.A.; Rakhimova, G.M.; Suleimbekova, Z.A. Modification of Concrete Railway Sleepers and Assessment of Its Bearing Capacity. Geomate J. 2021, 20, 40–48. [Google Scholar] [CrossRef]
- Abedzhanova, A.S.; Dzhaxylykov, A.F.; Rasskazov, P.A.; Apshikur, B.; Islyam, G. Automated System for Optimizing the Movement of Urban Passenger Transport Using GIS. ISPRS Arch. 2023, XLVIII-5/W2-2023, 1–8. [Google Scholar] [CrossRef]
- Harak, S.; Sharma, S.; Harsha, S. Structural Dynamic Analysis of Freight Railway Wagon Using Finite Element Method. Procedia Mater. Sci. 2014, 6, 1891–1898. [Google Scholar] [CrossRef]
- Liu, L.; Liu, J.; Zuo, J. Multi-Body Dynamics Modeling of Heavy Goods Vehicle-Rail Interaction. Open J. Appl. Sci. 2024, 14, 1715–1722. [Google Scholar] [CrossRef]
- Magelli, M.; Zampieri, N. Calculation of Wear of Railway Wheels with Multibody Codes: Benchmarking of the Modelling Choices. Machines 2024, 12, 644. [Google Scholar] [CrossRef]
- Zwölfer, A.; Gerstmayr, J. A Concise Nodal-Based Derivation of the Floating Frame of Reference Formulation for Displacement-Based Solid Finite Elements. Multibody Syst. Dyn. 2020, 49, 291–313. [Google Scholar] [CrossRef]
- Bruni, S.; Meijaard, J.P.; Rill, G.; Schwab, A.L. State-of-the-Art and Challenges of Railway and Road Vehicle Dynamics with Multibody Dynamics Approaches. Multibody Syst. Dyn. 2020, 49, 1–32. [Google Scholar] [CrossRef]
- Boujelben, A.; Ibrahimbegovic, A. Finite-Strain Three-Dimensional Solids with Rotational Degrees of Freedom: Non-Linear Statics and Dynamics. Adv. Model. Simul. Eng. Sci. 2017, 4, 3. [Google Scholar] [CrossRef]
- GOST 19281–2014; High-Strength Rolled Steel. General Specification. Interstate Standard: Moscow, Russia, 2014. Available online: https://auremo.biz/gosts/gost-19281-2014.html (accessed on 24 October 2025).
- Denisenko, M.A.; Isaeva, A.S.; Sinyukin, A.S.; Kovalev, A.V. Models and a Deformations Simulation Approach Using ANSYS CAD for Railway Wagons Weighing System. Sci. Tech. J. Inf. Technol. Mech. Opt. 2024, 24, 284–292. [Google Scholar] [CrossRef]
- Rezvani, M.A.; Mazraeh, A. Dynamics and Stability Analysis of a Freight Wagon Subjective to the Railway Track and Wheelset Operational Conditions. Eur. J. Mech. A/Solids 2016, 61, 1–12. [Google Scholar] [CrossRef]
- Rossing, T. Modal Analysis. In Springer Handbook of Acoustics; Rossing, T., Ed.; Springer Handbooks; Springer: New York, NY, USA, 2007. [Google Scholar] [CrossRef]
- Montenegro, P.A.; Neves, S.G.M.; Calçada, R.; Tanabe, M.; Sogabe, M. Wheel–Rail Contact Formulation for Analyzing the Lateral Train–Structure Dynamic Interaction. Comput. Struct. 2015, 152, 200–214. [Google Scholar] [CrossRef]
- Zhang, D.; Tang, Y.; Peng, Q.; Dong, C.; Ye, Y. Effect of Mass Distribution on Curving Performance for a Loaded Wagon. Nonlinear Dyn. 2021, 104, 2259–2273. [Google Scholar] [CrossRef]
- Romano, L.; Maglio, M.; Bruni, S. Transient Wheel–Rail Rolling Contact Theories. Tribol. Int. 2023, 186, 108600. [Google Scholar] [CrossRef]
- Xu, K.; Zeng, J.; Wei, L. An Analysis of the Self-Excited Torsional Vibration of High-Speed Train Drive System. J. Mech. Sci. Technol. 2019, 33, 1149–1158. [Google Scholar] [CrossRef]
- Östh, J.; Krajnovic, S. Large Eddy Simulation of the Flow around One Single-Stacked Container Freight Wagon. In Proceedings of the First International Conference on Railway Technology: Research, Development and Maintenance, Las Palmas de Gran Canaria, Spain, 18–20 April 2012; Pombo, J., Ed.; Civil-Comp Press: Stirlingshire, UK, 2012; p. 162. [Google Scholar] [CrossRef]
- Ministry for Investment and Development of the Republic of Kazakhstan. Order No. 544 of 30 April 2015: On Approval of the Rules for the Technical Operation of Railway Transport. Registered with the Ministry of Justice of the Republic of Kazakhstan on 17 August 2015 under No. 11897. Available online: https://adilet.zan.kz/rus/docs/V1500011897 (accessed on 21 October 2025).
- Shvets, A.O.; Bolotov, O.M.; Percevoj, A.K.; Ghlukhov, V.V.; Bolotov, O.O.; Saparova, L.S. Research of Dynamic Indicators and Influence of Different Types of Rolling Stock on Railway Track. IOP Conf. Ser. Mater. Sci. Eng. 2020, 985, 012010. [Google Scholar] [CrossRef]
- Kuzyshyn, A.; Kostritsa, S.; Ursulyak, L.; Batig, A.; Sobolevska, J.; Voznyak, O. Research of the Impact of Geometric Unevenness of the Railway Track on the Dynamic Parameters of the Railway Rolling Stock with Two-Stage Spring Suspension. IOP Conf. Ser. Mater. Sci. Eng. 2019, 664, 012024. [Google Scholar] [CrossRef]
- Liu, C.; Zhang, J.; Song, Y.; Li, F.; Wu, P. Research on Measuring Method of Centre of Gravity and Moment of Inertia for Car Body of High-Speed EMUs. Proc. Inst. Mech. Eng. Part F J. Rail Rapid Transit 2023, 238, 206–213. [Google Scholar] [CrossRef]
- Morales-Ivorra, S.; Real, J.I.; Hernández, C.; Montalbán, L. Derailment Risk and Dynamics of Railway Vehicles in Curved Tracks: Analysis of the Effect of Failed Fasteners. J. Mod. Transp. 2016, 24, 38–47. [Google Scholar] [CrossRef]
- Liu, W.; Du, L.; Liu, W.; Thompson, D. Study on the Dynamic Response of a Curved Railway Track Subjected to Harmonic Loads Based on Periodic Structure Theory. Proc. Inst. Mech. Eng. Part F J. Rail Rapid Transit 2017, 232, 447–460. [Google Scholar] [CrossRef]
- Matsumoto, A.; Sato, Y.; Ohno, H.; Shimizu, M.; Kurihara, J.; Tomeoka, M.; Mizuno, M. Continuous Observation of Wheel/Rail Contact Forces in Curved Track and Theoretical Considerations. Veh. Syst. Dyn. 2012, 50 (Suppl. S1), 349–364. [Google Scholar] [CrossRef]
- Jin, X.; Xiao, X.; Wen, Z.; Guo, J.; Zhu, M. An Investigation into Effect of Train Curving on Wear and Contact Stresses of Wheel and Rail. Tribol. Int. 2009, 42, 475–490. [Google Scholar] [CrossRef]
- Ye, Y.; Sun, Y.; Dongfang, S.; Shi, D.; Hecht, M. Optimizing Wheel Profiles and Suspensions for Railway Vehicles Operating on Specific Lines to Reduce Wheel Wear: A Case Study. Multibody Syst. Dyn. 2021, 51, 91–122. [Google Scholar] [CrossRef]
- Namayanja, Z.; Nkundineza, C.; Zewdie, B.M. Analyzing the Impact of Curved Tracks on Wheel Flange Thickness Reduction in Railway Systems. Open Eng. 2024, 14, 20240089. [Google Scholar] [CrossRef]
- Liu, L.; Yi, B.; Shi, X.; Peng, X. Kriging-PSO-Based Shape Optimization for Railway Wheel Profile. J. Mech. Sci. Technol. 2024, 38, 4921–4932. [Google Scholar] [CrossRef]
- Ciotlaus, M.; Kollo, G.; Marusceac, V.; Orban, Z. Rail–Wheel Interaction and Its Influence on Rail and Wheels Wear. Procedia Manuf. 2019, 32, 895–900. [Google Scholar] [CrossRef]




















| Crossing Type | Critical Clearance, l (mm) | Unsupported Gap, (mm) | Permissible Wheelset Rotation Angle, ° ′ ″ | Additional Wheel Displacement, (mm) | Wheelset Displacement, (mm) | Total Possible (mm) |
|---|---|---|---|---|---|---|
| 1/9 | 522 | 0 | 1°24′00″ | 9 | 18 | 27 |
| 2/11 | 319 | 0 | 0°42′01″ | 4 | 0 | 4 |
| 2/9 | 261 | 0 | 0°42′00″ | 3 | 0 | 3 |
| Calculated Characteristics | Symbols | Numerical Values |
|---|---|---|
| Axle load of a 4-axle open wagon | Rst | 180.7 kN |
| Suspended mass of the wagon | mk | 45,500 kg |
| Side frame mass | mbi | 350 kg |
| Wheelset mass | mp1,2 | 1150 kg |
| Distance between spring sets | 2l1 | 2.04 m |
| Distance between wheel rolling circles | 2l2 | 1.58 m |
| Bogie base | 2l3 | 1.85 m |
| Wagon base | 2l4 | 8.65 m |
| Distance from wheelset CG to bolster | l5 | 0.05 m |
| Distance from bolster to wagon body CG | l6 | 1.27 m |
| Wheel radius | r | 0.460 m |
| Stiffness of spring set (compression) | k1 | 3.92 × 106 N·m−1 |
| Equivalent stiffness of side frame–axle contact | k2 | 2.94 × 107 N·m−1 |
| Equivalent stiffness of wheel–rail contact | k3 | 6.86 × 107 N·m−1 |
| Track stiffness (blunt frog) | k4 | 3.72 × 107 N·m−1 |
| Horizontal stiffness of rail threads | k5 | 1.70 × 107 N·m−1 |
| Bending stiffness of spring set | k6 | 5.88 × 106 N·m−1 |
| Damping coefficient of spring set (compression) | α1 | 4.9 × 104 N·s·m−1 |
| Equivalent damping coefficient (side frame–axle) | α2 | 1.5 × 105 N·s·m−1 |
| Equivalent damping coefficient (wheel–rail) | α3 | 1.5 × 105 N·s·m−1 |
| Track damping coefficient | α4 | 1.5 × 105 N·s·m−1 |
| Rail thread damping coefficient (lateral) | α5 | 1.3 × 105 N·s·m−1 |
| Damping coefficient of springs in bending | α6 | 4.9 × 104 N·s·m−1 |
| Parameter | Case 1–First Section | Case 1–Second Section |
|---|---|---|
| L (m) | 50 | 50 |
| P1 (m) | 30 | 50 |
| S (m) | 200 | 200 |
| R (m) | 350 | 300 |
| H (m) | 0.10 | 0.09 |
| P2 (m) | 30 | 50 |
| dY | 0.01 | 0.01 |
| L total (m) | 310 | 350 |
| V (m/s) | 14.741442 | 12.947557 |
| Smoothing | 0.00 | — |
| Parameter | Symbol | Vertical Irregularities | Horizontal Irregularities |
|---|---|---|---|
| Wave length | λ | 20.00 m | 20.00 m |
| Height (amplitude) | H | 15.00 mm | 15.00 mm |
| Start position (left) | Xstart | 50.00 m | 50.00 m |
| Right shift | Δxright | 0.00 m | — |
| Number of waves | n | 10 | 10 |
| Longitudinal spacing (between waves) | s | 10.00 m | — |
| Parameter | Without Car Onboard | With Car Onboard–Version 1 | With Car Onboard–Version 2 |
|---|---|---|---|
| Mass (kg) | 57,000.000 | 60,000.000 | 60,000.000 |
| Center of Mass (m) | (0.000; 0.000; 0.982) | (0.594; 0.000; 1.083) | (0.468; 0.000; 1.083) |
| Moment of Inertia (kg·m2) | (75,600.1; 1,984,724.0; 198,061.0) | (139,514.4; 2,329,749.0; 2,303,352.0) | (139,514.4; 2,235,318.0; 2,208,920.0) |
| Completion Condition–Distance (m) | ≥600 | ≥600 | ≥600 |
| Numerical Method | PARK | PARK | PARK |
| Tolerance | 1 × 10−6 | 1 × 10−6 | 1 × 10−6 |
| Output Step (s) | 0.005 | 0.005 | 0.005 |
| Jacobian Matrix Calculation | Yes | Yes | Yes |
| Variable List | Yes | Yes | Yes |
| Speed | 60 km/h | 60 km/h | 60 km/h |
| Track Model | Massless track | Massless track | Massless track |
| Creep Force Model | FASTSIM | FASTSIM | FASTSIM |
| Parameter | Symbol | Experimental Value | Simulation Value | Difference (%) |
|---|---|---|---|---|
| Carbody vertical acceleration | av (m/s2) | 0.30 ± 0.02 | 0.31 | 3.3 |
| Wheelset attack angle | ψ (°) | 2.8 ± 0.5 | 2.9 | 3.6 |
| Lateral guiding force | Flat (kN) | 40.2 ± 1.0 | 41.7 | 3.7 |
| Derailment coefficient | Y/Q | 0.78 ± 0.03 | 0.81 | 3.8 |
| Wheel Characteristics | Track Gauge, mm | Clearances, mm | |||||
|---|---|---|---|---|---|---|---|
| Blunt Frogs | Sharp Frogs | ||||||
| 1 | 2 | 3 | 4 | 5 | 6 | 7 | 8 |
| New | 1520 | 13.7 | 15.6 | ||||
| Moderately worn | 2.2 | 7.9 | 13.6 | 2.2 | 8.7 | 15.2 | |
| Severely worn | 3.5 | 7.5 | 11.5 | 3.5 | 7.0 | 12.5 | |
| New | 1524 | 5.4 | 9.6 | 13.7 | 5.4 | 10.5 | 15.6 |
| Moderately worn | 5.6 | 9.6 | 13.6 | 5.6 | 10.4 | 15.2 | |
| Severely worn | 4.4 | 8.0 | 11.5 | 4.4 | 8.5 | 12.5 | |
Disclaimer/Publisher’s Note: The statements, opinions and data contained in all publications are solely those of the individual author(s) and contributor(s) and not of MDPI and/or the editor(s). MDPI and/or the editor(s) disclaim responsibility for any injury to people or property resulting from any ideas, methods, instructions or products referred to in the content. |
© 2025 by the authors. Licensee MDPI, Basel, Switzerland. This article is an open access article distributed under the terms and conditions of the Creative Commons Attribution (CC BY) license (https://creativecommons.org/licenses/by/4.0/).
Share and Cite
Alizhan, A.; Apshikur, B.; Alimkulov, M.; Goltsev, A.; Chernavin, V.; Almas, K. Dynamic Behavior of a Modernized Passenger Coach for Multimodal Transport: Effect of Wheel Wear and Clearance Optimization. Future Transp. 2025, 5, 168. https://doi.org/10.3390/futuretransp5040168
Alizhan A, Apshikur B, Alimkulov M, Goltsev A, Chernavin V, Almas K. Dynamic Behavior of a Modernized Passenger Coach for Multimodal Transport: Effect of Wheel Wear and Clearance Optimization. Future Transportation. 2025; 5(4):168. https://doi.org/10.3390/futuretransp5040168
Chicago/Turabian StyleAlizhan, Almas, Baitak Apshikur, Murat Alimkulov, Anatoly Goltsev, Valeriy Chernavin, and Kunanbayev Almas. 2025. "Dynamic Behavior of a Modernized Passenger Coach for Multimodal Transport: Effect of Wheel Wear and Clearance Optimization" Future Transportation 5, no. 4: 168. https://doi.org/10.3390/futuretransp5040168
APA StyleAlizhan, A., Apshikur, B., Alimkulov, M., Goltsev, A., Chernavin, V., & Almas, K. (2025). Dynamic Behavior of a Modernized Passenger Coach for Multimodal Transport: Effect of Wheel Wear and Clearance Optimization. Future Transportation, 5(4), 168. https://doi.org/10.3390/futuretransp5040168

