Sign in to use this feature.

Years

Between: -

Subjects

remove_circle_outline
remove_circle_outline
remove_circle_outline
remove_circle_outline
remove_circle_outline
remove_circle_outline
remove_circle_outline
remove_circle_outline
remove_circle_outline

Journals

remove_circle_outline
remove_circle_outline
remove_circle_outline
remove_circle_outline
remove_circle_outline

Article Types

Countries / Regions

remove_circle_outline
remove_circle_outline
remove_circle_outline
remove_circle_outline

Search Results (236)

Search Parameters:
Keywords = modular metric

Order results
Result details
Results per page
Select all
Export citation of selected articles as:
38 pages, 3484 KB  
Article
From Prompts to Paths: Large Language Models for Zero-Shot Planning in Unmanned Ground Vehicle Simulation
by Kelvin Olaiya, Giovanni Delnevo, Chan-Tong Lam, Giovanni Pau and Paola Salomoni
Drones 2025, 9(12), 875; https://doi.org/10.3390/drones9120875 - 18 Dec 2025
Abstract
This paper explores the capability of Large Language Models (LLMs) to perform zero-shot planning through multimodal reasoning, with a particular emphasis on applications to Unmanned Ground Vehicles (UGVs) and unmanned platforms in general. We present a modular system architecture that integrates a general-purpose [...] Read more.
This paper explores the capability of Large Language Models (LLMs) to perform zero-shot planning through multimodal reasoning, with a particular emphasis on applications to Unmanned Ground Vehicles (UGVs) and unmanned platforms in general. We present a modular system architecture that integrates a general-purpose LLM with visual and spatial inputs for adaptive planning to iteratively guide UGV behavior. Although the framework is demonstrated in a ground-based setting, it directly extends to other unmanned systems, where semantic reasoning and adaptive planning are increasingly critical for autonomous mission execution. To assess performance, we employ a continuous evaluation metric that jointly considers distance and orientation, offering a more informative and fine-grained alternative to binary success measures. We evaluate a foundational LLM (i.e., Gemini 2.0 Flash, Google DeepMind) on a suite of zero-shot navigation and exploration tasks in simulated environments. Unlike prior LLM-robot systems that rely on fine-tuning or learned waypoint policies, we evaluate a purely zero-shot, stepwise LLM planner that receives no task demonstrations and reasons only from the sensed data. Our findings show that LLMs exhibit encouraging signs of goal-directed spatial planning and partial task completion, even in a zero-shot setting. However, inconsistencies in plan generation across models highlight the need for task-specific adaptation or fine-tuning. These findings highlight the potential of LLM-based multimodal reasoning to enhance autonomy in UGV and drone navigation, bridging high-level semantic understanding with robust spatial planning. Full article
(This article belongs to the Special Issue Advances in Guidance, Navigation, and Control)
Show Figures

Figure 1

17 pages, 7444 KB  
Article
A Sustainable Monitoring and Predicting Method for Coal Failure Using Acoustic Emission Event Complex Networks
by Zhibo Zhang, Jiang Sun, Yankun Ma and Jiabao Wang
Sustainability 2025, 17(24), 11349; https://doi.org/10.3390/su172411349 - 18 Dec 2025
Abstract
Prediction of coal and rock dynamic disasters is essential for ensuring the safety, efficiency, and long-term sustainability of deep mining operations. To improve the accuracy of acoustic methods for forecasting coal instability, acoustic emission (AE) source localization experiments are conducted on coal samples [...] Read more.
Prediction of coal and rock dynamic disasters is essential for ensuring the safety, efficiency, and long-term sustainability of deep mining operations. To improve the accuracy of acoustic methods for forecasting coal instability, acoustic emission (AE) source localization experiments are conducted on coal samples under uniaxial compression, and the multidimensional correlations among AE events together with the evolution characteristics of the corresponding complex network are investigated. The results show that the temporal correlations of AE events exhibit nonlinear decay with increasing time intervals, the spatial correlations display fractal clustering that transcends Euclidean geometry, and the energetic correlations reveal hierarchical transitions controlled by intrinsic material properties. To capture these interactions, a multidimensional correlation calculation method is developed to quantitatively characterize these multidimensional coupled relationships of AE events, and a complex network of AE events is constructed. The network evolution from sparse to highly interconnected is quantified using three parameters: average degree, clustering coefficient, and modularity. A rapid rise in the first two metrics, accompanied by a sharp decline in the latter, indicates the rapid strengthening of AE event correlations, the aggregation of local microcrack clusters, and their transition into a global fracture network, thereby providing a clear early warning of impending compressive failure of the coal sample. The study establishes a mechanistic link between microcrack evolution and macroscopic failure, offering a robust real-time monitoring tool that supports sustainable mining by reducing disaster risk, improving resource extraction stability, and minimizing socio-economic and environmental losses associated with dynamic failures in deep underground coal operations. Full article
(This article belongs to the Topic Advances in Coal Mine Disaster Prevention Technology)
Show Figures

Figure 1

90 pages, 1718 KB  
Systematic Review
A Systematic Literature Review of Retrieval-Augmented Generation: Techniques, Metrics, and Challenges
by Andrew Brown, Muhammad Roman and Barry Devereux
Big Data Cogn. Comput. 2025, 9(12), 320; https://doi.org/10.3390/bdcc9120320 - 12 Dec 2025
Viewed by 262
Abstract
Background: Retrieval-augmented generation (RAG) aims to reduce hallucinations and outdated knowledge by grounding LLM outputs in retrieved evidence, but empirical results are scattered across tasks, systems, and metrics, limiting cumulative insight. Objective: We aimed to synthesise empirical evidence on RAG effectiveness versus parametric-only [...] Read more.
Background: Retrieval-augmented generation (RAG) aims to reduce hallucinations and outdated knowledge by grounding LLM outputs in retrieved evidence, but empirical results are scattered across tasks, systems, and metrics, limiting cumulative insight. Objective: We aimed to synthesise empirical evidence on RAG effectiveness versus parametric-only baselines, map datasets/architectures/evaluation practices, and surface limitations and research gaps. Methods: This systematic review was conducted and reported in accordance with PRISMA 2020. We searched the ACM Digital Library, IEEE Xplore, Scopus, ScienceDirect, and DBLP; all sources were last searched on 13 May 2025. This included studies from January 2020–May 2025 that addressed RAG or similar retrieval-supported systems producing text output, met citation thresholds (≥15 for 2025; ≥30 for 2024 or earlier), and offered original contributions; excluded non-English items, irrelevant works, duplicates, and records without accessible full text. Bias was appraised with a brief checklist; screening used one reviewer with an independent check and discussion. LLM suggestions were advisory only; 2025 citation thresholds were adjusted to limit citation-lag. We used a descriptive approach to synthesise the results, organising studies by themes aligned to RQ1–RQ4 and reporting summary counts/frequencies; no meta-analysis was undertaken due to heterogeneity of designs and metrics. Results: We included 128 studies spanning knowledge-intensive tasks (35/128; 27.3%), open-domain QA (20/128; 15.6%), software engineering (13/128; 10.2%), and medical domains (11/128; 8.6%). Methods have shifted from DPR + seq2seq baselines to modular, policy-driven RAG with hybrid/structure-aware retrieval, uncertainty-triggered loops, memory, and emerging multimodality. Evaluation remains overlap-heavy (EM/F1), with increasing use of retrieval diagnostics (e.g., Recall@k, MRR@k), human judgements, and LLM-as-judge protocols. Efficiency and security (poisoning, leakage, jailbreaks) are growing concerns. Discussion: Evidence supports a shift to modular, policy-driven RAG, combining hybrid/structure-aware retrieval, uncertainty-aware control, memory, and multimodality, to improve grounding and efficiency. To advance from prototypes to dependable systems, we recommend: (i) holistic benchmarks pairing quality with cost/latency and safety, (ii) budget-aware retrieval/tool-use policies, and (iii) provenance-aware pipelines that expose uncertainty and deliver traceable evidence. We note the evidence base may be affected by citation-lag from the inclusion thresholds and by English-only, five-library coverage. Funding: Advanced Research and Engineering Centre. Registration: Not registered. Full article
(This article belongs to the Special Issue Artificial Intelligence (AI) and Natural Language Processing (NLP))
Show Figures

Figure 1

24 pages, 4739 KB  
Article
Design and Testing of an Emg-Controlled Semi-Active Knee Prosthesis
by Kassymbek Ozhikenov, Yerkebulan Nurgizat, Abu-Alim Ayazbay, Arman Uzbekbayev, Aidos Sultan, Arailym Nussibaliyeva, Nursultan Zhetenbayev, Raushan Kalykpaeva and Gani Sergazin
Sensors 2025, 25(24), 7505; https://doi.org/10.3390/s25247505 - 10 Dec 2025
Viewed by 310
Abstract
Affordable, sensor-driven lower-limb prostheses remain scarce in middle-income health systems. We report the design, numerical justification, and bench validation of a semi-active transfemoral prosthesis featuring surface electromyography (EMG) control and inertial sensing for low-resource deployment. The mechanical architecture combines a titanium–aluminum–carbon composite frame [...] Read more.
Affordable, sensor-driven lower-limb prostheses remain scarce in middle-income health systems. We report the design, numerical justification, and bench validation of a semi-active transfemoral prosthesis featuring surface electromyography (EMG) control and inertial sensing for low-resource deployment. The mechanical architecture combines a titanium–aluminum–carbon composite frame (total mass 0.87 kg; parts cost < USD 400) with topology optimization (SIMP) to minimize weight while preserving stiffness. Finite-element analyses (critical load 2.94 kN) confirmed structural safety (yield safety factor ≥ 1.6) and favorable fatigue margins. A dual-channel sensing scheme—surface EMG from the rectus femoris and an IMU—drives a five-state gait finite state machine implemented on a low-power STM32H platform. The end-to-end EMG→PWM latency remained <200 ms (mean 185 ms). Bench tests reproduced commanded flexion within ±2.2%, with average electrical power of ~4.6 W and battery autonomy of ~5.7 h using a 1650 mAh Li-Po pack. Results demonstrate a pragmatic trade-off between functionality and cost: semi-active damping with EMG-triggered control and open, modular hardware suitable for small-lab fabrication. Meeting target metrics (mass ≤ 1 kg, latency ≤ 200 ms, autonomy ≥ 6 h, cost ≤ USD 500), the prototype indicates a viable pathway to broaden access to intelligent prostheses and provides a platform for future upgrades (e.g., neural network control and higher-efficiency actuators). Full article
(This article belongs to the Special Issue Recent Advances in Sensor Technology and Robotics Integration)
Show Figures

Figure 1

41 pages, 9667 KB  
Article
Topological Structure Characteristics of Ecological Spatial Networks and Their Correlation with Sand Fixation Function
by Zijia Gu, Yongtai Han, Qian Li, Qibin Zhang and Qiang Yu
Land 2025, 14(12), 2388; https://doi.org/10.3390/land14122388 - 7 Dec 2025
Viewed by 190
Abstract
The current research indicates that the Ecological Spatial Network (ESN) supports critical regulating services, yet the quantitative coupling between its topological structure and the sand fixation function has received limited attention. This study investigates this relationship in the Zhangbei region, China, from 2002 [...] Read more.
The current research indicates that the Ecological Spatial Network (ESN) supports critical regulating services, yet the quantitative coupling between its topological structure and the sand fixation function has received limited attention. This study investigates this relationship in the Zhangbei region, China, from 2002 to 2022. By integrating the Minimum Cumulative Resistance (MCR) model, complex network theory, and the Revised Wind Erosion Equation (RWEQ), we systematically evaluated the network’s structural evolution and its correlation with the sand fixation capacity. The results reveal a significant enhancement in ecosystem service: the actual wind erosion amount decreased from 20.18 t/ha in 2002 to 2.83 t/ha in 2022, while the network structure matured, characterized by stable high modularity (Q ≈ 0.67) and a marked “core densification” trend. Correlation and regression analyses confirm that topological metrics—specifically PageRank, Betweenness Centrality, and Degree—are effective indicators, jointly explaining 48–65% of the spatial variation in the sand fixation capacity. Notably, PageRank emerged as the most robust predictor, highlighting the functional importance of high-quality patch clusters. Furthermore, optimization simulations suggest that a low-eigenvector centrality edge-adding strategy is most effective for enhancing network connectivity. These findings provide a theoretical basis and spatial guidance for ecological restoration in arid and semi-arid regions. Full article
Show Figures

Figure 1

20 pages, 10998 KB  
Article
A Novel Semi-Hydroponic Root Observation System Combined with Unsupervised Semantic Segmentation for Root Phenotyping
by Kunhong Li, Siyue Xu, Christoph Menz, Feng Yang, Helder Fraga, João A. Santos, Bing Liu and Chenyao Yang
Agronomy 2025, 15(12), 2794; https://doi.org/10.3390/agronomy15122794 - 4 Dec 2025
Viewed by 336
Abstract
Root system analysis remains methodologically challenging in plant research: traditional soil cultivation obstructs comprehensive root observation, whereas hydroponic visualization lacks ecological relevance due to soil environment exclusion—a critical limitation for crops like soybean. This manuscript developed a cost-effective hybrid imaging system integrating transparent [...] Read more.
Root system analysis remains methodologically challenging in plant research: traditional soil cultivation obstructs comprehensive root observation, whereas hydroponic visualization lacks ecological relevance due to soil environment exclusion—a critical limitation for crops like soybean. This manuscript developed a cost-effective hybrid imaging system integrating transparent acrylic plates, semi-permeable membranes, and natural soil substrates with high-resolution imaging and controlled illumination, enabling non-destructive root monitoring in quasi-natural soil conditions. Complementing this hardware innovation, this manuscript proposed an unsupervised semantic segmentation algorithm that synergizes path planning with an enhanced DBSCAN framework, achieving the precise extraction of primary and lateral root architectures. Experimental validation demonstrated superior performance in soybean root analysis, with segmentation metrics reaching 0.8444 accuracy, 0.9203 recall, 0.8743 F1-score, and 0.7921 mIoU—significantly outperforming existing unsupervised methods (p<0.01). Strong correlations (R2 > 0.94) with WinRHIZO in quantifying root length, projected area, dimensional parameters, and lateral root counts confirmed system reliability. This soil-compatible phenotyping platform establishes new opportunities for root research, with future developments targeting multi-crop adaptability and complex soil condition applications through modular hardware redesign and 3D reconstruction algorithm integration. Full article
Show Figures

Figure 1

30 pages, 1663 KB  
Article
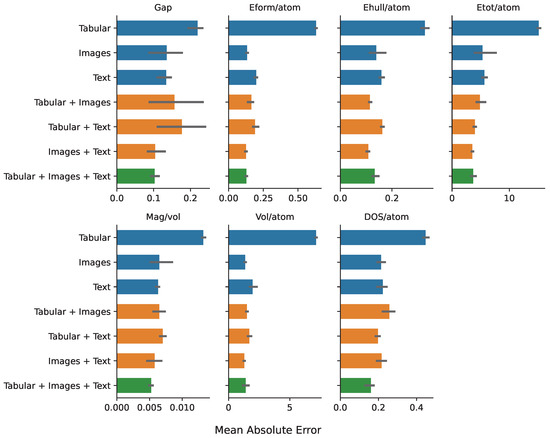
Deep Learning-Driven Integration of Multimodal Data for Material Property Predictions
by Vítor Costa, José Manuel Oliveira and Patrícia Ramos
Computation 2025, 13(12), 282; https://doi.org/10.3390/computation13120282 - 1 Dec 2025
Viewed by 458
Abstract
Advancements in deep learning have revolutionized materials discovery by enabling predictive modeling of complex material properties. However, single-modal approaches often fail to capture the intricate interplay of compositional, structural, and morphological characteristics. This study introduces a novel multimodal deep learning framework for enhanced [...] Read more.
Advancements in deep learning have revolutionized materials discovery by enabling predictive modeling of complex material properties. However, single-modal approaches often fail to capture the intricate interplay of compositional, structural, and morphological characteristics. This study introduces a novel multimodal deep learning framework for enhanced material property prediction, integrating textual (chemical compositions), tabular (structural descriptors), and image-based (2D crystal structure visualizations) modalities. Utilizing the Alexandriadatabase, we construct a comprehensive multimodal dataset of 10,000 materials with symmetry-resolved crystallographic data. Specialized neural architectures, such as FT-Transformer for tabular data, Hugging Face Electra-based model for text, and TIMM-based MetaFormer for images, generate modality-specific embeddings, fused through a hybrid strategy into a unified latent space. The framework predicts seven critical material properties, including electronic (band gap, density of states), thermodynamic (formation energy, energy above hull, total energy), magnetic (magnetic moment per volume), and volumetric (volume per atom) features, many governed by crystallographic symmetry. Experimental results demonstrated that multimodal fusion significantly outperforms unimodal baselines. Notably, the bimodal integration of image and text data showed significant gains, reducing the Mean Absolute Error for band gap by approximately 22.7% and for volume per atom by 22.4% compared to the average unimodal models. This combination also achieved a 28.4% reduction in Root Mean Squared Error for formation energy. The full trimodal model (tabular + images + text) yielded competitive, and in several cases the lowest, error metrics, particularly for band gap, magnetic moment per volume and density of states per atom, confirming the value of integrating all three modalities. This scalable, modular framework advances materials informatics, offering a powerful tool for data-driven materials discovery and design. Full article
Show Figures

Figure 1

20 pages, 13220 KB  
Article
Prioritization Model for the Location of Temporary Points of Distribution for Disaster Response
by María Fernanda Carnero Quispe, Miguel Antonio Daza Moscoso, Jose Manuel Cardenas Medina, Ana Ysabel Polanco Aguilar, Irineu de Brito Junior and Hugo Tsugunobu Yoshida Yoshizaki
Logistics 2025, 9(4), 174; https://doi.org/10.3390/logistics9040174 - 29 Nov 2025
Viewed by 297
Abstract
Background: Disasters generate abrupt surges in humanitarian demand, requiring response strategies that balance operational performance with vulnerability considerations. This study examines how temporary Points of Distribution (PODs) can be planned and activated to support timely and equitable resource distribution after a high-magnitude earthquake. [...] Read more.
Background: Disasters generate abrupt surges in humanitarian demand, requiring response strategies that balance operational performance with vulnerability considerations. This study examines how temporary Points of Distribution (PODs) can be planned and activated to support timely and equitable resource distribution after a high-magnitude earthquake. Methods: A two-stage framework is proposed. First, a modular p-median model identifies POD locations and allocates modular capacity to minimize population-weighted distance under capacity constraints; travel-distance percentiles guide the selection of p. Second, a SMART-based multi-criteria model ranks facilities using operational metrics and vulnerability indicators, including seismic and economic conditions and the presence of at-risk groups. Results: Evaluation of p values from 3 to 30 shows substantial reductions in travel distances as PODs increase, with an elbow at p=12, where 50% of the residents are within 500 m, 75% within 675 m, and 95% within 1200 m. The SMART analysis forms three priority clusters: facilities 24 and 9 as highest priority; 23, 4, 12, and 22 as medium priority; and the remaining sites as lower priority. Sensitivity analysis shows that rankings are responsive to vulnerability weights, although clusters remain stable. Conclusions: The framework integrates optimization and multi-criteria decision analysis without increasing model complexity, enabling meaningful decision-maker involvement throughout the modeling process. Full article
(This article belongs to the Section Humanitarian and Healthcare Logistics)
Show Figures

Figure 1

28 pages, 5232 KB  
Article
A GPS-Integrated IoT Framework for Real-Time Monitoring of Prefabricated Building Modules During Transportation
by Saeid Metvaei, Alireza Rahimi, Hung Cao, Sang Jun Ahn and Zhen Lei
Buildings 2025, 15(23), 4242; https://doi.org/10.3390/buildings15234242 - 24 Nov 2025
Viewed by 383
Abstract
The transportation phase in off-site construction subjects prefabricated modules to road-induced vibrations, shocks, and handling loads that can degrade structural integrity. Existing monitoring approaches often rely on local data loggers, which not only lack real-time visibility but also fail to link structural responses [...] Read more.
The transportation phase in off-site construction subjects prefabricated modules to road-induced vibrations, shocks, and handling loads that can degrade structural integrity. Existing monitoring approaches often rely on local data loggers, which not only lack real-time visibility but also fail to link structural responses to their precise spatial and temporal context. To address this gap, this study proposes a GPS-integrated Internet of Things (IoT) framework for real-time monitoring of prefabricated modules during transit. The system comprises distributed inertial sensing nodes wirelessly connected to a central gateway, which aggregates and transmits synchronized sensor and GPS data to a cloud platform for analysis and visualization. Field validation demonstrated stable multi-node data acquisition with sufficient battery life to support extended monitoring under LTE connectivity. The framework supports dual-stream analytics: (i) time- and frequency-domain assessment of structural exposure using peak acceleration, RMS, and FFT metrics, and (ii) causal inference of road events (e.g., potholes, bumps, sharp turns). Vertical acceleration emerged as the most responsive diagnostic channel for capturing road-induced excitations, while gyroscope-derived motion profiles distinguish between driver maneuvers and road irregularities. Through seamless integration of structural and geospatial data in a scalable, low-cost system, this framework enables actionable insights for route planning, condition-based inspection, and improved logistics management in modular construction. Full article
Show Figures

Figure 1

20 pages, 2272 KB  
Article
Two-Disjoint-Cycle-Cover Pancyclicity of Dragonfly Networks
by Zengxian Tian and Guanlin He
Mathematics 2025, 13(23), 3736; https://doi.org/10.3390/math13233736 - 21 Nov 2025
Viewed by 248
Abstract
Interconnection networks (often modeled as graphs) are critical for high-performance computing systems, as they have significant impact on performance metrics like latency and bandwidth. The dragonfly network, denoted as D(n,r), is a promising topology owing to its [...] Read more.
Interconnection networks (often modeled as graphs) are critical for high-performance computing systems, as they have significant impact on performance metrics like latency and bandwidth. The dragonfly network, denoted as D(n,r), is a promising topology owing to its modularity, low diameter, and cost-effectiveness. Ensuring reliability and efficiency in these networks requires robust cycle embedding properties. The two-disjoint-cycle-cover pancyclicity ensures that the network can be partitioned into two vertex-disjoint cycles of any feasible length. This suggests potential advantages for improving fault tolerance and load balancing strategies in interconnection networks. Formally, a graph G is called two-disjoint-cycle-cover [a1,a2]-pancyclic if for any integer satisfying a1𝓁a2, there exist two vertex-disjoint cycles C1 and C2 in G such that |V(C1)|=𝓁 and |V(C2)|=|V(G)|𝓁. While prior work has established Hamiltonicity and pancyclicity for D(n,r), the two-disjoint-cycle-cover problem remains unexplored. This paper fills this gap by proving that D(n,r) is two-disjoint-cycle-cover [3,|V(D(n,r))|2]-pancyclic with n3 and r2, generalizing existing knowledge. Moreover, it can be obtained that D(n,r) is vertex-disjoint-cycle-coverable. Our proof employs a constructive method with case analysis, ensuring the existence of such cycles. Full article
(This article belongs to the Section E1: Mathematics and Computer Science)
Show Figures

Figure 1

22 pages, 3660 KB  
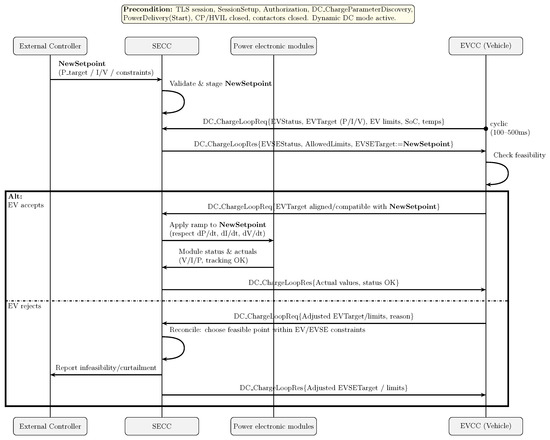
Article
Enabling Grid Services with Bidirectional EV Chargers: A Comparative Analysis of CCS2 and CHAdeMO Response Dynamics
by Kristoffer Laust Pedersen, Rasmus Meier Knudsen, Mattia Marinelli, Mattia Secchi and Kristian Sevdari
World Electr. Veh. J. 2025, 16(11), 636; https://doi.org/10.3390/wevj16110636 - 20 Nov 2025
Viewed by 648
Abstract
Bidirectional electric vehicle (EV) charging represents an opportunity to leverage EVs as flexible energy assets within the power system. By enabling controlled power flow in both directions, bidirectional charging unlocks a wide range of grid services, thereby enhancing grid stability as the energy [...] Read more.
Bidirectional electric vehicle (EV) charging represents an opportunity to leverage EVs as flexible energy assets within the power system. By enabling controlled power flow in both directions, bidirectional charging unlocks a wide range of grid services, thereby enhancing grid stability as the energy sector decarbonizes. This paper presents a comprehensive experimental evaluation of bidirectional charging systems (EVCS), focusing on response dynamics and controllability delays critical for grid services. A real ISO 15118–20–enabled EV and an EV emulator were used to conduct tests across configurations, utilizing the Watt & Well 22 kW bidirectional charging bay. The study compares CCS2 and CHAdeMO protocols under varying configuration conditions. Results show that modern chargers achieve sub-second responsiveness, with local communication delays typically below 0.4 s and ramping times around 0.5 s. However, power flow reversals introduce an additional delay of approximately 1 s. These updated controllability metrics are essential for validating bidirectional charging in time-critical applications such as primary frequency regulation. The findings highlight the influence of voltage level and modular configuration on dynamic performance, underscoring the need to integrate external control path delays for full-stack validation. This work provides a foundation for modeling and deploying bidirectional EVCS in fast-response grid services. Full article
Show Figures

Figure 1

44 pages, 2511 KB  
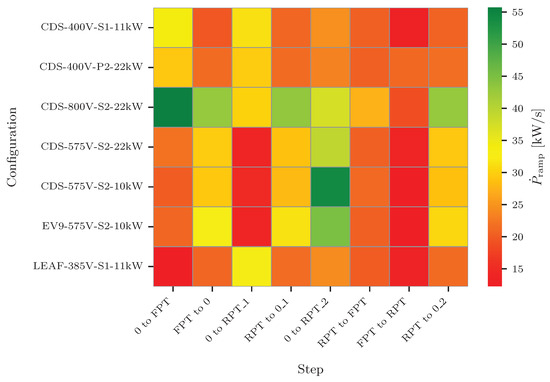
Article
Design Scenarios and Risk-Aware Performance Framework for Modular EV Fast Charging Stations
by Vasilena Adamova, Stoyan Popov, Silvia Baeva and Nikolay Hinov
Energies 2025, 18(22), 6043; https://doi.org/10.3390/en18226043 - 19 Nov 2025
Viewed by 366
Abstract
The rapid growth of electric vehicles (EVs) requires the deployment of modular fast charging stations that balance charging performance, grid limitations, and investment costs. This study develops design scenarios for modular EV fast charging stations and introduces a risk-aware performance analysis framework under [...] Read more.
The rapid growth of electric vehicles (EVs) requires the deployment of modular fast charging stations that balance charging performance, grid limitations, and investment costs. This study develops design scenarios for modular EV fast charging stations and introduces a risk-aware performance analysis framework under power and grid quality constraints. A simulation-based approach evaluates 286 station configurations with ten charging outlets (20–50 kW), grouped into 16 representative classes based on three key dimensions: total installed power, dominant charger type, and peak load risk. Performance metrics such as efficiency of charger utilization, load factor, and overload risk are used to construct Pareto frontiers and identify optimal trade-offs between capacity and operational safety. Results indicate that medium-power configurations (251–350 kW) achieve the best compromise between efficiency (>82%) and load factor (>50%) without exceeding safe operating limits, while high-power configurations enable maximum throughput at the expense of elevated overload risk. Sensitivity analysis confirms the robustness of the proposed grouping approach under variations in arrival rates, battery sizes, and grid constraints (400–600 kW). The findings provide practical insights into the design and risk management of modular charging stations, supporting urban planners and power engineers in developing efficient and reliable EV charging infrastructure. Full article
(This article belongs to the Special Issue Power Electronics and Power Quality 2025)
Show Figures

Figure 1

24 pages, 11339 KB  
Article
A Simulation Modeling of Temporal Multimodality in Online Streams
by Abdurrahman Alshareef
Information 2025, 16(11), 999; https://doi.org/10.3390/info16110999 - 18 Nov 2025
Viewed by 302
Abstract
Temporal variability in online streams arises in information systems where heterogeneous modalities exhibit varying latencies and delay distributions. Efficient synchronization strategies help to establish a reliable flow and ensure a correct delivery. This work establishes a formal modeling foundation for addressing temporal dynamics [...] Read more.
Temporal variability in online streams arises in information systems where heterogeneous modalities exhibit varying latencies and delay distributions. Efficient synchronization strategies help to establish a reliable flow and ensure a correct delivery. This work establishes a formal modeling foundation for addressing temporal dynamics in streams with multimodality using a discrete-event system specification framework. This specification captures different latencies and interarrival dynamics inherent in multimodal flows. The framework also incorporates a Markov variant to account for variations in delay processes, thereby capturing timing uncertainty in a single modality. The proposed models are modular, with built-in mechanisms for diverse temporal integration, thereby facilitating heterogeneity in information flows and communication. Various structural and behavioral forms can be flexibly represented and readily simulated. The devised experiments demonstrate, across several model permutations, the time-series behavior of individual stream components and the overall composed system, highlighting performance metrics in both, quantifying composability and modular effects, and incorporating learnability into the simulation of multimodal streams. The primary motivation of this work is to enhance the degree of fitting within formal simulation frameworks and to enable adaptive, learnable distribution modeling in multimodal settings that combine synthetic and real input data. We demonstrate the resulting errors and degradation when replacing real sensor data with synthetic inputs at different dropping probabilities. Full article
Show Figures

Graphical abstract

30 pages, 9658 KB  
Article
Data-Driven, Real-Time Diagnostics of 5G and Wi-Fi Networks Using Mobile Robotics
by William O’Brien, Adam Dooley, Mihai Penica, Sean McGrath and Eoin O’Connell
J. Sens. Actuator Netw. 2025, 14(6), 110; https://doi.org/10.3390/jsan14060110 - 17 Nov 2025
Viewed by 900
Abstract
Wireless connectivity plays a pivotal role in enabling real-time telemetry, sensor feedback, and autonomous navigation within Industry 4.0 environments. This paper presents a ROS 2-based mobile robotic platform designed to perform real-time network diagnostics across both private 5G and Wi-Fi technologies in a [...] Read more.
Wireless connectivity plays a pivotal role in enabling real-time telemetry, sensor feedback, and autonomous navigation within Industry 4.0 environments. This paper presents a ROS 2-based mobile robotic platform designed to perform real-time network diagnostics across both private 5G and Wi-Fi technologies in a live smart manufacturing testbed. The system integrates high-frequency telemetry acquisition with spatial localization, multi-protocol connection analysis, and detailed performance monitoring. Metrics such as latency, packet loss, bandwidth, and IIoT (Industrial Internet of Things) data stream health are continuously logged and analysed. Telemetry is captured during motion and synchronously stored in an InfluxDB time-series database, enabling live visualization through Grafana dashboards. A key feature of the platform is its dual-path transmission architecture, which provides communication redundancy and allows side-by-side evaluation of network behaviour under identical physical conditions. Experimental trials demonstrate the platform’s ability to detect roaming events, characterize packet loss, and reveal latency differences between Wi-Fi and 5G networks. Results show that Wi-Fi suffered from roaming-induced instability and packet loss, whereas 5G maintained stable and uninterrupted connectivity throughout the test area. This work introduces a modular, extensible framework for mobile network evaluation in industrial settings and provides practical insights for infrastructure tuning, protocol selection, and wireless fault detection. Full article
Show Figures

Figure 1

40 pages, 11595 KB  
Article
An Automated Workflow for Generating 3D Solids from Indoor Point Clouds in a Cadastral Context
by Zihan Chen, Frédéric Hubert, Christian Larouche, Jacynthe Pouliot and Philippe Girard
ISPRS Int. J. Geo-Inf. 2025, 14(11), 429; https://doi.org/10.3390/ijgi14110429 - 31 Oct 2025
Viewed by 934
Abstract
Accurate volumetric modeling of indoor spaces is essential for emerging 3D cadastral systems, yet existing workflows often rely on manual intervention or produce surface-only models, limiting precision and scalability. This study proposes and validates an integrated, largely automated workflow (named VERTICAL) that converts [...] Read more.
Accurate volumetric modeling of indoor spaces is essential for emerging 3D cadastral systems, yet existing workflows often rely on manual intervention or produce surface-only models, limiting precision and scalability. This study proposes and validates an integrated, largely automated workflow (named VERTICAL) that converts classified indoor point clouds into topologically consistent 3D solids served as materials for land surveyor’s cadastral analysis. The approach sequentially combines RANSAC-based plane detection, polygonal mesh reconstruction, mesh optimization stage that merges coplanar faces, repairs non-manifold edges, and regularizes boundaries and planar faces prior to CAD-based solid generation, ensuring closed and geometrically valid solids. These modules are linked through a modular prototype (called P2M) with a web-based interface and parameterized batch processing. The workflow was tested on two condominium datasets representing a range of spatial complexities, from simple orthogonal rooms to irregular interiors with multiple ceiling levels, sloped roofs, and internal columns. Qualitative evaluation ensured visual plausibility, while quantitative assessment against survey-grade reference models measured geometric fidelity. Across eight representative rooms, models meeting qualitative criteria achieved accuracies exceeding 97% for key metrics including surface area, volume, and ceiling geometry, with a height RMSE around 0.01 m. Compared with existing automated modeling solutions, the proposed workflow has the ability of dealing with complex geometries and has comparable accuracy results. These results demonstrate the workflow’s capability to produce topologically consistent solids with high geometric accuracy, supporting both boundary delineation and volume calculation. The modular, interoperable design enables integration with CAD environments, offering a practical pathway toward an automated and reliable core of 3D modeling for cadastre applications. Full article
Show Figures

Figure 1

Back to TopTop