Due to scheduled maintenance work on our servers, there may be short service disruptions on this website between 11:00 and 12:00 CEST on March 28th.
Sign in to use this feature.

Years

Between: -

Subjects

remove_circle_outline
remove_circle_outline
remove_circle_outline
remove_circle_outline
remove_circle_outline
remove_circle_outline
remove_circle_outline
remove_circle_outline
remove_circle_outline

Journals

Article Types

Countries / Regions

Search Results (112)

Search Parameters:
Keywords = green mining performance

Order results
Result details
Results per page
Select all
Export citation of selected articles as:
22 pages, 3504 KB  
Article
Pinus sylvestris L. in Urban Forests of a Pollution Hotspot in Kazakhstan: Needle Phytochemistry, Bioactive Potential, and Implications for Phytoremediation
by Vladimir Kazantsev, Irina Losseva, Dmitriy Khrustalev, Artyom Savelyev, Azamat Yedrissov and Anastassiya Khrustaleva
Forests 2026, 17(3), 391; https://doi.org/10.3390/f17030391 - 22 Mar 2026
Viewed by 87
Abstract
(1) Research Highlights: This study provides the first integrated assessment of Scots pine (Pinus sylvestris L.) growing in the urban forests of Karaganda, Kazakhstan, a city consistently ranked among the most air-polluted cities globally. We examined the adaptive phyto-chemical response of needles [...] Read more.
(1) Research Highlights: This study provides the first integrated assessment of Scots pine (Pinus sylvestris L.) growing in the urban forests of Karaganda, Kazakhstan, a city consistently ranked among the most air-polluted cities globally. We examined the adaptive phyto-chemical response of needles to extreme technogenic stress and evaluated their dual potential as biological filters and renewable sources of bioactive compounds. (2) Background and Objectives: Urban forests are critical for mitigating air pollution; however, the biochemical responses of trees in heavily industrialized environments remain poorly understood. Karaganda faces severe atmospheric pollution from mining, metallurgy, and energy sectors, with particulate matter (PM) levels exceeding permissible limits by up to 20-fold. This study aimed to evaluate the state of Pinus sylvestris, a key component of local protective plantations, by studying heavy metal accumulation, anatomical localization of secondary metabolites, and the phytochemical profile and biological activity of needle extracts obtained using different extraction techniques. (3) Materials and Methods: Needles were collected from 15 trees across three sites in Karaganda’s industrial green zones. Heavy metal content (Pb, Cd, As, and Hg) was determined using atomic absorption spectroscopy and voltammetry. Anatomical–histochemical analysis localizes major metabolite classes. Liquid extracts were prepared using four methods, percolation (PER), vortex-assisted (VAE), microwave-assisted (MAE), and ultrasound-assisted (UAE) extraction, and analyzed by GC-MS. Antimicrobial activity was tested against S. aureus, B. subtilis, E. coli, and C. albicans using the disk diffusion method. The antioxidant capacity (water- and fat-soluble) was measured amperometrically. Statistical analysis was performed using one-way ANOVA with Tukey’s HSD test (p < 0.05). Results: Despite extreme ambient pollution, heavy metal concentrations remained below pharmacopoeial limits (Pb < 0.1, Cd < 0.05, As < 0.01, Hg < 0.001 mg/kg), indicating effective biofiltration without toxic accumulation. Histochemistry confirmed the active synthesis of protective phenolics, flavonoids, and essential oils in the mesophyll, epidermis, and schizogenic cavities. GC-MS identified 72 compounds in the PER extract, 70 (the VAE), 72 in (MAE), and 46 in (UAE). The PER extract exhibited the highest relative abundance of bioactive terpenoids: α-cadinol (5.24%), α-muurolene (4.32%), and caryo-phyllene (2.20%). UAE extracts exhibited elevated 5-hydroxymethylfurfural (6.90%), indicating degradation. Antimicrobial testing revealed that PER produced the largest inhibition zone against S. aureus (15.0 ± 1.0 mm), significantly exceeding that of the other methods (p < 0.001). PER extract also demonstrated the highest water-soluble antioxidant capacity (3600 ± 0.40 mg quercetin equiv./dm3) and substantial fat-soluble activity (1633 ± 0.23 mg gallic acid equiv./dm3). (4) Conclusions: Pinus sylvestris in Karaganda exhibits remarkable adaptive resilience, maintaining safe heavy metal levels while accumulating a rich repertoire of stress-induced secondary metabolites. Classical percolation optimally preserves this native phytocomplex, yielding extracts with superior antimicrobial and antioxidant properties. These findings support a dual-use model wherein urban pine plantations simultaneously serve as living biofilters and renewable sources of standardized bioactive extracts, a concept with direct implications for circular bioeconomy strategies in industrial regions worldwide. This supports the strategic importance of coniferous plantations for bioremediation and sustainable resource use in industrial regions. Full article
(This article belongs to the Section Forest Ecology and Management)
Show Figures

Graphical abstract

23 pages, 10309 KB  
Article
High-Efficiency Integrated Technology System for Longwall Paste Backfilling Mining: Development, Validation, and Economic Feasibility
by Guangyuan Song, Yu Zhang, Yidong Zhang, Zexin Li, Wanzi Yan and Shaobo Sun
Sustainability 2026, 18(6), 2996; https://doi.org/10.3390/su18062996 - 18 Mar 2026
Viewed by 133
Abstract
Longwall paste backfilling mining is a core sustainable green mining technology for coal resources under buildings, railways and water bodies (BRW), yet its large-scale application is severely restricted by the sequential mining–isolation–backfilling–curing operation mode that causes low production efficiency and poor economic feasibility, [...] Read more.
Longwall paste backfilling mining is a core sustainable green mining technology for coal resources under buildings, railways and water bodies (BRW), yet its large-scale application is severely restricted by the sequential mining–isolation–backfilling–curing operation mode that causes low production efficiency and poor economic feasibility, which hinders the sustainable exploitation of BRW coal reserves and the ecological protection of mining areas. Taking the E1302-B paste backfilling face of Gaohe Coal Mine as the engineering background, this study systematically identified the key efficiency-restricting factors considering the face’s complex geological conditions (maximum roof–floor undulation 300 mm, 72.6% of roof–floor dip angle >1° and irregular cross-section), including low isolation efficiency, cumbersome backfilling process, prolonged paste curing time and insufficient system operation controllability. Technological innovations were carried out from four core dimensions: high-efficiency isolation, high-efficiency backfilling, accelerated curing and intelligent safety control, and a high-efficiency integrated technology system for longwall paste backfilling mining was thus formed, which realizes the synergistic improvement of mining efficiency, economic benefits and sustainability performance. Industrial test validation demonstrated that the technical system significantly boosts the efficiency of isolation, backfilling and solidification in the backfill mining cycle, cutting the time of a single backfill mining operation cycle by 57%. The annual production capacity of the E1302-B face was increased to 0.81 Mt, with a comprehensive backfilling mining cost of 466.63 CNY/t, an annual economic benefit of 108.03 million CNY and a static investment return rate of 48.96%. The E1306 face achieved an even higher annual production capacity of 1.12 Mt with a static investment return rate of 74.94%. This technology system effectively breaks the efficiency and economic bottlenecks of traditional longwall paste backfilling mining, realizes the dual improvement of backfilling mining efficiency and economic benefits, and further releases the ecological, resource and economic sustainability value of paste backfilling mining. It provides technical support and practical approaches for the large-scale application of longwall paste backfilling mining, and lays a solid foundation for the sustainable development of the coal industry under the dual-carbon goal, especially for the balanced development of coal resource exploitation and mining area ecological protection. Full article
(This article belongs to the Section Energy Sustainability)
Show Figures

Figure 1

25 pages, 518 KB  
Article
The Impact of Environmental Tax on Corporate Digital Transformation: Evidence from Chinese Listed Companies
by Chang Cai and Rui Sun
Sustainability 2026, 18(5), 2431; https://doi.org/10.3390/su18052431 - 3 Mar 2026
Viewed by 248
Abstract
Environmental tax is a key market-based instrument for promoting sustainability and reshaping corporate strategy. Using the panel data of Chinese listed firms from 2010 to 2023, this study employs text mining to measure digital transformation and examines the impact of environmental tax on [...] Read more.
Environmental tax is a key market-based instrument for promoting sustainability and reshaping corporate strategy. Using the panel data of Chinese listed firms from 2010 to 2023, this study employs text mining to measure digital transformation and examines the impact of environmental tax on corporate digitalization. The results show that environmental tax significantly promotes digital transformation. The mechanism analyses reveal that green technology innovation and ESG performance serve as important transmission channels. Furthermore, the effect is positively moderated by regional marketization, environmental information disclosure, and low-carbon city policies. The heterogeneity analyses indicate stronger effects in economically developed regions and firms with greater resource endowments. The additional analysis demonstrates that environmental tax enhances both total factor productivity and green governance performance through accelerating digital transformation, achieving a synergistic green–digital transition. This study provides empirical evidence on how market-based environmental policies can foster corporate digital transformation as a pathway toward sustainable development. Full article
(This article belongs to the Section Economic and Business Aspects of Sustainability)
Show Figures

Figure 1

23 pages, 4471 KB  
Article
Experimental Investigation on the Performance of Full Tailings Cemented Backfill Material in a Lead–Zinc Mine Based on Mechanical Testing
by Ning Yang, Renze Ou, Ruosong Bu, Daoyuan Sun, Fang Yan, Hongwei Wang, Qi Liu, Mingdong Tang and Xiaohui Li
Materials 2026, 19(2), 351; https://doi.org/10.3390/ma19020351 - 15 Jan 2026
Viewed by 380
Abstract
With the increasing requirements for “Green Mine” construction, Cemented Tailings Backfill (CTB) has emerged as the preferred strategy for solid waste management and ground pressure control in underground metal mines. However, full tailings, characterized by wide particle size distribution and high fine-grained content, [...] Read more.
With the increasing requirements for “Green Mine” construction, Cemented Tailings Backfill (CTB) has emerged as the preferred strategy for solid waste management and ground pressure control in underground metal mines. However, full tailings, characterized by wide particle size distribution and high fine-grained content, exhibit complex physicochemical properties that lead to significant non-linear behavior in slurry rheology and strength evolution, posing challenges for accurate prediction using traditional empirical formulas. Addressing the issues of significant strength fluctuations and difficulties in mix proportion optimization in a specific lead–zinc mine, this study systematically conducted physicochemical characterizations, slurry sedimentation and transport performance evaluations, and mechanical strength tests. Through multi-factor coupling experiments, the synergistic effects of cement type, cement-to-tailings (c/t) ratio, slurry concentration, and curing age on backfill performance were elucidated. Quantitative results indicate that solids mass concentration is the critical factor determining transportability. Concentrations exceeding 68% effectively mitigate segregation and stratification during the filling process while maintaining optimal fluidity. Regarding mechanical properties, the c/t ratio and concentration show a significant positive correlation with Uniaxial Compressive Strength (UCS). For instance, with a 74% concentration and 1:4 c/t ratio, the 3-day strength increased by 1.4 times compared to the 68% concentration, with this increment expanding to 2.0 times by 28 days. Furthermore, a comparative analysis of four cement types revealed that 42.5# cement offers superior techno-economic indicators in terms of reducing binder consumption and enhancing early-age strength. This research not only establishes an optimized mix proportion scheme tailored to the operational requirements of the lead–zinc mine but also provides a quantitative scientific basis and theoretical framework for the material design and safe production of CTB systems incorporating high fine-grained full tailings. Full article
(This article belongs to the Special Issue Advances in Sustainable Construction Materials, Third Edition)
Show Figures

Figure 1

25 pages, 570 KB  
Article
Digital Supply Chain Integration and Sustainable Performance: Unlocking the Green Value of Data Empowerment in Resource-Intensive Sectors
by Wanhong Li, Di Liu, Yuqing Zhan and Na Li
J. Theor. Appl. Electron. Commer. Res. 2026, 21(1), 38; https://doi.org/10.3390/jtaer21010038 - 14 Jan 2026
Viewed by 706
Abstract
In the rapidly evolving digital economy, the expansion of business-to-business e-commerce ecosystems has compelled traditional industries to integrate into digital supply chains to achieve sustainable development. Industrial e-commerce is no longer limited to online transactions but extends to the digital transformation of backend [...] Read more.
In the rapidly evolving digital economy, the expansion of business-to-business e-commerce ecosystems has compelled traditional industries to integrate into digital supply chains to achieve sustainable development. Industrial e-commerce is no longer limited to online transactions but extends to the digital transformation of backend operations. Drawing upon the perspective of the digital business ecosystem, this study investigates how digital supply chain integration, manifested through digital transformation, impacts energy efficiency. By utilizing a panel fixed effects model and advanced text mining techniques on a dataset of 721 listed firms in the resource-intensive sectors of China spanning from 2011 to 2023, this research constructs a novel index to quantify corporate digital maturity based on semantic analysis. The empirical results demonstrate that digital transformation significantly enhances energy efficiency by facilitating optimized resource allocation and data-driven decision making required by modern digital markets. Mechanism analysis reveals that green innovation functions as a pivotal mediator that bridges the gap between digital investments and environmental performance. Furthermore, this relationship is found to be contingent upon corporate social responsibility strategies, ownership structures, and the scale of the firm. This study contributes to the electronic commerce literature by elucidating how traditional manufacturers can leverage digital technologies and green innovation to navigate the twin transition of digitalization and sustainability, offering theoretical implications for platform governance in industrial sectors. Full article
Show Figures

Figure 1

16 pages, 4119 KB  
Article
Bacteria-Loaded Biochar for Cadmium Immobilization in Aqueous Solutions: Performance and Mechanisms
by Fanfan Ju, Yuyong Wu, Guilei Han, Dajin Liu, Yang Wang, Shaohua Zhang, Kai Yang, Chao Yang and Xinxin Zhao
Catalysts 2026, 16(1), 19; https://doi.org/10.3390/catal16010019 - 26 Dec 2025
Viewed by 854
Abstract
The effective remediation of cadmium (Cd) pollution continues to pose a significant challenge in environmental science. Bacteria-loaded biochar (BLBC), a composite material synthesized by immobilizing functional microorganisms onto biochar, has emerged as a promising adsorbent for Cd due to its ability to simultaneously [...] Read more.
The effective remediation of cadmium (Cd) pollution continues to pose a significant challenge in environmental science. Bacteria-loaded biochar (BLBC), a composite material synthesized by immobilizing functional microorganisms onto biochar, has emerged as a promising adsorbent for Cd due to its ability to simultaneously facilitate adsorption and biodegradation. In this study, a manganese (Mn)-oxidizing bacterium (Priestia sp. Z-MLHA-1), isolated from a high-manganese mining area, was successfully used to prepare BLBC. The Cd(II) immobilization performance and underlying mechanisms were systematically investigated. The results showed that bacterial loading significantly optimized the pore structure of the biochar, increasing its specific surface area by 40% and enriching the diversity of surface functional groups. Adsorption experiments demonstrated a strong affinity of BLBC for Cd(II), with a maximum adsorption capacity of 44.17 mg/g. The adsorption behavior followed the Langmuir isotherm and pseudo-second-order kinetic models, indicating a monolayer process dominated by chemisorption. The primary immobilization mechanisms involved complexation with surface oxygen-containing functional groups (e.g., −COOH, −OH), ion exchange, and a synergistic effect between the biochar and the immobilized microorganisms. This material enables efficient Cd(II) removal under environmentally benign conditions, thereby providing a theoretical foundation and technical support for the development of green and sustainable remediation technologies for heavy metal-contaminated water. Full article
(This article belongs to the Section Environmental Catalysis)
Show Figures

Figure 1

18 pages, 5512 KB  
Article
Development and Application of Online Rapid Monitoring Devices for Volatile Organic Compounds in Soil–Water–Air Systems
by Xiujuan Feng, Haotong Guo, Jing Yang, Chengliang Dong, Fuzhong Zhao and Shaozhong Cheng
Chemosensors 2025, 13(12), 427; https://doi.org/10.3390/chemosensors13120427 - 9 Dec 2025
Viewed by 629
Abstract
To overcome the limitations of lengthy laboratory testing cycles and insufficient on-site responsiveness, this study developed an online rapid monitoring device for volatile organic compounds (VOCs) in soil–water–air systems based on photoionization detection (PID) technology. The device integrates modular sensor units, incorporates an [...] Read more.
To overcome the limitations of lengthy laboratory testing cycles and insufficient on-site responsiveness, this study developed an online rapid monitoring device for volatile organic compounds (VOCs) in soil–water–air systems based on photoionization detection (PID) technology. The device integrates modular sensor units, incorporates an electromagnetic valve-controlled multi-medium adaptive switching system, and employs an internal heating module to enhance the volatilization efficiency of VOCs in water and soil samples. An integrated system was developed featuring “front-end intelligent data acquisition–network collaborative transmission–cloud-based warning and analysis”. The effects of different temperatures on the monitoring performance were investigated to verify the reliability of the designed system. A polynomial fitting model between concentration and voltage was established, showing a strong correlation (R2 > 0.97), demonstrating its applicability for VOC detection in environmental samples. Field application results indicate that the equipment has operated stably for nearly three years in a mining area of Shandong Province and an industrial park in Anhui Province, accumulating over 600,000 valid data points. These results demonstrate excellent measurement consistency, long-term operational stability, and reliable data acquisition under complex outdoor conditions. The research provides a distributed, low-power, real-time monitoring solution for VOC pollution control in mining and industrial environments. It also offers significant demonstration value for standardizing on-site emergency monitoring technologies in multi-media environments and promoting the development of green mining practices. Full article
Show Figures

Figure 1

18 pages, 5228 KB  
Article
Optimized Green Cut-and-Fill Mining Method for Subsidence Control and Material Self-Sufficiency
by Lixin Wang, Qingheng Gu, Xinying Song, Naiqiang Zhao, Xuesheng Liu, Weiyao Guo and Changxiang Wang
Appl. Sci. 2025, 15(24), 12923; https://doi.org/10.3390/app152412923 - 8 Dec 2025
Viewed by 318
Abstract
In the face of the urgent need for sustainable practices in the coal industry, we propose a novel green cut-and-fill mining method aimed at achieving material self-sufficiency and mitigating overburden subsidence. This method leverages the goaf roof as an in situ filling material, [...] Read more.
In the face of the urgent need for sustainable practices in the coal industry, we propose a novel green cut-and-fill mining method aimed at achieving material self-sufficiency and mitigating overburden subsidence. This method leverages the goaf roof as an in situ filling material, integrating long-wall caving mining efficiency with partial filling techniques. Through laboratory analog material modeling, numerical simulations, and structural mechanics modeling, we compare the performance of cut-and-fill mining and traditional caving mining methods. The results show that the cut-and-fill method offers more uniform and controlled deformation behavior. Specifically, vertical and horizontal displacements along 40 m survey lines are significantly reduced, with a maximum reduction on the order of millimeters, compared to caving mining. Furthermore, the floor stress concentration coefficient is lower, and the total number of fractures decreases, with shear fractures reduced by 8.8% and tensile fractures reduced by 66.9%. The gangue column in the cut-and-fill method effectively supports the goaf roof, preventing fracture formation and extending the deformation time. The results demonstrate the effectiveness of the cut-and-fill method for subsidence control, suggesting its potential for achieving green and sustainable coal mining practices. Full article
(This article belongs to the Special Issue Advanced Technologies in Intelligent and Sustainable Coal Mining)
Show Figures

Figure 1

18 pages, 2359 KB  
Article
Preparation Process and Performance of Mineral Admixtures Derived from High-Sulfur Lead-Zinc Tailings
by Mengyuan Li, Mingshan Gong, Hangkong Li, Lijie Guo, Zhong Li, Xin Guo, Yanying Yin and Tingting Ren
Minerals 2025, 15(12), 1256; https://doi.org/10.3390/min15121256 - 27 Nov 2025
Viewed by 464
Abstract
The large-scale accumulation of high-sulfur lead–zinc tailings poses serious environmental and safety challenges, while the increasing shortage of traditional mineral admixtures such as fly ash and slag highlights the urgent need for sustainable alternatives. This study aims to develop a high-performance mineral admixture [...] Read more.
The large-scale accumulation of high-sulfur lead–zinc tailings poses serious environmental and safety challenges, while the increasing shortage of traditional mineral admixtures such as fly ash and slag highlights the urgent need for sustainable alternatives. This study aims to develop a high-performance mineral admixture using lead–zinc tailings characterized by high SO3 content and low pozzolanic activity. The effects of four activation routes—mechanical grinding, wet magnetic separation, wet magnetic separation–mechanical grinding, and mechanical grinding–high-reactivity mineral admixture synergistic modification—were systematically compared in terms of tailings fineness, SO3 reduction, and activity index. The results indicate that single mechanical grinding can achieve the fineness requirement of Grade II admixtures specified in GB/T 1596–2017 (45 μm residue ≤ 30%), but the 28-day strength activity index only reached 58.64%, and the SO3 content remained above the standard limit. Wet magnetic separation effectively reduced the SO3 content to below 3.5%, and the combined process yielded a product with an activity index of up to 74.51%. Further improvement was achieved through a “mechanical grinding–high-reactivity mineral admixture synergistic modification” process, incorporating fly ash (FA), ground granulated blast furnace slag (GGBS), and silica fume (SF). Among these, SF exhibited the most pronounced synergistic effect. The optimal mixture, composed of 85.19% ground tailings and 14.81% SF, achieved the highest 28-day activity index of 76.35%. This process enables full utilization of tailings while maintaining a simplified flow, lower energy consumption, and superior product performance. The findings provide a feasible and efficient technological route for the high-value utilization of high-sulfur tailings and contribute to promoting green mining and sustainable resource development. Full article
(This article belongs to the Special Issue Advances in Mine Backfilling Technology and Materials, 2nd Edition)
Show Figures

Figure 1

20 pages, 9396 KB  
Article
Transfer the Sulfate Environment into a Beneficial Factor: Performance Enhancement and Mechanism of Electrolytic Manganese Residue-Based Mine Filling Materials
by Xihe Zhang, Xin Liu, Zimeng Fu, Shuchao Zhai and Xiaoming Liu
J. Compos. Sci. 2025, 9(12), 642; https://doi.org/10.3390/jcs9120642 - 25 Nov 2025
Viewed by 632
Abstract
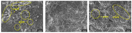
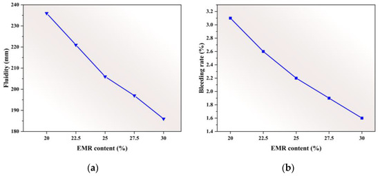
This paper presents a dual-benefit method for green and sustainable mine construction through developing filling materials using solid waste. In practical engineering applications, there are sulfate ions in mine water, which leads to performance degradation in traditional cement-based filling materials. In this paper, [...] Read more.
This paper presents a dual-benefit method for green and sustainable mine construction through developing filling materials using solid waste. In practical engineering applications, there are sulfate ions in mine water, which leads to performance degradation in traditional cement-based filling materials. In this paper, electrolytic manganese slag-based mine filling materials (EBFMs) were developed by utilizing electrolytic manganese residue (EMR), fly ash (FA), phosphorus slag (PS), and quicklime (QL). The effects of EMR content on the basic performance and the sulfate resistance of EBFM in a 5 wt.% Na2SO4 solution at different stages of erosion were extensively discussed. The results showed that when the content of EMR was 25 wt.%, EBFM showed the best basic performance and sulfate resistance among all groups. After sulfate erosion, the compressive strength increased and the porosity decreased, and the mass of the samples increased. The EBFM exhibited superior sulfate corrosion resistance at the lowest porosity (4.14%) and the highest mass change rate (5.82%) after 90 days of sulfate erosion. The corrosion resistance coefficient stabilized between 1.23 and 1.24 after 30 days of erosion. In a sulfate environment, sulfate ions contribute to promoting hydration reactions to form more hydration products, which make a denser structure. The Fe-AFt (ferrous ettringite) formed during hydration demonstrates superior stability, representing a key factor for better sulfate resistance. The EBFM transformed the presence of sulfate ions in mine water (a typically adverse condition) into a beneficial factor that enhanced the materials’ performance, thereby exhibiting excellent sulfate resistance. Full article
(This article belongs to the Section Composites Applications)
Show Figures

Graphical abstract

23 pages, 5852 KB  
Article
Performance and Microstructure Characterization of Grouting Materials for Tailings Mined-Out Area Prepared by All-Solid Waste
by Yongwei Gao, Mengya Chen, Borui Zhou, Xianhua Yao, Shiwen Liu, Yiqian Chang and Shengqiang Chen
Buildings 2025, 15(22), 4177; https://doi.org/10.3390/buildings15224177 - 19 Nov 2025
Viewed by 484
Abstract
This study aims to develop a high-performance grouting material for mine goaf backfilling, creating a green and low-carbon cementitious alternative by utilizing coal gangue and sludge as the primary precursors. Based on an orthogonal experimental design, the effects of four factors including the [...] Read more.
This study aims to develop a high-performance grouting material for mine goaf backfilling, creating a green and low-carbon cementitious alternative by utilizing coal gangue and sludge as the primary precursors. Based on an orthogonal experimental design, the effects of four factors including the coal gangue/sludge ratio, activator modulus, water–binder ratio, and sodium-to-aluminum ratio on the compressive strength of the geopolymer were systematically investigated. The mineral composition and microstructure of the geopolymer were analyzed using microscopic test methods such as XRD and SEM. The test results indicate that the water–binder ratio has the most significant effect on the polymerization performance of the coal gangue/sludge-based geopolymer (CSG), with compressive strength increasing as the water–binder ratio decreases. The Ca2+ provided by the sludge to the reaction system directly promotes the formation of new calcium-containing products such as anorthite and calcium silicate hydrate, which play an important role in improving the strength of geopolymers. Moreover, the developed CSG exhibits a significantly lower carbon footprint compared to conventional cement-based grouting materials, aligning with the goals of sustainable and green construction. When the coal gangue/sludge ratio is 7:3, the water–binder ratio is 0.3, the sodium-to-aluminum ratio is 0.64, and the activator modulus is 1.0, the 3-day compressive strength (CS) of the geopolymer reaches 34.5 MPa, demonstrating its potential as an effective and environmentally friendly grouting material for goaf applications. Full article
(This article belongs to the Section Building Materials, and Repair & Renovation)
Show Figures

Figure 1

21 pages, 1307 KB  
Article
Fintech Adoption and Credit Risk Mitigation: Evidence from Chinese Commercial Banks
by Zihua Qin and Zhaoyu Jing
Sustainability 2025, 17(22), 10294; https://doi.org/10.3390/su172210294 - 18 Nov 2025
Viewed by 2614
Abstract
The rapid proliferation of fintech has created unprecedented opportunities for enhancing bank credit-risk management and promoting financial sustainability. Using an unbalanced panel dataset of Chinese commercial banks spanning 2013–2023, we construct a bank-specific fintech index through text mining of annual reports combined with [...] Read more.
The rapid proliferation of fintech has created unprecedented opportunities for enhancing bank credit-risk management and promoting financial sustainability. Using an unbalanced panel dataset of Chinese commercial banks spanning 2013–2023, we construct a bank-specific fintech index through text mining of annual reports combined with an entropy-weighted methodology, and systematically examine the relationship between fintech adoption and credit risk. Our empirical findings reveal that fintech adoption significantly mitigates credit risk, reducing the non-performing loan ratio by an average of 0.9 percentage points. This effect is more pronounced among non-state-owned banks and in regions with less developed service sectors. Mechanism analysis further demonstrates that financial sustainability is a critical transmission mechanism: fintech mitigates credit risk by improving both cost efficiency and asset efficiency, thereby enhancing banks’ economic resilience. Additionally, we find that regional green development is a powerful moderator that significantly amplifies the risk-reducing impact of fintech. These findings offer robust empirical evidence for guiding commercial banks’ digital transformation strategies and informing regulators’ green finance policy formulation. Our results underscore the strategic importance of fintech investment in building more resilient and sustainable banking systems. Full article
Show Figures

Figure 1

25 pages, 5679 KB  
Article
Mine Emergency Rescue Capability Assessment Integrating Sustainable Development: A Combined Model Using Triple Bottom Line and Relative Difference Function
by Lu Feng, Jing Xie and Yuxian Ke
Sustainability 2025, 17(22), 9948; https://doi.org/10.3390/su17229948 - 7 Nov 2025
Cited by 1 | Viewed by 735
Abstract
Assessing Mine Emergency Rescue Capability (MERC) is critical for ensuring mining safety and advancing sustainable development. However, existing MERC assessments often lack a holistic sustainability perspective. To bridge this gap, this study develops a MERC assessment model grounded in the Triple Bottom Line [...] Read more.
Assessing Mine Emergency Rescue Capability (MERC) is critical for ensuring mining safety and advancing sustainable development. However, existing MERC assessments often lack a holistic sustainability perspective. To bridge this gap, this study develops a MERC assessment model grounded in the Triple Bottom Line (TBL) framework, integrating the relative difference function (RDF) to address the fuzziness and subjectivity in evaluation processes. A hierarchical indicator system is constructed, comprising 5 primary factors and 25 sub-indicators across environmental, economic, and social dimensions, reflecting both immediate rescue effectiveness and long-term sustainability performance. Indicator weights are derived from a hybrid approach that combines the subjective G1 method with the objective entropy weight method. RDF is employed to compute membership degrees, and the final MERC level is determined by level characteristic values. The model is validated through an empirical study of six green mines in China. Results demonstrate robust performance and consistency with alternative methods and reveal the environmental dimension as the dominant driver within the TBL framework. This finding supports the ecology-first principle of green mining and underscores the alignment of high-level emergency preparedness with sustainable development objectives. By explicitly embedding sustainability principles into safety assessment, the proposed model provides a scientifically grounded tool to guide the green transformation of the mining industry. Future work will adapt the model to diverse mining contexts and refine the indicators to better support global sustainability goals. Full article
Show Figures

Figure 1

14 pages, 1490 KB  
Article
Preconcentration of Silver from Real Mine Wastes Using Deep Eutectic Solvent-Assisted Solidified Floating Organic Drop Microextraction and Determination by Flame Atomic Absorption Spectrometry
by Barış Yıldız, Ilknur Durukan and Cem Saraç
Appl. Sci. 2025, 15(21), 11629; https://doi.org/10.3390/app152111629 - 30 Oct 2025
Viewed by 761
Abstract
Silver, a critical element in various technological and industrial sectors, is increasingly being targeted for recovery from secondary sources due to the depletion of primary reserves and the environmental impacts of traditional mining. This study presents the development and application of a novel, [...] Read more.
Silver, a critical element in various technological and industrial sectors, is increasingly being targeted for recovery from secondary sources due to the depletion of primary reserves and the environmental impacts of traditional mining. This study presents the development and application of a novel, environmentally friendly analytical method for the preconcentration and determination of silver in mining waste using deep eutectic solvents (DES) in combination with solidified floating organic drop microextraction (SFODME) and flame atomic absorption spectrometry (FAAS). Analytical performance was evaluated in terms of linearity (7.5–200 µg/L, R2 > 0.995), enhancement factor (27.9), limit of detection (2.1 µg/L), and precision (RSD ± 2.32%, n = 8). The method’s validity was further validated through interference studies, analysis of certified reference materials (recovery rates: 80–93%), and application to real mining waste and tailings collected from gold-silver mining operations in Turkey’s Aegean region. Results confirm the method’s applicability for trace-level silver analysis in complex matrices, offering significant advantages in terms of sustainability, cost-effectiveness, and analytical reliability, aligned with the principles of green chemistry and resource recovery. Full article
Show Figures

Figure 1

24 pages, 3953 KB  
Article
Biomass Additives Enhance Continuous Production of Biogenic Methane from Coal
by Liu Zhu, Wangjie Diao, Haihan Wang, Peilin Zhu and Zeguang Tang
Appl. Sci. 2025, 15(20), 11068; https://doi.org/10.3390/app152011068 - 15 Oct 2025
Viewed by 776
Abstract
Microbial coal gasification technology is a new, efficient, and clean method for coal resource mining; however, its commercial application remains limited by gasification efficiency and cost. To examine the impact of biomass on microbial coal gasification processes, improve gas production efficiency, and identify [...] Read more.
Microbial coal gasification technology is a new, efficient, and clean method for coal resource mining; however, its commercial application remains limited by gasification efficiency and cost. To examine the impact of biomass on microbial coal gasification processes, improve gas production efficiency, and identify economically viable nutrient supplements with broad availability, this study employed culture medium (CM), sawdust (SD), and blue-green algae (BA) as nutritional additives. An anaerobic fermentation experiment with three-stage nutrient supplementation was conducted using a fed-batch reactor. The comparison of gas and liquid compositions within reactors throughout the reaction process demonstrated that key nutrient supplementation could reactivate methane production in reactors in which gas generation had ceased. Gas composition analysis revealed that under identical conditions, BA supplementation achieved the highest methane yield (24.49 ± 1.31 mL/g), followed by SD (1.56 ± 0.1 mL), representing 24.13-fold and 1.53-fold increases, respectively, compared with the yield in CM control group. Analysis of 16S rRNA sequencing indicated that nutrient supplementation induced microbial community differentiation, with dominant bacterial genera (Herbinix, Proteiniborus) shifting according to the organic composition of the liquid environment. A positive feedback relationship between microbial life activities and functional performance further confirmed the dominance of these superior strains. This study advances the understanding of substrate degradation characteristics in microbial coal degradation systems and provides theoretical support for the clean and efficient coal exploitation. Full article
Show Figures

Figure 1

Back to TopTop