Sign in to use this feature.

Years

Between: -

Subjects

remove_circle_outline
remove_circle_outline
remove_circle_outline
remove_circle_outline
remove_circle_outline

Journals

Article Types

Countries / Regions

Search Results (12)

Search Parameters:
Keywords = PS-PWM (Phase-shift pulse-width modulation)

Order results
Result details
Results per page
Select all
Export citation of selected articles as:
28 pages, 6082 KB  
Article
Parametric Design of an LCL Filter for Harmonic Suppression in a Three-Phase Grid-Connected Fifteen-Level CHB Inverter
by Madiha Sattar, Usman Masud, Abdul Razzaq Farooqi, Faraz Akram and Zeashan Khan
Designs 2026, 10(1), 6; https://doi.org/10.3390/designs10010006 - 16 Jan 2026
Viewed by 800
Abstract
With the increasing integration of renewable energy sources into the grid, power quality at the point of common coupling (PCC)—particularly harmonic distortion introduced by power electronic converters—has become a critical concern. This paper presents a rigorous design and evaluation of a three-phase, fifteen-level [...] Read more.
With the increasing integration of renewable energy sources into the grid, power quality at the point of common coupling (PCC)—particularly harmonic distortion introduced by power electronic converters—has become a critical concern. This paper presents a rigorous design and evaluation of a three-phase, fifteen-level cascaded H-bridge multilevel inverter (CHB MLI) with an LCL filter, selected for its superior harmonic attenuation, compact size, and cost-effectiveness compared to conventional passive filters. The proposed system employs Phase-Shifted Pulse Width Modulation (PS PWM) for balanced operation and low output distortion. A systematic, reproducible methodology is used to design the LCL filter, which is then tested across a wide range of switching frequencies (1–5 kHz) and grid impedance ratios (X/R = 2–9) in MATLAB/Simulink R2025a. Comprehensive simulations confirm that the filter effectively reduces both voltage and current total harmonic distortion (THD) to levels well below the 5% limit specified by IEEE 519, with optimal performance (0.53% current THD, 0.69% voltage THD) achieved at 3 kHz and X/R ≈ 5.6. The filter demonstrates robust performance regardless of grid conditions, making it a practical and scalable solution for modern renewable energy integration. These results, further supported by parametric validation and clear design guidelines, provide actionable insights for academic research and industrial deployment. Full article
Show Figures

Figure 1

16 pages, 2890 KB  
Article
Thermal Behavior Improvement in Induction Motors Using a Pulse-Width Phase Shift Triangle Modulation Technique in Multilevel H-Bridge Inverters
by Francisco M. Perez-Hidalgo, Juan-Ramón Heredia-Larrubia, Antonio Ruiz-Gonzalez and Mario Meco-Gutierrez
Machines 2025, 13(8), 703; https://doi.org/10.3390/machines13080703 - 8 Aug 2025
Viewed by 1014
Abstract
This study investigates the thermal performance of induction motors powered by multilevel H-bridge inverters using a novel pulse-width phase shift triangle modulation (PSTM-PWM) technique. Conventional PWM methods introduce significant harmonic distortion, increasing copper and iron losses and causing overheating and reduced motor lifespan. [...] Read more.
This study investigates the thermal performance of induction motors powered by multilevel H-bridge inverters using a novel pulse-width phase shift triangle modulation (PSTM-PWM) technique. Conventional PWM methods introduce significant harmonic distortion, increasing copper and iron losses and causing overheating and reduced motor lifespan. Through experimental testing and comparison with standard PWM techniques (LS-PWM and PS-PWM), the proposed PSTM-PWM reduces harmonic distortion by up to 64% compared to the worst one and internal motor losses by up to 5.5%. A first-order thermal model is used to predict motor temperature, validated with direct thermocouple measurements and infrared thermography. The results also indicate that the PSTM-PWM technique improves thermal performance, particularly at a triangular waveform peak value of 3.5 V, reducing temperature by around 6% and offering a practical and simple solution for industrial motor drive applications. The modulation order was set to M = 7 to reduce both the losses in the power inverter and to prevent the generation of very high voltage pulses (high dV/dt), which can deteriorate the insulation of the induction motor windings over time. Full article
Show Figures

Figure 1

21 pages, 5144 KB  
Article
Damping of Flying Capacitor Dynamics in Multi-Level Boost DC-DC Converters
by Simone Buso and Leopoldo Rossetto
Electronics 2024, 13(24), 4883; https://doi.org/10.3390/electronics13244883 - 11 Dec 2024
Cited by 6 | Viewed by 2252
Abstract
This paper presents a novel modeling approach for flying capacitor dynamics in boost-type multi-level converters (FCML-boosts) controlled by Phase Shift Pulse Width Modulation (PSPWM). By explicitly taking into account the interaction between the inductor current and the flying capacitor voltage, the model is [...] Read more.
This paper presents a novel modeling approach for flying capacitor dynamics in boost-type multi-level converters (FCML-boosts) controlled by Phase Shift Pulse Width Modulation (PSPWM). By explicitly taking into account the interaction between the inductor current and the flying capacitor voltage, the model is able to reveal an underlying resonance phenomenon and to predict its frequency at each operating point. Based on such a model, whose derivation is explained in detail, both passive and active damping solutions are proposed, designed, and experimentally verified that significantly reduce the undesirable oscillations. The analytical results and the devised control solutions are tested on a 1kW, four-level, boost DC-DC converter prototype employing 200V, 48A rated EPC2034C GaN devices. Full article
(This article belongs to the Special Issue Innovative Technologies in Power Converters, 2nd Edition)
Show Figures

Figure 1

18 pages, 6551 KB  
Article
Soft-Switching Full-Bridge DC-DC Converter with Energy Recovery Capacitor Snubber
by Marek Pastor, Milan Lacko, Jaroslav Dudrik and Adrian Marcinek
Energies 2023, 16(4), 1591; https://doi.org/10.3390/en16041591 - 5 Feb 2023
Cited by 12 | Viewed by 3785
Abstract
This paper describes a high-frequency soft-switching dc-dc converter with a simple energy recovery capacitor snubber on the secondary side. The presented dc-dc full-bridge converter with the energy recovery snubber removes the main drawbacks of the classic Phase Shifted PWM (PS-PWM) dc-dc converter, e.g., [...] Read more.
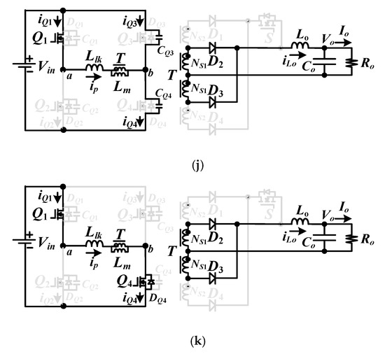
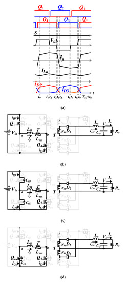
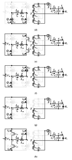
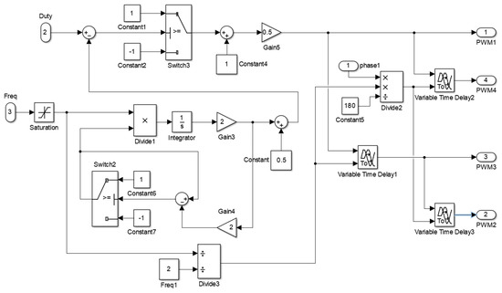
This paper describes a high-frequency soft-switching dc-dc converter with a simple energy recovery capacitor snubber on the secondary side. The presented dc-dc full-bridge converter with the energy recovery snubber removes the main drawbacks of the classic Phase Shifted PWM (PS-PWM) dc-dc converter, e.g., the circulating current flowing during the free-wheeling interval and dependency of the soft switching on the load current. The converter utilizes a full-bridge topology with pulse-width modulation and a centre-tapped full-wave controlled rectifier with one active switch. The zero-voltage switching on the primary side is ensured by utilising only the magnetizing current of the high-frequency transformer, and thus is load-independent. The proposed energy recovery snubber is described in detailed time waveforms of the converter and verified by simulation. The control algorithm also removes the circulating current, which is typical for PS-PWM converters. The soft-switching of the secondary side transistor is achieved by a simple capacitor snubber with an energy-recovery circuit connected to the output of the dc-dc converter. The principle of operation is verified by measurements on a 2 kW, 50 kHz laboratory model of the proposed dc-dc converter. Full article
(This article belongs to the Special Issue DC-DC Converters Technologies, Applications and Optimization)
Show Figures

Figure 1

16 pages, 6147 KB  
Article
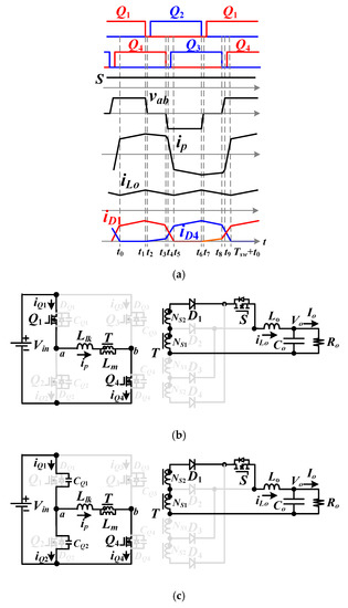
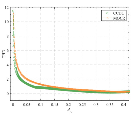
Minimum-Output-Current-Ripple Control of Current-Fed Three-Level Phase-Shift Full-Bridge Converter
by Haichao Wang, Guorun Yang, Wei Kang, Xinsheng Zhang, Xuexin Fan and Fei Xiao
Energies 2022, 15(17), 6444; https://doi.org/10.3390/en15176444 - 3 Sep 2022
Cited by 3 | Viewed by 2368
Abstract
Electrified ports using medium-voltage DC (MVDC) renewable energy microgrids require current-fed dc/dc converters in application scenarios such as battery or ultracapacitor charging units and hydrogen production systems. This paper designs a three-level phase-shift full-bridge (TL-PSFB) converter that interfaces with the MVDC microgrid. Its [...] Read more.
Electrified ports using medium-voltage DC (MVDC) renewable energy microgrids require current-fed dc/dc converters in application scenarios such as battery or ultracapacitor charging units and hydrogen production systems. This paper designs a three-level phase-shift full-bridge (TL-PSFB) converter that interfaces with the MVDC microgrid. Its operation in the current source mode requires a wide output voltage range and small output current ripple. Firstly, the dual-output TL-PSFB topology is introduced, and the principle of phase-shift pulse width modulation (PS-PWM) is presented. Secondly, the principle of the traditional constant-conduction-duty-cycle (CCDC) strategy is analyzed. Then, a minimum-output-current-ripple (MOCR) strategy is proposed by analyzing the relationship between output current ripple, conducting-duty cycle, and phase-shift duty cycle, and a constant current control combined with the MOCR strategy is designed. The output current ripple of the MOCR strategy is smaller than that of the CCDC strategy in a full range of operating conditions. Under the same output current ripple design index, the value and loss of the filter inductor can be reduced with the MOCR strategy. In addition, the MOCR strategy can widen the output voltage regulation range and increase the bus voltage utilization without causing significant changes to the total harmonic distortion (THD) of primary voltage. Finally, experimental results verify the correctness of the theoretical analysis. Full article
(This article belongs to the Section F: Electrical Engineering)
Show Figures

Figure 1

23 pages, 11578 KB  
Article
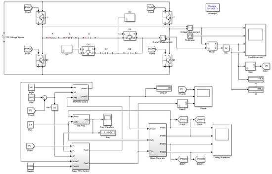
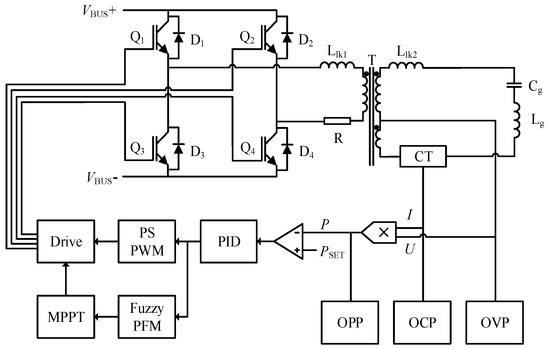
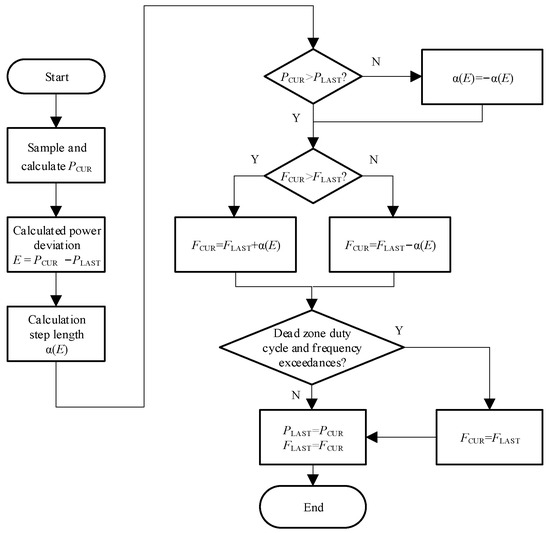
Resonant Power Supply for Plasma Cleaning Based on Fuzzy Logic Power Tracking
by Xiaowei Cai, Zhihe Fu, Huangsheng Xie, Jiaxiang Xue, Duhan Ding, Ning Ou and Gang Zhou
Appl. Sci. 2022, 12(9), 4681; https://doi.org/10.3390/app12094681 - 6 May 2022
Cited by 3 | Viewed by 3051
Abstract
The coaxial cylindrical reactor with a rotary nozzle is proposed to be used as the plasma torch of the plasma cleaning machine. The phase-shifted full bridge series resonance circuit is used as the power circuit topology. Because the voltage source load resonance circuit [...] Read more.
The coaxial cylindrical reactor with a rotary nozzle is proposed to be used as the plasma torch of the plasma cleaning machine. The phase-shifted full bridge series resonance circuit is used as the power circuit topology. Because the voltage source load resonance circuit technology is mature, the cycle and difficulty of research and development on this basis are relatively small, and the corresponding control strategy and algorithm are relatively easy to achieve. At the same time, the voltage source circuit is smaller than the current source circuit, in line with the development trend of plasma cleaning equipment. In this paper, based on the phase shift full bridge series resonant circuit, the control strategy is compared and analyzed. Considering the response speed, control precision and efficiency, a PSPWM-PFM (Phase Shift Pulse Width Modulation- Pulse Frequency Modulation) hybrid modulation control strategy is proposed, which makes the system not only have a fast response speed but can also construct a soft switch and has a high efficiency. A maximum power tracking algorithm based on a fuzzy PFM was proposed to solve the problem that the plasma power supply deviated from the resonant frequency point easily due to environmental perturbation, and thus deviated from the maximum power point. Full article
Show Figures

Figure 1

15 pages, 5442 KB  
Article
Symmetrical Cascaded Switched-Capacitor Multilevel Inverter Based on Hybrid Pulse Width Modulation
by Lingling Cao, Jiefeng Lin, Shikai Chen and Yuanmao Ye
Energies 2021, 14(22), 7643; https://doi.org/10.3390/en14227643 - 15 Nov 2021
Cited by 9 | Viewed by 2909
Abstract
Multilevel inverters have been widely used in various industrial applications such as renewable energy generation and electric vehicles. An improved circuit of symmetrical cascaded switched-capacitor multilevel inverter is proposed so that the reactive power is absorbed by its power supply instead of capacitors. [...] Read more.
Multilevel inverters have been widely used in various industrial applications such as renewable energy generation and electric vehicles. An improved circuit of symmetrical cascaded switched-capacitor multilevel inverter is proposed so that the reactive power is absorbed by its power supply instead of capacitors. Then, a special hybrid pulse width modulation strategy combing level-shifted pulse width modulation (LS-PWM) and phase-shifted pulse width modulation (PS-PWM) was developed for the inverter. With this modulation algorithm, the power between cascaded units is automatically balanced, and the voltage of the capacitor in each unit is also automatically balanced to the dc input voltage. In addition, the optimized capacitor voltage ripple makes it possible to use a smaller capacitor to produce a better output voltage waveform. Theoretical analysis, simulation and experimental results show that the equivalent switching frequency of the cascaded multilevel inverter is twice the original frequency so that the output voltage harmonics are only distributed near even multiples of the carrier frequency. Full article
Show Figures

Figure 1

19 pages, 6316 KB  
Article
Analysis and Implementation of a Phase-Shift Pulse-Width Modulation Converter with Auxiliary Winding Turns
by Bor-Ren Lin
Energies 2020, 13(1), 222; https://doi.org/10.3390/en13010222 - 2 Jan 2020
Cited by 5 | Viewed by 3134
Abstract
A phase-shift pulse-width modulation converter is studied and investigated for railway vehicle or solar cell power converter applications with wide voltage operation. For railway vehicle applications, input voltage range of dc converters is requested to have 30–40% voltage variation of the nominal input [...] Read more.
A phase-shift pulse-width modulation converter is studied and investigated for railway vehicle or solar cell power converter applications with wide voltage operation. For railway vehicle applications, input voltage range of dc converters is requested to have 30–40% voltage variation of the nominal input voltage. The nominal input voltages of dc converters on railway vehicles applications may be 37.5 V, 48 V, 72 V, 96 V and 110 V. Therefore, a new dc converter with wide input voltage operation from 25 to 150 V is presented to withstand different nominal input voltage levels such as 37.5–110 V on railway power units. To realize wide input voltage operation, an auxiliary switch and auxiliary transformer windings are used on output side of conventional full-bridge converter to have different voltage gains under different input voltage values. Phase-shift pulse-width modulation is adopted in the developed dc converter to accomplish soft switching operation on power switches. To confirm and validate the practicability of the presented converter, experiments based on a 300 W prototype were provided in this paper. Full article
Show Figures

Figure 1

17 pages, 6279 KB  
Article
On PWM Strategies and Current THD for Single- and Three-Phase Cascade H-Bridge Inverters with Non-Equal DC Sources
by Zhansen Akhmetov, Manel Hammami, Gabriele Grandi and Alex Ruderman
Energies 2019, 12(3), 441; https://doi.org/10.3390/en12030441 - 30 Jan 2019
Cited by 12 | Viewed by 7822
Abstract
Cascade H-bridge (CHB) inverter is an attractive choice for integration of DC sources of different nature, e.g., for distributed generation with energy storage, photovoltaic generation, etc. In general, non-equal DC voltage sources can affect the total harmonic distortion (THD) of the CHB by [...] Read more.
Cascade H-bridge (CHB) inverter is an attractive choice for integration of DC sources of different nature, e.g., for distributed generation with energy storage, photovoltaic generation, etc. In general, non-equal DC voltage sources can affect the total harmonic distortion (THD) of the CHB by introducing undesirable low-frequency subharmonics. This paper investigates different level-shifted (LS) and phase-shifted (PS) pulse width modulation (PWM) strategies for single- and three-phase cascade H-bridge inverters with non-equal DC sources from the load current THD minimization perspective. The best current quality is provided by LS PWM, as reported in the literature. The paper provides a simple time domain explanation of LS PWM superiority. However, PS PWM may be a preferable choice for practical applications due to fair power and loss sharing across individual H-bridges. The paper explains how to obtain the best current quality by PS PWM carriers’ order arrangement (DC sources switching sequence selection). Full article
Show Figures

Figure 1

47 pages, 41705 KB  
Article
Experimental Evaluation of the Performance of a Three-Phase Five-Level Cascaded H-Bridge Inverter by Means FPGA-Based Control Board for Grid Connected Applications
by Fabio Viola
Energies 2018, 11(12), 3298; https://doi.org/10.3390/en11123298 - 26 Nov 2018
Cited by 25 | Viewed by 6099
Abstract
Over the last decades, plants devoted to the generation of green energy significantly increased their number, together with the demand of same electrical energy, also stored in battery systems. This fact produced the growth of energy conversion systems with advanced performances with respect [...] Read more.
Over the last decades, plants devoted to the generation of green energy significantly increased their number, together with the demand of same electrical energy, also stored in battery systems. This fact produced the growth of energy conversion systems with advanced performances with respect to the traditional ones. In this circumstance, multilevel converters play a significant role for their great advantages in performances, flexibility, fault-tolerability, employment of renewable energy sources and storage systems and finally yet importantly reduced filter requirements. In this context, this paper faces the performance of a cascaded H-bridge 5 level inverter in terms of harmonic distortion generated and injected into the grid. Through an accurate analysis that takes into account the pulse width modulation (PWM) multicarrier modulation techniques (phase disposition PD, phase opposition disposition POD, alternative phase opposition disposition APOD, phase shifted PS) and related reference signals (sinusoidal reference; third harmonic injection THI reference, switching frequency optimal SFO reference), a framework of distorting harmonics is presented by comparing twelve cases. The results obtained from the simulations are reproduced and validated in a prototype system of five level cascaded H-bridge multilevel inverter. A deep discussion of control and filtering system is provided to justify the choice of the best modulation technique to adopt. Full article
Show Figures

Figure 1

15 pages, 90375 KB  
Article
Multilevel Converter by Cascading Two-Level Three-Phase Voltage Source Converter
by Abdullrahman A. Al-Shamma’a, Abdullah M. Noman, Khaled E. Addoweesh, Ayman A. Alabduljabbar and A. I. Alolah
Energies 2018, 11(4), 843; https://doi.org/10.3390/en11040843 - 4 Apr 2018
Cited by 3 | Viewed by 3978
Abstract
This paper proposes a topology using isolated, cascaded multilevel voltage source converters (VSCs) and employing two-winding magnetic elements for high-power applications. The proposed topology synthesizes 6 two-level, three-phase VSCs, so the power capability of the presented converter is six times the capability of [...] Read more.
This paper proposes a topology using isolated, cascaded multilevel voltage source converters (VSCs) and employing two-winding magnetic elements for high-power applications. The proposed topology synthesizes 6 two-level, three-phase VSCs, so the power capability of the presented converter is six times the capability of each VSC module. The characteristics of the proposed topology are demonstrated through analyzing its current relationships, voltage relationships and power capability in detail. The power rating is equally shared among the VSC modules without the need for a sharing algorithm; thus, the converter operates as a single three-phase VSC. The comparative analysis with classical neutral-point clamped, flying capacitor and cascaded H-bridge exhibits the superior features of fewer insulated gate bipolar transistors (IGBTs), capacitor requirement and fewer diodes. To validate the theoretical performance of the proposed converter, it is simulated in a MATLAB/Simulink environment and the results are experimentally demonstrated using a laboratory prototype. Full article
Show Figures

Figure 1

19 pages, 12209 KB  
Article
Comprehensive Analysis of LCL Filter Interfaced Cascaded H-Bridge Multilevel Inverter-Based DSTATCOM
by Ravikant Pandey, Ravi Nath Tripathi and Tsuyoshi Hanamoto
Energies 2017, 10(3), 346; https://doi.org/10.3390/en10030346 - 12 Mar 2017
Cited by 17 | Viewed by 7726
Abstract
Three-phase two-level voltage source converters are used for distribution static compensator (DSTATCOM) applications and can be replaced by a multilevel inverter. In this paper, an LCL filter interfaced cascaded H-bridge multilevel inverter-based (CHBMLI) DSTATCOM is simulated and its performance is analyzed considering the [...] Read more.
Three-phase two-level voltage source converters are used for distribution static compensator (DSTATCOM) applications and can be replaced by a multilevel inverter. In this paper, an LCL filter interfaced cascaded H-bridge multilevel inverter-based (CHBMLI) DSTATCOM is simulated and its performance is analyzed considering the system parameters. The analysis considers factors including the switching frequency, modulation index, and filter parameters of a DSTATCOM system. The LCL filter design and analysis for the low switching frequency operation of CHBMLI is proposed in this paper. Phase shift pulse-width modulation is used for the generation of switching signals. The reference current is generated using synchronous reference frame theory (SRFT) for reactive power and harmonic compensations. The simulation model of the CHBMLI-based DSTATCOM system is developed in MATLAB Simulink. The results are demonstrated for a linear/non-linear load under unbalanced conditions, considering the voltage sag and swell in the system due to a disturbance in the load. Full article
(This article belongs to the Special Issue Electric Power Systems Research 2017)
Show Figures

Figure 1

Back to TopTop