Symmetrical Cascaded Switched-Capacitor Multilevel Inverter Based on Hybrid Pulse Width Modulation
Abstract
:1. Introduction
- ➢
- Self-balanced capacitor voltages;
- ➢
- Self-balanced power among cascaded SC cells;
- ➢
- Reduced capacitor voltage ripple;
- ➢
- Enhanced reactive power capability.
2. Cascaded Switched-Capacitor Multilevel Inverter
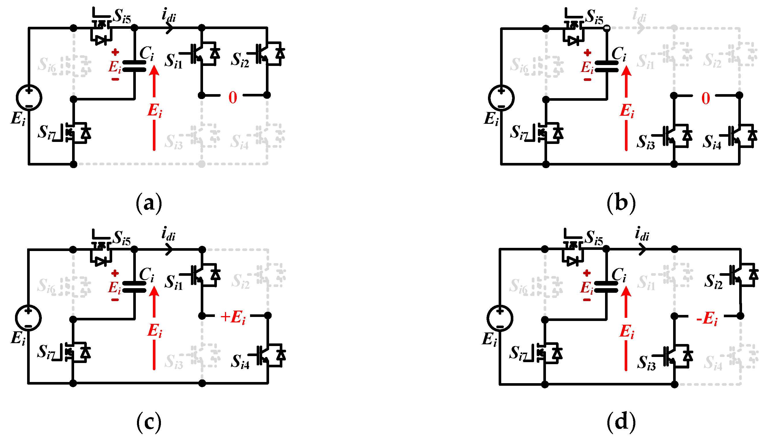
2.1. Circuit Description
2.2. Operation Principle
2.3. Enhanced Reactive Power Capability of the Proposed Circuit
3. Modulation Strategy
3.1. Hybrid Pulse Width Modulation
3.2. Harmonic Analysis of Output Voltage
3.3. Power Balance
4. Capacitor Voltage Ripples
5. Simulation Verification
6. Experimental Verification
7. Conclusions
- (1)
- With LS-PWM, a five-level output voltage is produced for each cascaded unit, and the capacitor voltage can be balanced to the dc input voltage automatically. The capacitor keeps charging and discharging alternately in high frequency so that only a small capacitor is needed to minimize the capacitor voltage ripple;
- (2)
- With PS-PWM, power balancing between cascaded units is realized automatically. The equivalent switching frequency of the cascaded inverter is increased to twice the carrier frequency; therefore, the harmonics of the output voltage is located near even multiples of the carrier frequency;
- (3)
- It has superior reactive power capability and reliability.
Author Contributions
Funding
Institutional Review Board Statement
Informed Consent Statement
Data Availability Statement
Conflicts of Interest
References
- Franquelo, L.G.; Rodriguez, J.; Leon, J.I.; Kouro, S.; Portillo, R.; Parts, M.A.M. The age of multilevel converters arrives. IEEE Ind. Electron. Mag. 2008, 2, 28–39. [Google Scholar] [CrossRef] [Green Version]
- Li, Z.; Wang, P.; Li, Y.; Gao, F. A novel single-phase five-level inverter with coupled inductors. IEEE Trans. Power Electron. 2012, 27, 2716–2725. [Google Scholar] [CrossRef]
- Ben Smida, M.; Ben Ammar, F. Modeling and DBC-PSC-PWM control of a three-phase flying-capacitor stacked multilevel voltage source inverter. IEEE Trans. Ind. Electron. 2010, 57, 2231–2239. [Google Scholar] [CrossRef]
- Rodriguez, J.; Bernet, S.; Steimer, P.K.; Lizama, I.E. A survey on neutral-point-clamped inverters. IEEE Trans. Ind. Electron. 2010, 57, 2219–2230. [Google Scholar] [CrossRef]
- Lara, J.; Masisi, L.; Hernandez, C.; Arjona, M.A.; Chandra, A. Novel single-phase grid-tied NPC five-level converter with an inherent DC-link voltage balancing strategy for power quality improvement. Energies 2021, 14, 2644. [Google Scholar] [CrossRef]
- McGrath, B.P.; Holmes, D.G.; Kong, W.Y. A decentralized controller architecture for a cascaded H-bridge multilevel converter. IEEE Trans. Ind. Electron. 2014, 61, 1169–1178. [Google Scholar] [CrossRef]
- Sepahvand, H.; Liao, J.; Ferdowsi, M.; Corzine, K.A. Capacitor voltage regulation in single-DC-source cascaded H-bridge multilevel converters using phase-shift modulation. IEEE Trans. Ind. Electron. 2013, 60, 3619–3626. [Google Scholar] [CrossRef]
- Marquardt, R. Modular multilevel converters: State of the art and future progress. IEEE Power Electron. Mag. 2018, 5, 24–31. [Google Scholar] [CrossRef]
- Gohari, A.; Afjei, E.S.; Torkaman, H. Novel symmetric modular hybrid multilevel inverter with reduced number of semiconductors and low-voltage stress across switches. IEEE J. Emerg. Sel. Top. Power Electron. 2020, 8, 4297–4305. [Google Scholar] [CrossRef]
- Tang, Y.; Xie, S.; Zhang, C.; Xu, Z. Improved Z-source inverter with reduced Z-source capacitor voltage stress and soft-start capability. IEEE Trans. Power Electron. 2009, 24, 409–415. [Google Scholar] [CrossRef]
- Meraj, M.; Rahman, S.; Iqbal, A.; Ben-Brahim, L.; Abu-Rub, H.A. Novel level-shifted PWM technique for equal power sharing among quasi-Z-source modules in cascaded multilevel inverter. IEEE Trans. Power Electron. 2021, 36, 4766–4777. [Google Scholar] [CrossRef]
- Ravindranath, A.; Mishra, S.K.; Joshi, A. Analysis and PWM control of switched boost inverter. IEEE Trans. Ind. Electron. 2013, 60, 5593–5602. [Google Scholar] [CrossRef]
- Kumar, A.; Wang, Y.; Raghuram, M.; Pilli, N.K.; Singh, S.K.; Pan, X.; Gang, X. A generalized switched inductor cell modular multilevel inverter. IEEE Trans. Ind. Appl. 2020, 56, 507–518. [Google Scholar] [CrossRef]
- Mak, O.C.; Ioinovici, A. Switched-capacitor inverter with high power density and enhanced regulation capability. IEEE Trans. Circuits Syst. I Fundam. Theory Appl. 1998, 45, 336–347. [Google Scholar]
- Xun, Z.; Ding, H.; He, Z. A novel switched-capacitor inverter with reduced capacitance and balanced neutral-point voltage. Electronics 2021, 10, 947. [Google Scholar] [CrossRef]
- Qiang, H.; Wu, Z.; Xu, T.; Kong, P.; Mao, S.; Zheng, J. Boost voltage single phase full bridge inverter with no voltage drop based on switched capacitor. Energies 2021, 14, 3466. [Google Scholar] [CrossRef]
- Hinago, Y.; Koizumi, H. A single-phase multilevel inverter using switched series/parallel DC voltage sources. IEEE Trans. Ind. Electron. 2010, 57, 2634–2650. [Google Scholar] [CrossRef]
- Hinago, Y.; Koizumi, H. A switched-capacitor inverter using series/parallel conversion with inductive load. IEEE Trans. Ind. Electron. 2012, 59, 878–887. [Google Scholar] [CrossRef]
- Ye, Y.; Cheng, K.W.E.; Liu, J.; Ding, K. A step-up switched-capacitor multilevel inverter with self-voltage balancing. IEEE Trans. Ind. Electron. 2014, 61, 6672–6680. [Google Scholar] [CrossRef]
- Peng, W.; Ni, Q.; Qiu, X.; Ye, Y. Seven-level inverter with self-balanced switched-capacitor and its cascaded extension. IEEE Trans. Power Electron. 2019, 34, 11889–11896. [Google Scholar] [CrossRef]
- Sun, X.; Wang, B.; Zhou, Y.; Wang, W.; Du, H.; Lu, Z. A single DC source cascaded seven-level inverter integrating switched-capacitor techniques. IEEE Trans. Ind. Electron. 2016, 63, 7184–7194. [Google Scholar] [CrossRef]
- Ye, Y.; Lin, M. Single source step-up multilevel inverter based on switched capacitor. Proc. CSEE 2020, 40, 5636–5644. [Google Scholar]
- Liu, J.; Cheng, K.W.E.; Ye, Y. A cascaded multilevel inverter based on switched-capacitor for high-frequency ac power distribution system. IEEE Trans. Power Electron. 2014, 29, 4219–4230. [Google Scholar] [CrossRef]
- Babaei, E.; Gowgani, S.S. Hybrid multilevel inverter using switched capacitor units. IEEE Trans. Ind. Electron. 2014, 61, 4614–4621. [Google Scholar] [CrossRef]
- Rodriguez, J.; Lai, J.-S.; Peng, F.Z. Multilevel inverters: A survey of topologies, controls, and applications. IEEE Trans. Ind. Electron. 2002, 49, 724–738. [Google Scholar] [CrossRef] [Green Version]

















| Number | uO1 | uO2 | uO |
|---|---|---|---|
| 1 | +2E | +2E | +4E |
| 2 | +2E | +E | +3E |
| 3 | +E | +2E | |
| 4 | +E | +E | +2E |
| 5 | 0 | +2E | |
| 6 | +2E | 0 | |
| 7 | +E | 0 | +E |
| 8 | 0 | +E | |
| 9 | +2E | −E | |
| 10 | −E | +2E | |
| 11 | +2E | −2E | 0 |
| 12 | +E | −E | |
| 13 | 0 | 0 | |
| 14 | −E | +E | |
| 15 | −2E | +2E | |
| 16 | −2E | +E | −E |
| 17 | +E | −2E | |
| 18 | 0 | −E | |
| 19 | −E | 0 | |
| 20 | 0 | −2E | −2E |
| 21 | −2E | 0 | |
| 22 | −E | −E | |
| 23 | −2E | −E | −3E |
| 24 | −E | −2E | |
| 25 | −2E | −2E | −4E |
| Status | Capacitor Status | Output Level | ||||||
|---|---|---|---|---|---|---|---|---|
| Si1 | Si2 | Si3 | Si4 | Si5 | Si6 | Si7 | ||
| 1 | 0 | 0 | 1 | 0 | 1 | 0 | ↓ | +2E |
| 1 | 0 | 0 | 1 | 1 | 0 | 1 | ↑ | +E |
| 1 | 1 | 0 | 0 | 1 | 0 | 1 | ↑ | 0 |
| 0 | 0 | 1 | 1 | 1 | 0 | 1 | ↑ | 0 |
| 0 | 1 | 1 | 0 | 1 | 0 | 1 | ↑ | −E |
| 0 | 1 | 1 | 0 | 0 | 1 | 0 | ↓ | −2E |
| Parameters | Simulation | Experiment |
|---|---|---|
| E | 48 V | 48 V |
| M | 0.95 | 0.95 |
| f0/fC | 50 Hz/5 kHz | 50 Hz/5 kHz |
| C1, C2 | 100 μF | 100 μF |
| S15~17, S25~27 | Ideal switch | IRFI4410Z |
| S11~14, S21~24 | Ideal switch | IRF640 |
| Load | 50 Ω/50 Ω-50 mH/10 Ω-50 mH | 50 Ω/50 Ω-53 mH |
Publisher’s Note: MDPI stays neutral with regard to jurisdictional claims in published maps and institutional affiliations. |
© 2021 by the authors. Licensee MDPI, Basel, Switzerland. This article is an open access article distributed under the terms and conditions of the Creative Commons Attribution (CC BY) license (https://creativecommons.org/licenses/by/4.0/).
Share and Cite
Cao, L.; Lin, J.; Chen, S.; Ye, Y. Symmetrical Cascaded Switched-Capacitor Multilevel Inverter Based on Hybrid Pulse Width Modulation. Energies 2021, 14, 7643. https://doi.org/10.3390/en14227643
Cao L, Lin J, Chen S, Ye Y. Symmetrical Cascaded Switched-Capacitor Multilevel Inverter Based on Hybrid Pulse Width Modulation. Energies. 2021; 14(22):7643. https://doi.org/10.3390/en14227643
Chicago/Turabian StyleCao, Lingling, Jiefeng Lin, Shikai Chen, and Yuanmao Ye. 2021. "Symmetrical Cascaded Switched-Capacitor Multilevel Inverter Based on Hybrid Pulse Width Modulation" Energies 14, no. 22: 7643. https://doi.org/10.3390/en14227643
APA StyleCao, L., Lin, J., Chen, S., & Ye, Y. (2021). Symmetrical Cascaded Switched-Capacitor Multilevel Inverter Based on Hybrid Pulse Width Modulation. Energies, 14(22), 7643. https://doi.org/10.3390/en14227643
