Minimum-Output-Current-Ripple Control of Current-Fed Three-Level Phase-Shift Full-Bridge Converter
Abstract
:1. Introduction
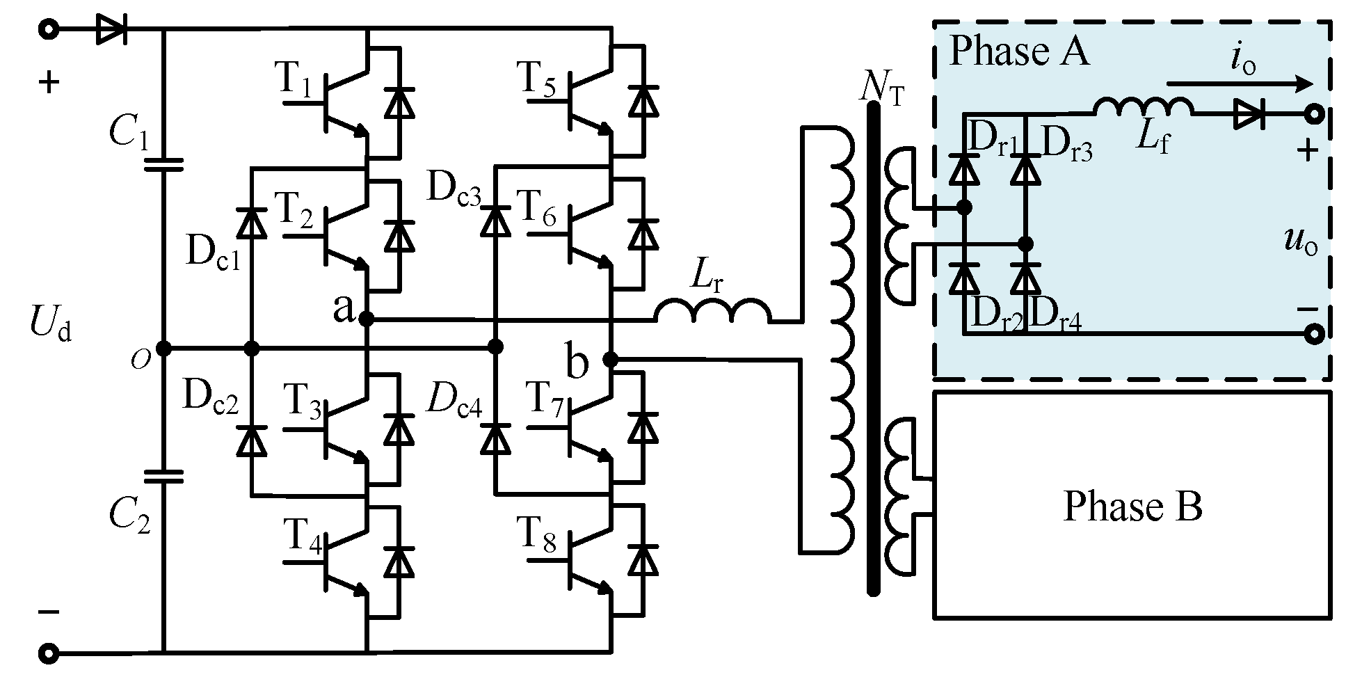
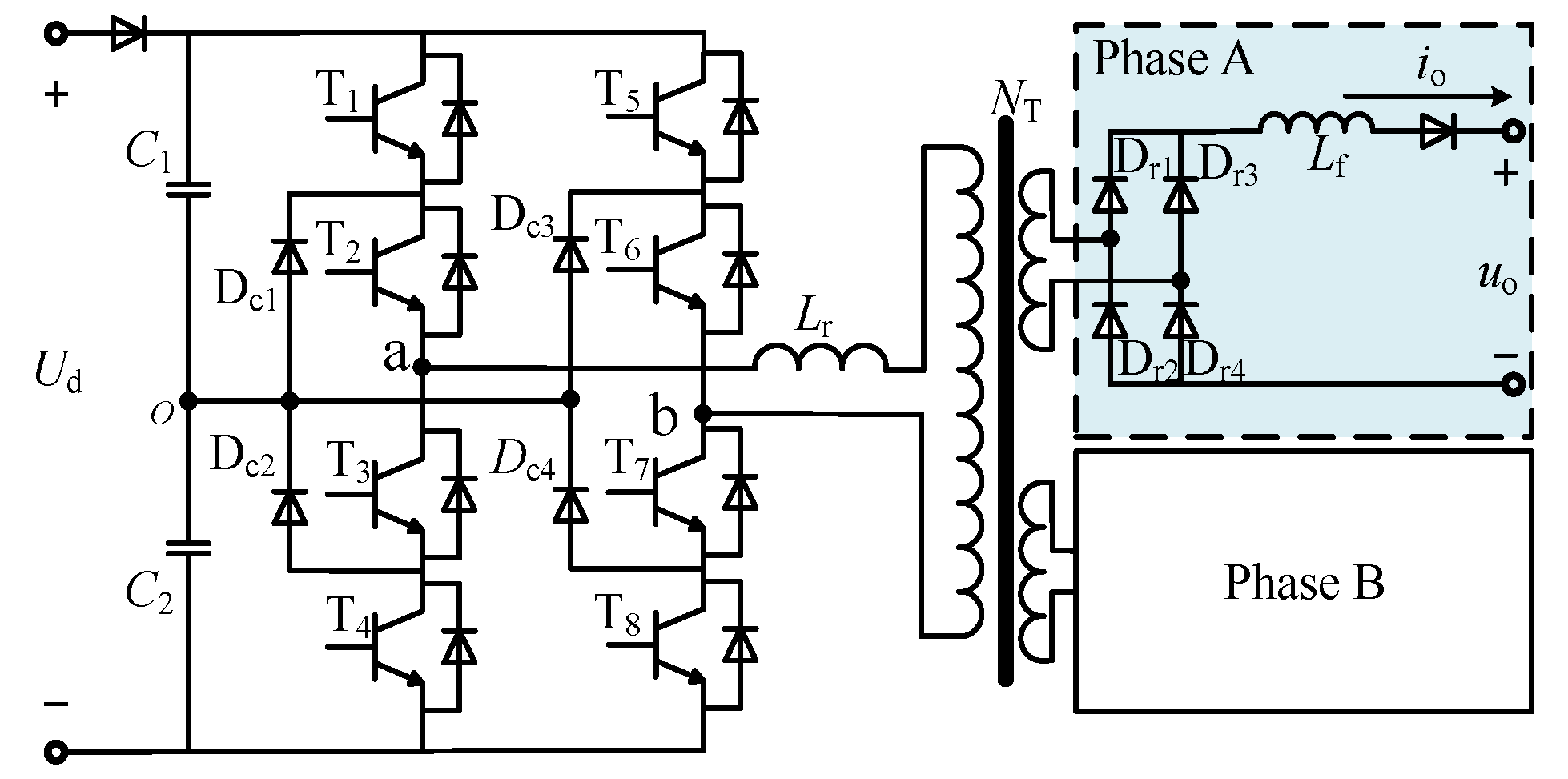
2. Principle of Dual-Output TL-PSFB Converter
2.1. Topology and Principle of PS-PWM
2.2. CCDC Strategy
3. MOCR Strategy
3.1. Analysis of Output Voltage and Current Ripple of the Rectifier Bridge
3.2. Constant Current Control Combined with the MOCR Strategy
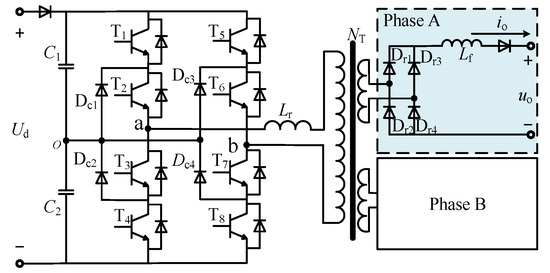
4. Comparison of CCDC and MOCR
4.1. Output Current Ripple and Filter Inductor Characterization
4.2. Utilization of DC Voltage and THD of Primary Voltage Characterization
5. Experimental Verification
6. Conclusions
Author Contributions
Funding
Institutional Review Board Statement
Informed Consent Statement
Conflicts of Interest
References
- Wen, S.; Zhao, T.; Tang, Y.; Xu, Y.; Zhu, M.; Huang, Y. A Joint Photovoltaic-Dependent Navigation Routing and Energy Storage System Sizing Scheme for More Efficient All-Electric Ships. IEEE Trans. Transp. Electrif. 2020, 6, 1279–1289. [Google Scholar] [CrossRef]
- Sadiq, M.; Ali, S.W.; Terriche, Y.; Mutarraf, M.U.; Hassan, M.A.; Hamid, K.; Ali, Z.; Sze, J.Y.; Su, C.-L.; Guerrero, J.M. Future Greener Seaports: A Review of New Infrastructure, Challenges, and Energy Efficiency Measures. IEEE Access 2021, 9, 75568–75587. [Google Scholar] [CrossRef]
- Pinheiro, J.R.; Barbi, I. The Three-Level ZVS-PWM DC-to-DC Converter. IEEE Trans. Power Electron. 1993, 8, 7. [Google Scholar] [CrossRef]
- Ruan, X.; Li, B.; Chen, Q.; Tan, S.-C.; Tse, C.K. Fundamental Considerations of Three-Level DC–DC Converters: Topologies, Analyses, and Control. IEEE Trans. Circuits Syst. Regul. Pap. 2008, 55, 3733–3743. [Google Scholar] [CrossRef]
- Yang, G.; Xiao, F.; Fan, X.; Wang, R.; Liu, J. Three-Phase Three-Level Phase-Shifted PWM DC–DC Converter for Electric Ship MVDC Application. IEEE J. Emerg. Sel. Top. Power Electron. 2017, 5, 162–170. [Google Scholar] [CrossRef]
- Liu, J.; Xiao, F.; Ma, W.; Fan, X.; Chen, W. PWM-Based Sliding Mode Controller for Three-Level Full-Bridge DC-DC Converter That Eliminates Static Output Voltage Error. J. Power Electron. 2015, 15, 378–388. [Google Scholar] [CrossRef]
- Liu, F.; Chen, Y.; Hu, G.; Ruan, X. Modified Three-Phase Three-Level DC/DC Converter with Zero-Voltage-Switching Characteristic-Adopting Asymmetrical Duty Cycle Control. IEEE Trans. Power Electron. 2014, 29, 6307–6318. [Google Scholar] [CrossRef]
- Zhang, Z.; Ruan, X. A Novel Double Phase-Shift Control Scheme for Full-Bridge Three-Level Converter. In Proceedings of the Twentieth Annual IEEE Applied Power Electronics Conference and Exposition, 2005, APEC 2005, Austin, TX, USA, 6–10 March 2005; Volume 2, pp. 1240–1245. [Google Scholar]
- Liu, D.; Wang, Y.; Deng, F.; Chen, Z. Triple-Phase-Shift Modulation Strategy for Diode-Clamped Full-Bridge Three-Level Isolated DC/DC Converter. IEEE Access 2020, 8, 2750–2759. [Google Scholar] [CrossRef]
- Guo, Y.; Yang, Z.; Yin, Y.; Cao, H. Digital Control of Hybrid Full Bridge Three-Level LLC Resonant Converter Based on SiC MOSFET. In Proceedings of the 2018 IEEE International Power Electronics and Application Conference and Exposition (PEAC), Shenzhen, China, 4–7 November 2018; pp. 1–6. [Google Scholar]
- Haga, H.; Kurokawa, F. Modulation Method of a Full-Bridge Three-Level LLC Resonant Converter for Battery Charger of Electrical Vehicles. IEEE Trans. Power Electron. 2017, 32, 2498–2507. [Google Scholar] [CrossRef]
- Deng, F.; Chen, Z. Control of Improved Full-Bridge Three-Level DC/DC Converter for Wind Turbines in a DC Grid. IEEE Trans. Power Electron. 2013, 28, 314–324. [Google Scholar] [CrossRef]
- Shi, Y.; Yang, X. Zero-Voltage Switching PWM Three-Level Full-Bridge DC–DC Converter with Wide ZVS Load Range. IEEE Trans. Power Electron. 2013, 28, 4511–4524. [Google Scholar] [CrossRef]
- Liu, F.; Yan, J.; Ruan, X. Zero-Voltage and Zero-Current-Switching PWM Combined Three-Level DC/DC Converter. IEEE Trans. Ind. Electron. 2010, 57, 1644–1654. [Google Scholar] [CrossRef]
- Ruan, X.; Li, B. Zero-Voltage and Zero-Current-Switching PWM Hybrid Full-Bridge Three-Level Converter. IEEE Trans. Ind. Electron. 2005, 52, 213–220. [Google Scholar] [CrossRef]
- Lin, B.-R. Hybrid DC/DC Converter Based on Dual Three-Level Circuit and Half-Bridge Circuit. IET Power Electron. 2016, 9, 817–824. [Google Scholar] [CrossRef]
- Lin, B.-R.; Hou, B.-R. Analysis and Implementation of a Zero-Voltage Switching Pulse-Width Modulation Resonant Converter. IET Power Electron. 2014, 7, 148–156. [Google Scholar] [CrossRef]
- Lin, B.-R.; Chen, C.-C. Zero Voltage Switching DC Converter for High-Input Voltage and High-Load Current Applications. IET Power Electron. 2014, 7, 124–131. [Google Scholar] [CrossRef]
- Shi, Y.; Xi, J.; Wang, X.; Gui, X.; Yang, X. Large-Power ZVZCS Full-Bridge Three-Level DC–DC Converter with Wide Operation Range and Its Application in Sapphire Crystal Furnace Power Supply. IEEE J. Emerg. Sel. Top. Power Electron. 2020, 8, 4191–4208. [Google Scholar] [CrossRef]
- Liu, P.; Duan, S. Analysis of the Neutral-Point Voltage Self-Balance Mechanism in the Three-Level Full-Bridge DC−DC Converter by Introduction of Flying Capacitors. IEEE Trans. Power Electron. 2019, 34, 11736–11747. [Google Scholar] [CrossRef]
- Guo, Z.; Sun, K.; Sha, D. Improved ZVS Three-Level DC–DC Converter with Reduced Circulating Loss. IEEE Trans. Power Electron. 2016, 31, 6394–6404. [Google Scholar] [CrossRef]
- Canales, F.; Barbosa, P.; Lee, F.C. A Zero-Voltage and Zero-Current Switching Three-Level DC/DC Converter. IEEE Trans. Power Electron. 2002, 17, 898–904. [Google Scholar] [CrossRef]
- Li, Y.; Li, F.; Zhao, F.-W.; You, X.-J.; Zhang, K.; Liang, M. Hybrid Three-Level Full-Bridge Isolated Buck–Boost Converter with Clamped Inductor for Wider Voltage Range Application. IEEE Trans. Power Electron. 2019, 34, 2923–2937. [Google Scholar] [CrossRef]
- Guo, Z.; Sha, D.; Liao, X. Hybrid Three-Level and Half-Bridge DC–DC Converter with Reduced Circulating Loss and Output Filter Inductance. IEEE Trans. Power Electron. 2015, 30, 6628–6638. [Google Scholar] [CrossRef]
- Liu, D.; Wang, Y.; Zhang, Q.; Chen, Z. ZVZCS Full-Bridge Three-Level DC/DC Converter with Reduced Device Count. IEEE Trans. Power Electron. 2020, 35, 9965–9970. [Google Scholar] [CrossRef]
- Wu, H.; Lu, Y.; Sun, K.; Xing, Y. Phase-Shift-Controlled Isolated Buck-Boost Converter with Active-Clamped Three-Level Rectifier (AC-TLR) Featuring Soft-Switching Within Wide Operation Range. IEEE Trans. Power Electron. 2016, 31, 2372–2386. [Google Scholar] [CrossRef]
- Liu, D.; Wang, Y.; Deng, F.; Chen, Z. Balanced Power Device Currents Based Modulation Strategy for Full-Bridge Three-Level DC/DC Converter. IEEE Trans. Power Electron. 2020, 35, 2008–2022. [Google Scholar] [CrossRef]
- Liu, D.; Deng, F.; Zhang, Q.; Chen, Z. Zero-Voltage Switching PWM Strategy Based Capacitor Current-Balancing Control for Half-Bridge Three-Level DC/DC Converter. IEEE Trans. Power Electron. 2018, 33, 357–369. [Google Scholar] [CrossRef]
- Tian, K.; Li, T.; Yuen, K.F. A Common-Mode Voltage Reduction Modulation for a Phase-Shift DC-DC Converter. In Proceedings of the 2018 IEEE International Power Electronics and Application Conference and Exposition (PEAC), Shenzhen, China, 4–7 November 2018; pp. 1–5. [Google Scholar]
- Chen, W.; Ruan, X.; Chen, Q.; Ge, J. Zero-Voltage-Switching PWM Full-Bridge Converter Employing Auxiliary Transformer to Reset the Clamping Diode Current. IEEE Trans. Power Electron. 2010, 25, 1149–1162. [Google Scholar] [CrossRef]
- Chen, W.; Ruan, X. Zero-Voltage-Switching PWM Hybrid Full-Bridge Three-Level Converter with Secondary-Voltage Clamping Scheme. IEEE Trans. Ind. Electron. 2008, 55, 644–654. [Google Scholar] [CrossRef]
- Zhang, X.; Wang, R.; Xiao, F.; Fan, X.; Yang, G.; Yang, B. Design of Highly Compact Short-Time Duty Power Inductors for Supercapacitor Charging Applications. IET Power Electron. 2020, 13, 4377–4385. [Google Scholar] [CrossRef]
- Dowell, P.L. Effects of Eddy Currents in Transformer Windings. Proc. Inst. Electr. Eng. 1966, 113, 1387–1394. [Google Scholar] [CrossRef]

















| ∆ io | CCDC: Lf/mH | MOCR: Lf/mH |
|---|---|---|
| 5% Io | 29.39 | 22.52 |
| 10% Io | 14.70 | 11.26 |
| 15% Io | 9.80 | 7.51 |
| 20% Io | 7.35 | 5.63 |
| 25% Io | 5.88 | 4.50 |
| Parameters | Value | Parameters | Value |
|---|---|---|---|
| Ud/kV | 4 | NT | 4:3:3 |
| Uo/kV | 0–2 | Lr/μH | 40 |
| Io/A | 180 | Lf/mH | 8 |
| f/kHz | 1 | C1, C2/mF | 4 |
Publisher’s Note: MDPI stays neutral with regard to jurisdictional claims in published maps and institutional affiliations. |
© 2022 by the authors. Licensee MDPI, Basel, Switzerland. This article is an open access article distributed under the terms and conditions of the Creative Commons Attribution (CC BY) license (https://creativecommons.org/licenses/by/4.0/).
Share and Cite
Wang, H.; Yang, G.; Kang, W.; Zhang, X.; Fan, X.; Xiao, F. Minimum-Output-Current-Ripple Control of Current-Fed Three-Level Phase-Shift Full-Bridge Converter. Energies 2022, 15, 6444. https://doi.org/10.3390/en15176444
Wang H, Yang G, Kang W, Zhang X, Fan X, Xiao F. Minimum-Output-Current-Ripple Control of Current-Fed Three-Level Phase-Shift Full-Bridge Converter. Energies. 2022; 15(17):6444. https://doi.org/10.3390/en15176444
Chicago/Turabian StyleWang, Haichao, Guorun Yang, Wei Kang, Xinsheng Zhang, Xuexin Fan, and Fei Xiao. 2022. "Minimum-Output-Current-Ripple Control of Current-Fed Three-Level Phase-Shift Full-Bridge Converter" Energies 15, no. 17: 6444. https://doi.org/10.3390/en15176444
APA StyleWang, H., Yang, G., Kang, W., Zhang, X., Fan, X., & Xiao, F. (2022). Minimum-Output-Current-Ripple Control of Current-Fed Three-Level Phase-Shift Full-Bridge Converter. Energies, 15(17), 6444. https://doi.org/10.3390/en15176444

