error_outline You can access the new MDPI.com website here. Explore and share your feedback with us.
 
 
Sign in to use this feature.

Years

Between: -

Subjects

remove_circle_outline
remove_circle_outline
remove_circle_outline
remove_circle_outline
remove_circle_outline
remove_circle_outline
remove_circle_outline
remove_circle_outline
remove_circle_outline

Journals

remove_circle_outline
remove_circle_outline
remove_circle_outline
remove_circle_outline
remove_circle_outline
remove_circle_outline
remove_circle_outline
remove_circle_outline
remove_circle_outline

Article Types

Countries / Regions

remove_circle_outline
remove_circle_outline
remove_circle_outline
remove_circle_outline

Search Results (1,001)

Search Parameters:
Keywords = LCCS

Order results
Result details
Results per page
Select all
Export citation of selected articles as:
36 pages, 2500 KB  
Article
Driving Green: A Comprehensive Sustainability Analysis of Natural Gas-to-Methanol and Methanol-to-Gasoline Supply Chains
by Hussein Al-Yafei, Saleh Aseel, Ahmed AlNouss, Mohannad AlJarrah, Nagi Abdussamie, Ahmad Al-Kuwari, Alaa Kerret, Noman Abdul Ghafoor, Muhammad Rizki Winarno, Aisha Al-Bader, Talal Al Tamimi and Suhaila Sabbah
Sustainability 2026, 18(1), 527; https://doi.org/10.3390/su18010527 - 5 Jan 2026
Viewed by 190
Abstract
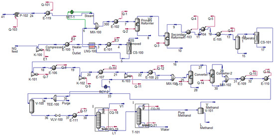
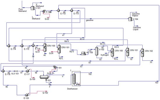
This study presents an integrated Life Cycle Sustainability Assessment (LCSA) of the Natural gas-to-methanol (NGTM) and methanol-to-gasoline (MTG) pathways using Aspen HYSYS process modeling, Environmental Life Cycle Assessment (LCA), Social Life Cycle Assessment (SLCA), and Life Cycle Costing (LCC). The results reveal significant [...] Read more.
This study presents an integrated Life Cycle Sustainability Assessment (LCSA) of the Natural gas-to-methanol (NGTM) and methanol-to-gasoline (MTG) pathways using Aspen HYSYS process modeling, Environmental Life Cycle Assessment (LCA), Social Life Cycle Assessment (SLCA), and Life Cycle Costing (LCC). The results reveal significant variability in sustainability performance across process units. The DME and MTG Reactors Section generates the highest direct greenhouse gas (GHG) emissions at 0.86 million tons CO2-eq, representing 54.9% of total global warming potential, while the Compression Section consumes 2717.5 TJ/year of energy, making it the dominant source of electricity-related indirect emissions. Distillation and Purification withdraws 31,100 Mm3/year of water—approximately 99% of total demand—yet delivers 86.6% of the overall economic surplus despite high operating costs. Social impacts concentrate in the Methanol Reactor Looping and DME and MTG Reactors Sections, with human health burdens of 305.79 and 804.22 DALYs, respectively, due to catalyst handling and high-pressure operations. Sensitivity results show that methanol purity rises from 0.9993 to 0.9994 with increasing methane content, while gasoline output decreases from 3780 to 3520 kg/h as natural gas flow increases. The findings provide process-level evidence to support sustainable development of natural gas-based fuel conversion industries, aligning with Qatar National Vision 2030 objectives for industrial diversification and lower-carbon energy systems. Full article
(This article belongs to the Section Energy Sustainability)
Show Figures

Graphical abstract

17 pages, 2570 KB  
Article
Coordinated Strategy to Improve Post-Fault Characteristics of Hybrid Multi-Infeed HVDC Transmission System
by Bingjie Jin, Guangjian Zhang, Zuohong Li, Shuxin Luo, Hong Dong, Chu Jin, Jindi Luo and Xinyue Zhang
Energies 2026, 19(1), 218; https://doi.org/10.3390/en19010218 - 31 Dec 2025
Viewed by 97
Abstract
The characteristics of the dynamic reactive power demand of a hybrid multi-infeed HVDC transmission system during the post-fault recovery period are analyzed and a coordinated control strategy to improve the fault recovery characteristics of the hybrid multi-infeed HVDC transmission system is proposed in [...] Read more.
The characteristics of the dynamic reactive power demand of a hybrid multi-infeed HVDC transmission system during the post-fault recovery period are analyzed and a coordinated control strategy to improve the fault recovery characteristics of the hybrid multi-infeed HVDC transmission system is proposed in this paper. During the process of fault recovery, the LCC-HVDC adopts a progressive staggering recovery strategy. At the same time, according to the reactive power shortage of LCC-HVDC, the dynamic power limiter is used to adjust the upper and lower limit values of the outer loop power controller of VSC-HVDC, and the reactive power generated by the VSC-HVDC can be rapidly adjusted. Therefore, the problem of excessive reactive power demand during the recovery process can be solved and the reactive power demand can be satisfied with the proposed strategy. Moreover, the ability of VSC-HVDC to provide reactive power support can be fully utilized. Finally, a simulation model of a hybrid tri-infeed HVDC system is built using PSCAD/EMTDC (Version 4.6.2) software to verify the effectiveness of the proposed control strategy. Full article
(This article belongs to the Special Issue Power Systems: Stability Analysis and Control)
Show Figures

Figure 1

25 pages, 7436 KB  
Article
How Cloud Feedbacks Modulate the Tibetan Plateau Thermal Forcing: A Lead–Lag Perspective
by Fangling Bao, Husi Letu and Ri Xu
Remote Sens. 2026, 18(1), 122; https://doi.org/10.3390/rs18010122 - 29 Dec 2025
Viewed by 219
Abstract
The thermal forcing of the Tibetan Plateau (TP) significantly influences the Asian summer monsoon. However, its interaction with cloud feedbacks remains unclear due to the limitations of synchronous analysis and traditional cloud classification over the TP. By applying an improved cloud-classification algorithm—which integrates [...] Read more.
The thermal forcing of the Tibetan Plateau (TP) significantly influences the Asian summer monsoon. However, its interaction with cloud feedbacks remains unclear due to the limitations of synchronous analysis and traditional cloud classification over the TP. By applying an improved cloud-classification algorithm—which integrates cloud microphysical properties to improve low-cloud detection—to CERES data (2001–2023), we generated a long-term cloud-type dataset. Combined with ERA5 reanalysis data, we systematically analyzed the trends and lead–lag relationships among cloud vertical structure, surface radiation, cloud radiative forcing (CRF), heat fluxes, snowfall, and the TP Monsoon Index (TPMI). Results indicate a vertical cloud redistribution over the TP, with high cloud cover (HCC) decreasing and low cloud cover (LCC) increasing. HCC is strongly synchronized with snowfall and significantly affects surface radiation, while net CRF and sensible heat flux show delayed responses, peaking when HCC leads by about one month. A composite analysis of winter low-HCC events reveals that reduced HCC suppresses snowfall, weakens net CRF, and reduces sensible heat flux after approximately 1–2 months, while the TPMI shows a significant response around month zero. These findings highlight the key role of cloud–radiation–snowfall interactions in modulating TP thermal forcing. Full article
Show Figures

Figure 1

17 pages, 5553 KB  
Article
Catalytic Reductive Fractionation of Castor Shells into Catechols via Tandem Metal Triflate and Pd/C Catalysis
by Jianan Hu, Weimin Zheng, Hao Li, Fuzhong Jiang, Jinlan Cheng, Bo Jiang, Tingwei Zhang and Chaofeng Zhang
Molecules 2026, 31(1), 120; https://doi.org/10.3390/molecules31010120 - 29 Dec 2025
Viewed by 143
Abstract
In this work, the one-pot catalytic reductive fractionation of C-lignin in castor shell powders to efficiently provide catechyl monomers was achieved by tandem metal triflate and Pd/C catalysis. The optimized Pd/C + In(OTf)3 combination performed best and provided a 66.9 mg·g−1 [...] Read more.
In this work, the one-pot catalytic reductive fractionation of C-lignin in castor shell powders to efficiently provide catechyl monomers was achieved by tandem metal triflate and Pd/C catalysis. The optimized Pd/C + In(OTf)3 combination performed best and provided a 66.9 mg·g−1 yield of corresponding aromatic monomers with the catechol selectivity as high as 95.4%. For the promotion effect of the Lewis acid species, the mechanism studied indicated that the introduction of In3+ could significantly promote the C–O bond cleavage in the LCC to release the C-lignin fragments from the solid lignocellulose and simultaneously accelerate the cleavage of the critical Cα/β–OAr linkage bond in C-lignin to release catechol monomers. In addition, performance differences highlight the cooperation and function-matching effect between the hydrogenation metals and the Lewis ion species, which can promote the high-value utilization of forestry and agricultural residues in chemical synthesis. Full article
Show Figures

Graphical abstract

25 pages, 8749 KB  
Article
Hamiltonian Control Law with State Observer on Practical Design of Wireless Power Transfer for Autonomous Guided Vehicle Battery Charging Applications
by Worapong Pairindra, Nattapon Somboonpanya, Supakorn Ketjaem, Suwaphit Phongsawat, Teeraphon Phophongviwat, Phatiphat Thounthong, Noureddine Takorabet and Surin Khomfoi
World Electr. Veh. J. 2026, 17(1), 16; https://doi.org/10.3390/wevj17010016 - 26 Dec 2025
Viewed by 173
Abstract
This paper presents the design and calculation of wireless power transfer (WPT) integrated with the Hamiltonian Control Law. The proposed controller demonstrates greater effectiveness in terms of system stability and precise energy control, as compared to the commonly used PI controller in industrial [...] Read more.
This paper presents the design and calculation of wireless power transfer (WPT) integrated with the Hamiltonian Control Law. The proposed controller demonstrates greater effectiveness in terms of system stability and precise energy control, as compared to the commonly used PI controller in industrial applications. The proposed prototype has been built for assessment in both simulation and implementation, with a rated output power of 500 W and 48 V. The load-independent compensating topology, such as the LCC-S resonant tank, is used to transmit power wirelessly through an air core. Finally, in the last stage, the Hamiltonian Control Law with state observer is applied on the dc-to-dc buck mode converter to control the battery current and overall system. Apparently, the charging current can be precisely regulated to a specific value. Full article
(This article belongs to the Section Charging Infrastructure and Grid Integration)
Show Figures

Figure 1

24 pages, 2748 KB  
Article
The Effect of Solar Control Films on Enhancing the Energy Efficiency of Historic Buildings
by Miroslaw Zukowski, Giovanni Semprini and Krzysztof Rajski
Energies 2026, 19(1), 97; https://doi.org/10.3390/en19010097 - 24 Dec 2025
Viewed by 266
Abstract
The use of solar control foils (SCFs) is a minimally invasive method that enables energy savings while preserving the original character of historic building facades. This study analysed the energy reduction potential of four types of window films applied to single-pane glazing. A [...] Read more.
The use of solar control foils (SCFs) is a minimally invasive method that enables energy savings while preserving the original character of historic building facades. This study analysed the energy reduction potential of four types of window films applied to single-pane glazing. A typical office space at the University of Bologna, located in a historic building, served as a case study. Building performance simulations using DesignBuilder and Berkeley Lab Optics software were applied as research tools. The potential reduction in cooling energy consumption by using SCFs can be up to about 35% in humid subtropical (Bologna) and Mediterranean (Seville) climates. A decrease of about 53% can be achieved in a temperate oceanic climate (Paris). Due to the reduction in heat gains from solar radiation, there is an increase in energy consumption for heating by 6% to even 50% and up to a maximum of about 15% for artificial lighting. Financial indicators such as LCC, NPV, and IRR were used to select the optimal option. The recommended solution was an SCF installed on the inside of the window with SHGC of 0.452, a visible transmittance of 0.361, and an inside reflectance of 0.195. Additionally, this study proposes a method for correcting heating and cooling energy demand results calculated based on data for a typical meteorological year and weather parameters measured over the past 19 years. This allows for the validity of energy simulation results by taking into account current climate changes. Full article
(This article belongs to the Section G: Energy and Buildings)
Show Figures

Figure 1

19 pages, 6591 KB  
Article
A Transformer-Assisted LCC-S Wireless Charging System for Wide-Load High-Efficiency Operation
by Guozheng Zhang, Yuyu Zhu, Haoran Li, Xin Cao and Muhammad Meisam Kazmi
Electronics 2026, 15(1), 67; https://doi.org/10.3390/electronics15010067 - 23 Dec 2025
Viewed by 166
Abstract
Wireless power transfer is gaining attention in medium-to-short-range applications such as 1–3 kW-class UAVs and AGVs due to its safety, reliability, and adaptability to complex environments. The LCC-S topology is widely adopted due to its favorable output characteristics and device voltage-stress distribution. However, [...] Read more.
Wireless power transfer is gaining attention in medium-to-short-range applications such as 1–3 kW-class UAVs and AGVs due to its safety, reliability, and adaptability to complex environments. The LCC-S topology is widely adopted due to its favorable output characteristics and device voltage-stress distribution. However, under fixed coil parameters and operating frequencies, conventional LCC-S achieves high efficiency only near the optimal equivalent load. When the actual load deviates from this value—especially in heavy-load regions—resonant cavity current increases sharply, voltage gain drops significantly, and overall efficiency deteriorates. To overcome this structural limitation without increasing control complexity or adding active regulation stages, this paper proposes a transformer-assisted LCC-S wireless charging topology based on “equivalent load reconstruction.” First, a unified equivalent circuit is constructed to derive analytical expressions for voltage gain, input impedance, and efficiency under arbitrary coupling coefficients and loads for both the traditional LCC-S and the proposed topology, revealing the mechanism behind efficiency degradation under heavy loads. Building upon this foundation, a high-frequency transformer is introduced, with an efficiency-oriented collaborative design method for its turns ratio and excitation inductance. Furthermore, by integrating simplified copper and iron-loss models, the losses in the resonant cavity and the transformer are decomposed and evaluated. Results demonstrate that when transformer parameters are appropriately selected, the newly introduced transformer losses are significantly smaller than the resonant cavity losses reduced through load reconstruction. The constructed 1 kW, 85 kHz prototype demonstrates that within the 0.5–2.5 Ω load range, the proposed topology achieves efficiency exceeding 88%. Under typical heavy-load conditions, its peak efficiency surpasses that of the conventional LCC-S by approximately 20%. The theoretical analysis, simulation, and experimental results are highly consistent, verifying that the transformer-assisted LCC-S topology and its efficiency-oriented design method can effectively expand the high-efficiency operating range across a wide load spectrum without altering the control strategy. This provides a concise and feasible structural optimization solution for wireless charging systems. Full article
Show Figures

Figure 1

25 pages, 5229 KB  
Article
Low-Carbon Layout Optimization and Scheme Comparison of LID Facilities in Arid Regions Based on NSGA-III
by Yuchang Shang, Jie Liu, Qiao Chen and Lirong Li
Water 2026, 18(1), 50; https://doi.org/10.3390/w18010050 - 23 Dec 2025
Viewed by 310
Abstract
In arid regions, rainfall is scarce, summer-concentrated, and prone to extreme events, while evaporation exceeds precipitation, creating fragile ecosystems that need scientific stormwater management for flood resilience. Sponge cities, through the implementation of green infrastructure, can alleviate urban flooding, improve rainwater utilization, and [...] Read more.
In arid regions, rainfall is scarce, summer-concentrated, and prone to extreme events, while evaporation exceeds precipitation, creating fragile ecosystems that need scientific stormwater management for flood resilience. Sponge cities, through the implementation of green infrastructure, can alleviate urban flooding, improve rainwater utilization, and enhance the urban ecological environment. Under the “dual carbon” target, sponge city construction has gained new developmental significance. It must not only ensure core functions and minimize construction costs but also fully leverage its carbon reduction potential, thereby serving as a crucial pathway for promoting urban green and low-carbon development. Therefore, this study focused on Xining, a typical arid city in Northwest China, and couples the Non-dominated Sorting Genetic Algorithm-III (NSGA-III) with the Storm Water Management Model (SWMM) to construct a multi-objective optimization model for Low Impact Development (LID) facilities. The layout optimization design of LID facilities is conducted from three dimensions: life cycle cost (LCC), rainwater utilization rate (K), and carbon emission intensity (CI). Hydrological simulations and scheme optimizations were performed under different design rainfall events. Subsequently, the entropy-weighted TOPSIS method was utilized to evaluate and compare these optimized schemes. It is shown by the results that: (1) The optimized LID schemes achieved a K of 76.2–80.43%, an LCC of 2.413–3.019 billion yuan, and a CI of −2.8 to 0.19 kg/m2; (2) Compared with the no-LID scenario, the optimized scheme significantly enhanced hydrological regulation, flood mitigation, and pollutant removal. Under different rainfall return periods, the annual runoff control rate increased from 64.97% to 80.66–82.23%, with total runoff reduction rates reaching 46.41–49.26% and peak flow reductions of 45–47.62%. Under the rainfall event with a 10-year return period, the total number of waterlogging nodes decreased from 108 to 82, and the number of nodes with a ponding duration exceeding 1 h was reduced by 62.5%. The removal efficiency of total suspended solids (TSS) under the optimized scheme remained stable above 60%. The optimized scheme is highly adaptable to the rainwater management needs of arid areas by prioritizing “infiltration and retention”. Vegetative swales emerge as the primary facility due to their low cost and high carbon sink capacity. This study provides a feasible pathway and decision-making support for the low-carbon layout of LID facilities in arid regions. Full article
Show Figures

Figure 1

46 pages, 614 KB  
Systematic Review
Intelligent Ventilation and Indoor Air Quality: State of the Art Review (2017–2025)
by Carlos Rizo-Maestre, José María Flores-Moreno, Amor Nebot Sanz and Víctor Echarri-Iribarren
Buildings 2026, 16(1), 65; https://doi.org/10.3390/buildings16010065 - 23 Dec 2025
Viewed by 442
Abstract
Intelligent ventilation is positioned as a key axis for reconciling energy efficiency and indoor air quality (IAQ) in residential and non-residential buildings. This review synthesizes 51 recent publications covering control strategies (DCV, MPC, reinforcement learning), IoT architectures and sensor validation, energy recovery (HRV/ERV, [...] Read more.
Intelligent ventilation is positioned as a key axis for reconciling energy efficiency and indoor air quality (IAQ) in residential and non-residential buildings. This review synthesizes 51 recent publications covering control strategies (DCV, MPC, reinforcement learning), IoT architectures and sensor validation, energy recovery (HRV/ERV, anti-frost strategies, low-loss exchangers, PCM-air), active envelope solutions (thermochromic windows) and passive solutions (EAHE), as well as evaluation methodologies (uncertainty, LCA, LCC, digital twin) and smart readiness indicator (SRI) frameworks. Evidence shows ventilation energy savings of up to 60% without degrading IAQ when control is well-designed, but also possible overconsumption when poorly parameterized or contextualized. Performance uncertainty is strongly influenced by occupant emissions and pollutant sources (bioeffluents, formaldehyde, PM2.5). The integration of predictive control, scalable IoT networks, and robust energy recovery, together with life-cycle evaluation and uncertainty analysis, enables more reliable IAQ-energy balances. Gaps are identified in VOC exposure under DCV, robustness to sensor failures, generalization of ML/RL models, and standardization of ventilation effectiveness metrics in natural/mixed modes. Full article
(This article belongs to the Special Issue Indoor Air Quality and Ventilation in the Era of Smart Buildings)
Show Figures

Figure 1

26 pages, 10619 KB  
Article
Multi-Objective Structural Optimization and Attitude Control for Space Solar Power Station
by Junpeng Ma, Weiqiang Li, Wei Wu, Hao Zhang, Yuheng Dong, Yang Yang, Xiangfei Ji and Guanheng Fan
Aerospace 2026, 13(1), 9; https://doi.org/10.3390/aerospace13010009 - 23 Dec 2025
Viewed by 150
Abstract
The Space Solar Power Station/Satellite (SSPS) is a large-scale space-borne facility intended for the direct collection and conversion of solar energy in the extra-stratospheric region. The optimization of its light collection and conversion (LCC) structures, analysis of dynamic characteristics, and design of attitude [...] Read more.
The Space Solar Power Station/Satellite (SSPS) is a large-scale space-borne facility intended for the direct collection and conversion of solar energy in the extra-stratospheric region. The optimization of its light collection and conversion (LCC) structures, analysis of dynamic characteristics, and design of attitude control systems represent core technical bottlenecks impeding the advancement of SSPS. To address these issues, this study investigates a novel conceptual line-focusing SSPS. Firstly, a multi-objective collaborative optimization model is developed to optimize the structural parameters of the concentrator and photovoltaic (PV) array. Subsequently, based on the optimized parameters, a coupled multi-body dynamic model is formulated, incorporating gravity-gradient torque and other space-borne disturbance factors. Finally, a distributed Proportional–Integral–Derivative (PID) controller is proposed to achieve three-axis attitude stabilization of the SSPS. Simulation results demonstrate that the light collection efficiency achieves 81.9% with a power density of 4792.24 W/m2; concurrently, a balance between the geometric parameters of the LCC system and the aforementioned key performance indicators is attained, and the proposed controller possesses favorable anti-disturbance performance. Full article
(This article belongs to the Section Astronautics & Space Science)
Show Figures

Figure 1

32 pages, 2680 KB  
Article
Multi-Criteria Analysis of Different Renovation Scenarios Applying Energy, Economic, and Thermal Comfort Criteria
by Evangelos Bellos and Dimitra Gonidaki
Appl. Sci. 2026, 16(1), 95; https://doi.org/10.3390/app16010095 - 21 Dec 2025
Viewed by 222
Abstract
Sustainable renovation is a critical aspect for designing energy-efficient buildings with reasonable cost and high indoor living standards. The objective of this paper is to investigate various renovation scenarios for an old, uninsulated building with a floor area of 100 m2 located [...] Read more.
Sustainable renovation is a critical aspect for designing energy-efficient buildings with reasonable cost and high indoor living standards. The objective of this paper is to investigate various renovation scenarios for an old, uninsulated building with a floor area of 100 m2 located in Athens, aiming to determine the global optimal solution through a multi-criteria analysis. The multi-criteria analysis considers energy, economic, and thermal comfort criteria to perform a multi-lateral approach. Specifically, the criteria are: (i) maximization of the energy savings, (ii) minimization of the life cycle cost (LCC), and (iii) minimization of the mean annual predicted percentage of dissatisfied (PPD). These criteria are combined within a multi-criteria evaluation procedure that employs a global objective function for determining a global optimum solution. The examined retrofitting actions are the addition of external insulation, the replacement of the existing windows with triple-glazed windows, the addition of shading in the openings in the summer, the application of cool roof dyes, the use of a mechanical ventilation system with a heat recovery unit, and the installation of a highly efficient heat pump system. The interventions were examined separately, and the combined renovation scenarios were studied by including them in the external insulation because of their high importance. The present study encompassed the investigation of a baseline scenario and 26 different renovation scenarios, conducted through dynamic simulation on an annual basis. The results of the present analysis indicated that the global optimal renovation scenario, including the addition of external insulation, the installation of highly efficient heat pumps, and the use of shading in the openings in the summer, saved energy by 74% compared to the baseline scenario. The LCC was approximately EUR 33,000, the simple payback period of the renovation process was around 6 years, the annual CO2 emissions avoidance reached 4.6 tnCO2, and the PPD was at 9.7%. An additional sensitivity analysis for determining the optimal choice under varying weights assigned to the criteria revealed that this renovation design is the most favorable option in most cases. These results prove that the suggested renovation scenario is a feasible and viable solution that leads to a sustainable design from multiple perspectives. Full article
(This article belongs to the Special Issue Advances in the Energy Efficiency and Thermal Comfort of Buildings)
Show Figures

Figure 1

14 pages, 2209 KB  
Article
Association Between Lipid-Lowering Therapy and Differences in the Distribution of LDL-C, apoB and non-HDL-C
by Marcin Ziółkowski, Karolina Obońska, Jakub Ratajczak, Piotr Adamski, Maciej Banach, Krzysztof Chlebus, Klaudyna Grzelakowska, Piotr Jankowski, Magdalena Krintus, Jacek Kryś, Ewa Laskowska, Natalia Mrzywka, Piotr Niezgoda, Małgorzata Ostrowska, Przemysław Podhajski, Grzegorz Skonieczny, Bożena Sosnowska, Łukasz Szarpak, Małgorzata Topolska, Julia Umińska, Alicja Rzepka-Cholasińska, Eliano Pio Navarese and Jacek Kubicaadd Show full author list remove Hide full author list
J. Clin. Med. 2026, 15(1), 26; https://doi.org/10.3390/jcm15010026 - 20 Dec 2025
Viewed by 319
Abstract
Background: The diagnosis of hypercholesterolemia relies on the laboratory assessment of lipid parameters. This study aimed to evaluate differences in the distribution of low-density lipoprotein cholesterol (LDL-C), non-high-density lipoprotein cholesterol (non-HDL-C), and apolipoprotein B (apoB) concentrations according to the presence and type of [...] Read more.
Background: The diagnosis of hypercholesterolemia relies on the laboratory assessment of lipid parameters. This study aimed to evaluate differences in the distribution of low-density lipoprotein cholesterol (LDL-C), non-high-density lipoprotein cholesterol (non-HDL-C), and apolipoprotein B (apoB) concentrations according to the presence and type of lipid-lowering therapy (LLT). Methods: This retrospective analysis included consecutive patients who had at least one measurement of LDL-C, apoB, and non-HDL-C between March and November 2024 in a high-volume tertiary hospital. All lipid fractions were expressed as the percentages of measurements above or below cut-off values established by the recent ESC guidelines. Subgroup analysis based on LLT type was performed, with patients categorized as receiving either single or combined LLT. Results: A total of 5048 patients were included in the analysis. Among patients receiving LLT, most were on statin monotherapy (77.3%), predominantly atorvastatin. Combined therapy, primarily statin plus ezetimibe, was used in 22.7% of treated patients. Discordance between on-target apoB levels and elevated LDL-C concentrations occurred in 26.6% of untreated and 13.6% of all treated patients, and in 15.1% and 8.6% of single and combined-LLT patients, respectively. Similarly, discordance between on-target non-HDL-C and elevated LDL-C levels was observed in 13.5% of untreated and 7.5% of all treated patients, and in 8.4% and 4.8% of single and combined-LLT patients, respectively. Conclusions: Classification of hyperlipidemia based on LDL-C, non-HDL-C, and apoB concentrations reveals significant discrepancies between these markers, especially between LDL-C and apoB. LLT reduces these discrepancies with combined LLT being particularly effective. Full article
(This article belongs to the Section Cardiology)
Show Figures

Figure 1

29 pages, 4553 KB  
Article
Integrating Machine Learning Temporal Disaggregation and Physics-Based Simulation for Lifecycle Assessment of Buildings
by Giannis Iakovides, Renos Rotas, Petros Iliadis, Stefanos Petridis, Nikos Nikolopoulos and Elias Kosmatopoulos
Energies 2026, 19(1), 21; https://doi.org/10.3390/en19010021 - 19 Dec 2025
Viewed by 256
Abstract
This study presents an integrated framework for lifecycle assessment (LCA) and lifecycle costing (LCC) of buildings and districts that combines machine learning-based temporal disaggregation, physics-based simulation, and holistic environmental evaluation. The methodology addresses a key limitation of conventional LCA practice: the reliance on [...] Read more.
This study presents an integrated framework for lifecycle assessment (LCA) and lifecycle costing (LCC) of buildings and districts that combines machine learning-based temporal disaggregation, physics-based simulation, and holistic environmental evaluation. The methodology addresses a key limitation of conventional LCA practice: the reliance on temporally aggregated energy data, which obscures daily and seasonal variability affecting environmental and economic indicators. A hierarchical disaggregation algorithm was used to reconstruct hourly electricity profiles from monthly totals and was coupled with the INTEMA building energy performance simulator and the VERIFY LCA/LCC platform. The disaggregation algorithm was validated on an office building in Cardiff, UK, supported by cross-validation across multiple UK office buildings, and achieved strong agreement with measured hourly consumption (R2 = 0.81, RMSE = 3.71 kWh). In the Cardiff case, the reconstructed hourly profiles reproduced lifecycle greenhouse gas emissions and costs within 0.5% of the reference hourly measurement approach, compared with deviations of 44.1% and 2.9% under conventional monthly aggregation. The complete hybrid framework was then applied to a district in Massagno, Switzerland, encompassing eight buildings with heterogeneous typologies, for which only aggregated energy data were available (monthly for the office building and annual for the others). Over a 20-year horizon, total emissions reached 9429 tCO2-eq and primary energy demand approached 226 GWh, equivalent to 41 kgCO2-eq·m−2·yr−1. The results illustrate the framework’s applicability to multi-building systems and its ability to support LCA and LCC in contexts with limited temporal data availability. Full article
Show Figures

Figure 1

23 pages, 921 KB  
Article
Energy Efficiency and Environmental Sustainability: Investigating the Moderating Role of Trade Openness in Türkiye
by Mehmet Aslan and Fatma Nalbant
Sustainability 2026, 18(1), 44; https://doi.org/10.3390/su18010044 - 19 Dec 2025
Viewed by 244
Abstract
This study investigates the role of fossil fuel energy efficiency (FFE) in shaping environmental sustainability in Türkiye, with particular emphasis on the moderating effect of trade openness (TO) over the period 1982–2023. Environmental sustainability is proxied by the Load Capacity Factor (LCF), which [...] Read more.
This study investigates the role of fossil fuel energy efficiency (FFE) in shaping environmental sustainability in Türkiye, with particular emphasis on the moderating effect of trade openness (TO) over the period 1982–2023. Environmental sustainability is proxied by the Load Capacity Factor (LCF), which integrates ecological footprint and biocapacity within the Load Capacity Curve (LCC) framework. Long-run relationships are examined using the Fourier ARDL bounds testing approach to account for structural breaks, while coefficient robustness is ensured through Fully Modified Ordinary Least Squares (FMOLS) and Canonical Cointegrating Regression (CCR) estimators. The empirical findings indicate that improvements in energy efficiency contribute positively to environmental sustainability, and this effect is significantly strengthened when energy efficiency interacts with trade openness (FFE × TO). This suggests that trade openness enhances the environmental gains of energy efficiency through technological spillovers. In addition, the results reveal an inverted-N-shaped nonlinear relationship between economic growth and environmental sustainability, indicating varying environmental pressures across different income levels. Overall, the findings highlight the importance of integrating trade policies with energy efficiency-oriented green technology strategies to achieve sustainable environmental outcomes in Türkiye. Full article
(This article belongs to the Section Environmental Sustainability and Applications)
Show Figures

Figure 1

17 pages, 4256 KB  
Article
Research and Design of a Single-Switch Wireless Power Transfer System with Misalignment-Tolerant Characteristics
by Chuan Yang, Liguo Zhang, Wenge Huang, Yi Yang and Ke Guo
World Electr. Veh. J. 2026, 17(1), 1; https://doi.org/10.3390/wevj17010001 - 19 Dec 2025
Viewed by 238
Abstract
To address the issue that the output voltage and power of medium- and low-power wireless power transfer (WPT) systems cannot remain constant under coil misalignment, this paper proposes a single-switch WPT system with misalignment-tolerant characteristics. Based on a single-switch topology, the system combines [...] Read more.
To address the issue that the output voltage and power of medium- and low-power wireless power transfer (WPT) systems cannot remain constant under coil misalignment, this paper proposes a single-switch WPT system with misalignment-tolerant characteristics. Based on a single-switch topology, the system combines the LCC-S and S-S compensation networks through an input-series and output-series connection, forming a simplified hybrid-compensated single-switch WPT topology. By exploiting the complementary output characteristics of the two compensation networks, a stable output voltage is achieved under varying mutual inductance conditions. To further enhance misalignment adaptability, a grid-type flat spiral (GFSP) coil is designed for the magnetic coupler. This coil configuration avoids magnetic flux cancelation during lateral displacement, while maintaining a consistent mutual inductance variation trend between the dual windings, thereby exhibiting strong tolerance to misalignment along the X-axis. The proposed system is validated through MATLAB/Simulink simulations and experiments on a 50 W prototype. The results demonstrate that the system maintains resonance and achieves zero-voltage switching (ZVS) of the power device under ±60 mm X-axis misalignment, with output voltage fluctuation below 4% and efficiency fluctuation below 3%, verifying the proposed system’s effectiveness in misalignment tolerance. Full article
(This article belongs to the Section Charging Infrastructure and Grid Integration)
Show Figures

Figure 1

Back to TopTop