Sign in to use this feature.

Years

Between: -

Subjects

remove_circle_outline
remove_circle_outline
remove_circle_outline
remove_circle_outline
remove_circle_outline
remove_circle_outline
remove_circle_outline
remove_circle_outline
remove_circle_outline

Journals

remove_circle_outline
remove_circle_outline
remove_circle_outline

Article Types

Countries / Regions

remove_circle_outline
remove_circle_outline
remove_circle_outline
remove_circle_outline

Search Results (636)

Search Parameters:
Keywords = DC power flows

Order results
Result details
Results per page
Select all
Export citation of selected articles as:
26 pages, 3495 KB  
Article
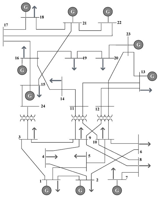
Optimal Electrical Dispatch by Time Blocks in Systems with Conventional Generation, Renewable, and Storage Systems Using DC Flows
by Erika Paredes, Edwin Chilig and Juan Lata-García
Appl. Sci. 2026, 16(3), 1372; https://doi.org/10.3390/app16031372 - 29 Jan 2026
Abstract
Sustained demand growth and the increasing share of renewable energy sources pose challenges for the operation of modern electrical systems. The variability in wind and solar photovoltaic generation causes temporary imbalances between supply and demand, requiring the incorporation of energy management and storage [...] Read more.
Sustained demand growth and the increasing share of renewable energy sources pose challenges for the operation of modern electrical systems. The variability in wind and solar photovoltaic generation causes temporary imbalances between supply and demand, requiring the incorporation of energy management and storage strategies to guarantee supply. In this context, the need arises to develop optimization models that allow for efficient energy dispatch, minimizing costs and promoting the appropriate use of both conventional and renewable resources. This study formulated a time block dispatch optimization model implemented in the IEEE 24-node system, integrating thermal, hydroelectric, photovoltaic, wind, and energy storage systems. The methodology was based on DC power flows and was developed in MATLAB R2024b, incorporating nodal balance constraints, transmission and generation capacity limits, as well as the operating conditions of the storage systems. The model allowed for the evaluation of both energy and economic performance, validating its behavior under conditions of peak demand and renewable variability. The results demonstrate that the inclusion of energy storage systems allows for a reduction in high-cost thermal generation, optimizing demand coverage with a greater share of renewable energy. An average storage efficiency of 85.5% was achieved, and total system costs were reduced by USD 40,392.39 per day, equivalent to annual savings of USD 14.75 million. Furthermore, power flows remained below 85% of transmission capacity, confirming the proper operation of the grid. In this sense, the model fulfills the proposed objectives and proves to be a tool for energy planning and the technical-economic integration of storage in electrical networks. Full article
(This article belongs to the Special Issue Renewable Energy and Electrical Power System)
Show Figures

Figure 1

19 pages, 1542 KB  
Article
Modeling and Validating Photovoltaic Park Energy Profiles for Improved Management
by Robert-Madalin Chivu, Mariana Panaitescu, Fanel-Viorel Panaitescu and Ionut Voicu
Sustainability 2026, 18(3), 1299; https://doi.org/10.3390/su18031299 - 28 Jan 2026
Abstract
This paper presents the design, modeling and experimental validation of an on-grid photovoltaic system with self-consumption, sized for the sustainable supply of a water pumping station. The system, composed of 68 photovoltaic panels, uses an architecture based on a Boost DC-DC converter controlled [...] Read more.
This paper presents the design, modeling and experimental validation of an on-grid photovoltaic system with self-consumption, sized for the sustainable supply of a water pumping station. The system, composed of 68 photovoltaic panels, uses an architecture based on a Boost DC-DC converter controlled by the Perturb and Observe algorithm, raising the operating voltage to a high-voltage DC bus to maximize the conversion efficiency. The study integrates dynamic performance analysis through simulations in the Simulink environment, testing the stability of the DC bus under sudden irradiance shocks, with rigorous experimental validation based on field production data. The simulation results, which indicate a peak DC power of approximately 34 kW, are confirmed by real monitoring data that records a maximum of 35 kW, the error being justified by the high efficiency of the panels and system losses. Long-term validation, carried out over three years of operation (2023–2025), demonstrates the reliability of the technical solution, with the system generating a total of 124.68 MWh. The analysis of energy flows highlights a degree of self-consumption of 60.08%, while the absence of chemical storage is compensated for by injecting the surplus of 49.78 MWh into the national grid, which is used as an energy buffer. The paper demonstrates that using the grid to balance night-time or meteorological deficits, in combination with a stabilized DC bus, represents an optimal technical-economic solution for critical pumping infrastructures, eliminating the maintenance costs of the accumulators and ensuring continuous operation. Full article
(This article belongs to the Special Issue Advanced Study of Solar Cells and Energy Sustainability)
Show Figures

Figure 1

19 pages, 1894 KB  
Article
Modeling the Characteristics of an Alkaline Electrolyzer When Powered by a Rectangular Pulse Train
by Krzysztof Górecki, Michał Lewandowski and Przemysław Ptak
Energies 2026, 19(3), 622; https://doi.org/10.3390/en19030622 - 25 Jan 2026
Viewed by 113
Abstract
This paper presents the results of modeling the DC and dynamic characteristics of an alkaline electrolyzer. A model of such an electrolyzer is proposed as a subcircuit for the SPICE software. This model describes DC and dynamic current–voltage characteristics of the electrolyzer, taking [...] Read more.
This paper presents the results of modeling the DC and dynamic characteristics of an alkaline electrolyzer. A model of such an electrolyzer is proposed as a subcircuit for the SPICE software. This model describes DC and dynamic current–voltage characteristics of the electrolyzer, taking into account the effect of solution concentration on the electrolyzer internal resistance and electrolyte capacitance, as well as the resistance and inductance of the leads. Using this model, one can calculate the voltage and current waveforms across the electrolyzer, as well as the gas flow rate produced by the electrolyzer. The correctness of the developed model was experimentally verified by powering the electrolyzer using a DC source and by powering the device using a voltage source, generating a rectangular pulse train with an adjustable frequency and duty cycle. The measurement system is described, and the obtained calculation and measurement results are presented and discussed. It was shown that the obtained calculation results differed minimally from the measurement results across a wide range of frequencies (from 0 to 50 kHz), duty cycles (from 0.3 to 0.7) of the supply voltage, and concentrations of the electrolyte (from 0.1 to 10%). The mean square error, normalized to peak measured values of each considered quantity, does not exceed 4%. Full article
(This article belongs to the Section A5: Hydrogen Energy)
14 pages, 2316 KB  
Article
Experimental Characterization and Validation of a PLECS-Based Hardware-in-the-Loop (HIL) Model of a Dual Active Bridge (DAB) Converter
by Armel Asongu Nkembi, Danilo Santoro, Nicola Delmonte and Paolo Cova
Energies 2026, 19(2), 563; https://doi.org/10.3390/en19020563 - 22 Jan 2026
Viewed by 66
Abstract
Hardware-in-the-loop (HIL) simulation is an essential tool for rapid and cost-effective development and validation of power-electronic systems. The primary objective of this work is to validate and fine-tune a PLECS-based HIL model of a single dual active bridge (DAB) DC-DC converter, thereby laying [...] Read more.
Hardware-in-the-loop (HIL) simulation is an essential tool for rapid and cost-effective development and validation of power-electronic systems. The primary objective of this work is to validate and fine-tune a PLECS-based HIL model of a single dual active bridge (DAB) DC-DC converter, thereby laying the foundation for building more complex models (e.g., multiple converters connected in series or parallel). To this end, the converter is experimentally characterized, and the HIL model is validated across a wide range of operating conditions by varying the PWM phase-shift angle, voltage gain, switching frequency, and leakage inductance. Power transfer and efficiency are analyzed to quantify the influence of these parameters on converter performance. These experimental trends provide insight into the optimal modulation range and the dominant loss mechanisms of the DAB under single phase shift (SPS) control. A detailed comparison between HIL simulations and hardware measurements, based on transferred power and efficiency, shows close agreement across all the tested operating points. These results confirm the accuracy and robustness of the proposed HIL model, demonstrate the suitability of the PLECS platform for DAB development and control validation, and support its use as a scalable basis for more complex multi-converter studies, reducing design time and prototyping risk. Full article
Show Figures

Figure 1

19 pages, 59527 KB  
Article
Hierarchical Control System for a Multi-Port, Bidirectional MMC-Based EV Charging Station: A Model-in-the-Loop Validation
by Tomas Ravet, Cristobal Rodriguez, Matias Diaz, Daniel Velasquez, Roberto Cárdenas and Pat Wheeler
Processes 2026, 14(2), 384; https://doi.org/10.3390/pr14020384 - 22 Jan 2026
Viewed by 73
Abstract
The increasing demand for high-power electric vehicle charging systems with Vehicle-to-Grid (V2G) capability highlights the need for modular, scalable power converters. This paper proposes a hierarchical control strategy for a high-power, multi-port electric vehicle charging station. The system, based on a Series-Parallel Modular [...] Read more.
The increasing demand for high-power electric vehicle charging systems with Vehicle-to-Grid (V2G) capability highlights the need for modular, scalable power converters. This paper proposes a hierarchical control strategy for a high-power, multi-port electric vehicle charging station. The system, based on a Series-Parallel Modular Multilevel Converter (SP-MMC) with isolated modules, is managed by a coordinated control strategy that integrates proportional-integral-resonant regulators, nearest-level control with voltage sorting, and single-phase-shifted modulation. The proposed system enables simultaneous, independent regulation of multiple bidirectional, isolated direct current ports while maintaining grid-side power quality and internal variables of the SP-MMC. The proposed control is validated using real-time Model-In-the-Loop (MIL) simulations that include sequential port activation, bidirectional power flow, and charging operation. MIL results demonstrate stable operation with controlled DC-link voltage ripple, accurate per-port current tracking, and near-unity grid power factor under multi-port operation. Full article
Show Figures

Figure 1

28 pages, 1402 KB  
Article
Solid-State Transformers in the Global Clean Energy Transition: Decarbonization Impact and Lifecycle Performance
by Nikolay Hinov
Energies 2026, 19(2), 558; https://doi.org/10.3390/en19020558 - 22 Jan 2026
Viewed by 142
Abstract
The global clean energy transition requires power conversion technologies that combine high efficiency, operational flexibility, and reduced environmental impact over their entire service life. Solid-state transformers (SSTs) have emerged as a promising alternative to conventional line-frequency transformers, offering bidirectional power flow, high-frequency isolation, [...] Read more.
The global clean energy transition requires power conversion technologies that combine high efficiency, operational flexibility, and reduced environmental impact over their entire service life. Solid-state transformers (SSTs) have emerged as a promising alternative to conventional line-frequency transformers, offering bidirectional power flow, high-frequency isolation, and advanced control capabilities that support renewable integration and electrified infrastructures. This paper presents a comparative life cycle assessment (LCA) of conventional transformers and SSTs across representative power-system applications, including residential and industrial distribution networks, electric vehicle fast-charging infrastructure, and transmission–distribution interface substations. The analysis follows a cradle-to-grave approach and is based on literature-derived LCA data, manufacturer specifications, and harmonized engineering assumptions applied consistently across all case studies. The results show that, under identical assumptions, SST-based solutions are associated with indicative lifecycle CO2 emission reductions of approximately 10–30% compared to conventional transformers, depending on power rating and operating profile (≈90–1000 t CO2 over 25 years across the four cases). These reductions are primarily driven by lower operational losses and reduced material intensity, while additional system-level benefits arise from enhanced controllability and compatibility with renewable-rich and hybrid AC/DC grids. The study also identifies key challenges that influence the sustainability performance of SSTs, including higher capital cost, thermal management requirements, and the long-term reliability of power-electronic components. Overall, the results indicate that SSTs represent a relevant enabling technology for future low-carbon power systems, while highlighting the importance of transparent assumptions and lifecycle-oriented evaluation when comparing emerging grid technologies. Full article
(This article belongs to the Special Issue Challenges and Opportunities in the Global Clean Energy Transition)
Show Figures

Figure 1

30 pages, 4255 KB  
Article
Logistics–Energy Coordinated Scheduling in Hybrid AC/DC Ship–Shore Interconnection Architecture with Enabling Peak-Shaving of Quay Crane Clusters
by Fanglin Chen, Xujing Tang, Hang Yu, Chengqing Yuan, Tian Wang, Xiao Wang, Shanshan Shang and Songbin Wu
J. Mar. Sci. Eng. 2026, 14(2), 230; https://doi.org/10.3390/jmse14020230 - 22 Jan 2026
Viewed by 50
Abstract
With the gradual rise of battery-powered ships, the high-power charging demand during berthing is poised to exacerbate the peak-to-valley difference in the port grid, possibly leading to grid congestion and logistical disruption. To address this challenge, this paper proposes a bi-level coordinated scheduling [...] Read more.
With the gradual rise of battery-powered ships, the high-power charging demand during berthing is poised to exacerbate the peak-to-valley difference in the port grid, possibly leading to grid congestion and logistical disruption. To address this challenge, this paper proposes a bi-level coordinated scheduling scheme across both logistical operations and energy flow dispatch. Initially, by developing a refined model for the dynamic power characteristics of quay crane (QC) clusters, the surplus power capacity that can be stably released through an orderly QC operational delay is quantified. Subsequently, a hybrid AC/DC ship–shore interconnection architecture based on a smart interlinking unit (SIU) is proposed to utilize the QC peak-shaving capacity and satisfy the increasing shore power demand. In light of these, at the logistics level a coordinated scheduling of berths, QCs, and ships charging is performed with the objective of minimizing port berthing operational costs. At the energy flow level, the coordinated delay in QC clusters’ operations and SIU-enabled power dispatching are implemented for charging power support. The case studies demonstrate that, compared with the conventional independent operational mode, the proposed coordinated scheduling scheme enhances the shore power supply capability by utilizing the QC peak-shaving capability effectively. Moreover, as well as satisfying the charging demands of electric ships, the proposed scheme significantly reduces the turnaround time of ships and achieves a 39.29% reduction in port berthing operational costs. Full article
Show Figures

Figure 1

27 pages, 3479 KB  
Article
The Water Lifting Performance of a Photovoltaic Sprinkler Irrigation System Regulated by Solar-Coupled Compressed-Air Energy Storage
by Xiaoqing Zhong, Maosheng Ge, Zhengwen Tang, Pute Wu, Xin Hui, Qianwen Zhang, Qingyan Zhang and Khusen Sh. Gafforov
Agriculture 2026, 16(2), 154; https://doi.org/10.3390/agriculture16020154 - 8 Jan 2026
Viewed by 262
Abstract
Solar-driven irrigation, a promising clean technology for agricultural water conservation, is constrained by mismatched photovoltaic (PV) pump outflow and irrigation demand, alongside unstable PV output. While compressed-air energy storage (CAES) shows mitigation potential, existing studies lack systematic explorations of pump water-lifting characteristics and [...] Read more.
Solar-driven irrigation, a promising clean technology for agricultural water conservation, is constrained by mismatched photovoltaic (PV) pump outflow and irrigation demand, alongside unstable PV output. While compressed-air energy storage (CAES) shows mitigation potential, existing studies lack systematic explorations of pump water-lifting characteristics and supply capacity under coupled meteorological and air pressure effects, limiting its practical promotion. This study focuses on a solar-coupled compressed-air energy storage regulated sprinkler irrigation system (CAES-SPSI). Integrating experimental and theoretical methods, it establishes dynamic flow models for three DC diaphragm pumps considering combined PV output and outlet back pressure, introduces pressure loss and drop coefficients to construct a nozzle pressure dynamic model via calibration and iteration, and conducts a 1-hectare corn field case study. The results indicate the following: pump flow increases with PV power and decreases with outlet pressure (model deviation < 9.24%); nozzle pressure in pulse spraying shows logarithmic decline; CAES-SPSI operates 10 h/d, with hourly water-lifting capacity of 0.317–1.01 m3/h and daily cumulation of 6.71 m3; and the low-intensity and long-duration mode extends irrigation time, maintaining total volume and optimal soil moisture. This study innovatively incorporates dynamic air pressure potential energy into meteorological-PV coupling analysis, providing a universal method for quantifying pump flow changes, clarifying CAES-SPSI’s water–energy coupling mechanism, and offering a design basis for its agricultural application feasibility. Full article
(This article belongs to the Section Agricultural Water Management)
Show Figures

Figure 1

17 pages, 1196 KB  
Article
Coordinated Source–Network–Storage Expansion Planning of Active Distribution Networks Based on WGAN-GP Scenario Generation
by Dacheng Wang, Xuchen Wang, Minghui Duan, Zhe Wang, Yougong Su, Xin Liu, Xiangyi Wu, Hailong Nie, Fengzhang Luo and Shengyuan Wang
Energies 2026, 19(1), 228; https://doi.org/10.3390/en19010228 - 31 Dec 2025
Viewed by 274
Abstract
To address the challenges of insufficient uncertainty characterization and inadequate flexible resource coordination in active distribution network (ADN) planning under high-penetration distributed renewable energy integration, this paper proposes a WGAN-GP-based coordinated source–network–storage expansion planning method for ADNs. First, an improved Wasserstein Generative Adversarial [...] Read more.
To address the challenges of insufficient uncertainty characterization and inadequate flexible resource coordination in active distribution network (ADN) planning under high-penetration distributed renewable energy integration, this paper proposes a WGAN-GP-based coordinated source–network–storage expansion planning method for ADNs. First, an improved Wasserstein Generative Adversarial Network (WGAN-GP) model is employed to learn the statistical patterns of wind and photovoltaic (PV) power outputs, generating representative scenarios that accurately capture the uncertainty and correlation of renewable generation. Then, an ADN expansion planning model considering the E-SOP (Energy Storage-integrated Soft Open Point) is developed with the objective of minimizing the annual comprehensive cost, jointly optimizing the siting and sizing of substations, lines, distributed generators, and flexible resources. By integrating the energy storage system on the DC side of the SOP, E-SOP achieves coordinated spatial power flow regulation and temporal energy balancing, significantly enhancing system flexibility and renewable energy accommodation capability. Finally, a Successive Convex Cone Relaxation (SCCR) algorithm is adopted to solve the resulting non-convex optimization problem, enabling fast convergence to a high-precision feasible solution with few iterations. Simulation results on a 54-bus ADN demonstrate that the proposed method effectively reduces annual comprehensive costs and eliminates renewable curtailment while ensuring high renewable penetration, verifying the feasibility and superiority of the proposed model and algorithm. Full article
(This article belongs to the Section A: Sustainable Energy)
Show Figures

Figure 1

31 pages, 5337 KB  
Article
Energy Management in Multi-Source Electric Vehicles Through Multi-Objective Whale Particle Swarm Optimization Considering Aging Effects
by Nikolaos Fesakis, Christos Megagiannis, Georgia Eirini Lazaridou, Efstratia Sarafoglou, Aristotelis Tzouvaras and Athanasios Karlis
Energies 2026, 19(1), 154; https://doi.org/10.3390/en19010154 - 27 Dec 2025
Viewed by 325
Abstract
As the adoption of electric vehicles increases, hybrid energy storage systems (HESS) combining batteries and supercapacitors mitigate the conflict between high energy capacity and power demand, particularly during acceleration and transient loads. However, frequent current fluctuations accelerate battery degradation, reducing long-term performance. This [...] Read more.
As the adoption of electric vehicles increases, hybrid energy storage systems (HESS) combining batteries and supercapacitors mitigate the conflict between high energy capacity and power demand, particularly during acceleration and transient loads. However, frequent current fluctuations accelerate battery degradation, reducing long-term performance. This study presents a multi-objective Whale–Particle Swarm Optimization Algorithm (MOWPSO) for tuning the control parameters of a HESS composed of a lithium-ion battery and a supercapacitor. The proposed full-active configuration with dual bidirectional DC converters enables precise current sharing and independent regulation of energy and power flow. The optimization framework minimizes four objectives: mean battery current amplitude, cumulative aging index, final state-of-charge deviation, and an auxiliary penalty term promoting consistent battery–supercapacitor cooperation. The algorithm operates offline to identify Pareto-optimal controller settings under the Federal Test Procedure 75 cycle, while the selected compromise solution governs real-time current distribution. Robustness is assessed through multi-seed hypervolume analysis, and results demonstrate over 20% reduction in battery aging and approximately 25% increase in effective cycle life compared to battery-only, rule-based and metaheuristic algorithm strategies control. Cross-cycle validation under highway and worldwide driving profiles confirms the controller’s adaptability and stable current-sharing performance without re-tuning. Full article
(This article belongs to the Special Issue Energy Management and Control System of Electric Vehicles)
Show Figures

Figure 1

25 pages, 2820 KB  
Article
Slow-Coherency-Based Controlled Splitting Strategy Considering Wind Power Uncertainty and Multi-Infeed HVDC Stability
by Xi Wang, Jiayu Bai, Hanji Wei, Fei Tang, Baorui Chen, Xi Ye, Mo Chen and Yixin Yu
Sustainability 2026, 18(1), 191; https://doi.org/10.3390/su18010191 - 24 Dec 2025
Viewed by 228
Abstract
In the context of a high proportion of renewable energy integration, active splitting section search—one of the “three defense lines” of a power system—is crucial for the security, stability, and long-term sustainability of islanded grids. Addressing the random fluctuations of high-penetration wind power [...] Read more.
In the context of a high proportion of renewable energy integration, active splitting section search—one of the “three defense lines” of a power system—is crucial for the security, stability, and long-term sustainability of islanded grids. Addressing the random fluctuations of high-penetration wind power and the weakened voltage support capability caused by multi-infeed HVDC, this paper proposes a slow-coherency-based active splitting section optimization model that explicitly accounts for wind power uncertainty and multi-infeed DC stability constraints. First, a GMM-K-means method is applied to historical wind data to model, sample, and cluster scenarios, efficiently generating and reducing a representative set of typical wind outputs; this accurately captures wind uncertainty while lowering computational burden. Subsequently, an improved particle swarm optimizer enhanced by genetic operators is used to optimize a multi-dimensional coherency fitness function that incorporates a refined equivalent power index, frequency constraints, and connectivity requirements. Simulations on a modified New England 39-bus system demonstrate that the proposed model markedly enlarges the post-split voltage stability margin and effectively reduces power-flow shocks and power imbalance compared with existing methods. This research contributes to enhancing the sustainability and operational resilience of power systems under energy transition. Full article
Show Figures

Figure 1

20 pages, 1586 KB  
Article
Power Flow Coupling Characteristics Analysis and Coordinated Optimization Strategy for AC/DC Hybrid Transmission Sections
by Mingxin Yan, Ying Huang, Guoteng Wang and Hui Cai
Electronics 2026, 15(1), 66; https://doi.org/10.3390/electronics15010066 - 23 Dec 2025
Viewed by 159
Abstract
At present, the continuous growth of renewable energy integration and power grid load demand has placed higher requirements on the transmission capacity and power flow control capability of power systems. Owing to its flexible and controllable power flow characteristics, DC transmission technology has [...] Read more.
At present, the continuous growth of renewable energy integration and power grid load demand has placed higher requirements on the transmission capacity and power flow control capability of power systems. Owing to its flexible and controllable power flow characteristics, DC transmission technology has been introduced into AC grid structures, making AC/DC hybrid power grids an important development trend. However, the increasingly prominent power flow security issues caused by the complex coupling characteristics between AC and DC systems pose new challenges. First, this paper conducts an in-depth analysis of the operating mechanisms and power flow coupling characteristics of AC/DC hybrid transmission sections under various operating conditions. To address the dual challenges of insufficient utilization of transmission capacity and power flow security, a novel AC-like AC/DC power flow coordinated optimization strategy is proposed. Based on phase angle coordinated control, the autonomous response capability of the DC system is leveraged to perform real-time control and optimization of transmission power on lines, maximizing the capacity utilization of AC/DC hybrid transmission section while satisfying security and stability requirements. Finally, simulation studies based on a transmission network containing two four-machine AC systems verify that the proposed strategy fully meets the security and stability requirements of AC/DC hybrid power grids, providing reliable technical support for the coordinated development of future AC/DC grids. Full article
Show Figures

Figure 1

25 pages, 5309 KB  
Article
Wide Voltage Gain Range Bidirectional DC-DC Converter with Reduced Switches Count and Buck-Boost Characteristic in Both Power Flow Directions
by Victor Fernão Pires, Armando Cordeiro, Daniel Foito, Tito Amaral and José Fernando Silva
Energies 2026, 19(1), 43; https://doi.org/10.3390/en19010043 - 21 Dec 2025
Viewed by 430
Abstract
Several applications require bidirectional power converters with high-voltage gain. While several topologies have been proposed, none of them exhibit Buck-Boost characteristics in both forward and reverse power transfer. Most proposals behave as a Boost converter in forward direction and as a Buck converter [...] Read more.
Several applications require bidirectional power converters with high-voltage gain. While several topologies have been proposed, none of them exhibit Buck-Boost characteristics in both forward and reverse power transfer. Most proposals behave as a Boost converter in forward direction and as a Buck converter in the reverse direction. Therefore, this paper proposes a novel DC-DC bidirectional power converter that exhibits Buck-Boost characteristics in both power flow directions while providing very high wide voltage gain range. The proposed converter has, in addition, the ability to maintain continuous currents in the input and output. The theoretical analysis of the converter under bidirectional power flow conditions will be presented and examined, along with the design of its components. The validation of the characteristics and behavior of the proposed bidirectional power converter were tested in several laboratory experiments. The experimental results obtained from both power flow directions show agreement with the theoretical considerations. Full article
(This article belongs to the Special Issue Design and Control Strategies for Wide Input Range DC-DC Converters)
Show Figures

Figure 1

19 pages, 4215 KB  
Article
Modeling and Evaluation of Reversible Traction Substations in DC Railway Systems: A Real-Time Simulation Platform Toward a Digital Twin
by Dario Zaninelli, Hamed Jafari Kaleybar and Morris Brenna
Appl. Sci. 2026, 16(1), 80; https://doi.org/10.3390/app16010080 - 21 Dec 2025
Viewed by 291
Abstract
Traditional diode-based rectifiers (TDRs) in railway traction substations (TSSs) are inefficient at handling bidirectional power flow and cannot recover regenerative braking energy (RBE). Replacing these conventional systems with reversible traction substations (RTSSs) requires detailed modeling, extensive simulations, and validation using real data. This [...] Read more.
Traditional diode-based rectifiers (TDRs) in railway traction substations (TSSs) are inefficient at handling bidirectional power flow and cannot recover regenerative braking energy (RBE). Replacing these conventional systems with reversible traction substations (RTSSs) requires detailed modeling, extensive simulations, and validation using real data. This paper presents a DT-oriented real-time modeling and Hardware-in-the-Loop (HIL) platform for the analysis and performance assessment of RTSSs in DC railway systems. The integration of interleaved PWM rectifiers enables bidirectional power flow, allowing efficient RBE recovery and its return to the main grid. Modeling railway networks with moving trains is complex due to nonlinear dynamics arising from continuously varying positions, speeds, and accelerations. The proposed approach introduces an innovative multi-train simulation method combined with low-level transient and power-quality analysis. The validated DT model, supported by HIL emulation using OPAL-RT, accurately reproduces real-world system behavior, enabling optimal component sizing and evaluation of key performance indicators such as voltage ripple, total harmonic distortion, passive-component stress, and current imbalance. The results demonstrate improved energy efficiency, enhanced system design, and reduced operational costs. Meanwhile, experimental validation on a small-scale RTSS prototype, based on data from the Italian 3 kV DC railway system, confirms the accuracy and applicability of the proposed DT-oriented framework. Full article
(This article belongs to the Section Electrical, Electronics and Communications Engineering)
Show Figures

Figure 1

18 pages, 2250 KB  
Article
New Universal Bulk-Fill Composites with Translucency Shift: Impact of Rapid Curing and Ageing on Polymerisation and Mechanical Properties
by Danijela Marovic, Matej Par, Eva Mandic, Tena Smiljanic, Visnja Negovetic Mandic, Vlatko Panduric and Zrinka Tarle
Materials 2025, 18(24), 5613; https://doi.org/10.3390/ma18245613 - 14 Dec 2025
Viewed by 300
Abstract
This study investigated real-time polymerisation kinetics and mechanical properties under accelerated ageing of novel universal bulk-fill composites incorporating reversible addition–fragmentation chain transfer (RAFT) agent ß-allyl sulfone, designed for anterior and posterior applications. Five bulk-fill composites were tested: Tetric Plus Fill and Tetric Plus [...] Read more.
This study investigated real-time polymerisation kinetics and mechanical properties under accelerated ageing of novel universal bulk-fill composites incorporating reversible addition–fragmentation chain transfer (RAFT) agent ß-allyl sulfone, designed for anterior and posterior applications. Five bulk-fill composites were tested: Tetric Plus Fill and Tetric Plus Flow (new universal composites); their predecessors, Tetric PowerFill and Tetric PowerFlow (Ivoclar); and RAFT-free Ecosite Bulk Fill (DMG). Specimens were polymerised for 3 s (~3000 mW/cm2), 10 s (~1200 mW/cm2), or 20 s (~1200 mW/cm2). Degree of conversion (DC) was monitored during and after curing, with mechanical testing after 24 h and after thermal cycling. DC and maximum polymerisation rate at 4 mm depth were significantly lower than at 0.1 mm for all materials and curing times. Three-second curing accelerated the polymerisation rate at both depths. Except for Ecosite cured for 3 or 10 s as RAFT-free material, DC ratios at 4 mm exceeded 80% of surface values. Tetric Plus Fill and Ecosite exhibited the highest flexural strength after 24 h, while PowerFill and Ecosite showed the highest flexural modulus at 24 h and after thermal cycling. Rapid curing did not compromise mechanical properties after 24 h, except for PowerFlow, the composite with the lowest filler vol%, but negatively affected both flowable composites after ageing. Thermal cycling reduced flexural strength in most tested conditions, but all materials and curing conditions more than satisfied the ISO 4049 requirements. The new simplified universal composite Plus Fill has a higher DC and improved polymerisation kinetics compared to its predecessor, PowerFill. Rapid curing is not recommended for the material without RAFT agents. Full article
Show Figures

Graphical abstract

Back to TopTop