Coordinated Source–Network–Storage Expansion Planning of Active Distribution Networks Based on WGAN-GP Scenario Generation
Abstract
1. Introduction
2. Scenario Generation Method for Wind and Solar Power Based on WGAN-GP
3. Expansion Planning Model for ADNs
3.1. Overall Modeling Framework
3.2. Objective Function
- (1)
- Annualized Investment Cost
- (2)
- Annualized O&M Cost
- Equipment Maintenance Cost
- b.
- Electricity Purchase Cost
- c.
- Wind and Solar Curtailment Cost
3.3. Constraints
- (1)
- Equipment Capacity Constraints
- E-SOP Power Balance Constraint
- b.
- Capacity Constraints of AC Terminals in E-SOP
- c.
- Power and Energy Constraints of BESS in E-SOP
- d.
- DG Capacity Constraints
- e.
- Network Topology Constraints
- (2)
- System Operational Constraints
- Voltage and Current Constraints
- b.
- Power Flow Constraints
4. Solution Methodology
4.1. Convex Relaxation of the Model
4.2. Successive Contraction of Convex Relaxation Algorithm
- (1)
- Definition of Relaxation Gap
- (2)
- Iterative Contraction Mechanism
- (3)
- Linear Cutting-Plane Contraction Step
- (4)
- Overview of the Algorithm Procedure
- Initialization: Set the residual threshold , initial penalty weight , and step-size factor
- Initial Solution: Solve the relaxed model using the modified objective function F′ to obtain an initial optimal solution.
- Constraint Update: Calculate the relaxation gap based on the current solution and add linear cutting-plane constraints.
- Successive Contraction: Gradually increase the penalty coefficient and iteratively solve the modified model.
- Convergence Check: If the relaxation gaps in all scenarios satisfy the convergence criterion, output the optimal solution; otherwise, continue iterating.
5. Case Study
5.1. Case Setup
- (1)
- Substations
- (2)
- Feeders
- (3)
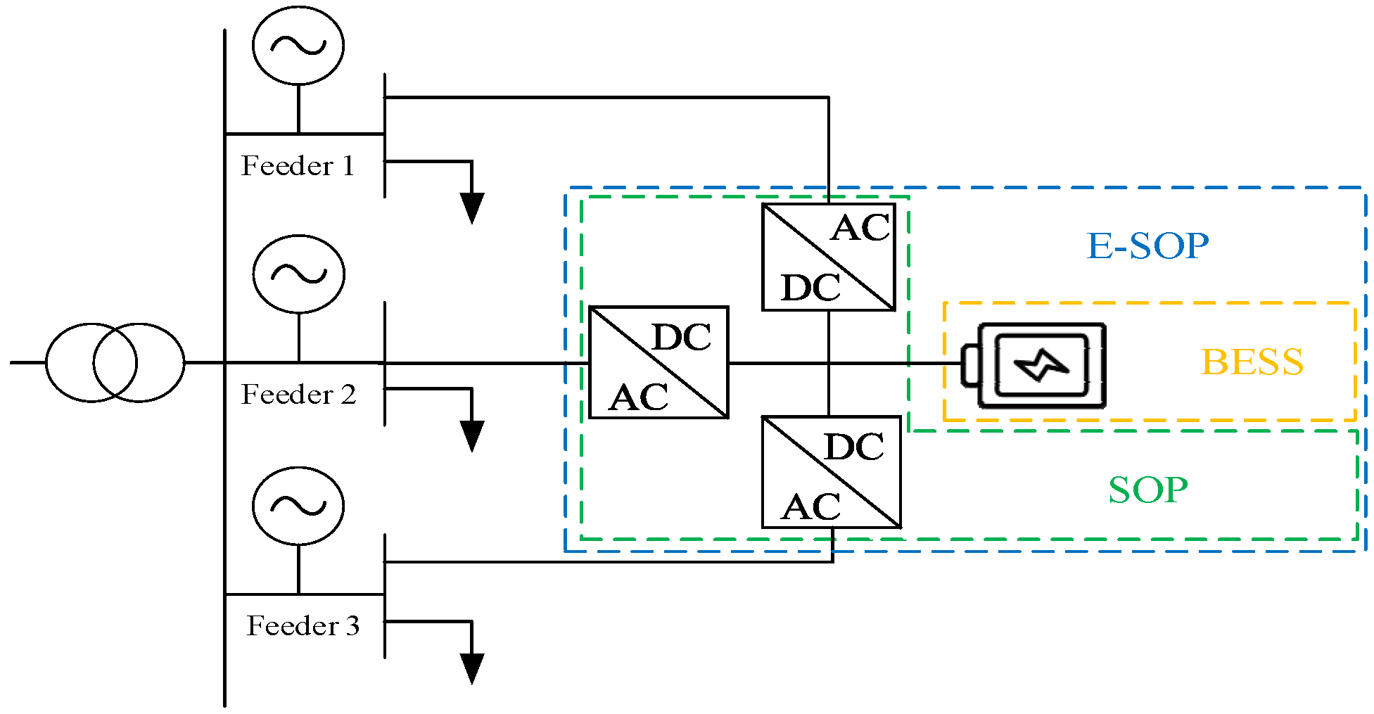
- E-SOP System
- (4)
- DG
- (5)
- Other Parameters
5.2. Wind–Solar Output Scenario Generation Based on WGAN-GP
5.3. Planning Results Analysis
- (1)
- Analysis of Planning Results Considering Uncertainty
- (2)
- Analysis of Planning Results Considering E-SOP
- (a)
- SOP-only configuration: The system includes conventional resources such as feeders, substations, PV, and wind power, but does not include any energy storage devices.
- (b)
- BESS-only configuration: The system also includes feeders, substations, PV, and wind power, but no flexible interconnection devices (i.e., no SOP).
- (c)
- E-SOP configuration (proposed scheme): The system includes feeders, substations, PV, and wind power, along with E-SOP devices integrating both SOP and BESS.
- (3)
- Algorithm Effectiveness Analysis
6. Conclusions
- (1)
- The WGAN-GP-based wind–solar scenario generation model effectively captures the high-dimensional stochastic characteristics and temporal correlations of renewable energy outputs. The generated samples exhibit strong consistency with historical data in terms of probabilistic distribution and coverage of extreme events. Compared to traditional probabilistic fitting and clustering methods, the WGAN-GP model does not rely on distributional assumptions, resulting in scenarios that are more realistic and representative, thereby providing high-quality input data for planning models.
- (2)
- The constructed E-SOP flexible interconnection system integrates an energy storage unit on the DC side of the SOP, achieving a synergistic combination of spatial power flow regulation and temporal energy balancing. Compared with configurations using only SOP or BESS, the E-SOP significantly enhances the system’s spatiotemporal coordinated control capability, increases the installed capacity of DG, and improves local renewable energy utilization.
- (3)
- The proposed integrated expansion planning model for distribution networks optimizes the allocation of DGs, E-SOPs, feeders, and substations within a unified framework, enabling coordinated planning of generation, network, and storage. The results show that although the total system cost slightly increases when considering uncertainty and flexible resource allocation, the system’s operational flexibility and robustness are significantly enhanced. This leads to a more engineering-feasible planning outcome in terms of reliability assurance and long-term operational performance.
- (4)
- The proposed SCCR algorithm demonstrates excellent performance in solving such non-convex planning models. It quickly converges to a high-accuracy feasible solution with fewer iterations and achieves approximately twice the computational efficiency of the conventional convex–concave programming method, verifying both the feasibility and effectiveness of the proposed algorithm.
Author Contributions
Funding
Data Availability Statement
Acknowledgments
Conflicts of Interest
References
- Luo, F.; Wang, S.; Lv, Y.; Mu, R.; Fo, J.; Zhang, T.; Xu, J.; Wang, C. Domain Knowledge-Enhanced Graph Reinforcement Learning Method for Volt/Var Control in Distribution Networks. Appl. Energy 2025, 398, 126409. [Google Scholar] [CrossRef]
- Wang, S.; Luo, F.; Wang, C.; Lyu, Y.; Fo, J.; Ge, L. Collaborative Configuration Optimization of Soft Open Points and Distributed Multi-Energy Stations with Spatiotemporal Coordination and Complementarity. J. Mod. Power Syst. Clean Energy 2025, 13, 2086–2097. [Google Scholar] [CrossRef]
- Ergun, S.; Dik, A.; Boukhanouf, R.; Omer, S. Large-Scale Renewable Energy Integration: Tackling Technical Obstacles and Exploring Energy Storage Innovations. Sustainability 2025, 17, 1311. [Google Scholar] [CrossRef]
- Wang, S.; Luo, F.; Fo, J.; Lv, Y.; Wang, C. Two-Stage Spatiotemporal Decoupling Configuration of SOP and Multi-Level Electric-Hydrogen Hybrid Energy Storage Based on Feature Extraction for Distribution Networks with Ultra-High DG Penetration. Appl. Energy 2025, 398, 126438. [Google Scholar] [CrossRef]
- Zhou, H.; Xiong, G.; Fu, X.; Wong, M.-C.; Dessaint, L.-A.; Al-Haddad, K. Joint Optimization of Location and Topology of Multi-Terminal Soft Open Point in Distribution Networks. Int. J. Electr. Power Energy Syst. 2025, 169, 110721. [Google Scholar] [CrossRef]
- Jiang, X.; Zhou, Y.; Ming, W.; Yang, P.; Wu, J. An Overview of Soft Open Points in Electricity Distribution Networks. IEEE Trans. Smart Grid 2022, 13, 1899–1910. [Google Scholar] [CrossRef]
- Scrocca, A.; Pisani, R.; Andreotti, D.; Rancilio, G.; Delfanti, M.; Bovera, F. Optimal Spot Market Participation of PV + BESS: Impact of BESS Sizing in Utility-Scale and Distributed Configurations. Energies 2025, 18, 3791. [Google Scholar] [CrossRef]
- Nyamathulla, S.; Dhanamjayulu, C. A Review of Battery Energy Storage Systems and Advanced Battery Management System for Different Applications: Challenges and Recommendations. J. Energy Storage 2024, 86, 111179. [Google Scholar] [CrossRef]
- Wang, X.; Li, F.; Zhang, Q.; Shi, Q.; Wang, J. Profit-Oriented BESS Siting and Sizing in Deregulated Distribution Systems. IEEE Trans. Smart Grid 2023, 14, 1528–1540. [Google Scholar] [CrossRef]
- Wang, W.; Zhang, X.; Fu, L.; Liao, M.; Xu, X. A Data-Driven Chance-Constrained BESS Planning in Distribution Networks by a Decoupling Solution Method. J. Energy Storage 2024, 80, 110157. [Google Scholar] [CrossRef]
- Yang, L.; Li, Y.; Zhang, Y.; Xie, Z.; Chen, J.; Qu, Y. Optimal Allocation Strategy of SOP in Flexible Interconnected Distribution Network Oriented High Proportion Renewable Energy Distribution Generation. Energy Rep. 2024, 11, 6048–6056. [Google Scholar] [CrossRef]
- Mahdavi, M.; Schmitt, K.E.K.; Chamana, M.; Bayne, S. Evaluation of Voltage Fluctuations Effect on Reconfiguration of Distribution Systems. IEEE Syst. J. 2024, 18, 198–209. [Google Scholar] [CrossRef]
- Wang, C.; Song, G.; Li, P.; Ji, H.; Zhao, J.; Wu, J. Optimal Siting and Sizing of Soft Open Points in Active Electrical Distribution Networks. Appl. Energy 2017, 189, 301–309. [Google Scholar] [CrossRef]
- Ramadan, A.; Ebeed, M.; Kamel, S.; Abdelaziz, A.Y.; Haes Alhelou, H. Scenario-Based Stochastic Framework for Optimal Planning of Distribution Systems Including Renewable-Based DG Units. Sustainability 2021, 13, 3566. [Google Scholar] [CrossRef]
- Oda, E.S.; Hamed, A.M.A.E.; Ali, A.; Elbaset, A.A.; Sattar, M.A.E.; Ebeed, M. Stochastic Optimal Planning of Distribution System Considering Integrated Photovoltaic-Based DG and DSTATCOM Under Uncertainties of Loads and Solar Irradiance. IEEE Access 2021, 9, 26541–26555. [Google Scholar] [CrossRef]
- Ebrahimi, H.; Rezaeian-Marjani, S.; Galvani, S.; Talavat, V. Probabilistic Optimal Planning in Active Distribution Networks Considering Non-linear Loads Based on Data Clustering Method. IET Gener. Transm. Distrib. 2022, 16, 686–702. [Google Scholar] [CrossRef]
- Liang, Z.; Chung, C.Y.; Wang, Q.; Chen, H.; Yang, H.; Wu, C. Fortifying Renewable-Dominant Hybrid Microgrids: A Bi-Directional Converter Based Interconnection Planning Approach. Engineering 2025, 51, 130–143. [Google Scholar] [CrossRef]
- Lavorato, M.; Franco, J.F.; Rider, M.J.; Romero, R. Imposing Radiality Constraints in Distribution System Optimization Problems. IEEE Trans. Power Syst. 2012, 27, 172–180. [Google Scholar] [CrossRef]
- Grover-Silva, E.; Girard, R.; Kariniotakis, G. Optimal Sizing and Placement of Distribution Grid Connected Battery Systems through an SOCP Optimal Power Flow Algorithm. Appl. Energy 2018, 219, 385–393. [Google Scholar] [CrossRef]
- Sharma, A.; Paul, S.; Padhy, N.P. Two-Stage Optimal Operation of SOPs in Active Three-Phase Distribution Systems. In Proceedings of the 2023 IEEE 3rd International Conference on Smart Technologies for Power, Energy and Control (STPEC), Bhubaneswar, India, 10–13 December 2023; IEEE: Bhubaneswar, India, 2023; pp. 1–6. [Google Scholar]
- Miranda, V.; Ranito, J.V.; Proenca, L.M. Genetic Algorithms in Optimal Multistage Distribution Network Planning. IEEE Trans. Power Syst. 1994, 9, 1927–1933. [Google Scholar] [CrossRef]
- Ji, H.; Wang, C.; Li, P.; Zhao, J.; Song, G.; Wu, J. Quantified Flexibility Evaluation of Soft Open Points to Improve Distributed Generator Penetration in Active Distribution Networks Based on Difference-of-Convex Programming. Appl. Energy 2018, 218, 338–348. [Google Scholar] [CrossRef]






| Item (104 CNY) | Planning with WGAN-Based Uncertainty | Planning Without Uncertainty |
|---|---|---|
| Annual Total Cost | 148.97 | 146.74 |
| Feeder Investment Cost | 3.21 | 2.82 |
| Substation Investment Cost | 2.74 | 2.49 |
| E-SOP Investment Cost | 1.77 | 1.05 |
| PV Investment Cost | 8.04 | 6.91 |
| Wind Investment Cost | 3.98 | 3.03 |
| Electricity Purchase Cost | 126.27 | 128.32 |
| Equipment O&M Cost | 2.96 | 2.12 |
| Wind/Solar Curtailment Penalty | 0 | 0 |
| Case | Investment + O&M Cost (104 CNY) | Electricity Purchase Cost (104 CNY) | Curtailment Penalty Cost (104 CNY) | Annual Total Cost (104 CNY) |
|---|---|---|---|---|
| a | 15.93 | 141.23 | 0.73 | 157.89 |
| b | 19.50 | 133.00 | 0.21 | 152.71 |
| c | 22.7 | 126.27 | 0 | 148.97 |
| Algorithm | Annual Total Cost (106 CNY) | Number of Iterations | Computation Time (h) |
|---|---|---|---|
| Proposed Algorithm | 148.97 | 3 | 3.12 |
| CCP | 148.97 | 8 | 8.32 |
Disclaimer/Publisher’s Note: The statements, opinions and data contained in all publications are solely those of the individual author(s) and contributor(s) and not of MDPI and/or the editor(s). MDPI and/or the editor(s) disclaim responsibility for any injury to people or property resulting from any ideas, methods, instructions or products referred to in the content. |
© 2025 by the authors. Licensee MDPI, Basel, Switzerland. This article is an open access article distributed under the terms and conditions of the Creative Commons Attribution (CC BY) license.
Share and Cite
Wang, D.; Wang, X.; Duan, M.; Wang, Z.; Su, Y.; Liu, X.; Wu, X.; Nie, H.; Luo, F.; Wang, S. Coordinated Source–Network–Storage Expansion Planning of Active Distribution Networks Based on WGAN-GP Scenario Generation. Energies 2026, 19, 228. https://doi.org/10.3390/en19010228
Wang D, Wang X, Duan M, Wang Z, Su Y, Liu X, Wu X, Nie H, Luo F, Wang S. Coordinated Source–Network–Storage Expansion Planning of Active Distribution Networks Based on WGAN-GP Scenario Generation. Energies. 2026; 19(1):228. https://doi.org/10.3390/en19010228
Chicago/Turabian StyleWang, Dacheng, Xuchen Wang, Minghui Duan, Zhe Wang, Yougong Su, Xin Liu, Xiangyi Wu, Hailong Nie, Fengzhang Luo, and Shengyuan Wang. 2026. "Coordinated Source–Network–Storage Expansion Planning of Active Distribution Networks Based on WGAN-GP Scenario Generation" Energies 19, no. 1: 228. https://doi.org/10.3390/en19010228
APA StyleWang, D., Wang, X., Duan, M., Wang, Z., Su, Y., Liu, X., Wu, X., Nie, H., Luo, F., & Wang, S. (2026). Coordinated Source–Network–Storage Expansion Planning of Active Distribution Networks Based on WGAN-GP Scenario Generation. Energies, 19(1), 228. https://doi.org/10.3390/en19010228

