Sign in to use this feature.

Years

Between: -

Subjects

remove_circle_outline
remove_circle_outline
remove_circle_outline
remove_circle_outline
remove_circle_outline
remove_circle_outline
remove_circle_outline
remove_circle_outline
remove_circle_outline

Journals

Article Types

Countries / Regions

Search Results (57)

Search Parameters:
Keywords = Building Management Systems (BMS)

Order results
Result details
Results per page
Select all
Export citation of selected articles as:
15 pages, 980 KB  
Article
A Multimodal Transformer for Joint Prediction of Comfort and Energy Consumption in Smart Buildings
by Murad Almadani, Shadi Atalla, Yassine Himeur, Hamzah Alkhazaleh and Wathiq Mansoor
Energies 2026, 19(7), 1779; https://doi.org/10.3390/en19071779 - 5 Apr 2026
Viewed by 168
Abstract
This paper presents a multimodal transformer-based framework for the joint prediction of indoor thermal comfort and energy efficiency using real-world building management system (BMS) datasets. Unlike traditional comfort models that rely on fixed physical assumptions and subjective surveys, the proposed approach adopts physics-guided, [...] Read more.
This paper presents a multimodal transformer-based framework for the joint prediction of indoor thermal comfort and energy efficiency using real-world building management system (BMS) datasets. Unlike traditional comfort models that rely on fixed physical assumptions and subjective surveys, the proposed approach adopts physics-guided, data-driven learning to capture nonlinear and time-dependent interactions among environmental conditions, HVAC operation, and occupancy-related variables. Thermal comfort labels are computed using the PMV–PPD formulation defined by ASHRAE Standard 55, assuming standard metabolic rate and clothing insulation due to the lack of direct measurements in routine BMS data. A temperature-driven baseline HVAC energy proxy is derived using change-point regression. The proposed transformer architecture fuses multivariate temporal sequences to jointly predict both comfort and energy baseline targets through a dual-head regression formulation. The model is validated on two complementary datasets representing steady-state and dynamically perturbed thermal conditions. The proposed approach consistently outperforms linear regression, random forest, and LSTM baselines, achieving mean absolute errors below 0.03 and R2 values exceeding 0.98 with corresponding RMSE values below 0.035 for both targets. Residual and calibration analyses confirm stable, unbiased prediction behavior across wide temperature ranges. The results highlight the strong potential of attention-based multimodal learning for future comfort-aware building energy optimization and digital twin integration. Full article
Show Figures

Figure 1

31 pages, 2774 KB  
Article
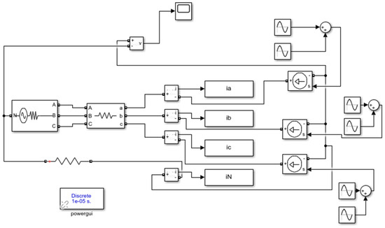
Impact of Triplen Harmonics Generated by Modern Non-Linear Loads on Neutral Conductor Overheating in Low-Voltage Smart Buildings
by Teodora Lazar, Daria Ionescu, Dan Cristian Lazar, Florin Gabriel Popescu, Adina Milena Tatar, Georgeta Buica and Dragos Pasculescu
Energies 2026, 19(7), 1743; https://doi.org/10.3390/en19071743 - 2 Apr 2026
Viewed by 187
Abstract
The rapid proliferation of single-phase non-linear loads, such as LED lighting and IT equipment, in modern Smart Buildings has introduced significant power quality challenges in low-voltage electrical installations. A critical but often underestimated consequence is the severe overloading of the neutral conductor caused [...] Read more.
The rapid proliferation of single-phase non-linear loads, such as LED lighting and IT equipment, in modern Smart Buildings has introduced significant power quality challenges in low-voltage electrical installations. A critical but often underestimated consequence is the severe overloading of the neutral conductor caused by triplen harmonics (particularly the 3rd harmonic), which sum algebraically even in balanced three-phase systems. This paper analyzes the electrical and thermal impact of these distortions using a detailed MATLAB/Simulink model of a 400/230 V (3P + N) network. The simulation results demonstrate that under highly distorted conditions (Scenario S3), the neutral current can reach 180% of the nominal phase current (18 A vs. 10 A). Furthermore, the Joule losses analysis reveals a thermal stress more than three times higher on the neutral conductor (peak ~65 W) compared to the phase conductor (~20 W), challenging the traditional design practice of neutral undersizing. To address these safety issues, this study proposes a novel neutral-to-phase current ratio index (kN) and a proactive decision matrix for Building Management Systems (BMS). Unlike traditional mitigation strategies that rely on static hardware oversizing, passive filters, or specialized transformers, the proposed approach offers a dynamic, cost-effective, and software-driven solution that can be easily integrated into the existing automation infrastructure of modern Smart Buildings. The model identifies a critical tipping point at a 3rd harmonic content of 35.3%, where kN ≥ 1. By continuously monitoring the kN parameter, the proposed algorithm enables a transition from passive protection to active power management, triggering automated responses to prevent insulation degradation and mitigate fire hazards. Full article
Show Figures

Figure 1

68 pages, 5341 KB  
Systematic Review
Utilizing Building Automation Systems for Indoor Environmental Quality Optimization: A Review of the Current Literature, Challenges, and Opportunities
by Qinghao Zeng, Marwan Shagar, Kamyar Fatemifar, Pardis Pishdad and Eunhwa Yang
Buildings 2026, 16(6), 1267; https://doi.org/10.3390/buildings16061267 - 23 Mar 2026
Viewed by 394
Abstract
Indoor Environmental Quality (IEQ) plays a vital role in occupant health and productivity. However, current Building Management Systems (BMS) often struggle in sustaining optimal IEQ levels due to limitations in data management and lack of occupant-centric feedback loops. To address these gaps, this [...] Read more.
Indoor Environmental Quality (IEQ) plays a vital role in occupant health and productivity. However, current Building Management Systems (BMS) often struggle in sustaining optimal IEQ levels due to limitations in data management and lack of occupant-centric feedback loops. To address these gaps, this research synthesizes the state-of-the-art methods for IEQ monitoring, assessment, and control within Building Automation Systems (BAS), identifying both technological and methodological advancements, as well as highlighting the challenges and potential opportunities for future innovations. Employing the Preferred Reporting Items for Systematic Reviews and Meta-Analyses (PRISMA) methodology, this multi-stage literature review analyzes 176 publications from 1997 to 2024, with a focus on the decade of rapid technological evolution from 2014 to 2024. The review focuses on high-impact journals indexed in Scopus to ensure quality while acknowledging the potential bias inherent in a single-database search. The synthesis reveals a methodological shift in monitoring from sparse, zone-level sensing towards dense, multi-modal systems that incorporate physiological data via wearables and behavioral recognition through computer vision. Assessment techniques are evolving from static models such as the Predicted Mean Vote (PMV) towards adaptive, personalized frameworks supported by Digital Twins and integrated simulations. Furthermore, control logic is transitioning toward Reinforcement Learning and Model Predictive Control to proactively manage occupancy surges and environmental variables. This evolution of monitoring approaches, assessment techniques, and control strategies is represented within the study’s Three-Tiered Developmental Trajectory, providing a novel Body of Knowledge (BOK) for mapping the transition of building systems from reactive tools to autonomous, occupant-centric agents. This study also introduces a Cross-Modal Interaction Matrix to systematically analyze the systemic trade-offs between IEQ domains. Furthermore, by establishing the “Implementation Frontier,” this work identifies the specific technical and ethical bottlenecks, such as “false vacancy” sensing errors, fragmented data silos, and the ethical complexities of high-resolution data collection that prevent academic innovations from becoming industry standards. To bridge these gaps, we conclude that the next generation of “cognitive buildings” must prioritize three pillars: resolving binary sensing limitations, harmonizing data via vendor-neutral APIs, and adopting privacy-preserving architectures to ensure scalable, interoperable, and occupant-centric optimization. Full article
Show Figures

Figure 1

36 pages, 5029 KB  
Article
Option-C Verified Semantic Digital Twins for Decarbonized, Pressure-Reliable Central Business District Hospitals
by Zhe Wei
Buildings 2026, 16(6), 1096; https://doi.org/10.3390/buildings16061096 - 10 Mar 2026
Viewed by 278
Abstract
Central business district (CBD) hospitals must sustain reliable pressure relationships in critical rooms while reducing whole-facility carbon under tight space and disruption constraints. We developed an ontology-grounded semantic digital twin that normalizes building automation system (BAS) and building management system (BMS) telemetry into [...] Read more.
Central business district (CBD) hospitals must sustain reliable pressure relationships in critical rooms while reducing whole-facility carbon under tight space and disruption constraints. We developed an ontology-grounded semantic digital twin that normalizes building automation system (BAS) and building management system (BMS) telemetry into a unified semantic store consistent with Brick Schema, enabling portable asset discovery via query and thereby supporting forecasting, anomaly detection, and multi-objective optimization without dependence on vendor point naming conventions. Whole-facility impacts were verified using International Performance Measurement and Verification Protocol Option C–style measurement and verification with an S0-calibrated baseline model and residual-based savings attribution. Relative to the baseline (S0), the intervention (S3) produced a step increase in the critical-room pressure-compliance pass rate, tighter room-to-corridor differential-pressure (ΔP) control across airborne infection isolation and open room strata, and intent-aligned ventilation delivery (air changes per hour ratio distribution concentrated near unity; p < 0.05 where letter groups differ). Operational-state discrimination improved (AUC 0.649→0.696) and issue-resolution times shortened (left-shifted cumulative distribution function), indicating reduced service burden. Option C verification showed energy residuals shifting negative under S3, consistent with net savings versus baseline expectations. Across progressive maturity (S0→S3), time-to-value and burden fractions decreased, carbon intensity (tCO2e m−2) decreased, long-tail exposure compressed (log-scale horizon), and composite performance indices increased (p < 0.05). These results demonstrate a verifiable pathway to pressure-reliable, decarbonized hospital operations at the whole-facility boundary while making the semantic layer’s utility explicit through query-driven, ontology-grounded asset discovery. We present an IPMVP Option-C–verifiable semantic digital-twin governance framework that links audited operational evidence (telemetry → actions → verification) to whole-facility energy and carbon outcomes while maintaining critical-room pressure-relationship reliability. Optimization benchmarking (including quantum annealing) is used as supporting decision-support evaluation, rather than as the central contribution. Full article
Show Figures

Figure 1

19 pages, 2447 KB  
Article
Exploiting Windowpane Heat Losses for Indoor Energy Harvesting in Buildings
by Pawel Zylka and Rafal Owczarczak
Energies 2026, 19(5), 1342; https://doi.org/10.3390/en19051342 - 6 Mar 2026
Viewed by 325
Abstract
Buildings account for approximately 40% of global energy consumption, with heating, ventilation and air conditioning systems being the primary contributor. Building management systems offer a promising solution for enhancing energy efficiency, particularly in retrofitting older or protected buildings. However, powering numerous wireless sensors [...] Read more.
Buildings account for approximately 40% of global energy consumption, with heating, ventilation and air conditioning systems being the primary contributor. Building management systems offer a promising solution for enhancing energy efficiency, particularly in retrofitting older or protected buildings. However, powering numerous wireless sensors required by BMS remains a logistical challenge. This study investigates the feasibility of harvesting thermal energy lost through windowpanes to power ultra-low-power IoT sensors, a concept that was not previously explored in the literature. A thermoelectric energy harvester was developed using a TEC1-12710 thermoelectric module and an EM8900 ultra-low-voltage DC-DC boost converter. Laboratory and field experiments were conducted to evaluate the system’s performance under various thermal conditions, with electrical energy accumulated in a 0.01 mF capacitive energy storage. In laboratory conditions, a temperature difference of ~1 °C enabled the system to generate up to 3.24 V with a power density of 3 mW/m2. Field tests during winter yielded lower performance (1.43 V, 1.9 mW/m2), which was attributed to suboptimal thermal gradients and operating points. It was thus experimentally shown that windowpane heat losses can be effectively harnessed for indoor energy harvesting. While the current efficiency is limited, the approach shows promise for powering battery-free IoT devices. Full article
(This article belongs to the Section G: Energy and Buildings)
Show Figures

Figure 1

33 pages, 5865 KB  
Article
Feature Selection and Fault Detection Under Dynamic Conditions of Chiller Systems
by Yashar Bezyan, Fuzhan Nasiri and Mazdak Nik-Bakht
Electronics 2026, 15(1), 208; https://doi.org/10.3390/electronics15010208 - 1 Jan 2026
Cited by 1 | Viewed by 637
Abstract
Faults in chiller systems can significantly reduce energy efficiency and operational performance. To address this, fault detection and diagnosis (FDD) algorithms are increasingly integrated into building management systems (BMS). This study proposes a comprehensive FDD framework addressing two key aspects: (1) fault detection [...] Read more.
Faults in chiller systems can significantly reduce energy efficiency and operational performance. To address this, fault detection and diagnosis (FDD) algorithms are increasingly integrated into building management systems (BMS). This study proposes a comprehensive FDD framework addressing two key aspects: (1) fault detection under dynamic operating conditions and (2) selection of key variables for unsupervised fault detection. Traditional approaches usually assume steady-state operation, limiting their ability to capture transient and nonlinear system behaviors. The proposed method integrates Variational Mode Decomposition (VMD) for noise reduction and signal denoising with Kernel Principal Component Analysis (KPCA) to capture nonlinear behavior in chiller systems. This combination enables accurate fault detection under both steady and transient conditions. Furthermore, a wrapper-based step-forward feature selection algorithm identifies the most informative variables for KPCA-based fault detection. Assuming at least one known fault type, the method minimizes the Missing Alarm Rate (MAR) and False Alarm Rate (FAR), enhancing adaptability to different sensor configurations. The proposed approach is validated on the ASHRAE RP-1043 dataset using first-level severity faults. Results show that the VMD-KPCA method detects 98% of faulty samples, significantly outperforming linear PCA (55%), and highlight the importance of vapor compression parameters and thermodynamic insights in improving fault detection reliability. Full article
Show Figures

Figure 1

17 pages, 3511 KB  
Article
A Data-Driven Framework for High-Rise IAQ: Diagnosing FAHU Limits and Targeted IAQ Interventions in Hot Climates
by Ra’ed Alhammouri, Hazem Gouda, Abeer Elkhouly, Zina Abohaia, Kamal Jaafar, Mama Chacha and Lina Gharaibeh
Atmosphere 2026, 17(1), 27; https://doi.org/10.3390/atmos17010027 - 25 Dec 2025
Viewed by 705
Abstract
Indoor air quality (IAQ) in high-rise residential buildings is an increasing concern, especially in hot and humid climates where prolonged indoor exposure elevates health risks. This study evaluates the performance of Fresh Air Handling Units (FAHUs) using two complementary approaches: (1) real-time sensor [...] Read more.
Indoor air quality (IAQ) in high-rise residential buildings is an increasing concern, especially in hot and humid climates where prolonged indoor exposure elevates health risks. This study evaluates the performance of Fresh Air Handling Units (FAHUs) using two complementary approaches: (1) real-time sensor data to quantify IAQ conditions and (2) occupant survey responses to capture perceived comfort and pollution indicators. The results show that floor level did not predict satisfaction, even though AQI data revealed clear differences between flats, suggesting perceptions are driven more by sensory cues than by actual pollutant levels. Longer weekday exposure emerged as a stronger predictor of dissatisfaction. These gaps between perceived and measured IAQ highlight the need for improved ventilation scheduling and greater occupant awareness. FAHUs were found to be inefficient, consuming 21–26% of total building energy while lacking pollutant-specific monitoring capabilities. To address these issues, the study recommends the integration of IoT-enabled sensors for real-time pollutant detection, enhanced facade sealing to minimize external infiltration, and the upgrade of filtration systems with HEPA filters and UV purification. Additionally, AI-driven predictive maintenance and automated ventilation optimization through Building Management Systems (BMS) are suggested. These findings offer valuable insights for improving IAQ management in high-rise buildings, with future research focusing on AI-based predictive modeling for dynamic air quality control. Full article
(This article belongs to the Section Air Quality)
Show Figures

Figure 1

35 pages, 3117 KB  
Review
Scoped Review and Evaluation of Ontologies in Operation and Maintenance of Bridge Facilities
by Piotr Smolira and Jan Karlshøj
Buildings 2026, 16(1), 81; https://doi.org/10.3390/buildings16010081 - 24 Dec 2025
Viewed by 372
Abstract
Operation and maintenance of civil infrastructure facilities such as bridges is the most extended period of the entire lifetime of the structures. This phase provides many opportunities that benefit society. However, such a wide span of operation also exposes bridges to various threats [...] Read more.
Operation and maintenance of civil infrastructure facilities such as bridges is the most extended period of the entire lifetime of the structures. This phase provides many opportunities that benefit society. However, such a wide span of operation also exposes bridges to various threats and risks. Therefore, knowledge domains such as Bridge Management System and life-cycle management are crucial ingredients for maintaining the level of performance of bridges and their components. Bridge Management System (BMS), since its emergence in 1975, has been constantly evolving to meet the needs of the industry with advancements in technology through new paradigms. To accelerate the process of creating and managing the data and information about bridge structures, the terms Bridge Information Modeling (BRiM) and Civil Information Modeling have appeared more frequently. Inspired by Building Information Modeling, the incentive is to manage the information better, from the concept until the end-of-life. The amount of created data is extensive and versatile. To address the issue of potential unstructured and heterogeneous information, academic and industrial researchers have been developing classifications, categories, and taxonomies. Given the advancements and growth of Semantic Web technologies, and qualities such as interoperability, machine-readable format, and extensibility, ontology development has become prominent. Current experience and success in creating and adapting ontologies into BIM workflow set examples for other branches in the built environment like civil engineering. Ontologies describing various areas of the bridge domain have been developed. However, proposals of how such information models could be aligned and integrated are seldom seen. This paper presents scoped evaluation of ontologies from bridge operation and maintenance domain. It gives an overview of how well different subjects are compliment entire topic, and it provides recommendations on modeling and evaluating ontologies related to a particular use case. It proposes a methodology that can be used for further development, alignment, and finding ontology gaps in the bridge domain. Full article
(This article belongs to the Section Construction Management, and Computers & Digitization)
Show Figures

Figure 1

17 pages, 957 KB  
Article
Cybersecure Intelligent Sensor Framework for Smart Buildings: AI-Based Intrusion Detection and Resilience Against IoT Attacks
by Md Abubokor Siam, Khadeza Yesmin Lucky, Syed Nazmul Hasan, Jobanpreet Kaur, Harleen Kaur, Md Salah Uddin and Mia Md Tofayel Gonee Manik
Sensors 2025, 25(24), 7680; https://doi.org/10.3390/s25247680 - 18 Dec 2025
Viewed by 1012
Abstract
The rapid development of the Internet of Things (IoT), a network of interconnected devices and sensors, has improved operational efficiency, comfort, and sustainability in smart buildings. However, relying on interconnected systems also introduces cybersecurity vulnerabilities. For instance, attackers can exploit zero-day vulnerabilities (previously [...] Read more.
The rapid development of the Internet of Things (IoT), a network of interconnected devices and sensors, has improved operational efficiency, comfort, and sustainability in smart buildings. However, relying on interconnected systems also introduces cybersecurity vulnerabilities. For instance, attackers can exploit zero-day vulnerabilities (previously unknown security flaws), launch Distributed Denial of Service (DDoS) attacks (overwhelming network resources with traffic), or access sensitive Building Management Systems (BMS, centralized platforms for controlling building operations). By targeting critical assets such as Heating, Ventilation, and Air Conditioning (HVAC) systems, security cameras, and access control networks, they may compromise the safety and functionality of the entire building. To address these threats, this paper presents a cybersecure intelligent sensor framework to protect smart buildings from various IoT-related cyberattacks. The main component is an automated Intrusion Detection System (IDS, software that monitors network activity for suspicious actions), which uses machine learning algorithms to rapidly identify, classify, and respond to potential threats. Furthermore, the framework integrates intelligent sensor networks with AI-based analytics, enabling continuous monitoring of environmental and system data for behaviors that might indicate security breaches. By using predictive modeling (forecasting attacks based on prior data) and automated responses, the proposed system enhances resilience against attacks such as denial of service, unauthorized access, and data manipulation. Simulation and testing results show high detection rates, low false alarm frequencies, and fast response times, thereby supporting the cybersecurity of smart building infrastructures and minimizing downtime. Overall, the findings suggest that AI-enhanced cybersecurity systems offer promise for IoT-based smart building security. Full article
(This article belongs to the Special Issue Intelligent Sensors and Artificial Intelligence in Building)
Show Figures

Figure 1

31 pages, 3097 KB  
Article
Office Activity Taxonomy in the Digital Transition Era: Towards Situationally Aware Buildings
by Veronica Martins Gnecco, Anja Pogladič, Agnese Chiucchiù, Ilaria Pigliautile, Sara Arko and Anna Laura Pisello
Sustainability 2025, 17(24), 11376; https://doi.org/10.3390/su172411376 - 18 Dec 2025
Viewed by 704
Abstract
In the context of the digital transition, office environments are increasingly shaped by flexibility, technological integration, and occupant-centered design. These transformations influence not only building operations but also the social dynamics and well-being of workers, thereby intersecting with the broader goals of socially [...] Read more.
In the context of the digital transition, office environments are increasingly shaped by flexibility, technological integration, and occupant-centered design. These transformations influence not only building operations but also the social dynamics and well-being of workers, thereby intersecting with the broader goals of socially sustainable design. To address this complexity, Building Management Systems (BMS) and Digital Twins must evolve from static automation to adaptive frameworks that recognize and respond to diverse workplace activities and social interactions. This study proposes a standardized taxonomy of office activities as a foundation for activity recognition and environment adaptation. A systematic literature review identified key activity categories and defining attributes, which were refined and validated through direct observations, diary logs, and semi-structured interviews in small, shared offices with open-plan workspaces. The resulting taxonomy comprises four main classes—Focused Work, Meetings, Shallow Work, and Resting—each defined by contextual attributes such as plannability, social interaction, number of participants, posture, modality, location, and duration. The framework supports the development of human-centric, situationally aware BMS capable of dynamically adjusting environmental conditions to promote comfort, well-being, and energy efficiency. By integrating user agendas and feedback, this approach contributes to more inclusive and socially sustainable work environments, aligning with the emerging paradigm of adaptive, human-oriented architecture. Full article
(This article belongs to the Special Issue Socially Sustainable Urban and Architectural Design)
Show Figures

Figure 1

16 pages, 32477 KB  
Article
Wireless Ultra-Low-Power Sensor Platform for Environmental Monitoring
by Jannis Winnefeld, Metin Kizilarslan, Werner Knop and Jens Passoke
Sensors 2025, 25(24), 7486; https://doi.org/10.3390/s25247486 - 9 Dec 2025
Viewed by 753
Abstract
This paper presents an open, modular sensor platform based on wireless energy and data transmission. The platform is powered by the carrier signal of a transceiver and transmits the measured sensor data using backscatter modulation. Through the use of modular ready-to-buy components, the [...] Read more.
This paper presents an open, modular sensor platform based on wireless energy and data transmission. The platform is powered by the carrier signal of a transceiver and transmits the measured sensor data using backscatter modulation. Through the use of modular ready-to-buy components, the sensor platform can be flexibly adapted to different applications and is therefore suitable for both building automation systems and industrial automation tasks. Energy storage, power management, and modulation are designed so that the overall energy demand of the platform is mainly determined by the sensor in use. The performance of the system was verified with a demonstrator measuring underfloor temperature and humidity. The demonstrator operates at a carrier frequency of 868 MHz, an output power of 27 dBm EIRP at the transceiver antenna, and an antenna gain of 0 dBi at the receiver antenna. A transmission range of more than 3 m has been achieved. The platform provides an input sensitivity of 15 dBm. Its open design enables a straightforward scaling from prototype to small- and medium-volume production. Full article
(This article belongs to the Section Environmental Sensing)
Show Figures

Figure 1

35 pages, 2154 KB  
Article
Real-Time Digital Twins for Building Energy Optimization Through Blind Control: Functional Mock-Up Units, Docker Container-Based Simulation, and Surrogate Models
by Cristina Nuevo-Gallardo, Iker Landa del Barrio, Markel Flores Iglesias, Juan B. Echeverría Trueba and Carlos Fernández Bandera
Appl. Sci. 2025, 15(24), 12888; https://doi.org/10.3390/app152412888 - 6 Dec 2025
Cited by 1 | Viewed by 1233
Abstract
The transition toward energy-efficient and smart buildings requires Digital Twins (DTs) that can couple real-time data with physics-based Building Energy Models (BEMs) for predictive and adaptive operation. Yet, despite rapid digitalisation, there remains a lack of practical guidance and real-world implementations demonstrating how [...] Read more.
The transition toward energy-efficient and smart buildings requires Digital Twins (DTs) that can couple real-time data with physics-based Building Energy Models (BEMs) for predictive and adaptive operation. Yet, despite rapid digitalisation, there remains a lack of practical guidance and real-world implementations demonstrating how calibrated BEMs can be effectively integrated into Building Management Systems (BMSs). This study addresses that gap by presenting a complete and reproducible end-to-end framework for embedding physics-based BEMs into operational DTs using two setups: (i) encapsulation as Functional Mock-up Units (FMUs) and (ii) containerisation via Docker. Both approaches were deployed and tested in a real educational building in Cáceres (Spain), equipped with a LoRaWAN-based sensing and actuation infrastructure. A systematic comparison highlights their respective trade-offs: FMUs offer faster execution but limited weather inputs and higher implementation effort, whereas Docker-based workflows provide full portability, scalability, and native interoperability with Internet of Things (IoT) and BMS architectures. To enable real-time operation, a surrogate modelling framework was embedded within the Docker architecture to replicate the optimisation logic of the calibrated BEM and generate predictive blind control schedules in milliseconds—bypassing simulation overhead and enabling continuous actuation. The combined Docker + surrogate setup achieved 10–15% heating energy savings during winter operation without any HVAC retrofit. Beyond the case study, this work provides a step-by-step, in-depth guideline for practitioners to integrate calibrated BEMs into real-time control loops using existing toolchains. The proposed approach demonstrates how hybrid physics- and data-driven DTs can transform building management into a scalable, energy-efficient, and operationally deployable reality. Full article
Show Figures

Figure 1

15 pages, 4560 KB  
Article
Harmonic-Recycling Passive RF Energy Harvester with Integrated Power Management
by Ruijiao Li, Yuquan Hu, Hui Li, Haiyan Jin and Dan Liao
Micromachines 2025, 16(9), 1053; https://doi.org/10.3390/mi16091053 - 15 Sep 2025
Viewed by 4072
Abstract
The rapid growth of low-power Internet of Things (IoT) applications has created an urgent demand for compact, battery-free power solutions. However, most existing RF energy harvesters rely on active rectifiers, multi-phase topologies, or complex tuning networks, which increase circuit complexity and static power [...] Read more.
The rapid growth of low-power Internet of Things (IoT) applications has created an urgent demand for compact, battery-free power solutions. However, most existing RF energy harvesters rely on active rectifiers, multi-phase topologies, or complex tuning networks, which increase circuit complexity and static power overhead while struggling to maintain high efficiency under microwatt-level inputs. To address this challenge, this work proposes a harmonic-recycling, passive, RF-energy-harvesting system with integrated power management (HR-P-RFEH). The system adopts a planar microstrip architecture compatible with MEMS fabrication, integrating a dual-stage voltage multiplier rectifier (VMR) and a stub-based harmonic suppression–recycling network. The design was verified through combined electromagnetic/circuit co-simulations, PCB prototyping, and experimental measurements. Operating at 915 MHz under a 0 dBm input and a 2 kΩ load, the HR-P-RFEH achieves a stable 1.4 V DC output and a peak rectification efficiency of 70.7%. Compared with a conventional single-stage rectifier, it improves the output voltage by 22.5% and the efficiency by 16.4%. The rectified power is further regulated by a BQ25570-based unit to provide a stable 3.3 V supply buffered by a 47 mF supercapacitor, ensuring continuous operation under intermittent RF input. In comparison with the state of the art, the proposed fully passive, harmonic-recycling design achieves competitive efficiency without active bias or adaptive tuning while remaining MEMS- and LTCC-ready. These results highlight HR-P-RFEH as a scalable and fabrication-friendly building block for next-generation energy-autonomous IoT and MEMS systems. Full article
(This article belongs to the Special Issue Micro-Energy Harvesting Technologies and Self-Powered Sensing Systems)
Show Figures

Figure 1

26 pages, 2421 KB  
Review
Composite Vulnerabilities and Hybrid Threats for Smart Sensors and Field Busses in Building Automation: A Review
by Michael Gerhalter and Keshav Dahal
Sensors 2025, 25(17), 5218; https://doi.org/10.3390/s25175218 - 22 Aug 2025
Cited by 1 | Viewed by 1555
Abstract
In the IT sector, the relevance of looking at security from many different angles and the inclusion of different areas is already known and understood. This approach is much less pronounced in the area of cyber physical systems and not present at all [...] Read more.
In the IT sector, the relevance of looking at security from many different angles and the inclusion of different areas is already known and understood. This approach is much less pronounced in the area of cyber physical systems and not present at all in the area of building automation. Increasing interconnectivity, undefined responsibilities, connections between secured and unsecured areas, and a lack of understanding of security among decision-makers pose a particular threat. This systematic review demonstrates a paucity of literature addressing real-world scenarios, asymmetric/hybrid threats, or composite vulnerabilities. In particular, the attack surface is significantly increased by the deployment of smart sensors and actuators in unprotected areas. Furthermore, a range of additional hybrid threats are cited, with practical examples being provided that have hitherto gone unnoticed in the extant literature. It will be shown whether solutions are available in neighboring areas and whether these can be transferred to building automation to increase the security of the entire system. Consequently, subsequent studies can be developed to create more accurate behavioral models, enabling more rapid and effective analysis of potential attacks to building automation. Full article
Show Figures

Figure 1

34 pages, 2660 KB  
Article
Monetizing Digital Innovation in the AEC Industry: Real Estate Value Creation Through BIM and BMS Integration
by Edison Atencio, Costanza Mariani, Riccardo Accettulli and Mauro Mancini
Buildings 2025, 15(11), 1920; https://doi.org/10.3390/buildings15111920 - 2 Jun 2025
Viewed by 2064
Abstract
The real estate sector is increasingly recognizing facility management (FM) as a key driver of asset value. Among emerging technologies, Building Information Modeling (BIM) and Building Management Systems (BMSs) stand out for their potential to enhance FM efficiency by integrating design data with [...] Read more.
The real estate sector is increasingly recognizing facility management (FM) as a key driver of asset value. Among emerging technologies, Building Information Modeling (BIM) and Building Management Systems (BMSs) stand out for their potential to enhance FM efficiency by integrating design data with building operations across the entire lifecycle, from construction to maintenance, performance monitoring, and renovation. While their technical applications have been widely studied, the financial impact of these tools on FM remains underexplored. This paper addresses that gap by estimating the economic value generated by implementing BIM and BMS in real estate facility management. Based on thirteen semi-structured interviews with professionals from the Italian real estate sector, we identified and quantified cost-saving factors and challenges related to digital adoption. These cost efficiencies, when recurring and quantifiable, can improve net operating income (NOI), thereby supporting higher asset valuations under income-based real estate appraisal methods. The results show that integrating BIM and BMS in facility management may generate average annual cost savings of 5.81% relative to asset value, with coordination improvements alone accounting for up to 3.28% per year. Based on a 30-year simulation, these savings correspond to a positive Net Present Value (NPV), supporting the financial viability of digital FM adoption in real estate. This study offers empirical evidence to support investment decisions in digital FM technologies and contributes to bridging the gap between innovation and financial evaluation in the real estate sector. Full article
(This article belongs to the Special Issue Architectural Design Supported by Information Technology: 2nd Edition)
Show Figures

Figure 1

Back to TopTop