Next Article in Journal
Quantifying Savings and Evaluating Cost Allocation Methods in Energy Communities: A Data-Driven Approach
Previous Article in Journal
Mechanism Modeling and Hybrid Algorithm-Based Calibration Method for Current Setting Range of Motor Starters
 
 
Font Type:
Arial Georgia Verdana
Font Size:
Aa Aa Aa
Line Spacing:
Column Width:
Background:
Article

Exploiting Windowpane Heat Losses for Indoor Energy Harvesting in Buildings

1
Department of Electrical Engineering Fundamentals, Wroclaw University of Science and Technology, 50-370 Wroclaw, Poland
2
KMB Grupa Sp. z o.o. Sp. K., 51-116 Wroclaw, Poland
*
Author to whom correspondence should be addressed.
Energies 2026, 19(5), 1342; https://doi.org/10.3390/en19051342
Submission received: 2 July 2025 / Revised: 28 February 2026 / Accepted: 4 March 2026 / Published: 6 March 2026
(This article belongs to the Section G: Energy and Buildings)

Abstract

Buildings account for approximately 40% of global energy consumption, with heating, ventilation and air conditioning systems being the primary contributor. Building management systems offer a promising solution for enhancing energy efficiency, particularly in retrofitting older or protected buildings. However, powering numerous wireless sensors required by BMS remains a logistical challenge. This study investigates the feasibility of harvesting thermal energy lost through windowpanes to power ultra-low-power IoT sensors, a concept that was not previously explored in the literature. A thermoelectric energy harvester was developed using a TEC1-12710 thermoelectric module and an EM8900 ultra-low-voltage DC-DC boost converter. Laboratory and field experiments were conducted to evaluate the system’s performance under various thermal conditions, with electrical energy accumulated in a 0.01 mF capacitive energy storage. In laboratory conditions, a temperature difference of ~1 °C enabled the system to generate up to 3.24 V with a power density of 3 mW/m2. Field tests during winter yielded lower performance (1.43 V, 1.9 mW/m2), which was attributed to suboptimal thermal gradients and operating points. It was thus experimentally shown that windowpane heat losses can be effectively harnessed for indoor energy harvesting. While the current efficiency is limited, the approach shows promise for powering battery-free IoT devices.

1. Introduction

It is assumed that about 40% of the total energy produced by humanity is consumed for the maintenance and operation of buildings [1]. Of these, the largest share, as much as 55%, is attributed to HVAC installations [2]. Due to the progressive degradation of the natural environment, the growth of global greenhouse gas emissions and the prospect of depletion of the fossil fuel resources, it is therefore essential to reduce the energy consumption needed for the operation of buildings. Such actions are imposed by the EU through the EPBD Directive, which has already required all new buildings to be designed and constructed as NZEBs, from 2021 [3]. Moreover, the EU requests its member states to implement policies for the renovation of existing buildings in order to convert them into NZEBs by 2050 [4].
Currently, the implementation of building automation systems integrated by BMS [5] is believed to be the key strategy in improving the building energy efficiency, which is also recognized as the most effective measure by international standards like ISO 52120-1:2021 [6]. As the operation of BMSs is dependent on data acquired from numerous sensors and devices, the current tendency in BMS design favors the use of wireless data transmission instead of wired data infrastructure. The very attractive advantage of using wireless solutions in BMS systems is the possibility of a straightforward implementation of such projects in existing buildings, especially in those where the installation of conventional wired building automation systems is highly challenging. Such buildings include public utility facilities in which the nature of operation does not allow them to be excluded from the service (e.g., hospitals) or historic buildings protected by the law (in which the use of wired telecommunication systems is practically excluded). And as these buildings, due to their age and the construction technology, are mostly characterized by very poor energy efficiency, they may gain substantial energy saving benefits resulting from wireless BMS system implementation.
Regrettably, remote wireless sensors require an electrical supply for their operation and data transfer. Although battery-based building automation wireless sensors are becoming progressively popular and their state-of-the-art implementations may be operated on a single battery, even over 10 years, in large BMS systems relaying thousands of such remotely operated sensors, this creates a substantial logistic payload related to battery replacement. The literature-envisaged resolution for this problem is the autonomous, battery-less operation of remote sensor nodes relaying energy harvesting, which has already been discussed in review- or book-type literature sources [7,8]. However, the common problem encountered in buildings is to find the effective environmental energy source for energy harvesting, which would be readily available indoors.
Indoor energy harvesting for powering microelectronic WSNs integrated within large BMSs is a non-trivial challenge. This complexity arises primarily from the limited availability of energy sources in the immediate vicinity of these remote nodes, as well as the constrained output power of energy harvesters. Furthermore, the issue is compounded by requirements regarding the measurement data availability provided by WSN nodes, which dictates their maximum sleep time or the necessity of complete shutdown—the latter entails increased energy demands associated with “cold start” procedures. Primary physical phenomena utilized for energy harvesting in building environments include photovoltaics (PV), thermoelectrics (TEG), kinetic (and vibrational) energy (KE), and radio frequency (RF), which are combined with various transduction mechanisms that are additionally adopted and specifically optimized for indoor environments. The following section discusses over a dozen selected publications from recent years concerning indoor energy harvesting, to illustrate the current state of the art in this field. Particular emphasis was put on harvesting thermal energy derived from thermal gradients across building barriers. This discussion is concise, reflecting the research-oriented, rather than review-oriented, nature of our article.
Hidalgo-Leon and colleagues presented a highly compelling and comprehensive review of current advances in energy harvesters for smart buildings aimed at powering wireless sensor networks [9]. In addition to the typical energy sources mentioned above, the solutions discussed therein utilize airflow energy in HVAC ducts and water flow in piping systems, energy regeneration from pedestrian pressure on floor panels, and the recovery of vibration energy from the structural frameworks of high-rise buildings (induced, for example, by wind loads), using low-frequency pendulum systems. Furthermore, the article provides a detailed comparison of environmental energy sources, potential building sites, and building systems, alongside power magnitudes that are available at the harvester output, as reported in the literature.
Light energy appears to be a highly promising primary energy source within indoor building environments. However, a closer analysis of this subject reveals—beyond the highly variable diurnal and seasonal availability of natural light—a significant discrepancy between the spectra of natural and artificial light, as well as challenges in matching photovoltaic materials to these specific conditions. Chen and colleagues presented a recent review comparing different materials and technologies (amorphous a-Si, GaAs, perovskite, dye-sensitized, and organic photovoltaics) that are available for indoor photovoltaics and light conversion [10]. Interestingly, the efficiency of perovskite solar cells optimized for indoor use developed by Ma and colleagues [11] already exceeds 43%—a value which, a few years ago, was attainable only in highly optimized and manufacturing-intensive multijunction GaAs sandwich structures, or in solutions utilizing external concentrator optics to increase the light energy density incident on the PV elements.
In indoor harvesting systems, hybrid solutions utilizing both light and thermal energy are increasingly being employed. Mishu and colleagues developed such a combined adaptive system, which was capable of delivering 0.14 W at 0.8 V when operated under indoor light illumination of at least 50 lux and a minimum temperature difference of 5 K [12]. A prototype system utilized an amorphous silicon solar cell combined with a TEG module to supply an MPP-enabled DC-DC boost converter, based on the ADP5091 chip.
Avila and colleagues, in their extensive and comprehensive review, categorize indoor energy sources and the associated solutions presented in the literature over the last decade in terms of peak power density [13]. Furthermore, they highlight a crucial aspect of such indoor systems: the indispensable components that accumulate and manage the harvested energy, namely the Power Management and Energy Storage systems.
Hao and colleagues proposed a wall-embedded prefabricated building thermoelectric power generator designed for construction in cold climate locations [14]. Their energy harvesting approach is based on a system of NiCr-NiCu metallic thermocouple units embedded into the prefabricated wall element during the manufacturing stage. This concept was both simulated and experimentally verified, reaching instantaneous and average power outputs of 12 mW and 1 mW, respectively, under summer-like thermal conditions (55/26 °C), and 37 mW and 17 mW, respectively, under winter-like conditions (−23/28 °C).
Sun and colleagues conducted a highly detailed review of thermoelectric materials and their diverse applications in buildings [15]. These—among others—include unconventional solutions such as anti-corrosion systems based, for instance, on incorporating polyaniline/MnO2 components into concrete, which can itself serve as a thermoelectric generator providing cathodic protection for steel reinforcement or steel piping.
Win and co-workers investigated the electricity generation and thermal characteristics of TEG facades incorporating thermoelectric cells [16]. The design applied TEGs to the external side of a typical structural façade, using 25 cm-thick reinforced concrete combined with metal temperature-equalizing plates and microencapsulated phase change material; it displayed a peak electricity generation of 100 mW/m2 (at the TEG output) under moderate positive solar heating conditions (400–1200 W/m2) and a 24 °C indoor temperature. Such a system allows for a daily energy generation of up to approximately 1.4 kJ/m2, while the estimated thermal-to-electrical energy conversion efficiency only reaches about 0.0011.
Windows can contribute up to 25% of the thermal exchange between the building interior and the exterior environment. Efforts to minimize these heat losses are primarily commercially manifested through the construction of increasingly energy-efficient windows, featuring triple-pane systems equipped with specialized low-emissivity coatings to minimize radiative losses, as well as warm frames installed using overhanging (out-of-wall) mounting within the building’s external insulation. On the other hand, active solutions are employed only on the experimental scale to recover the energy lost due to the non-zero thermal conductivity of windows (i.e., the glazing units and window frames).
Wang and colleagues developed optically transparent TEG devices, which may be deposited directly on the window’s glass surface [17]. The device comprises a p-type PEDOT:PSS film combined with n-type ITO deposited on glass or PET foil, exhibiting high (81%) visible-range optical transmittance and an output power of 14.3 nW—corresponding to a power density of over 22 W/m2 under a temperature gradient of 80 K for a 10-leg pair device. However, it should be noted that for a small temperature difference (5 K), the output power of such a design was lower than 1 nW.
Meng and colleagues proposed embedding conventional Bi2Te3 TEGs between two panes of a so-called photochromic smart window, equipped with an iron-doped WO3 photochromic layer and low-emissivity ITO glass [18]. This proof-of-concept demonstrator, incorporating 16 TEG modules distributed along frame edges, achieved a power output of 0.15 mW at a voltage of 54.6 mV under direct sunlight irradiation at the MPP (compared to 0.076 mW and 37.1 mV for an identical window not equipped with the photochromic layer).
Another approach to harvesting thermal energy via windows relies on thermoelectric glass incorporating built-in thermoelectric conversion linear structures. A promising solution of this type was proposed by Inayat et al. [19]. It consists of 72 couples of thermoelectric pillars, composed of hot-pressed BixTey and BixSbyTez powders, integrated into 5 mm holes in an organic glass panel and connected in series. This semi-transparent structure, measuring 132 cm2, exhibited a power output of 0.16 μW under a temperature gradient of 22.5 K.
Thermal energy harvesters may also be built directly into the window frame. Lin and co-workers integrated conventional BixTey TEG modules into an aluminum window frame fitted with an additional optimized tilted thermal connector [20]. The proposed device, comprising 4 TEGs supplying an LTC3108-based DC-DC boost converter and an LTC4071 battery management circuit, was capable of delivering 1.5 mW of power at a voltage of approximately 100 mV under a 6 K temperature difference. Interestingly, the unit price of such a TEH system was estimated at 164 USD.
All in all, as most of the contemporary buildings exploit windows fitted with glass windowpanes, an attempt has been made to experimentally explore a possibility of utilizing windowpane heat losses to regenerate electrical energy for battery-less supply of ultra-low power IoT indoor wireless sensor devices targeted at BMS systems. In practice, under unfavorable thermal conditions, windows (many of which feature double-pane glazing, characterized by Uw = 1.1–1.3 Wm−2K−1 t) display thermal losses of at least quite a few Watts per each widow. To the best of our knowledge, the approach discussed in the following paragraphs is the first experimental attempt to use thermal energy lost through windowpanes to harvest electricity, as we have not been able to find any literature reports on this subject so far. Energy lost through windows has not been previously considered by researchers and engineers as a useful or attractive ambient energy source for indoor energy harvesting, possibly due to such low power levels. An additional factor may have been the low efficiency of commercially available thermopiles at the small temperature differentials that are realistically achievable in such window-based energy scavenging applications.

2. Materials and Methods

In order to test whether the harvesting of thermal energy lost through window glazing is feasible at all, we decided to use semiconducting TEG relaying on the Seebeck effect. All the experimental tests were performed using a popular, commercially available thermopile type TEC1-12710 (Hebei I.T. Co., Ltd., Shanghai, China) composed of 127 semiconducting p-n Bi2Te3 leg pairs housed in a 40 × 40 mm ceramic body silicone-sealed on its edges. A TEC-type module (instead of TEG-type) was actually selected for the tests according to the work of Nesarajah and Frey [21], suggesting little difference in energy generation effectiveness between TEC and TEG modules and slightly higher electrical output effectiveness obtained when using TEC instead of TEG in the low temperature difference range 0–40 °C. The thermopile module was fitted with a heatsink (type ICK PDA 21 × 21, Fisher Elektronik GmbH & Co., KG, Lüdenscheid, Germany) with a thermal resistance of 7 K/W, which was passively ventilated by indoor air. It was concluded that the use of enhanced thermoelectric materials for room temperature applications (like porous Bi0.4Sb1.6Te3 with ZT ≈ 1.4 at 298 K, developed by Lee [22], or superlattice-type Bi2Te3/Sb2Te3 sandwich structures reaching ZT ≈ 2.4, developed by Venkatasubramanian [23], to just name a few) was not justified in these preliminary studies. As such state-of-the-art materials are not yet commercially available, the validity of using them in these introductory experiments is questionable when considering the importance of reproducibility and result verification by the wider scientific community.
Window glazing with a controlled temperature was simulated in laboratory tests by a 100 × 50 mm 4.0 mm-thick piece of typical window glass fitted with an additional temperature-equalizing 100 × 50 mm 3.0 mm-thick aluminum plate. To reduce thermal resistance at all points of thermal contact, a thermally conductive adhesive (AGT-116, AG ThermoGlue, Sokoly, Poland) was used. The temperature of the glass surface was controlled using a pair of parallel-connected TEC modules supplied with a custom-build PWM driver and an autotune PID controller (SDC35, Azbil Corp., Tokyo, Japan) fitted with a miniature class A Pt100 RTD sensor (Testo Sensor GmbH, Lenzkirch, Germany; catalog accuracy of ±0.15 °C at 0 °C) affixed to the glass surface, as schematically shown in Figure 1a. The temperature of the other elements was also monitored using miniature class A Pt100 RTD sensors routed together with other voltage signals to Agilent 34970a DLSU (Agilent, Santa Clara, CA, USA) controlled by a PC running a control application written in Keysight VEE Pro 9.33 visual engineering environment software (Keysight Technologies, Santa Rosa, CA, USA). The DLSU provided a 0.01 °C resolution of temperature readings and the overall accuracy of ±0.2 °C. All voltage-current characteristics were obtained by using a Keithley 6430 SMU (Tektronix Inc., Beaverton, OR, USA), which was also used for power measurements. The accuracy of the voltage, current and power measurements was in accordance with the catalog parameters of the listed measuring devices.
Field tests were conducted using the above-described TEG-heatsink assembly affixed to a real window, as shown in Figure 1b. A permanent attachment of the TEG-radiator assembly to the glass pane using thermal adhesive was intentionally avoided, due to the assumed easily demountable nature of the TEH system. The TEG-heatsink assembly was attached to a windowpane glass surface, using a purpose-built non-contact magnetic clamp, minimizing unwanted thermal energy transfer between the glass and the heatsink. The radiator and TEG module were pressed against the glass pane by an attractive magnetic force generated by two neodymium magnets mounted symmetrically at the ends of the clamping fixture (indicated by arrows in Figure 1b), acting upon two ferromagnetic plates attached to the windowpane, using VHB™ 9473PC adhesive transfer tape (3M Poland Manufacturing Sp. z o.o., Wroclaw, Poland).
The field tests were carried out on a commercial energy-efficient 2-pane window (Vetrex V70, Vetrex Sp. z o.o., Tczew, Poland) fitted with a plastic frame and characterized by Uw = 1.1 Wm−2K−1 (as declared by its manufacturer). The test window was located on the 1st floor of the western side of a residential house (located in the south-western part of Poland) and the field tests were conducted in winter (January 2024). TIN_GLASS, TOUT_GLASS, TIN_AIR, TOUT_AIR and THEATSINK were monitored using class A miniature Pt100 RTD sensors (Testo Sensor GmbH, Lenzkirch, Germany) and logged using Agilent 34970a DLSU. VTEG_OC, VTEG_LOAD and VOUT (loaded with 10,000 μF CES) were also logged in.
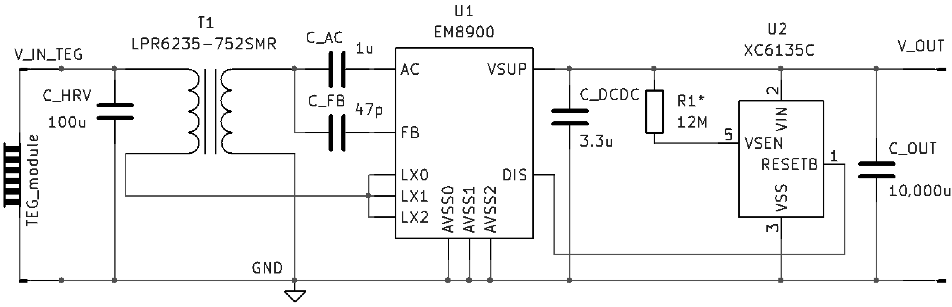
Due to a small output voltage generated by the described TEG-windowpane TEH assembly (which was far too low to directly supply even a low-voltage IoT device), it needs to be boosted. Tests were undertaken using an EM8900 (EM Microelectronic-Marin SA, Marin, Switzerland) ULV DC-DC boost converter, operated in the circuit shown in Figure 2 (the pins and other passive element markings used in this diagram are consistent with the markings in the EM8900 data sheet [24]). A 1:100 step-up transformer (LPR6235-752SMR, Coilcraft Inc., Cumbernauld, UK) was exercised in the self-starting AC sub-circuit and the capacitances CAC = 1 μF, CFB = 47 pF, CHRV = 100 μF, and CDCDC = 3.3 μF were selected on the basis of the EM8900 datasheet. In some of the tests, an additional capacitance, COUT = 10,000 μF, was also used as a CES. As the EM8900 boost converter is not fitted with the integrated output voltage control, to limit and stabilize its output voltage, a simple hysteretic approach was applied using the EM8900 DIS input. When DIS pin is high, EM8900 shuts down and it stops transferring power from its AC input to the VSUP output, and when DIS is low, EM8900 is running. A ULP comparator (XC6156C31, Torex Semiconductor Ltd., Tokyo, Japan) with a fixed 3.1 V threshold voltage was selected as a hysteretic voltage supervisory sub-circuit [25], as shown in Figure 2.

3. Results

Figure 3 illustrates the open-circuit operation of the EM8900-XC6135C31 ULV DC-DC boost converter fitted with no additional COUT CES for two input voltages: VIN_TEG = 9.0 mV (Figure 3a) and VIN_TEG = 12.1 mV (Figure 3b).
As long as the EM8900 output voltage VOUT is below the XC6136C31 comparator threshold voltage, the DIS signal is low and EM8900 is charging the output capacitance CDCDC. When VOUT exceeds the threshold voltage by its hysteresis, the DIS signal becomes high and the EM8900 converter shuts down. This is followed by a slow drop in VOUT (caused by the combined XC6135C31 supply current, leakage current of CDCDC and current drawn by the oscilloscope probe) down to the value of the comparator threshold voltage, which causes the DIS signal to become low, the EM8900 converter to turn on and the charging cycle to be repeated. The obtained RMS VOUT value of 3.25 V was close to the 3.3 V standard supply voltage accepted by many modern electronic microchips, while its peak-to-peak fluctuations shown in Figure 3 were of the order of 200 mV. VOUT fluctuations in such a hysteretic mode of operation should be equal to the hysteresis of the comparator, which for the XC6135C31 is typically 5% of its threshold voltage, i.e., about 160 mV; the observed discrepancy was probably due to the production parameter spread. Increasing the input voltage VIN_TEG results in an increase in the rate of VOUT build-up (related to the increase in EM8900 output current charging CDCDC capacitance) and thus shortens the periods of active operation of the EM8900 chip. The delay between DIS = 0 state and the start of operation of the EM8900 converter decreases as the VIN_TEG increases; for VIN_TEG = 9 mV, a delay of about 580 ms was recorded, while for VIN_TEG = 12 mV, it decreased to about 130 ms. The estimated current consumption of the output voltage supervisory sub-circuit using a XC6135C31 comparator was below 60 nA; thus, the proposed voltage supervisor sub-system was favorable due to the need to power it directly from the output of the EM8900 converter, especially at low VIN_TEG when EM8900 output power is very limited. Moreover, the XC6156C31 chip is fitted with internal undefined operation protection circuitry, which sets its RESETB output voltage to below 0.38 V when the supply voltage at pin VIN is lower than approx. 1.1 V, i.e., when the comparator has not yet been properly supplied. It makes the operation of the proposed ULV stabilized boost converter fail-safe during the cold start-up when the VSUP output cannot supply enough current to rise VOUT (and thus VIN input pin) over 1.1 V.
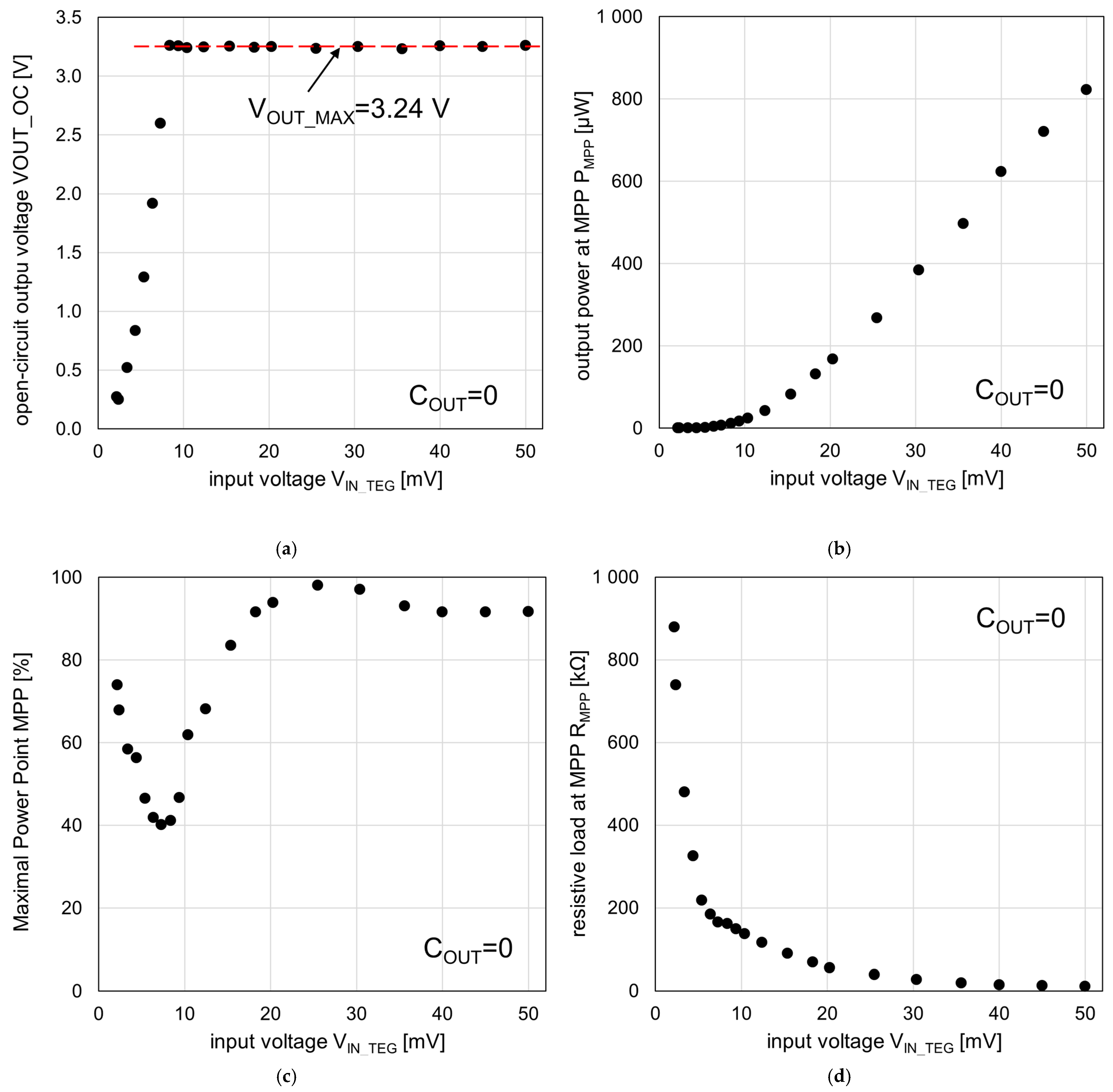
Figure 4 shows the basic operational characteristics of the proposed EM8900-XC6156C31 ULV boost converter with no additional CES load (COUT = 0) in the VIN_TEG range of 2–50 mV. As can be seen, VOUT_MAX = 3.25 V in the open-circuit state is obtained at the input voltage of VIN_TEG > 8.4 mV. Remarkably, the EM8900-XC6156C31 converter cold-starts its operation at VIN_TEG as low as 2.4 mV, which is a lower value than that offered by other ULV boost converters like LTC3108, ADP509X, AEM30490 or Prometheus. PMPP (illustrated in Figure 4b) increases monotonically with VIN_TEG, and it can exceed 0.8 mW at VIN_TEG = 50 mV; however, for VIN_TEG < 8.4 mV, it is less than 11 μW. The MPP value (expressed as the percentage of VOUT in relation to VOUT in the open-circuit state), illustrated in Figure 4c, depends non-monotonically and nonlinearly on VIN_TEG. It is worth noting that in the range of very low VIN_TEG values, the MPP value quickly drops to approx. 40% for VIN_TEG < 8.4 mV, then it slowly increases to almost 98% for VIN_TEG close to 25 mV and finally arrives at a plateau at approximately 91%. Due to the lack of MPPT feature in the EM8900 converter, the MPP value is variable, which also affects the optimal value of the MPP load resistance RMPP, which in turn is illustrated in Figure 4d. As VIN_TEG increases, the RMPP value decreases hyperbolically and in the low input voltage range of VIN_TEG < 8.4 mV, it is generally greater than 150 kΩ, which means that the output current of the boost converter in this low input voltage region should be kept below 20 μA to retain the output power of the boost converter at a useful level.
On the other hand, Figure 5 illustrates the rate of VOUT rise in the EM8900-XC6135C31 ULV boost converter loaded with a COUT = 10,000 μF CES. For readability, Figure 5 was separated into two plots, for VIN_TEG < 8.4 mV (which does not produce VOUT_MAX = 3.25 V) and for VIN_TEG ≥ 8.4 mV (which results in VOUT MAX = 3.25 V). VOUT_MAX = 3.25 V is obtained at 10,000 μF CES in the charging time tCHG_VOUTMAX of about 1.5 h (for VIN_TEG = 8.4 mV); however, at VIN = 50 mV, tCHG_VOUTMAX is shortened to about 3.5 min. It should also be noted that the charging time decreases exponentially as the VIN increases. On the basis of the data in Figure 5b, the PCHG_VOUTMAX to obtain VOUT_MAX = 3.25 V at the COUT = 10,000 μF CES was also determined and collected in Table 1.
The average charging power of a large output CES (10,000 μF) is therefore about three times lower than the output power of the EM8900-XC6135C31 boost converter obtained at the MPP point when its output is loaded only with a small (3 μF) capacitance.
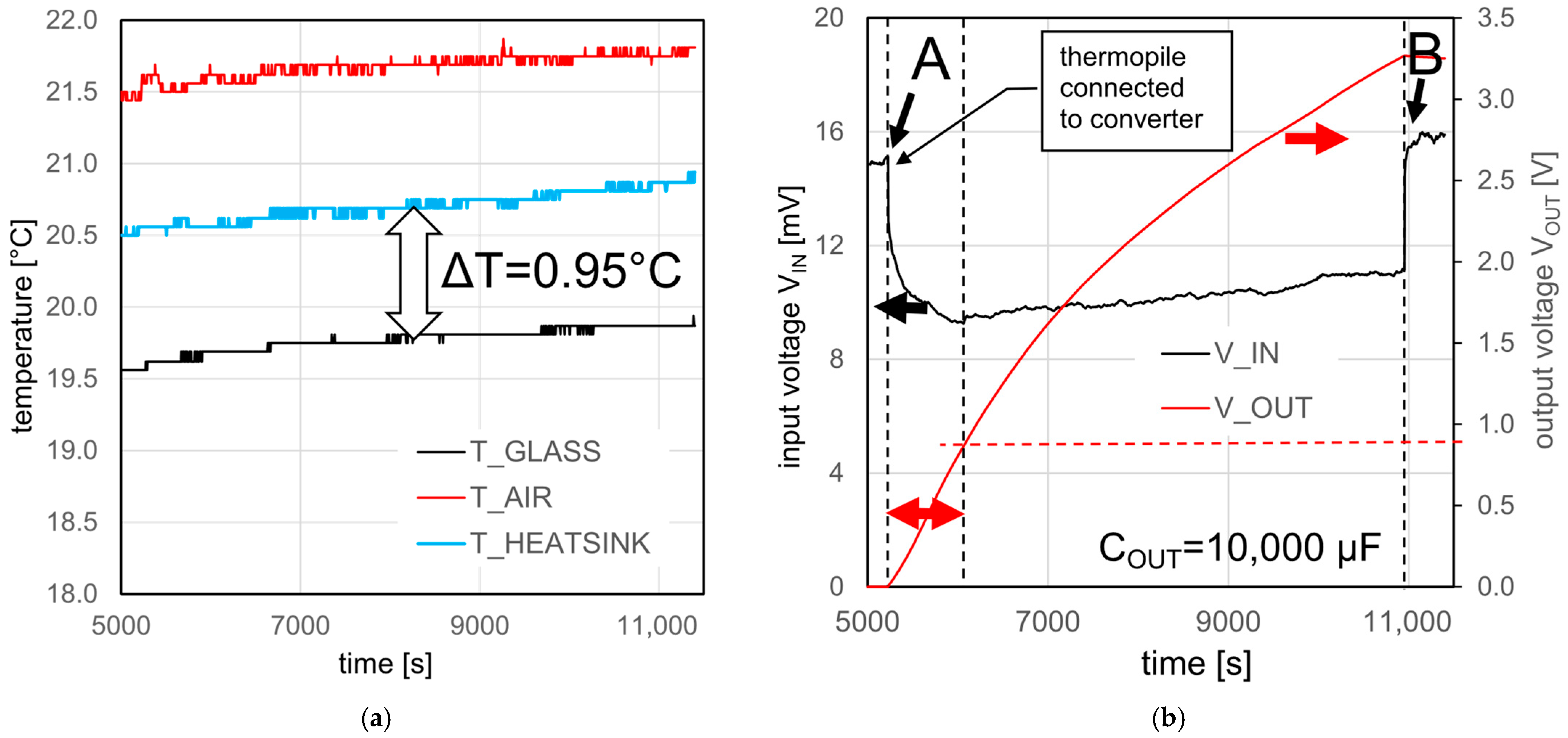
Experimental tests were also carried out to examine the operation of the EM8900-XC6135C31 boost converter, loaded with COUT = 10,000 μF CES and powered directly from the target TEG. The TEG was fixed to the surface of the window glass (simulating a real window glass pane) cooled to a temperature lower than the surrounding indoor air, using the aforementioned laboratory setup. Such laboratory experiment therefore mapped the anticipated real operation of the constructed TEH when it is installed as intended on the inner surface of the windowpane glass, when the outdoor temperature is lower than the indoor. Natural, non-forced convective heating of the TEG’s radiator was also exercised. Figure 6a illustrates the exemplary temperature record of the “cold” side of the energy harvester (i.e., the windowpane glass, TGLASS), its “warm” side (i.e., the heatsink, THEATSINK) and the air temperature (TIN_AIR) when the system was close to a thermal equilibrium. Figure 6b shows the corresponding changes in VIN_TEG (i.e., the output voltage of the TEG—black curve) and VOUT (red curve) loaded with COUT = 10,000 μF CES. For the average indoor temperature of 21.5 °C (i.e., the temperature of the indoor thermal comfort) and the temperature of the simulated windowpane glass of just 19.6 °C, a temperature difference between the “warm” and “cold” side of the thermopile was close to 0.95 °C. This produced the TEG open-circuit output voltage of 14.5 mV, which dropped to approximately 10 mV after loading the TEG with the boost converter-CES assembly. In such laboratory conditions, reflecting the operation of the proposed thermoelectric harvester in a real environment, the converter loaded with COUT = 10,000 μF CES reached the maximal VOUT_MAX = 3.25 V output after approximately 96 min. This corresponds to an average charging power of 9 μW. The laboratory experiment discussed above has thus demonstrated that at a usual indoor temperature and at ~1 °C temperature difference between the “cold” and “warm” side of the thermopile located on the “warm” (indoor) side of the windowpane glass, it is possible to generate a voltage exceeding 3.2 V at a reasonably large CES in approximately 1.5 h.
Under the thermal conditions shown in Figure 6a, i.e., during a very slow increase in temperature of both the simulated window glass and the temperature of the indoor air and the heat sink (0.4 °C during 96 min, i.e., 0.25 °C/h), the temperature difference between the glass and the heat sink remained practically constant (ΔT~1 °C). On the other hand, the open-circuit voltage of the TEG was increased by approx. 0.3 mV (i.e., by approx. 0.75 mV/°C) from the moment the boost converter was switched on until the maximum voltage at its output was reached (i.e., during 96 min between the moments marked A and B in Figure 6b). In the same period of time, the output voltage of TEG loaded with the boost converter and the CES increased by approx. 1.6 mV (i.e by 4 mV/°C). This effect is surely related to the change in the load of the TEG imposed by the boost converter when its output voltage was increased, as may be seen in the initial charging period in Figure 6b, marked with a double-sided red arrow. But it also suggests that in the discussed application, the TEG should be operated at the highest possible average temperature, as it allows us to increase the output voltage of the TEG and the power available at the boost converter output. Thus, the TEG should be located at the indoor side of the window.
On the basis of the data presented in Figure 6b, it is also possible to estimate the actual operating point (OP) of the TEG achieved under the simulated windowpane glass thermal conditions, which is close to 65%. Due to the purely resistive nature of the TEG as a load, its operating point should be set at 50% to ensure its operation at the MPP. The observed deviation in the OP is related to the lack of control of the operating point at the input of the EM8900-XC6135C31 ULV boost converter. The average charging power of the COUT = 10,000 μF CES was determined on the basis of Figure 6b and when obtained in simulated thermal conditions yields approx. 4.8 μW, which corresponds to the power density of 3 mW/m2. On the other hand, the average output power of the EM8900-XC6135C31 ULV boost converter at VIN_TEG, close to a 10 mV read from Table 1, yields approx. 11 μW. The difference is again due to the lack of operation of the TEG and the boost converter at the MPP.

Field Tests

Finally, a single-run field test was carried out in real winter conditions (in January 2024). The forementioned TEG-heatsink assembly was installed using a magnetic fixture on the indoor side of the windowpane in a typical residential house. The TEG output was routed to the EM8900-XC6135C31 boost converter feeding COUT = 10,000 μF CES. The measurements were carried out for over 2 weeks, from which finally the 3-day-long measurement log was selected, with the outdoor temperature varying from positive (+5 °C) to negative (−4 °C), as illustrated in Figure 7a. During this period, the highest VOUT value (black curve in Figure 7b), equal to 1.43 V, was obtained at an outdoor air temperature of −1.6 °C. In such conditions, the indoor air temperature of 22.0 °C resulted in the temperature of the glass on the indoor side of the window being equal to 17.7 °C and the temperature of the heat sink being 20.1 °C. At the maximal temperature difference of 2.5 °C between the “warm” and “cold” side of the TEG, its open-circuit output voltage of 7.1 mV and 5.9 mV when it was loaded with the boost converter-CES assembly was recorded. It was found that the OP of the TEG obtained in the real field conditions generally varied between 84 and 90%. The achieved VIN_TEG was thus almost twice as low as that produced in the previously discussed laboratory tests simulating operation of TEH at the windowpane glass, more than two times smaller in temperature difference (Figure 6). Thus, a much less favorable OP of the TEG was logged in real conditions. It may be related to the different heat exchange regime of the heat sink encountered in the real field test conditions, unmatched thermal resistances at the boundaries of individual elements of the TEH system, and a variable and far from optimal OP of both the boost converter and the TEG in real, temperature-variable, conditions.
The average charging power of 10,000 μF CES obtained over a period of time from the 36th to 54th hour of the field experiment when the output voltage of the TEG loaded with the converter exceeded 3.7 mV was approx. 0.13 μW. Taking into account the TEG area (0.0016 m2), the average energy density at the TEH output of approx. 80 μW/m2 was obtained. However, the maximum output power delivered momentarily by the TEH in the discussed period of time exceeded 3 μW, which translates to the maximal energy density of 1.9 mW/m2. It is also worth noting that the maximal output power was delivered at the sharp jump of the indoor temperature, despite the outdoor temperature dropping at the same moment to about −2 °C. The indoor temperature increase recorded between the 33rd and 53rd hour of the experiment was due to the operation of the heating system in the test house, which was then turned off in the 53rd hour of the experiment. From this point in time, despite a further decrease in the outdoor temperature down to −4 °C, the indoor temperature started to decrease and the output voltage of the TEG and the overall efficiency of the entire TEH also declined, which made it impossible to maintain the previously obtained maximal VOUT level, due to TEH’s own energy consumption and CES self-discharge.
As may be deduced from the temperature change curves seen in Figure 7a, the system thermal inertia is dominated by the inertia of the window itself (and mainly by its two glass panes), which is significantly higher than the thermal inertia of the TEH based on a small ceramic-semiconductor TEG element and a heat sink. Consequently, the window’s thermal inertia will determine the rate of temperature changes on the ‘cold’ side of the harvester, exerting a beneficial effect by reducing and stabilizing these fluctuations. On the other hand, the low heat capacity (and thus low thermal inertia) of the “hot” side of the TEH allows for the utilization of transients associated with more dynamic changes in the indoor temperature; these manifest as step changes in the TEG output voltage and, consequently, as instantaneous increases in the CES charging rate.

4. Discussion

In order to roughly estimate the power available to a TEH extracting energy from the thermal losses of the window, the following assumptions were made. Let us take into account the typical value of the heat transfer coefficient Uw = 1.0 Wm−2K−1, which is fairly representative for commercially available energy-efficient double-glazing windows, assuming an indoor air temperature of 21 °C (ensuring thermal comfort in the winter period), as well as the outdoor temperature in the winter period equal to 0 °C. Therefore, the thermal power of losses of such a hypothetical window available for a typical TEG module with an area of 0.0016 m2 (40 × 40 mm) yields approx. 34 mW. Assuming just 1.0% thermoelectric conversion efficiency, in such conditions, a hypothetical TEH may produce an average electrical power of approx. 0.34 mW at its output. Such a low efficiency value was assumed due to the experimentally determined very low temperature difference between the TEG walls heated with an indoor heat sink and cooled by the windowpane’s glass, and also the lack of operation at the MPP point. Therefore, such hypothetically predicted power is about 18 times and over 1300 times greater than that obtained in the discussed laboratory experiments and the field test, respectively. In addition, assuming the total energy efficiency of the voltage boost conversion and energy storage close to 40%, the power available at the output of such a theoretical windowpane-powered TEH for external microelectronic sensing circuits could therefore amount to approx. 0.14 mW (corresponding to the power density at the TEH’s output of approx. 87 mW/m2). In practice, such power would be sufficient to continuously supply, for instance, the AM18X5 ULP Real-Time Clock and Power Management chip, (Ambiq Micro Inc., Austin, TX, USA) which—thanks to its internal hardware state machine—can autonomously supervise the power-up and operation of a remote IoT sensor module. However, relating this estimation to the experimental results presented in previous chapters shows how important it is to thermodynamically adjust the individual components of the thermoelectric system and to keep its operating point at the MPP.
For a further comparison, a TEH developed and presented in another publication [26], using the same TEG-heatsink assembly as discussed in the current manuscript but deriving waste heat energy from the return path of the domestic heating system, achieved a temperature difference between the TEG surfaces in the range of 3.0–3.8 °C and produced a TEG output voltage reaching 46 mV and an output power of up to 0.49 mW (corresponding to the power density of over 300 mW/m2). Such a TEG-heatsink assembly feeding the ULV boost converter based on the LTC3108 chip and the 2.5 F CES allowed us to obtain an average charging power at such a TEH output of approx. 0.17 mW, which corresponded to the output power density of 106 mW/m2. However, the quoted TEH worked in much more favorable thermal conditions (i.e., at a higher temperature difference), and the MPP close to 65% maintained in such a setup was also much more advantageous [24].
Another approach to increasing the output power of the proposed TEH is to increase the number of TEG modules employed. It can be assumed that such a solution would allow for further reduction in the temperature differential required to reach the minimum cold-start voltage of the DC-DC boost converter. However, as indicated by the research results obtained by Morais [27], the increase in output power under such a configuration does not scale linearly with the number of TEG modules. As the cited work shows, it is more advantageous to connect three TEGs in a serial–parallel combination to obtain higher output power and a lower onset power generation temperature of the TEH, based on the EM8900 boost converter, when TEGs are operated using a low temperature difference (<3.5 °C). Such a multiplication of TEG modules, however, has not been practically tested in the experimental setup discussed in the current manuscript.
Since the authors have not been able to find references in the available literature directly related thematically to the window-mounted TEH presented in this manuscript, attention has been paid to experiments on using the outer space as a thermodynamic resource to cool down a thermal emitter facing the night sky and radiating energy within the infrared atmospheric transparency window, as discussed in the literature. The Raman group using such a type of night radiative cooling of the TEG module coated with high emissivity black paint achieved an open circuit TEG output voltage of 79 mV, output power at MPP point of 0.8 mW and a power density of 25 mW/m2 [28]. The Omair group, during similar experiments with night-time radiative cooling of TEG elements using deep space, obtained an energy density of about 36 mW/m2 at the output of a single TEG operating at MPP [29]. On the other hand, Assawaworrarit and co-workers, by using a tandem of photovoltaic modules serving as night infrared emitters cooling a TEG module, achieved a radiative cooling of 3 degrees below the ambient temperature, which made it possible to obtain the TEG output voltage in the open-circuit state >100 mV, an output power of 0.7 mW and a power density of 50 mW/m2 [30]. However, such superior values of power density at the TEG output were obtained in the above discussed studies at higher temperature differences between the TEG surfaces and during the direct measurement of the output power of TEG operated at the MPP point, without any further conversion of the electrical energy in the boost system or its final storage in CES. Thus, comparison to such night-sky-cooled TEG systems is of limited appropriateness.
The discussion presented so far has been focused on highlighting the possibility of harvesting electrical energy directly from thermal energy lost through windowpanes—a concept that, to the authors’ knowledge, has not been previously presented in the literature. The predicted method of powering IoT devices using the discussed low-power TEH is based on accumulating the generated electrical energy in an energy storage system such as CES. The amount of accumulated energy (and CES storage capacity), however, strongly depends on the energy demand of a remote IoT sensor device, its type and final application. As an exemplary envisaged (yet not tested) application, one may propose a prototype IoT platform developed and commissioned by the authors [31]. It was equipped with a low-power 2.4 GHz radio link (using nRF24L01 chip, Nordic Semiconductor ASA, Trondheim, Norway), a multi-parameter temperature–humidity–pressure sensor (BME280, Bosch Sensortec GmbH, Reutlingen, Germany) and a microcontroller (Atmel ATmega328, Microchip Technology Inc., Chandler, AZ, USA). It requires approximately 0.22 mJ of energy at a 1.9–3.3 V operating voltage to start up, perform a single measurement, and transmit data. Therefore, if a capacitor of only 100 µF was used as CES for this exemplary IoT platform, it would accumulate 0.36 mJ of energy within the 1.9–3.3 V operating voltage span, which is sufficient for a single measure-transmit cycle. Assuming that under favorable thermal conditions, the TEH presented in the manuscript can deliver an output power of approximately 0.13 µW (as seen in the field experiment illustrated in Figure 7) and achieve an output voltage of 3.3 V, the initial charging time of 100 µF CES from 0 V to 3.3 V would take about 67 min. Meanwhile, recharging CES within the operating voltage range of this IoT platform (i.e., from 1.9 V to 3.3 V) would take approximately 45 min. These timeframes are acceptable, not only from the experimental solution point of view but also in real-world short-range IoT applications, such as small building automation systems using a wired multi-receiver design.
On the other hand, the second exemplary wireless IoT platform developed by the authors equipped with an energy-efficient long-range LoRaWAN radio link combined with a microcontroller (CMWX1ZZABZ-078 SoC, Murata Manufacturing Co., Ltd., Kyoto, Japan), and a multi-parameter temperature–humidity–pressure sensor (BME280, Bosch Sensortec GmbH, Reutlingen, Germany) requires up to 32 mJ of energy at an operating voltage range of 2.7–3.3 V to perform a measurement and transmit a message to a master LoRa gateway receiving unit [32]. When using a small 0.022 F super-capacitive CES, it would accumulate 39.6 mJ of energy within the 2.7–3.3 V operating range of this exemplary IoT platform, which is sufficient to power up such a platform for its single measure–transmit cycle. Again, assuming that under favorable thermal conditions, the TEH presented in the manuscript can deliver an average output power of 0.13 µW and achieve an output voltage of 3.3 V, it would take approximately 195 h for the initial charge of a 0.022 F CES from 0 V to 3.3 V. Meanwhile, recharging of a CES within the operating voltage range of the exemplary IoT platform (i.e., from 2.7 V to 3.3 V) would take about 64 h. These timeframes are difficult to accept in practical applications such as massive BMS serving large-scale buildings such as shopping malls or large area industrial halls. Thus, the authors are aware of the fact that the presented TEH could find a real-world application only after a substantial increase in its output power. Yet, the presented results confirm the opportunity to harvest low-power electricity directly from window heat losses in residential, industrial or commercial buildings in winter or in cold climate locations.
It should also be noted that our study reports on short-term measurements, with field tests spanning a few weeks only. While we focused on the most promising output power and voltage results of TEH integrated with the proposed DC-DC converter, such a duration is insufficient for drawing definitive conclusions regarding its performance degradation during continuous long-term indoor operation. However, performance degradation during continuous operation of the discussed indoor energy harvesting system should not become an issue for at least 10 years, as leading manufacturers of TEG modules (e.g., Coherent/Marlow, Laird) state that their MTBF yields at least 100,000 h when operated at room temperature. Admittedly, thermally activated interdiffusion of Cu (from contacts) into p- and n-doped Bi2Te3 degrades its figure of merit and increases electrical contact resistance, but such effects are primarily observed at elevated temperatures and are effectively mitigated by using Ni or Co layers as diffusion barriers. The problem of Cu diffusion occurs during the manufacturing of TEG modules (specifically during Sn soldering of semiconducting pellets) or during repeated heating–cooling cycles with large (hundreds of degrees) temperature spans [33]. It should be noted that long-term aging characteristics of TEG modules at near-ambient operating temperatures remain largely unexplored in the literature; these phenomena were not the focus of the investigations presented in our manuscript.
The field research presented in the manuscript was conducted on only one type of energy-efficient single-chamber (double-pane) window fitted with a PVC frame. No other window types were tested, as the focus of the paper was to highlight the possibility of harvesting electrical energy directly from thermal energy losses through windowpanes—a concept that, to our knowledge, has not been previously presented in the literature. Thus, the authors’ intention was to begin by testing the performance of a yet unexplored idea in real winter conditions, rather than extensively research the influence of the window type on its performance. The behavior of the TEH across different window designs is primarily governed by their Uw value and thus, the resulting temperature gradient (ΔT) across the TEG. Single-pane windows have significantly higher Uw (4.8–5.8 Wm−2K−1) than the double-pane type (1.0–1.2 Wm−2K−1). This would result in a much lower temperature on the indoor glass surface during cold season. A lower indoor glass temperature increases the ΔT across the TEG, leading to a higher output voltage and thus power density. Assuming linear scaling for a single-pane window, one should thus expect an approximately four to five times higher output power density. Furthermore, as single-pane windows have a lower thermal mass; TEH installed in such a window would react more quickly to outdoor temperature fluctuations, allowing for more effective utilization of the thermal transient states. In a single-pane scenario, the thermal loss (and thus available energy) would thus be several times higher, potentially moving the proposed TEH closer to its theoretically anticipated 0.14 mW electrical output. On the other hand, triple-pane windows are designed for very low Uw values (well below 1.0 Wm−2K−1). In this case, the indoor glass surface temperature remains close to the indoor air temperature and it should be assumed that the chance of achieving the temperature difference necessary for the cold start of the EM8900 DC-DC converter would be drastically reduced compared to less efficient windows. In high-efficiency triple-pane windows, the thermal harvest is strongly restricted by the window’s insulation, making the TEH performance highly dependent on the ULV cold-start capabilities of the DC-DC boost converter. Furthermore, it can be hypothesized that the type of window frame could also influence the performance of the TEH, as frames in windows of a double- or triple-pane design generally exhibit a higher heat transfer coefficient Uf than that of the glazing Ug. The Ug value for a double-pane assembly is 1.0–1.1  Wm−2K−1 (depending on the type of a spacer bar), whereas the Uf for frames ranges from 1.1 to 1.6  Wm−2K−1, depending on the material (PVC, wood, aluminum), its thickness, the number of chambers (in plastic frames), and the design (e.g., thermal breaks in metal frames). Consequently, it actually might seem advantageous to install the TEH directly on the frame; however, in such a case, the thermal resistance mismatch between the frame material and the ceramic substrate of the TEG plays a crucial role, leading to poor thermal energy transfer between the frame and the TEG (this assumption was confirmed by the very low TEG output voltages recorded during the initial winter-period tests of the discussed TEH installed on the PVC frame of a real window).

5. Conclusions

The presented manuscript experimentally demonstrates that the ULV boost converter constructed using an EM8900 chip and XC6136-type voltage supervisor is able to cold-start at an output voltage of 2.4 mV, which is a much lower value than those offered by other systems discussed in the literature or available on the market. Moreover, at the input voltage > 8.4 mV, it achieves a maximum output voltage of 3.24 V and allows for effective charging of a large CES to power a remote IoT device. During initial field tests carried out in the winter period, it was shown that the amount of waste thermal energy penetrating through typical windowpanes in winter is sufficient to activate the TEG-based TEH and to regenerate over 1.4 V at the output of the EM8900-XC6136C31 converter supplying 10,000 μF CES. It was also shown that the TEG operated in such conditions should be located at the indoor side of the window, in order to maximize its energy production. The developed boost converter circuit and the performed test results highlight the possibility of harvesting electrical energy directly from thermal energy lost through windowpanes —a concept that, to the authors’ knowledge, has not been previously exploited scientifically or described in the literature.
The proposed prototype design of the window-mounted TEH is straightforward and thus easily scalable, as it does not require specialized mechanical machining or injection molding. It utilizes off-the-shelf, unmodified components (TEG, heatsink) and parts fabricated using 3D printing technology (ultimately, the entire clamping mechanism can be produced this way). The electronic DC-DC boost converter circuit is similarly uncomplicated, requiring only two readily available integrated circuits and a dozen passive elements. The estimated cost of the components necessary to build a complete model of the presented harvester, including the integrated DC-DC boost converter mounted on a dedicated PCB, is approximately 30–35 USD (for single-unit purchases). We estimate that this cost could be reduced by a factor of two to three, i.e., down to approximately 10–15 USD when producing a larger batch (at least 100 units). Interestingly, the unit price of a TEH system described in [20] was estimated at 164 USD.
On the other hand, the experimental results obtained in the presented study and their comparison with the literature related to the radiation night cooling of TEG modules show that there is still room for improvement in the performance of the developed window-based TEH system. Extended tests of a triple-TEG TEH attached to a real window are planned, along with the optimization of the EM8900 boost converter in such supply scheme, in real winter temperature-variable conditions.

Author Contributions

Conceptualization, P.Z. and R.O.; methodology, P.Z.; software, P.Z.; validation, P.Z. and R.O.; formal analysis, P.Z.; investigation, P.Z. and R.O.; resources, P.Z.; data curation, P.Z. and R.O.; writing—original draft preparation, P.Z. and R.O.; writing—review and editing, P.Z.; visualization, P.Z. and R.O.; supervision, P.Z.; funding acquisition, P.Z. All authors have read and agreed to the published version of the manuscript.

Funding

This research was financially supported within the framework of the third edition of the “Implemented Doctorate” program, the Ministry of Science and Higher Education in Poland, agreement no DWD/3/9/2019.

Data Availability Statement

Data available upon request, due to privacy restrictions.

Acknowledgments

During the preparation of this manuscript, the authors used Writefull Premium, ver. 2025.17.0 #927, for the purposes of an English grammar and language check and synonym hints. The authors jointly declare that AI was not used in the preparation and development of the presented research or the manuscript. The authors have reviewed and edited the output and take full responsibility for the content of this publication.

Conflicts of Interest

Author Rafal Owczarczak was employed by the company KMB Grupa Sp. z o.o. Sp. K. The remaining author declares that the research was conducted in the absence of any commercial or financial relationships that could be construed as a potential conflict of interest.

Glossary

ACalternating current;
BMSbuilding management system;
CEScapacitive energy storage device;
DCdirect current;
DLSUdata logger and switch unit;
EPBDEnergy Performance of Buildings Directive;
EUthe European Union;
HVACheating, ventilation, air conditioning;
IoTInternet of Things;
ITOindium tin oxide;
MPPmaximum power point;
MPPTmaximum power point tracking;
MTBFmean time between failures;
NZEBsnear-zero emission buildings;
OPoperating point;
PCpersonal computer;
PIDproportional–integral–derivative;
PWMpulse width modulation;
RMSroot mean square;
RTDresistance temperature detector;
SMUsource meter unit;
TECthermoelectric cooler;
TEGthermoelectric generator;
TEHthermoelectric energy harvester;
ULPultra-low power;
ULVultra-low-voltage;
ZTfigure of merit;
WSNwireless sensor node;
CACcoupling capacitance;
CDCDCprimary output capacitance;
CFBfeedback capacitance;
CHRVinput capacitance;
COUTadditional output capacitance;
PCHG_VOUTMAXaverage charging power to obtain VOUT_MAX;
PMPPmaximal output power (at maximum power point);
RMPPload resistance at maximum power point;
tCHG_VOUTMAXcharging time to obtain VOUT_MAX;
ΔTtemperature difference;
THEATSINKheatsink temperature;
TIN_GLASStemperature of indoor glass windowpane surface;
TIN_AIRindoor air temperature;
TOUT_GLASStemperature of outdoor glass windowpane surface;
TOUT_AIRoutdoor air temperature;
Uw, Ug, Ufheat transfer coefficient (combined, glass, and frame respectively);
VIN_TEGEM8900-XC6135C31 ULV DC-DC boost converter input voltage;
VOUTDC-DC boost converter output voltage;
VOUT_MAXthe maximal value of VOUT;
VTEG_OCopen circuit TEG output voltage;
VTEG_LOADon-load TEG output voltage

References

  1. Shaikh, P.H.; Nor, N.B.M.; Nallagownden, P.; Elamvazuthi, I.; Ibrahim, T. A review on optimized control systems for building energy and comfort management of smart sustainable buildings. Renew. Sustain. Energy Rev. 2014, 34, 409–429. [Google Scholar] [CrossRef]
  2. Liu, Y. A Process Model for Heating, Ventilating and Air Conditioning Systems Design for Advanced Energy Retrofit Projects. Master’s Thesis, Pensylvania State University, University Park, PA, USA, June 2012. [Google Scholar] [CrossRef]
  3. Directive 2010/31/EU of the European Parliament and of the Council of 19 May 2010 on the Energy Performance of Buildings; European Union: Brussels, Belgium, 2010.
  4. Directive 2018/844 of the European Parliament and of the Council of 30 May 2018 amending Directive 2010/31/EU on the Energy Performance of Buildings and Directive 2012/27/EU on Energy Efficiency; European Union: Brussels, Belgium, 2018.
  5. Merabet, G.H.; Essaaidi, M.; Haddou, M.B.; Qolomany, B.; Qadir, J.; Anan, M.; Al-Fuqaha, A.; Abid, M.R.; Benhaddou, D. Intelligent building control systems for thermal comfort and energy-efficiency: A systematic review of artificial intelligence-assisted techniques. Renew. Sustain. Energy Rev. 2021, 144, 110969. [Google Scholar] [CrossRef]
  6. ISO 52120-1:2021; Energy Performance of Buildings. Contribution of Building Automation, Controls and Building Management. Part 1: General Framework and Procedures. ISO: Geneva, Switzerland, 2021.
  7. Famitafreshi, G.; Afaqui, M.S.; Melià-Seguí, J. A Comprehensive Review on Energy Harvesting Integration in IoT Systems from MAC Layer Perspective: Challenges and Opportunities. Sensors 2021, 21, 3097. [Google Scholar] [CrossRef]
  8. Priya, P.; Inman, D.J. (Eds.) Energy Harvesting Technologies; Springer: Berlin/Heidelberg, Germany, 2008. [Google Scholar]
  9. Hidalgo-Leon, R.; Urquizo, J.; Silva, C.E.; Silva-Leon, J.; Wu, J.; Singh, P.; Soriano, G. Powering nodes of wireless sensor networks with energy harvesters for intelligent buildings: A review. Energy Rep. 2022, 8, 3809–3826. [Google Scholar] [CrossRef]
  10. Chen, X.; Hu, H.; Zhou, J.; Li, Y.; Wan, L.; Cheng, Z.; Chen, J.; Xu, J.; Zhou, R. Indoor photovoltaic materials and devices for self-powered internet of things applications. Mater. Today Energy 2024, 44, 101621. [Google Scholar] [CrossRef]
  11. Ma, Q.; Ma, M.; Liu, L.; Yang, P.; He, W.; Zhang, X.; Zheng, J.; Zhang, C.; Liu, C.; Wu, S.; et al. Wide-band-gap perovskite solar minimodules exceeding 43% efficiency under indoor light illumination. Device 2023, 1, 100174. [Google Scholar] [CrossRef]
  12. Mishu, M.K.; Rokonuzzaman, M.; Pasupuleti, J.; Shakeri, M.; Rahman, K.S.; Binzaid, S.; Tiong, S.K.; Amin, N. An Adaptive TE-PV Hybrid Energy Harvesting System for Self-Powered IoT Sensor Applications. Sensors 2021, 21, 2604. [Google Scholar] [CrossRef]
  13. Ávila, B.Y.L.; Vázquez, C.A.G.; Baluja, O.P.; Cotfas, D.T.; Cotfas, P.A. Energy harvesting techniques for wireless sensor networks: A systematic literature review. Energy Strategy Rev. 2025, 57, 101617. [Google Scholar] [CrossRef]
  14. Hao, Z.; Hu, R.; Gao, Y.; Liu, J.; Su, X. Design and Experimental Study of a Prefabricated Building Thermoelectric Power Generation–Wall System for Severe Cold Climates. Buildings 2025, 15, 1076. [Google Scholar] [CrossRef]
  15. Sun, Q.; Du, C.; Chen, G. Thermoelectric materials and applications in buildings. Prog. Mater. Sci. 2025, 149, 101402. [Google Scholar] [CrossRef]
  16. Win, S.L.Y.; Liao, C.T.; Chang, H.Y.; Lai, C.M. Experimental observations on electricity generation and thermal characteristics of TEG façades. Energy Build. 2023, 294, 113225. [Google Scholar] [CrossRef]
  17. Wang, X.; Suwardi, A.; Lim, S.L.; Wei, F.; Xu, J. Transparent flexible thin-film p–n junction thermoelectric module. Npj Flex. Electron. 2020, 4, 19. [Google Scholar] [CrossRef]
  18. Meng, W.; Kragt, A.J.; Hu, X.; van der Burgt, J.S.; Schenning, A.P.; Yue, Y.; Zhou, G.; Li, L.; Wei, P.; Zhao, W.; et al. Photochromic thermoelectric smart window for season-adaptive solar heat and daylight management. Adv. Funct. Mater. 2024, 34, 2402494. [Google Scholar] [CrossRef]
  19. Inayat, S.B.; Rader, K.R.; Hussain, M.M. Manufacturing of Thermoelectric Nanomaterials (Bi0.4Sb1.6Te3/Bi1.75Te3.25) and Integration into Window Glasses for Thermoelectricity Generation. Energy Technol. 2014, 2, 292–299. [Google Scholar] [CrossRef]
  20. Lin, Q.; Chen, Y.C.; Chen, F.; DeGanyar, T.; Yin, H. Design and experiments of a thermoelectric-powered wireless sensor network platform for smart building envelop. Appl. Energy 2022, 305, 117791. [Google Scholar] [CrossRef]
  21. Nesarajah, M.; Frey, G. Thermoelectric Power Generation: Peltier Element versus Thermoelectric Generator (TEC vs. TEG). In Proceedings of the 42nd Annual Conference of IEEE Industrial Electronics Society (IECON2016), Florence, Italy, 23–26 October 2016. [Google Scholar] [CrossRef]
  22. Lee, S.; Park, G.M.; Kim, Y.; Lee, S.H.; Jung, S.J.; Hong, J.; Kim, S.C.; Won, S.O.; Lee, A.S.; Chung, Y.J.; et al. Unlocking the Potential of Porous Bi2Te3-Based Thermoelectrics Using Precise Interface Engineering through Atomic Layer Deposition. ACS Appl. Mater. Interfaces 2024, 16, 17683–17691. [Google Scholar] [CrossRef] [PubMed]
  23. Venkatasubramanian, R.; Siivola, E.; Colpitts, T.; O’quinn, B. Thin-film thermoelectric devices with high room-temperature figures of merit. Nature 2001, 413, 597–602. [Google Scholar] [CrossRef] [PubMed]
  24. Datasheet EM8900: Ultra-Low Voltage DC-DC Boost Converter for Thermal Electrical Generators, EM Microelectronic-Marin SA, 8900-DS, Version 4.1, 30 March 2017; EM Microelectronic: Marin-Epagnier, Switzerland, 2017.
  25. Datasheet: XC6136 Series Ultra-Low Power (88nA) Voltage Detector, ETR02042-004; Torex Semiconductor Ltd.: Tokyo, Japan.
  26. Owczarczak, R. Indoor thermal energy harvesting for battery-free IoT building applications. Prz. Elektrotech. 2023, 99, 132–136. [Google Scholar] [CrossRef]
  27. Morais, F.; Carvalhaes-Dias, P.; Duarte, L.; Spengler, A.; de Paiva, K.; Martins, T.; Cabot, A.; Siqueira Dias, J. Optimization of the TEGs Configuration (Series/Parallel) in Energy Harvesting Systems with Low-Voltage Thermoelectric Generators Connected to Ultra-Low Voltage DC–DC Converters. Energies 2020, 13, 2297. [Google Scholar] [CrossRef]
  28. Raman, A.P.; Li, W.; Fan, S. Generating light from darkness. Joule 2019, 3, 2679–2686. [Google Scholar] [CrossRef]
  29. Omair, Z.; Assawaworrarit, S.; Fan, L.; Jin, W.; Fan, S. Radiative-cooling-based nighttime electricity generation with power density exceeding 100 mW/m2. iScience 2022, 25, 104858. [Google Scholar] [CrossRef] [PubMed]
  30. Assawaworrarit, S.; Omair, Z.; Fan, S. Nighttime electric power generation at a density of 50 mW/m2 via radiative cooling of a photovoltaic cell. Appl. Phys. Lett. 2022, 120, 143901. [Google Scholar] [CrossRef]
  31. Zylka, P.; Pociecha, P. Energy harvesting schemes for building interior environment monitoring. Proc. SPIE 2016, 10161, 1016105-5. [Google Scholar] [CrossRef]
  32. Sambor, S.; Emilianowicz, J.; Owczarczak, R. An example of using the LoRaWAN network to monitor environmental parameters in a large-scale building. Prz. Elektrotech. 2022, 98, 27–32. [Google Scholar] [CrossRef]
  33. Xu, C.; Shang, H.; Liang, Z.; Ding, F.; Ren, Z. Reliability and Durability of Thermoelectric Materials and Devices: Present Status and Strategies for Improvement. In Thermoelectric Micro/Nano Generators 2: Challenges and Prospects; Akinaga, H., Kosuga, A., Mori, T., Ardila, G., Eds.; John Wiley & Sons: Hoboken, NJ, USA, 2023. [Google Scholar] [CrossRef]
Figure 1. Thermoelectric energy harvester for window glazing: (a) schematic view of the laboratory test set-up and (b) installed indoors on a real widow, using a non-contact magnetic clamp (pointed by the red arrows).
Figure 1. Thermoelectric energy harvester for window glazing: (a) schematic view of the laboratory test set-up and (b) installed indoors on a real widow, using a non-contact magnetic clamp (pointed by the red arrows).
Energies 19 01342 g001
Figure 2. Schematics of EM8900 ULV DC-DC boost converter circuit fitted with XC6136C31 comparator-based hysteretic output voltage supervisory sub-circuit (R1* optional).
Figure 2. Schematics of EM8900 ULV DC-DC boost converter circuit fitted with XC6136C31 comparator-based hysteretic output voltage supervisory sub-circuit (R1* optional).
Energies 19 01342 g002
Figure 3. Open-circuit output voltage (blue trace) and DIS signal (red trace) waveform of the EM8900-XC6136C31 ULV boost converter for VIN_TEG, equal to (a) 9.0 mV and (b) 12.1 mV (COUT = 0).
Figure 3. Open-circuit output voltage (blue trace) and DIS signal (red trace) waveform of the EM8900-XC6136C31 ULV boost converter for VIN_TEG, equal to (a) 9.0 mV and (b) 12.1 mV (COUT = 0).
Energies 19 01342 g003
Figure 4. Operational characteristics of the EM8900-XC6135C31 ULV DC-DC boost converter (no capacitive storage, COUT = 0). (a) open circuit voltage; (b) output power at MPP; (c) MPP; (d) resistive load at MPP.
Figure 4. Operational characteristics of the EM8900-XC6135C31 ULV DC-DC boost converter (no capacitive storage, COUT = 0). (a) open circuit voltage; (b) output power at MPP; (c) MPP; (d) resistive load at MPP.
Energies 19 01342 g004
Figure 5. Output voltage change rate of EM8900-XC6135C31 ULV DC-DC boost converter, loaded with COUT = 10,000 μF CES. (a) for input voltage below 8.4 mV; (b) for input voltage exceeding 8.4 mV.
Figure 5. Output voltage change rate of EM8900-XC6135C31 ULV DC-DC boost converter, loaded with COUT = 10,000 μF CES. (a) for input voltage below 8.4 mV; (b) for input voltage exceeding 8.4 mV.
Energies 19 01342 g005
Figure 6. Operation of the thermoelectric energy harvester on the simulated windowpane glass surface: (a) exemplary temperature change record and (b) corresponding input and output voltage of the EM8900-XC6135C31 ULV DC-DC boost converter loaded with COUT = 10,000 μF CES.
Figure 6. Operation of the thermoelectric energy harvester on the simulated windowpane glass surface: (a) exemplary temperature change record and (b) corresponding input and output voltage of the EM8900-XC6135C31 ULV DC-DC boost converter loaded with COUT = 10,000 μF CES.
Energies 19 01342 g006
Figure 7. Performance of the TEH installed on a real window in winter: (a) changes in the temperature of both windowpane glass surfaces, heat sink and indoor and outdoor air, and (b) changes in the TEG output voltage in the open-circuit state loaded with the EM8900-XC6135C31 boost converter and the output voltage of the converter loaded with 10,000 μF CES.
Figure 7. Performance of the TEH installed on a real window in winter: (a) changes in the temperature of both windowpane glass surfaces, heat sink and indoor and outdoor air, and (b) changes in the TEG output voltage in the open-circuit state loaded with the EM8900-XC6135C31 boost converter and the output voltage of the converter loaded with 10,000 μF CES.
Energies 19 01342 g007
Table 1. The average charging power to obtain the maximum VOUT in tCHG_VOUTMAX time at COUT = 10,000 μF CES.
Table 1. The average charging power to obtain the maximum VOUT in tCHG_VOUTMAX time at COUT = 10,000 μF CES.
VIN_TEG [mV] tCHG_VOUTMAX [s] PCHG_VOUTMAX [μW]
9.84735.011.1
12.82365.022.3
15.81180.044.7
20.4715.073.8
30.5380.0138.9
50.4200.0264.0
Disclaimer/Publisher’s Note: The statements, opinions and data contained in all publications are solely those of the individual author(s) and contributor(s) and not of MDPI and/or the editor(s). MDPI and/or the editor(s) disclaim responsibility for any injury to people or property resulting from any ideas, methods, instructions or products referred to in the content.

Share and Cite

MDPI and ACS Style

Zylka, P.; Owczarczak, R. Exploiting Windowpane Heat Losses for Indoor Energy Harvesting in Buildings. Energies 2026, 19, 1342. https://doi.org/10.3390/en19051342

AMA Style

Zylka P, Owczarczak R. Exploiting Windowpane Heat Losses for Indoor Energy Harvesting in Buildings. Energies. 2026; 19(5):1342. https://doi.org/10.3390/en19051342

Chicago/Turabian Style

Zylka, Pawel, and Rafal Owczarczak. 2026. "Exploiting Windowpane Heat Losses for Indoor Energy Harvesting in Buildings" Energies 19, no. 5: 1342. https://doi.org/10.3390/en19051342

APA Style

Zylka, P., & Owczarczak, R. (2026). Exploiting Windowpane Heat Losses for Indoor Energy Harvesting in Buildings. Energies, 19(5), 1342. https://doi.org/10.3390/en19051342

Note that from the first issue of 2016, this journal uses article numbers instead of page numbers. See further details here.

Article Metrics

Back to TopTop