Adaptive Operation Strategy of a District Cooling System with Chilled Water Storage and Its Validations by OpenModelica Modeling and Simulations
Abstract
1. Introduction
- (1)
- Previous studies [4,5] employed quite complicated mathematical optimization frameworks to solve the best operation strategies. Generally speaking, the increases in algorithm complexity can result in poorer optimizing efficiency and stability, thus making the findings of these studies difficult to apply in actual operation applications for security reasons.
- (2)
- (3)
- (4)
- Reference [7] considered the uncertainty associated with cooling loads; however, the model is simplified and the load variation cases are simple, so it is difficult to provide generalized support to other studies.
2. District Cooling System Configuration
- (1)
- During the valley period with low electric power consumption (typically from 0:00 AM to 6:00 AM), chillers S1–S3 generate the chilled water using the low-price electricity from the power grid and then transport the chilled water into storage tanks. Two base load chillers B1 and B2 keep operating simultaneously to meet fundamental cooling demand.
- (2)
- In the other periods with high power grid electricity supply load, chillers are all closed with cooling load from buildings in the district supplied only by chilled water in storage tanks.
3. Time Series Data of Cooling Load and Electricity Price
4. System Modeling and Simulation Settings
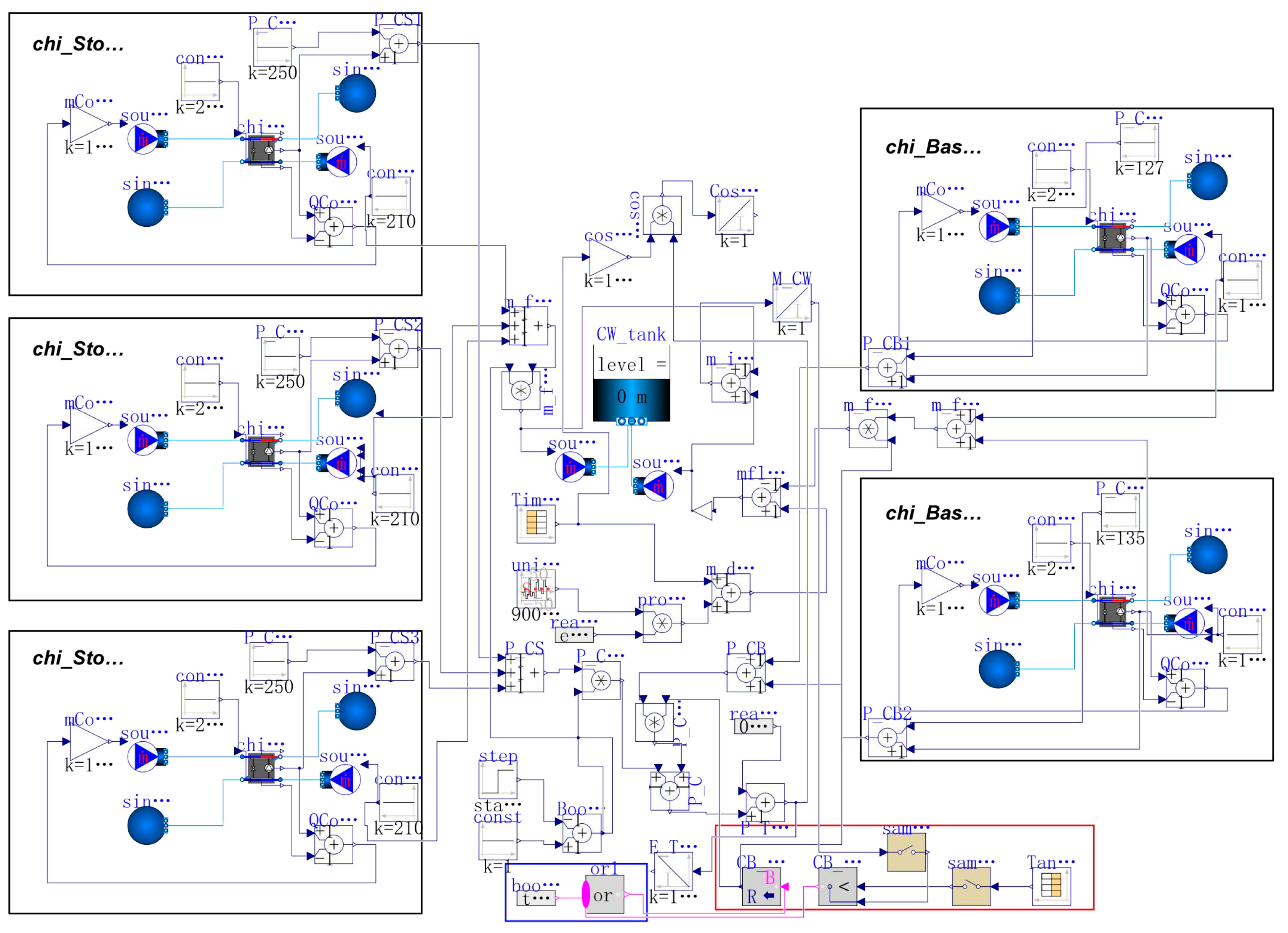
4.1. Modeling of the Cooling System
4.2. Simulation Settings
5. Results and Discussion
5.1. Validation of the Designed Operation Strategy
5.2. Newly Designed Operation Strategy and Numerical Verification
5.3. Adaptive Operation Strategy for Actual Operations
- (1)
- In the first case, the daily total cooling demand remains approximately unchanged but the temporal distribution is different. This is a very common case of fluctuation caused by the uncertain behavior of the cooling energy users.
- (2)
- In other cases, the overall cooling demand increases or decreases due to weather changes, such as the sudden rise or drop in atmospheric temperature.
- (1)
- The operation strategy of the chillers S1–S3 was unchanged and consistent with the designed operation strategies in Section 5.1 and Section 5.2.
- (2)
- The base load chillers B1 and B2 no longer operate at fixed time periods like the previous strategies. The operation states of the base load chillers were determined according to the deviation between the actual and target stored chilled water mass. As shown in Figure 8, a day was divided into 144 time periods with each period’s duration of 10 min, which is the required restart time for the base load chillers. At the start of each period, chillers B1 and B2 automatically operate until the period ends if the actual water mass in the storage tank is lower than the target mass in Figure 6b. In summary, the essence of the adaptive operation strategy is to track the target curve of the stored chilled water mass by periodically and conditionally adjusting the operation status of the base load chillers.
- (1)
- In case 1 of the actual cooling demand (in Figure 7), the temporal distribution of the transient cooling demand changes, but the daily total demand is nearly unchanged. Thus, as shown in Figure 10a, the daily total operation time of base load chillers in case 1 is 14.2 h, which is almost the same as the 14 h by implementing the designed operation strategy in Figure 5. However, the operation time period slightly changes as an additional operation at around 12:00 AM occurs due to the cooling demand fluctuation.
- (2)
- In case 2 and case 3, there is an overall rise or drop in the actual cooling demand, resulting in the corresponding variations in the total operation time of base load chillers, as shown in Figure 10a. The total operation time of base load chillers increases to 15.33 h in case 2 and it decreases to 12.67 h in case 3. The cooling system electricity consumption in Figure 10b varies with the base load chillers’ operation states as the electricity consumption rises in the operation time periods of chillers B1 and B2.
5.4. Further Testing and Modification of the Adaptive Operation Strategy
6. Conclusions
- (1)
- The district cooling system with chilled water storage was modeled and simulated using OpenModelica. The simulation results indicate that, under the statistically averaged ideal cooling demand condition, the originally designed operation strategy is not feasible to meet the daily cooling requirements in the district as the stored chilled water is exhausted at nearly 5:30 PM.
- (2)
- The newly designed operation strategy was then established by increasing the operation time of the base load chillers. The new strategy was numerically verified to have the capability of meeting full-day cooling demand, and it reduces the economic costs of electricity consumption by over 50% compared to costs in the normal operation mode without chilled water storage.
- (3)
- To deal with the actual cooling demand fluctuations, the adaptive operation strategy was developed based on tracking the target stored chilled water mass by dynamically adjusting the operation status of base load chillers. After the strategy’s slight modification to address the time-lagging problem, hundreds of simulation test results sufficiently verify that the adaptive strategy has adaptability to different typical cooling load fluctuations, and it also features low cooling supply economic costs and power grid-friendly characteristics. The results of this study provide solid theoretical support for the future commercial operations of the district cooling system. In future operations, the proposed adaptive strategy will be integrated into the automatic control program of the cooling system, thereby validating if the numerically predicted performance can be achieved, ultimately leading to further refinement and improvement of the operation strategy.
- (4)
- In chilled water storage tank modeling, a simplified open tank model was employed in this study. However, actual storage tanks are usually in the type of naturally stratified tanks that have thin thermoclines inside; these thermoclines lead to stored cold energy loss, which can become thicker over time. Thus, to further improve simulation accuracy, it is needed to utilize a computational fluid dynamics (CFD) approach and then couple it into OpenModelica, thereby simulating the detailed temperature distributions inside the storage tank and thus more precisely estimating the available stored chilled water amount. The CFD reduced-order technique may be required so as to balance the accuracy and efficiency of CFD.
- (5)
- In this work, the return temperatures of chilled water were fixed to their designed values. However, chilled water return temperatures may vary with load and also other factors; thus, to improve the reliability of simulation results, a more comprehensive model of cold energy consumption by users should be developed and then coupled into the simulations in the future.
- (6)
- This study lays the foundations for cooling system designs and optimizations; more devices such as a cooling tower and LiBr absorption-type chiller can be introduced based on the developed simulation framework, and leading-edge optimization methods such as machine learning and digital twins can be interlinked with simulations, thus enhancing the research advancements.
Supplementary Materials
Author Contributions
Funding
Data Availability Statement
Conflicts of Interest
References
- Zhang, W.; Jin, X.; Hong, W. The application and development of district cooling system in China: A review. J. Build. Eng. 2022, 50, 104166. [Google Scholar] [CrossRef]
- Zhou, Z. The Principle and Design of Chillers and Air Source Heat Pumps; Guangdong Science and Technology Press: Guangzhou, China, 2023. [Google Scholar]
- Shanghai Municipal Development & Reform Commission. Notice on Further Improving the Time of Use Electricity Price Framework in Shanghai City. Available online: https://www.shanghai.gov.cn/gwk/search/content/e2652e3ab7ee49438d6e82af8880b160 (accessed on 14 December 2022).
- Zou, W.; Sun, Y.; Gao, D.-C.; Zhang, X. Globally optimal control of hybrid chilled water plants integrated with small-scale thermal energy storage for energy-efficient operation. Energy 2023, 262, 125469. [Google Scholar] [CrossRef]
- Zhu, Y.; Zhang, Q.; Zeng, L.; Wang, J.; Zou, S. An advanced control strategy of hybrid cooling system with cold water storage system in data center. Energy 2024, 291, 130304. [Google Scholar] [CrossRef]
- Boonnasa, S.; Namprakai, P. The chilled water storage analysis for a university building cooling system. Appl. Therm. Eng. 2010, 30, 1396–1408. [Google Scholar] [CrossRef]
- Sadat-Mohammadi, M.; Asadi, S.; Habibnezhad, M.; Jebelli, H. Robust scheduling of multi-chiller system with chilled-water storage under hourly electricity pricing. Energy Build. 2020, 218, 110058. [Google Scholar] [CrossRef]
- Rosiek, S.; Garrido, F.J.B. Performance evaluation of solar-assisted air-conditioning system with chilled water storage (CIESOL building). Energy Convers. Manag. 2012, 55, 81–92. [Google Scholar] [CrossRef]
- Myat, A.; Kondath, N.; Soh, Y.L.; Hui, A. A hybrid model based on multivariate fast iterative filtering and long short-term memory for ultra-short-term cooling load prediction. Energy Build. 2024, 307, 113977. [Google Scholar] [CrossRef]
- Fan, C.; Liao, Y.; Zhou, G.; Zhou, X.; Ding, Y. Improving cooling load prediction reliability for HVAC system using Monte-Carlo simulation to deal with uncertainties in input variables. Energy Build. 2020, 226, 110372. [Google Scholar] [CrossRef]
- Bilardo, M.; Sandrone, F.; Zanzottera, G.; Fabrizio, E. Modelling a fifth-generation bidirectional low temperature district heating and cooling (5GDHC) network for nearly Zero Energy District (nZED). Energy Rep. 2021, 7, 8390–8405. [Google Scholar] [CrossRef]
- Anderson, A.; Rezaie, B.; Rosen, M.A. An innovative approach to enhance sustainability of a district cooling system by adjusting cold thermal storage and chiller operation. Energy 2021, 214, 118949. [Google Scholar] [CrossRef]
- Hinkelman, K.; Wang, J.; Zuo, W.; Gautier, A.; Wetter, M.; Fan, C.; Long, N. Modelica-based modeling and simulation of district cooling systems: A case study. Appl. Energy 2022, 311, 118654. [Google Scholar] [CrossRef]
- Fritzson, P. Introduction to Modeling and Simulation of Technical and Physical Systems with Modelica; Huazhong University of Science and Technology Press: Wuhan, China, 2020. [Google Scholar]
- Open Source Modelica Consortium (OSMC). OpenModelica User’s Guide. Available online: https://openmodelica.org/doc/OpenModelicaUsersGuide/1.23/ (accessed on 1 July 2024).
- Zhu, Y.; Hu, C.; Ma, Y.; Xie, G.; Yao, Z. An equation-based method for fully coupled analyses of floating offshore wind turbine based on Modelica. Energy Convers. Manag. 2023, 277, 116653. [Google Scholar] [CrossRef]
- Bünning, F.; Sangi, R.; Müller, D. A Modelica library for the agent-based control of building energy systems. Appl. Energy 2017, 193, 52–59. [Google Scholar] [CrossRef]
- Oliveira, M.C.; Iten, M.; Matos, H.A. Simulation and assessment of an integrated thermal processes and Organic Rankine Cycle (ORC) system with Modelica. Energy Rep. 2022, 8, 764–770. [Google Scholar] [CrossRef]
- Chiller Energy Data. Available online: https://www.kaggle.com/datasets/chillerenergy/chiller-energy-data (accessed on 12 December 2021).
- Modelica Standard Library. Available online: https://github.com/modelica/ModelicaStandardLibrary (accessed on 4 June 2020).
- Wetter, M.; Zuo, W.; Nouidui, T.S.; Pang, X. Modelica Buildings library. J. Build. Perform. Simul. 2014, 7, 253–270. [Google Scholar] [CrossRef]
- Petzold, L.R. Description of DASSL: A differential/Algebraic System Solver. In Proceedings of the 10th International Mathematics and Computers Simulation Congress on Systems Simulation and Scientific Computation, Montreal, PQ, Canada, 9 August 1982; Sandia National Labs.: Livermore, CA, USA, 1982. [Google Scholar]
















| Parameters | Chiller No. | |||||
|---|---|---|---|---|---|---|
| S1 | S2 | S3 | B1 | B2 | ||
| Cooling capacity (kW) | 7030 | 3510 | 3510 | |||
| COP (−) | 5.27 | 5.21 | 5.04 | |||
| Evaporator | Chilled water flow rate (kg/s) | 210 | 116.67 | 115.28 | ||
| Return water temperature (℃) | 15 | 14.3 | 14.3 | |||
| Chilled water temperature (℃) | 7 | 7 | 7 | |||
| Pump power consumption (kW) | 90 | 37 | 45 | |||
| Chilled water pressure drop (kPa) | 110 | 82 | 81 | |||
| Condenser | Cooling water flow rate (kg/s) | 333.06 | 166.94 | 166.94 | ||
| Cooling water inlet/outlet temperature (°C) | 30/36 | 30/36 | 30/36 | |||
| Pump power consumption (kW) | 160 | 90 | 90 | |||
| Cooling water pressure drop (kPa) | 148 | 97 | 97 | |||
| Parameters | Operation Modes | |
|---|---|---|
| With Chilled Water Storage (Newly Designed Strategy) | Without Storage | |
| Daily total electricity consumption (kWh) | 54,573.6 | 52,867 |
| Daily total cost of electricity consumption (RMB) | 30,374.8 | 65,293.4 |
| Parameters | Case No. | ||
|---|---|---|---|
| 1 | 2 | 3 | |
| Daily total electricity consumption (kWh) | 54,875.6 | 56,952.8 | 52,208.5 |
| Daily total cost of electricity consumption (RMB) | 31,872.1 | 35,174.3 | 28,519.7 |
| Test Results | Number of Simulation Cases | ||
|---|---|---|---|
| Actual Cooling Demand Case 1 | Case 2 | Case 3 | |
| Passed | 46 | 35 | 50 |
| Failed | 54 | 65 | 50 |
Disclaimer/Publisher’s Note: The statements, opinions and data contained in all publications are solely those of the individual author(s) and contributor(s) and not of MDPI and/or the editor(s). MDPI and/or the editor(s) disclaim responsibility for any injury to people or property resulting from any ideas, methods, instructions or products referred to in the content. |
© 2024 by the authors. Licensee MDPI, Basel, Switzerland. This article is an open access article distributed under the terms and conditions of the Creative Commons Attribution (CC BY) license (https://creativecommons.org/licenses/by/4.0/).
Share and Cite
Liu, Y.; Wang, S.; Chen, H.; Zhong, M. Adaptive Operation Strategy of a District Cooling System with Chilled Water Storage and Its Validations by OpenModelica Modeling and Simulations. Energy Storage Appl. 2024, 1, 3-18. https://doi.org/10.3390/esa1010002
Liu Y, Wang S, Chen H, Zhong M. Adaptive Operation Strategy of a District Cooling System with Chilled Water Storage and Its Validations by OpenModelica Modeling and Simulations. Energy Storage and Applications. 2024; 1(1):3-18. https://doi.org/10.3390/esa1010002
Chicago/Turabian StyleLiu, Yang, Songcen Wang, Hongyin Chen, and Ming Zhong. 2024. "Adaptive Operation Strategy of a District Cooling System with Chilled Water Storage and Its Validations by OpenModelica Modeling and Simulations" Energy Storage and Applications 1, no. 1: 3-18. https://doi.org/10.3390/esa1010002
APA StyleLiu, Y., Wang, S., Chen, H., & Zhong, M. (2024). Adaptive Operation Strategy of a District Cooling System with Chilled Water Storage and Its Validations by OpenModelica Modeling and Simulations. Energy Storage and Applications, 1(1), 3-18. https://doi.org/10.3390/esa1010002
