Heterogeneous Photocatalysis with Wireless UV-A LEDs †
Abstract
:1. Introduction
2. Material and Methods
2.1. Reagents and Analytical Determinations
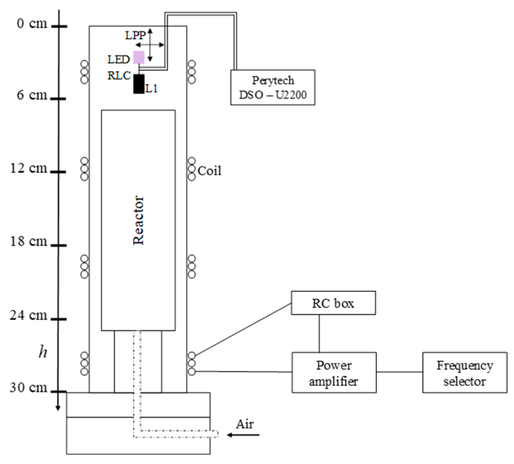
2.2. Reactor and the UV-A LED Wireless System
2.3. Experimental Procedure
3. Results and Discussion
3.1. Oscillation Frequency and the Number of UV-A LEDs
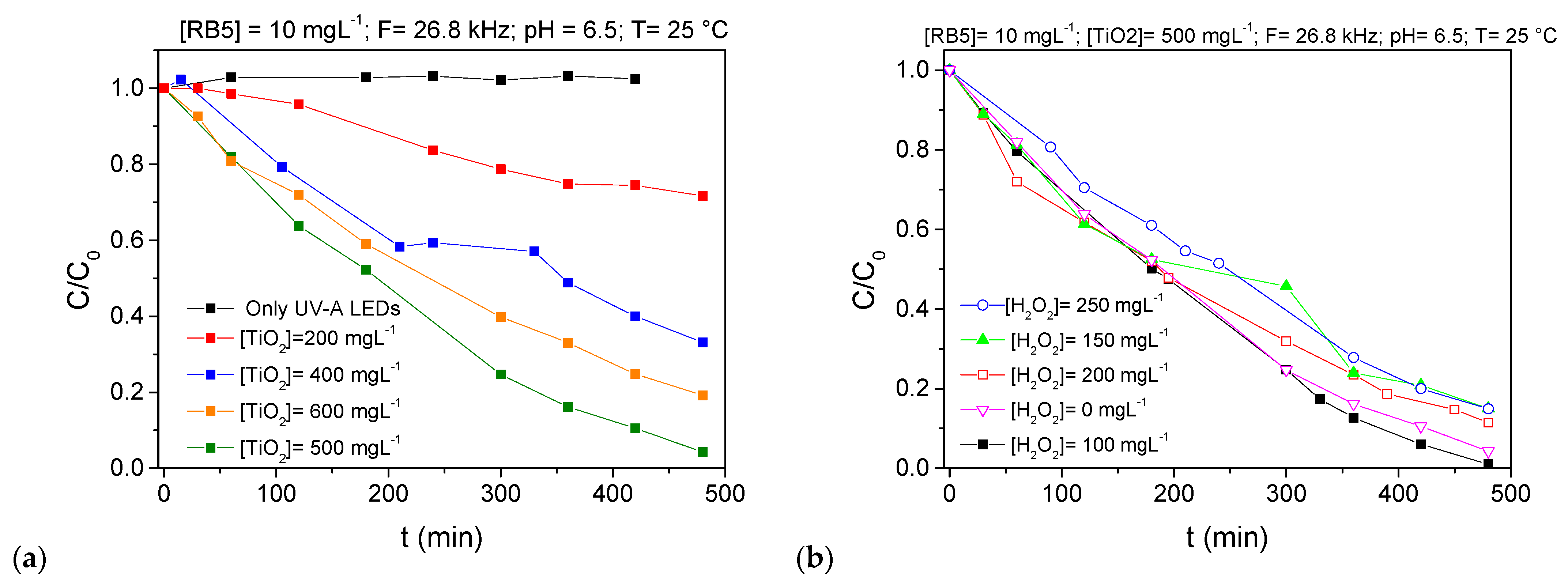
3.2. Effect of the TiO2, H2O2, and RB5 Concentrations
3.3. Influence of pH
3.4. Electric Energy Per Order (EEO) and Specific Applied Energy (ESAE)
4. Conclusions
Author Contributions
Funding
Institutional Review Board Statement
Informed Consent Statement
Data Availability Statement
Conflicts of Interest
References
- Simhayov, R.; Ohana-Levi, N.; Shenker, M.; Netzer, Y. Effect of long-term treated wastewater irrigation on soil sodium levels and table grapevines’ health. Water Manag. 2023, 275, 108002. [Google Scholar] [CrossRef]
- Morgera, E.; Webster, E.; Hamley, G.; Sindico, F.; Robbie, J.; Switzer, S.; Berger, T.; Sánchez, P.P.S.; Lennan, M.; Martin-Nagle, R.; et al. The Right to Water for Food and Agriculture; Food and Agriculture Organization of the United Nations: Rome, Italy, 2020; ISBN 978-92-5-132301-4. Available online: https://www.fao.org/3/ca8248en/CA8248EN.pdf (accessed on 15 March 2023).
- Ferreira, L.C.; Fernandes, J.R.; Peres, J.A.; Tavares, P.B.; Lucas, M.S. Wireless UV-A LEDs-driven AOP in the treatment of agro-industrial wastewaters. Environ. Res. 2021, 200, 111430. [Google Scholar] [CrossRef] [PubMed]
- Ji, Q.; He, H.; Gao, Z.; Wang, X.; Yang, S.; Sun, C.; Li, S.; Zhang, L. UV/H2O2 oxidation of tri(2-chloroethyl) phosphate: Intermediate products, degradation pathway and toxicity evaluation. J. Environ. Sci. 2020, 98, 55–61. [Google Scholar] [CrossRef] [PubMed]
- Ferreira, L.C.; Fernandes, J.R.; Rodríguez-Chueca, J.; Lucas, M.S.; Tavares, P.B. Photocatalytic degradation of an agro-industrial wastewater model compound using a UV LEDs system: Kinetic study. J. Environ. Manag. 2020, 269, 110740. [Google Scholar] [CrossRef] [PubMed]
- Turkten, N.; Cinar, Z. Photocatalytic decolorization of azo dyes on TiO2: Prediction of mechanism via conceptual DFT. Catal. Today 2017, 87, 169–175. [Google Scholar] [CrossRef]
- Lucas, M.S.; Tavares, P.B.; Peres, J.A.; Faria, J.L.; Rocha, M.; Pereira, C.; Freire, C. Photocatalytic degradation of Reactive Black 5 with TiO2-coated magnetic nanoparticles. Catal. Today. 2013, 209, 116–121. [Google Scholar] [CrossRef]
- Rodríguez-Chueca, J.; Ferreira, L.C.; Fernandes, J.R.; Tavares, P.B.; Lucas, M.S.; Peres, J.A. Photocatalytic discolouration of Reactive Black 5 by UV-A LEDs and solar radiation. J. Environ. Chem. Eng. 2015, 3, 2948–2956. [Google Scholar] [CrossRef]
- Iovino, P.; Chianese, S.; Fenti, A.; Blotevogel, J.; Musmarra, D. An innovative approach for atrazine electrochemical oxidation modelling: Process parameter effect, intermediate formation and kinetic constant assessment. Chem. Eng. J. 2023, 474, 146022. [Google Scholar] [CrossRef]
- Salvestrini, S.; Fenti, A.; Chianese, S.; Iovino, P.; Musmarra, D. Electro-oxidation of humic acids using platinum electrodes: An experimental approach and kinetic modelling. Water 2019, 12, 2250. [Google Scholar] [CrossRef]
- Bello, M.M.; Raman, A.A.A.; Asghar, A. A review on approaches for addressing the limitations of Fenton oxidation for recalcitrant wastewater treatment. Process Saf. Environ. Prot. 2019, 126, 119–140. [Google Scholar] [CrossRef]
- Wang, J.; Chen, H. Catalytic ozonation for water and wastewater treatment: Recent advances and perspective. Sci. Total Environ. 2020, 704, 135249. [Google Scholar] [CrossRef] [PubMed]
- Liu, Z.; Hosseinzadeh, S.; Wardenier, N.; Verheust, Y.; Chys, C.; Hulle, S.V. Combining ozone with UV and H2O2 for the degradation of micropollutants from different origins: Lab-scale analysis and optimization. Environ. Technol. 2019, 40, 3773–3782. [Google Scholar] [CrossRef] [PubMed]
- Al-Tohamy, R.; Ali, S.S.; Li, F.; Okasha, K.M.; Mahmoud, Y.A.G.; Elsamahy, T.; Jiao, H.; Fu, Y.; Sun, J. A critical review on the treatment of dye-containing wastewater: Ecotoxicological and health concerns of textile dyes and possible remediation approaches for environmental safety. Ecotoxicol. Environ. Saf. 2022, 231, 113160. [Google Scholar] [CrossRef] [PubMed]
- Asaithambi, P.; Saravanathamizhan, R.; Matheswaran, M. Comparison of treatment and energy efficiency of advanced oxidation processes for the distillery wastewater. Int. J. Environ. Sci. Technol. 2015, 12, 2213–2220. [Google Scholar] [CrossRef]
- Wang, L.; Wang, Q.; Ren, F.; Wang, Y. An unexpected interaction between a H2O2 molecule and anatase TiO2 (101) surface. Appl. Surf. Sci. 2019, 493, 926–932. [Google Scholar] [CrossRef]
- Santos, P.B.; Dos Santos, H.F.; Andrade, G.F.S. Photodegradation mechanism of the RB5 dye: A theoretical and spectroscopic study. J. Photochem. Photobiol. A Chem. 2021, 416, 113315. [Google Scholar] [CrossRef]
- Luo, C.; Wang, H.; Dong, W.; Zhang, X. Theoretical investigation on the mechanism of the OH-initiated degradation process of reactive red 2 azo dye. RSC Adv. 2017, 7, 41799–41811. [Google Scholar] [CrossRef]
- Luo, Q.; Yang, X.; Zhao, X.; Wang, D.; Yin, R.; Li, X.; An, J. Facile preparation of well dispersed ZnO/cyclized polyacrylonitrile nanocomposites with highly enhanced visible-light photocatalytic activity. Appl. Catal. B Environ. 2017, 204, 304–315. [Google Scholar] [CrossRef]
- Dimitrakopoulou, D.; Rethemiotaki, I.; Frontistis, Z.; Xekoukoulotakis, N.P.; Venieri, D.; Mantzavinos, D. Degradation, mineralization and antibiotic inactivation of amoxicillin by UV-A/TiO2 photocatalysis. J. Environ. Manag. 2012, 98, 168–174. [Google Scholar] [CrossRef]
- Wu, C.H.; Kuo, C.Y.; Dong, C.D.; Chen, C.W.; Lin, Y.L. Removal of sulfonamides from wastewater in the UV/TiO2 system: Effects of pH and salinity on photodegradation and mineralization. Water Sci. Technol. 2019, 79, 349–355. [Google Scholar] [CrossRef]
- Díaz-Flores, P.E.; Guzmán-Álvarez, C.J.; Ovando-Medina, V.M.; Martínez-Gutiérrez, H.; González-Ortega, O. Synthesis of α-cellulose/magnetite/polypyrrole composite for the removal of reactive black 5 dye from aqueous solutions. Desalin. Water Treat. 2019, 155, 350–363. [Google Scholar] [CrossRef]
- Bolton, J.R.; Bircher, K.G.; Tumas, W.; Tolman, C.A. Figures-of-merit for the technical development and application of advanced oxidation technologies for both electric-and solar-driven systems (IUPAC Technical Report). Pure Appl. Chem. 2001, 73, 627–637. [Google Scholar] [CrossRef]



| Fixed Parameters | Variable | k (min−1) | EEO (kWh m−3 order−1) | ESAE (kWh mol−1 order−1) | |
|---|---|---|---|---|---|
| [RB5] = 10 mg L−1 pH = 6.5 T = 25 °C | [TiO2] | 0 | 9.17 × 10−6 | 1.52 × 104 | 1.51 × 106 |
| 200 | 7.78 × 10−4 | 1.79 × 102 | 1.78 × 104 | ||
| 400 | 2.19 × 10−3 | 6.38 × 102 | 6.32 × 103 | ||
| 500 | 6.19 × 10−3 | 2.26 × 101 | 2.24 × 103 | ||
| 600 | 3.35 × 10−3 | 4.17 × 101 | 4.13 × 103 | ||
| [RB5] = 10 mg L−1 [TiO2] = 500 mg L−1 pH = 6.5 T = 25 °C | [H2O2] | 0 | 6.19 × 10−3 | 2.26 × 101 | 2.24 × 103 |
| 100 | 7.92 × 10−3 | 1.76 × 101 | 1.75 × 103 | ||
| 150 | 3.77 × 10−3 | 3.7 × 101 | 3.67 × 103 | ||
| 200 | 4.15 × 10−3 | 3.36 × 101 | 3.34 × 103 | ||
| 250 | 4.07 × 10−3 | 3.43 × 101 | 3.40 × 103 | ||
| [TiO2] = 500 mg L−1 pH = 6.5 T = 25 °C | [RB5] | 10 | 6.19 × 10−3 | 2.26 × 101 | 2.24 × 103 |
| 25 | 7.70 × 10−4 | 1.81 × 102 | 1.80 × 104 | ||
| 40 | 3.65 × 10−4 | 3.83 × 102 | 3.79 × 104 | ||
| 50 | 2.74 × 10−4 | 5.10 × 102 | 5.05 × 104 | ||
| [RB5] = 10 mg L−1 [TiO2] = 500 mg L−1 T = 25 °C | pH | 3 | 6.91 × 10−3 | 2.02 × 101 | 2.00 × 103 |
| 3.5 | 1.02 × 10−2 | 1.38 × 101 | 1.36 × 103 | ||
| 4 | 5.74 × 10−2 | 2.43 | 2.41 × 102 | ||
| 4.5 | 3.70 × 10−2 | 3.77 | 3.74 × 102 | ||
| 5 | 5.10 × 10−2 | 2.74 | 2.72 × 102 | ||
| 5.5 | 1.51 × 10−2 | 9.25 | 9.18 × 102 | ||
| 6.5 | 6.19 × 10−3 | 2.26 × 101 | 2.24 × 103 | ||
| 8 | 2.10 × 10−3 | 6.65 × 101 | 6.59 × 103 | ||
Disclaimer/Publisher’s Note: The statements, opinions and data contained in all publications are solely those of the individual author(s) and contributor(s) and not of MDPI and/or the editor(s). MDPI and/or the editor(s) disclaim responsibility for any injury to people or property resulting from any ideas, methods, instructions or products referred to in the content. |
© 2023 by the authors. Licensee MDPI, Basel, Switzerland. This article is an open access article distributed under the terms and conditions of the Creative Commons Attribution (CC BY) license (https://creativecommons.org/licenses/by/4.0/).
Share and Cite
Ferreira, L.C.; Fernandes, J.R.; Peres, J.A.; Tavares, P.B.; Lucas, M.S. Heterogeneous Photocatalysis with Wireless UV-A LEDs. Eng. Proc. 2023, 56, 175. https://doi.org/10.3390/ASEC2023-15977
Ferreira LC, Fernandes JR, Peres JA, Tavares PB, Lucas MS. Heterogeneous Photocatalysis with Wireless UV-A LEDs. Engineering Proceedings. 2023; 56(1):175. https://doi.org/10.3390/ASEC2023-15977
Chicago/Turabian StyleFerreira, Leonor C., José R. Fernandes, José A. Peres, Pedro B. Tavares, and Marco S. Lucas. 2023. "Heterogeneous Photocatalysis with Wireless UV-A LEDs" Engineering Proceedings 56, no. 1: 175. https://doi.org/10.3390/ASEC2023-15977
APA StyleFerreira, L. C., Fernandes, J. R., Peres, J. A., Tavares, P. B., & Lucas, M. S. (2023). Heterogeneous Photocatalysis with Wireless UV-A LEDs. Engineering Proceedings, 56(1), 175. https://doi.org/10.3390/ASEC2023-15977

