Abstract
Wireless technology is increasingly significant in today’s industrial landscape. Standards like WirelessHART, ZigBee, and ISA100.11a are being widely used. However, despite their widespread use, wireless networks may sometimes be susceptible to packet loss or drops, making closed-loop systems vulnerable and resulting in system failure. To prevent such issues, dead-time compensation is necessary. The conventional techniques of predictive PI are commonly used for this purpose. Still, they must perform optimally for wireless networks with dead time, and set-point variations can affect network stability. To address this, a fractional calculus-based predictive PI compensator is proposed in this paper for wireless networks in process industries to improve the performance of these compensators. Industrial processes that involve wireless measurement and control actions in the pressure process model are used to evaluate the proposed compensator. The wireless network’s performance is assessed for packet loss, reduced throughput, and increased latency, and the proposed compensator outperforms traditional ones to achieve better set-point characteristics.
1. Introduction
For many years, networked control systems have been crucial to industrial processes. However, the technological revolution has brought significant improvements to these systems [1]. These include shifting from wired to wireless technology, using digitalized instruments instead of analogue-based ones, and using auto-diagnostic intelligent instruments instead of manually analysed digital equipment [2]. While wired communication protocols have been used for decades to connect controllers and other plant parts in industrial plants, they lack the robust scalability, distribution, self-organizing capabilities, and dynamic topology required for modern industrial processes to function smoothly [3].
In industrial environments, managing processes with delays can be difficult [4]. Conventional PI controllers may not work well in closed-loop control systems due to time delays, which can significantly impact overall system performance [5]. One popular solution is using a Smith Predictor-based PI controller to compensate for model discrepancies with and without dead time, but this can lead to inconsistencies between the predictive controller and the process performance [6]. A reliable controller is required to improve dead-time process plants’ performance [7,8]. Thus, this paper proposes the following scenarios:
- A solution for compensating prolonged dead-time processes on wired and wireless networks is proposed using a fractional-order predictive PI (FOPPI) compensator.
- The controllers are first set up on wired networks, and then the most effective FOPPI controller is used for wireless network control.
- The FOPPI controller has been tested on various benchmark process models and has demonstrated its ability to reduce peak overshoot, thus maximizing the operating lifespan of control valve actuators.
2. Methodology
Figure 1 displays a closed-loop system with unity feedback, consisting of crucial variables like the controller () and the process plant (). The reference input, referred to as , is the set point, whereas the output response is denoted as . The error, designated as , is the discrepancy between the set-point and the output response. Lastly, the controller signal is identified as .
Figure 1.
Unity feedback control system.
Let us consider as a First Order Plus Dead-Time (FOPDT) process. The transfer function can be represented by the variables K (process gain), (dead-time), and T (time constant), as follows:
Consider the PI controller, , where and represent the proportional gain and integral time constant. The control signal for can be expressed as follows [4]:
The integral action is fractioned using to obtain a fractional-order PI controller. The resulting control signal of the fractional-order PI controller (FOPI) can be determined using the equation mentioned above as
Suppose is a fractional-order predictive PI (FOPPI) controller, then the closed-loop transfer function of the system can be obtained using the following formula:
By rearranging the above equation, is obtained as
It is worth highlighting that the intended closed-loop transfer function is given as
From the above equation, the control signal of FOPPI controller is computed as
To implement the FOPPI controller presented in Equation (8), it is recommended to set the proportional gain equal to the inverse of the process gain K, i.e., , the integral time equal to the desired integral time T, and a as the order of integration. Figure 2 depicts the FOPPI implementation in the closed-loop wireless sensor network.
Figure 2.
Fractional-order dead-time compensator in the wireless network.
3. Results and Discussion
3.1. Process Model
This study used an industrial-scale pressure process model for simulation, which accurately represented the dynamic behaviour of the plant. It served as a reliable first-order process model and provided insights into the complex behaviour of industrial plants. The transfer function associated with the process model is presented below.
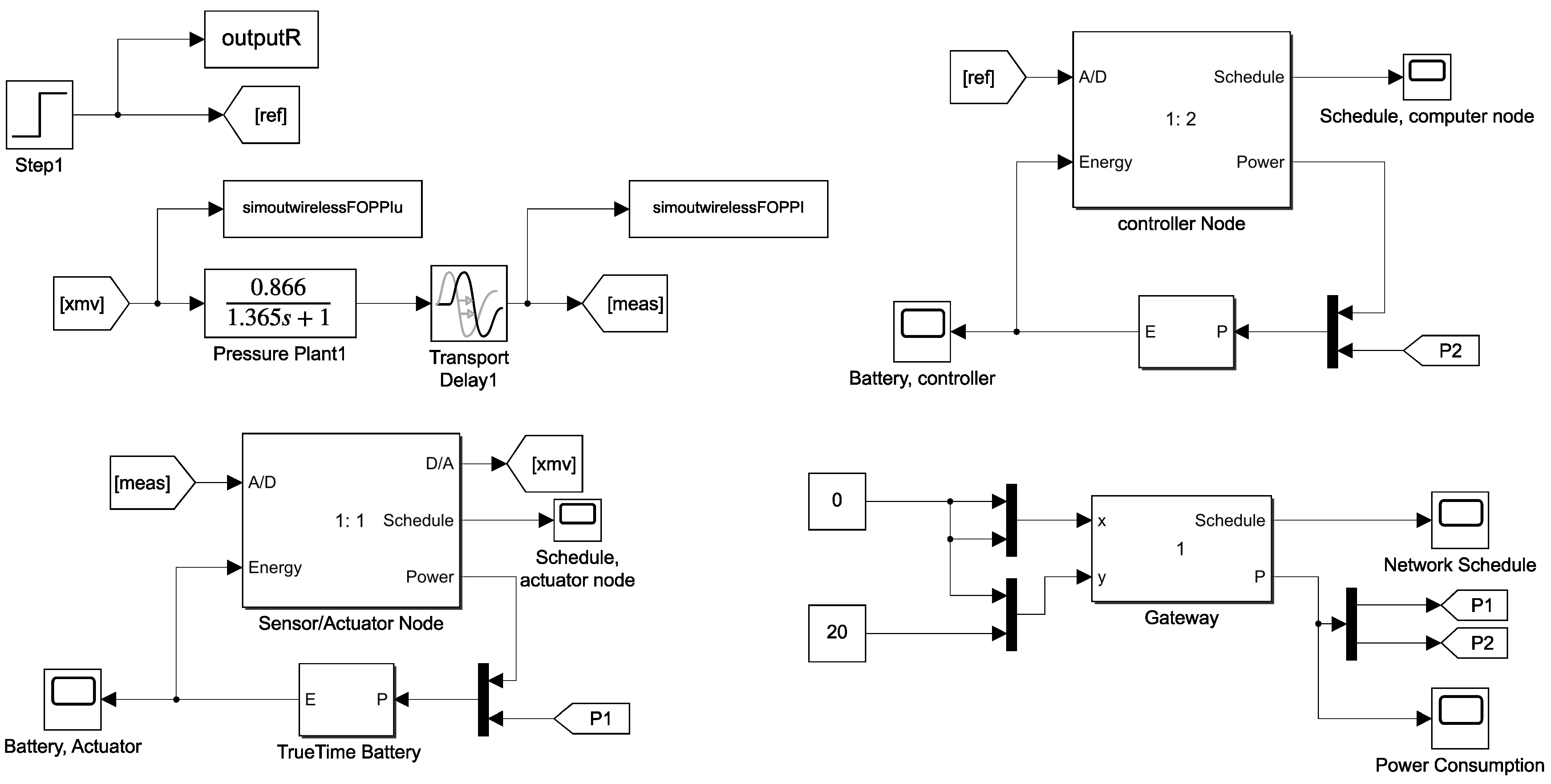
The proposed research derives the controller parameters analytically using the considered plant transfer function. The obtained parameters are presented in Table 1. The proposed controller’s implementation in the wireless networks (IEEE802.15.14) is carried out using MATLAB/Simulink as shown in Figure 3. A key component in the proposed FOPPI controller design is the fractional-order integrator, expressed as in Equation (8). Oustaloup’s approximation technique is employed to approximate this integrator, which involves setting the parameters (,) = () and , as suggested by the researchers in [9,10]. This approximation resulted in the following transfer function for the fractional-order integrator:
Table 1.
Performance of various controllers and their parameters.
Figure 3.
Implementation of the proposed FOPPI on the wireless network on the Simulink.
3.2. Performance Analysis
Initially, the PI, FOPI, PPI, and FOPPI controllers are simulated using the wired network. From the comparison analysis, the best-performing FOPPI controller is chosen for implementation on wireless networks. Based on the numerical analysis comparison provided in Table 1, it can be inferred that the FOPPI outperformed its counterparts in dead-time compensating. The proposed controller demonstrated a faster settling time () of 5.4801 s, a significant improvement of 30.1162%. The respective performance comparison is shown in Figure 4 and Figure 5. At the same time, the other traditional controllers are almost 2.5 s slower than the FOPPI. In the peak overshoot (%OS), the dead-time compensators (i.e., PPI and FOPPI) performed best by effectively minimizing the initial load variations, resulting in zero overshoot.
Figure 4.
Performance of various controllers in the wired and wireless network ((A)—Zoomed view of pressure; (B)—Zoomed view of control signal).
Figure 5.
Performance of wireless FOPPI controller with packet drop ((A)—Zoomed view of pressure; (B)—Zoomed view of control signal).
The PI controller had the greatest overshoot value of 23.4846%, which can lead to control valve actuator damage. Among all, PPI had the slowest rise time () of 3.5991 s, which is 49.6383% slower than proposed, and the FOPI secured the fastest rise time of 1.1164 s (see Figure 4A). The wireless network’s FOPPI controller outperformed the wired FOPPI with a remarkable 196.389% performance improvement, demonstrating a rapid response time of only 0.8155 s. Although the controller has the fastest rise time, it takes 10.6886 s to settle, which is 95.0439% slower than the wired system. This trend is also reflected in the overshoot performance, which has an enormous value of 43.4261%. In most cases, the control signal proposed managed to track the set-point and acted more robustly. This is true and can be seen in Figure 4B, where other controllers had drastic positive and negative value changes. However, the FOPPI quickly started responding at 2.4, showing the proposed controller’s robustness.
To test the stability of the wireless system, the wireless network has been induced for a 50% packet drop scenario in the wireless network. The performance comparison of the proposed controller in this condition is shown in Figure 5. With the absence of half of the control signal data (packets), the FOPPI initially managed to reach the set-point with a rise time of 0.7020 s, which is a colossal performance increase of 80.4951% while comparing it with the slowest PPI controller. However, the optimal performance achieved was not sustained for long because the sensor data were missing. Consequently, the FOPPI controller experienced difficulty keeping up with the set-point values, leading to an alarming peak overshoot of 60.1767%. This sudden surge in overshoot could harm the actuator and even cause severe damage to the control valve.
Moreover, the packet drop had a noticeable impact on the process settling rate, resulting in the FOPPI having the slowest settling time of 25.6067 s in this scenario. While observing the zoomed portion labelled as A in Figure 5, it was noticed that the wired network had successfully attained the target set-point of 2.0. Unfortunately, the wireless network could not achieve the precise set-point and displayed an unfavourable deviation of more than 0.4. This deviation surpasses the acceptable standard for process control and is deemed unacceptable. The FOPPI control actions experience difficulty maintaining their control signal performance (see Figure 5B). Unfortunately, despite efforts to recover, these actions remain unchanged even after 4.5 s. At the same time, the wired FOPPI controller produced robust actions, which led to the best performance.
4. Conclusions
The study proposes a fractional-order dead-time compensator to improve the control and compensation capabilities of wireless networks. The results show that the controller offers an optimal settling time, rise time, and peak overshoot performance compared to its wired networks. However, due to scheduled data transfers and minimal delays, wireless networks experience longer settling times and increased overshoots. The efficacy of the proposed compensator will be assessed on real-time wireless networks in future research.
Author Contributions
Conceptualization, R.I. and M.O.; methodology, P.A.M.D.; software, P.A.M.D.; validation, P.A.M.D., K.B. and H.A.; formal analysis, P.A.M.D.; investigation, P.A.M.D. and K.B.; resources, R.I. and M.O.; data curation, P.A.M.D. and H.A.; writing—original draft preparation, P.A.M.D. and K.B.; writing—review and editing, P.A.M.D. and K.B.; visualization, P.A.M.D. and H.A.; supervision, R.I. and M.O.; project administration, R.I. and M.O.; funding acquisition, R.I. and M.O. All authors have read and agreed to the published version of the manuscript.
Funding
This work was funded by Yayasan Universiti Teknologi PETRONAS-Prototype Research Grant 015PBC-001 and partially funded by Grant STIRF (015LA0-048).
Institutional Review Board Statement
Not applicable.
Informed Consent Statement
Not applicable.
Data Availability Statement
Data are contained within the article.
Acknowledgments
The authors would like to acknowledge the support from Universiti Teknologi Petronas for providing the research facilities.
Conflicts of Interest
The authors declare no conflicts of interest.
References
- Abdulrab, H.Q.A.; Hussin, F.A.; Arun, P.S.; Awang, A.; Ismail, I. Simulation and control of industrial composition process over wired and wireless networks. In Proceedings of the International Conference of Reliable Information and Communication Technology; Springer: Berlin/Heidelberg, Germany, 2020; pp. 685–695. [Google Scholar]
- Devan, P.A.M.; Hussin, F.A.; Ibrahim, R.; Bingi, K.; Khanday, F.A. A survey on the application of WirelessHART for industrial process monitoring and control. Sensors 2021, 21, 4951. [Google Scholar] [CrossRef] [PubMed]
- Abdulrab, H.; Hussin, F.A.; Abd Aziz, A.; Awang, A.; Ismail, I.; Devan, P.A.M. Reliable fault tolerant-based multipath routing model for industrial wireless control systems. Appl. Sci. 2022, 12, 544. [Google Scholar] [CrossRef]
- Selvam, A.M.D.P.; Hussin, F.A.; Ibrahim, R.; Bingi, K.; Nagarajapandian, M. Optimal Fractional-Order Predictive PI Controllers: For Process Control Applications with Additional Filtering; Springer Nature: Berlin/Heidelberg, Germany, 2022. [Google Scholar]
- Briones, O.A.; Rojas, A.J.; Sbarbaro, D. Generalized Predictive PI Controller: Analysis and Design for Time Delay Systems. In Proceedings of the 2021 American Control Conference (ACC), New Orleans, LA, USA, 25–28 May 2021; IEEE: Piscataway, NJ, USA, 2021; pp. 2509–2514. [Google Scholar]
- Devan, P.A.M.; Hussin, F.A.; Ibrahim, R.; Bingi, K.; Nagarajapandian, M.; Abdulrab, H. A novel fractional-order dead-time compensating controller for the wireless networks. Sci. Rep. 2023, 13, 17658. [Google Scholar] [CrossRef] [PubMed]
- Euzebio, T.A.; Yamashita, A.S.; Pinto, T.V.; Barros, P.R. SISO approaches for linear programming based methods for tuning decentralized PID controllers. J. Process. Control. 2020, 94, 75–96. [Google Scholar] [CrossRef]
- Hassan, S.M.; Ibrahim, R.; Saad, N.; Bingi, K.; Asirvadam, V.S.; Hassan, S.M.; Ibrahim, R.; Saad, N.; Bingi, K.; Asirvadam, V.S. Filtered predictive Pi controller for wirelesshart networked systems. In Hybrid PID Based Predictive Control Strategies for WirelessHART Networked Control Systems; Springer: Berlin/Heidelberg, Germany, 2020; pp. 27–58. [Google Scholar]
- Bingi, K.; Ibrahim, R.; Karsiti, M.N.; Hassan, S.M.; Harindran, V.R. Real-time control of pressure plant using 2DOF fractional-order PID controller. Arab. J. Sci. Eng. 2019, 44, 2091–2102. [Google Scholar] [CrossRef]
- Marushchak, Y.; Mazur, D.; Kwiatkowski, B.; Kopchak, B.; Kwater, T.; Koryl, M. Approximation of Fractional Order PIλDμ-Controller Transfer Function Using Chain Fractions. Energies 2022, 15, 4902. [Google Scholar] [CrossRef]
Disclaimer/Publisher’s Note: The statements, opinions and data contained in all publications are solely those of the individual author(s) and contributor(s) and not of MDPI and/or the editor(s). MDPI and/or the editor(s) disclaim responsibility for any injury to people or property resulting from any ideas, methods, instructions or products referred to in the content. |
© 2023 by the authors. Licensee MDPI, Basel, Switzerland. This article is an open access article distributed under the terms and conditions of the Creative Commons Attribution (CC BY) license (https://creativecommons.org/licenses/by/4.0/).




