Study on the Fire Prevention and Extinguishing Performance of Ammonium Polyphosphate-Reinforced Coal Cangue Slurry for Goaf Grouting and Filling
Abstract
1. Introduction
2. Experiment
2.1. Materials
2.2. Preparation of Coal Gangue Slurry
2.2.1. Analysis of the Slurry-Forming Performance of Coal Gangue Slurry
2.2.2. Settling Velocity and Critical Stabilization Time Tests
2.2.3. Plasticity Index Test
2.2.4. Viscosity Coefficient
2.3. Thermal Stability Test of Coal Gangue Slurry
2.4. Study on the Oxidation Characteristics of Coal Gangue After Grouting Backfill
- (1)
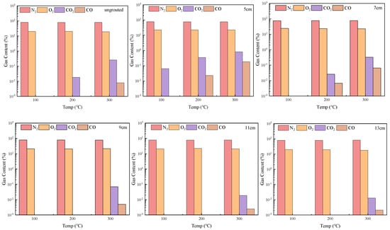
- Six grouting thicknesses (0 cm, 5 cm, 7 cm, 9 cm, 11 cm, and 13 cm) and three heating temperatures (100 °C, 200 °C, and 300 °C) were used.
- (2)
- The reactor liner was stacked with different thicknesses of gangue blocks and then we injected gangue blocks of gangue slurry so they were just submerged. The mixture was placed at room temperature for 24 h to dry for the next operation.
- (3)
- The dried specimens were placed in the reaction vessel and evacuated using a vacuum pump.
- (4)
- Dry air was introduced, and the programmed temperature controller was set to heat the vessel to the target temperature.
- (5)
- After stabilizing at the target temperature, gas sampling bags were used to collect reaction products.
- (6)
- The gases were collected and immediately introduced into the gas chromatograph. Thereafter, the O2, N2, CO, and CO2 compositions of the gases were examined in three batches and averaged.
- (7)
- The detected data were compared with standard gas samples to determine the proportional content of each gas. To investigate the effects of additives on the oxidation performance of backfilled coal gangue, additional tests were conducted using a coal-based solid waste backfill fire prevention platform. These tests focused on coal gangue with additives and a grouting thickness of 9 cm.
3. Results Analysis
3.1. Slurry-Forming Performance of Coal Gangue Slurry
3.2. Influence of Heating Duration on the Thermal Stability of Coal Gangue Slurry
3.3. Influence of Grouting Thickness on the Thermal Stability of Coal Gangue Slurry
3.4. Influence of Heating Temperature on the Thermal Stability of Coal Gangue Slurry
3.5. Comprehensive Evaluation of the Thermal Stability of Coal Gangue Slurry Under Different Conditions
3.6. Evaluation of the Oxidation Performance of Coal Gangue
3.6.1. Gas Content After the Oxidation of Coal Gangue
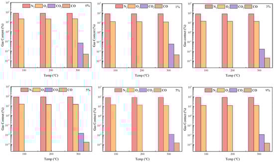
3.6.2. Influence of Additive Type on Oxidation Reaction of Coal Gangue Slurry
3.6.3. Influence of Additive Dosage
4. Fire Suppression Mechanisms
5. Conclusions
- The coal gangue slurry of this type exhibited no solid–liquid interface separation, with a plasticity index consistent with the requirements of standard grouting materials. The stable slurry-forming performance indicates its suitability as a grouting backfill material.
- With increasing heating duration, the central, maximum, and minimum surface temperatures of the coal gangue slurry followed polynomial growth functions (R2 > 0.99). As the grouting thickness increased, the surface temperature initially rose and then declined, peaking at a thickness of 10 cm. Additionally, the central, maximum, and minimum surface temperatures displayed an overall ascending trend as the heating temperature increased.
- When the heating temperature increased from 100 °C to 300 °C, the CO and CO2 concentrations progressively rose. At grouting thicknesses of 9–12 cm, CO and CO2 gases were only detected at 300 °C during coal gangue oxidation, with their concentrations decreasing as grouting thickness increased. The oxidation reaction rate, reflected by CO and CO2 concentrations, demonstrated that CO levels initially increased and then decreased as grouting thickness rose from 0 cm to 13 cm, reaching a maximum at 5 cm. Comparative analysis of additives with identical mass fractions revealed that the coal gangue slurry modified with ammonium polyphosphate (APP) released significantly lower amounts of CO and CO2 than the control group or slurries modified with zinc borate or magnesium hydroxide, confirming APP’s superior inhibitory effect.
- Increasing APP dosage progressively reduced CO and CO2 emissions from the coal gangue slurry, with maximum reductions of 70.0% and 83.2%, respectively, compared to the control group, markedly enhancing fireproofing performance. Mechanistic analysis indicates that APP decomposes upon heating, generating non-volatile phosphorus oxides and polyphosphoric acid that coat the coal gangue surface to isolate oxygen. Under high temperatures, APP dehydrates to form polyphosphoric or metaphosphoric acid, which scavenges free radicals such as -OH and inhibits combustion, as well as being a strong dehydrating agent. This promotes carbonization with char-forming substances, generating an expanded carbon layer reinforced by non-combustible gases, thereby effectively isolating air and blocking fire propagation. The fire prevention and suppression system based on the synergistic interaction between coal gangue slurry and APP not only meets the grouting requirements for coal mine goafs but also extends to other coal-bearing solid waste accumulation scenarios such as open-pit mines and abandoned mine backfilling, offering a universal solution for ecological restoration and fire hazard control in mining areas.
Author Contributions
Funding
Institutional Review Board Statement
Informed Consent Statement
Data Availability Statement
Conflicts of Interest
References
- Ministry of Natural Resources. National Mineral Reserves Statistical Table. J. Nat. Resour. 2023. Available online: https://www.mnr.gov.cn/sj/sjfw/kc_19263/kczycltjb/202408/t20240802_2853983.html (accessed on 19 February 2025).
- Wang, S.; Liu, L.; Zhu, M.; Shen, Y.; Shi, Q.; Sun, Q.; Fang, Z.; Ruan, S.; He, W.; Yang, P.; et al. New Way for Green and Low-Carbon Development of Coal Under the Target of “Double Carbon”. J. China Coal Soc. 2024, 49, 152–171. [Google Scholar] [CrossRef]
- Zhou, N.; Yao, Y.; Song, W.; He, Z.; Meng, G.; Liu, Y. Present Situation and Prospect of Coal Gangue Treatment Technology. J. Min. Saf. Eng. 2020, 37, 136–146. [Google Scholar] [CrossRef]
- Pan, S.; Hu, Y.; Wang, H.; Yu, J.; Liu, Q. Current Status and Standard System of Comprehensive Utilization Technology for Coal Gangue. China Min. 2024, 33, 89–98. [Google Scholar] [CrossRef]
- Lan, C. Progress of Research on Comprehensive Utilization of Coal Gangue Resources. J. Inner Mong. Coal Econ. 2024, 17, 32–34. [Google Scholar] [CrossRef]
- Gu, W.; Yang, B.; Zhu, L.; Zhao, M. Study on Spatial Characteristics of Gangue Slurry Filling Mining and Engineering Practice. J. Min. Sci. Technol. 2023, 8, 409–418. [Google Scholar] [CrossRef]
- Li, J.; Zheng, K.; Xuan, D.; Xu, J.; Dong, Z. Experimental Study on Slurry Diffusion Law During the Non-Pressure Stage in Overburden Isolated Grouting. J. China Coal Soc. 2020, 45, 78–86. [Google Scholar] [CrossRef]
- Wei, Z. A Study on the Compaction Characteristics of Broken Rock in the Collapse Zone of Goaf and the Diffusion Mechanism of Grouting and Filling Slurry. Anhui Univ. Sci. Technol. 2023. [Google Scholar] [CrossRef]
- Ma, C.; Xuan, D.; Xu, J.; Li, J.; Zhang, Z.; Ning, X. Experimental Study on Water Reduction and Modification of Filling Slurry by Isolated Grouting in Overlying Strata. J. Min. Saf. Eng. 2023, 40, 1122–1128. [Google Scholar] [CrossRef]
- Wang, Q.; Ao, L.; Zhang, K.; Yang, K.; Tang, Y.; Tan, X. Research Progress on the Key Influencing Factors of Spontaneous Combustion of Coal Gangue and Control Methods. Clean Coal Technol. 2024, 30, 228–238. [Google Scholar] [CrossRef]
- Onifade, M. Countermeasures Against Coal Spontaneous Combustion: A Review. Int. J. Coal Prep. Util. 2021, 42, 2953–2975. [Google Scholar] [CrossRef]
- Zhang, Y.; Zhang, Y.; Shi, X.; Liu, S.; Shu, P.; Xia, S. Investigation of Thermal Behavior and Hazards Quantification in Spontaneous Combustion Fires of Coal and Coal Gangue. Sci. Total Environ. 2022, 843, 157072. [Google Scholar] [CrossRef]
- Fan, G.; Zhang, D.; Wang, X. Reduction and Utilization of Coal Mine Waste Rock in China: A Case Study in Tiefa Coalfield. Resour. Conserv. Recycl. 2014, 83, 24–33. [Google Scholar] [CrossRef]
- Liu, C.; Zhang, R.; Wang, Z.; Zhang, X. Research on the Fire Extinguishing Performance of New Gel Foam for Preventing and Controlling the Spontaneous Combustion of Coal Gangue. Environ. Sci. Pollut. Res. 2023, 30, 88548–88562. [Google Scholar] [CrossRef]
- Ma, L. Preparation of Ash-Diatomite-PAM Composite Colloid Based on Activation Technology and Research on Fire-Extinguishing Mechanism. Taiyuan Univ. Technol. 2022. [Google Scholar] [CrossRef]
- Li, X. Preparation of Al-XG Composite Gel and Experimental Study on Inhibiting Coal Spontaneous Combustion. Henan Polytech. Univ. 2022. [Google Scholar] [CrossRef]
- Jiao, G. Study on Anti-Oxidation Type Microencapsulated Inhibitor for Preventing Coal Spontaneous Combustion. China Univ. Min. Technol. 2020. [Google Scholar] [CrossRef]
- Sun, L.; Li, W.; Duan, S.; Lv, X.; Shi, Q.; Qi, G.; Huang, Q. Temperature-Sensitive Intelligent Gel to Prevent Coal Spontaneous Combustion: Large-Scale Simulation Fire Extinguishing Experimental Study. Fuel 2025, 384, 133812. [Google Scholar] [CrossRef]
- Wang, P.; Tan, X.; Hao, H.; Wang, P.; Li, H.; Li, B.; Ma, J.; Guo, C. Gangue Geopolymer to Strength Fire Resistance of Intumescent Waterborne Coating. J. Coat. Technol. Res. 2025, 22, 985–998. [Google Scholar] [CrossRef]
- Huang, X.; Gao, H.; Wu, J.; Liu, X.; Zhang, P.; Huang, Y.; Yan, J.; Gao, Y.; Wang, L.; Rao, Z. Study on the Preparation of High Degree of Polymerization APP Flame Retardant. Non-Met. Mines 2021, 44, 33–36. [Google Scholar]
- Chen, Y.; Liu, X.; Wen, S.; Chen, J.; Gu, F.; Wu, J.; Meng, Y. Research Progress of Ammonium Polyphosphate Flame Retardant Modification and Application. China Plast. Ind. 2024, 52, 26–35. [Google Scholar] [CrossRef]
- Jia, B. Study on Mathematical Model of Spontaneous Combustion and Its Prevention and Harness Technology of Coal Gangue Dump. Master’s Thesis, Liaoning Technical University, Fuxin, China, 2002. [Google Scholar]
- Zhou, C.; Li, X.; Zhang, J.; Ren, X.; Yao, J.; Li, Z.; Li, T. Study on Oxidation Characteristics of Coal Gangue with Different Moisture Content Under Water Immersion Drying. Coal Sci. Technol. 2024, 52, 107–115. [Google Scholar] [CrossRef]
- Zhou, X.; Song, D.; Nie, R.; Bai, G.; Li, A.; Sun, B. Study on Formation Law of Carbon Oxides of Lignite in Combustion Phase. China Saf. Sci. J. 2016, 26, 59–63. [Google Scholar] [CrossRef]
- Wang, S.; Liu, Y.; Xu, C. Research on Free Radical Variation Law in Spontaneous Combustion and Oxidation Process of Coal Gangue. Ind. Mine Autom. 2020, 46, 34–37. [Google Scholar] [CrossRef]
- Wang, Z.; Wang, Y.; Han, D.; Ren, X. Study on Correlation Between Exothermic Risk of Coal Gangue and Microscopic Groups. Saf. Coal Mines 2024, 55, 107–115. [Google Scholar] [CrossRef]
- Shao, Z.; Deng, C.; Tan, Y.; Chen, M.; Chen, L.; Wang, Y. An Efficient Mono-Component Polymeric Intumescent Flame Retardant for Polypropylene: Preparation and Application. ACS Appl. Mater. Interfaces 2014, 6, 7363–7370. [Google Scholar] [CrossRef]
- Wang, B.; Sheng, H.; Shi, Y.; Hu, W.; Hong, N.; Zeng, W.; Ge, H.; Yu, X.; Song, L.; Hu, Y. Recent Advances for Microencapsulation of Flame Retardant. Polym. Degrad. Stab. 2015, 113, 96–109. [Google Scholar] [CrossRef]
- Wang, Z. Preparation of Functionalized Ammonium Polyphosphate and Study on Structure and Properties of Its Flame Retardant Polymer Composites. Shenyang Univ. Chem. Technol. 2022. [Google Scholar] [CrossRef]


















| Number | Mass Concentration (%) | Heating Time (min) | Heating Temperature (°C) | Grouting Thickness (cm) |
|---|---|---|---|---|
| 1 | 68 | 0, 12, 20, 30, 40, 50, 60 | 140 | 10 |
| 2 | 68 | 40 | 100, 120, 140, 160, 180, 200 | 10 |
| 3 | 68 | 40 | 140 | 5, 10, 15, 20 |
| Parameter | Coarse Particles (1–3 mm) Content (%) | Water-to-Binder Ratio | Mass Concentration (%) | Settling Velocity (mm/min) | Critical Stabilization Time (min) | Plasticity Index | Viscosity Coefficient (mPa·s) |
|---|---|---|---|---|---|---|---|
| Value | 20 | 0.471:1 | 68 | 0 | 0 | 7.43 | 551 |
Disclaimer/Publisher’s Note: The statements, opinions and data contained in all publications are solely those of the individual author(s) and contributor(s) and not of MDPI and/or the editor(s). MDPI and/or the editor(s) disclaim responsibility for any injury to people or property resulting from any ideas, methods, instructions or products referred to in the content. |
© 2025 by the authors. Licensee MDPI, Basel, Switzerland. This article is an open access article distributed under the terms and conditions of the Creative Commons Attribution (CC BY) license (https://creativecommons.org/licenses/by/4.0/).
Share and Cite
Wu, R.; Liu, X.; Wang, S.; Song, X.; Yu, H.; Guo, Z. Study on the Fire Prevention and Extinguishing Performance of Ammonium Polyphosphate-Reinforced Coal Cangue Slurry for Goaf Grouting and Filling. Fire 2025, 8, 213. https://doi.org/10.3390/fire8060213
Wu R, Liu X, Wang S, Song X, Yu H, Guo Z. Study on the Fire Prevention and Extinguishing Performance of Ammonium Polyphosphate-Reinforced Coal Cangue Slurry for Goaf Grouting and Filling. Fire. 2025; 8(6):213. https://doi.org/10.3390/fire8060213
Chicago/Turabian StyleWu, Rui, Xiangyu Liu, Shi Wang, Xuepeng Song, Haigen Yu, and Zhiguo Guo. 2025. "Study on the Fire Prevention and Extinguishing Performance of Ammonium Polyphosphate-Reinforced Coal Cangue Slurry for Goaf Grouting and Filling" Fire 8, no. 6: 213. https://doi.org/10.3390/fire8060213
APA StyleWu, R., Liu, X., Wang, S., Song, X., Yu, H., & Guo, Z. (2025). Study on the Fire Prevention and Extinguishing Performance of Ammonium Polyphosphate-Reinforced Coal Cangue Slurry for Goaf Grouting and Filling. Fire, 8(6), 213. https://doi.org/10.3390/fire8060213
