Next Article in Journal
In Situ PANI–Graphite Nanochain-like Structures and Their Application as Supercapacitive Electrodes
Previous Article in Journal
Microstructure Evolution of Polyacrylonitrile-Based Fibers during Thermal Pre-Oxidation
 
 
Font Type:
Arial Georgia Verdana
Font Size:
Aa Aa Aa
Line Spacing:
Column Width:
Background:
Article

Rheological Behavior Features of Feedstocks with a Two-Component Wax–Polyolefin Binder Compared to Analogs Based on Polyoxymethylene

by
Alexander N. Muranov
*,
Viktor R. Lysenko
and
Maxim A. Kocharov
Institute of Design-Technology Informatics, Russian Academy of Sciences, Moscow 127055, Russia
*
Author to whom correspondence should be addressed.
J. Compos. Sci. 2024, 8(6), 199; https://doi.org/10.3390/jcs8060199
Submission received: 25 April 2024 / Revised: 17 May 2024 / Accepted: 22 May 2024 / Published: 24 May 2024
(This article belongs to the Section Polymer Composites)

Abstract

Despite the large number of studies devoted to different compositions of polymer binders for PIM technology, the actual task is still a comparative analysis of the properties of different types of binders to determine their advantages and disadvantages and optimize the compositions used. In this regard, this study aims at the identification and comparative analysis of the rheological properties of the most demanded feedstocks with binders based on polyoxymethylene and a wax–polyolefin mixture under the condition of using identical steel powder filler. The rate of change in the volume fraction of the liquid phase of the binder in the compared feedstocks with temperature change was determined by the calculation–experimental method. As shown, the temperature dependence of the viscosity of feedstocks with a binder based on a polymer blend depends on factors with variable power, i.e., the viscosity change with temperature occurs by different mechanisms with their relaxation spectra. Thus, the principle of temperature–time superposition for feedstocks with multicomponent binders is not applicable, and the study of the viscosity of such materials should involve a wide range of shear rates and temperatures using experimental methods. Capillary rheometry was used to measure the flow curves of feedstocks based on polyoxymethylene and wax–polyolefin binders. The analysis of flow curves of feedstocks showed that feedstocks with a binder of solution–thermal type of debinding have significantly lower viscosity, which is an advantage for molding thin-walled products. However, their difference of 1.5 times sensitivity to the shear rate gradient leads to their lower resistance to “jets” and liquation of components because of shear rate gradients when molding products with elements of different cross-sectional areas.

1. Introduction

The most efficient technologies for the production of small-sized metal complex profile parts today are metal injection molding (MIM), additive manufacturing (AM), and, in ceramic products, technologies of slurry and powder injection molding (PIM), including low-pressure hot molding (LPIM) [1]. By combining the productivity of the injection molding method with the versatility of sintering the powder charge of the required composition, powder injection molding (PIM) technologies combine the advantages of traditional powder metallurgy methods and casting into metal molds. Unlike additive technologies, the injection molding of powder–polymer mixtures (feedstocks) makes it possible to effectively provide the mass and serial production of precise small-sized complex parts with optimal cost and a given set of properties. In addition, these technologies are sufficiently efficient to produce small-sized parts of complex configurations made of hard-to-machine materials.
PIM technology uses a dispersed-filled composite material in the form of a mixture of a polymer binder and powders, called “feedstock”, followed by molding the product by the injection of this mixture into the cavity of the casting mold, curing the casting, removing the cured casting (the “green” part is the powder-filled polymer one), and removing the polymer binder (debinding), followed by sintering the porous powder part (the “brown” part), resulting in a “finished” part. If necessary, the sintered part undergoes finishing mechanical and chemical–thermal treatment. In the case of the catalytic debinding process, the polyoxymethylene-based binder is removed from the green part in nitric acid vapors in a specialized furnace used to further sinter powdered part blanks without resetting operations. In the case of wax–polypropylene binder mixtures for the solution–thermal method of debinding, the waxy part of the polymer binder mixture from the preform is eluted by a nonpolar solvent, leaving behind a developed system of communicating pores. The system of pores formed as a result of solution debinding during the subsequent heating provides the unhindered exit of gaseous pyrolysis products of the polyolefin component of the polymer blend, which, depending on the polyolefin type, account for more than 99.91% of the initial mass of PP, and the mass fraction of ash is less than 0.09% and practically does not affect the chemical composition of the sintered material. Such a two-stage technology of binder removal from the preform prevents the appearance of cracks and local heterogeneities in the body of the sintered powder “brown” part and ensures the preservation of its geometry.
The relevant literature presents a more detailed description of PIM technology and the processed and final materials [1,2,3] and does not appear here to reduce the scope of the work.
It is essential that the variety of possible combinations of the dispersed filler and the polymer mixture of binders leads, both quantitatively and qualitatively, to a significant difference in the properties of feedstocks, which determine the technological modes of their processing and, to a large extent, the quality of the final product—parts mass-produced by the PIM method. Polyoxymethylene (POM), polyolefins in the form of polypropylene (PP) and polyethylene (PE), ethylene vinyl acetate (EVA), polystyrene (PS), polyethylene glycol (PEG), polymethyl methacrylate (PMMA), and other polymers and oligomers are the main components of binders [3,4,5]. However, the most industrially demanded types of polymer binders in PIM technology are polyoxymethylene-based compositions and wax–polyolefin mixtures [3,4,5]. Despite a large number of research and experimental and technological works devoted to different compositions of polymer binders for PIM technology, the actual task is still a comparative analysis of the properties of different binders to determine their advantages and disadvantages and to optimize the compositions used. Here, feedstock’s rheological and thermophysical properties, PVT characteristics, and compactability are the main properties determining the molding modes of part blanks. In this regard, this study aims at a comparative analysis of the rheological properties of the most demanded feedstocks with binders based on polyoxymethylene and wax–polyolefin mixtures using identical powder fillers.

2. Literature Review

PIM technology is a modern stage in developing ceramic slurry casting technology with a deep history. Some foreign publications attribute the beginning of PIM development to the first patent for manufacturing ceramic products from a mixture of ceramic particles and polymer molded under pressure [6]. Note that technologies such as slurry casting and hot molding were used for a long time only in the manufacturing of ceramic products. However, the situation changed when, after the development of plastic technology and the spread of injection molding machines, hot molding technology developed into low-pressure powder injection molding (LPIM) and high-pressure powder injection molding (HPIM). The rheology of the used powder–polymer mixtures and the polymers themselves, which are part of the binder, play a decisive role in the possibility of molding complex parts using the PIM method [7].
Currently, many papers regularly publish study results on the rheological properties of feedstocks and polymers used in them [8,9,10]. New reviews and articles devoted to the issues of modeling the molding process based on rheological data continue to appear [11,12,13]. In summary, feedstocks are highly filled composite materials molded in the state of suspension, which, depending on the degree of filling, is characterized by a yield point. Many rheological equations describe the rheological state of such materials, which are detailed in [12]. Table 1 presents the most popular of these rheological equations for reference.
Such rheological models for the analytical description of experimental data are undoubtedly important because they make it possible to use these mathematical models with empirical material constants for simulating casting and molding processes using appropriate software. Thus, for example, Refs. [26,27] presented models for simulation modeling of feedstock casting processes with a common type of binder based on a wax–polyolefin mixture, and many other works presented data on the rheological state of feedstocks with another common type of binder, polyoxymethylene, also used for modeling casting processes. In addition, in the field of feedstocks with a polyoxymethylene-based binder, it is necessary to note the works [28,29], which not only describe the characteristics of the materials under study but also show that for POM copolymers and their mixtures, the relationship between complex viscosity and rotational viscosity can be correctly described using the Cox–Merz rule. However, it should be noted that for highly filled feedstocks, the Cox–Merz rule is not valid, even when it is valid for the binder materials.
Nevertheless, although rheological models are used to describe specific feedstock grades and model their casting, an essential part of scientific research is not only quantitative but also qualitative analysis of the rheological properties of the molded media. In this regard, this study aims at a comparative analysis of the rheological properties of the most popular feedstocks with binders based on polyoxymethylene and wax–polyolefin blends using an identical powder filler. The results of this analysis can provide new knowledge for technologists and engineers working with feedstocks with these types of polymer binders.
Among the recent studies that analyze the rheological properties of feedstocks qualitatively rather than quantitatively, it is necessary to note several ones. Previous studies [8,9,10] presented a generalized diagram of the rheological states of suspensions with polymer matrices. For the first time, these studies discovered and described the presence of the elastic–plastic state region of suspensions, which may increase the fluidity of feedstocks at the maximum concentration of solid phase in powder casting. A study [30] proposed a nonlinear Maxwell-type defining relation to describe the shear deformation of thixotropic viscous elastoplastic environments and analyzed the effects of thixotropy and viscosity super anomaly. Rather than completing a detailed review of new articles devoted to the rheological equations of the state of feedstocks and their characteristics, let us move on to the subject of this comparative study of the features of the rheological behavior of feedstocks with a wax–polyolefin binder.

3. Research Methods and Results

3.1. Composition and Structure of the Compared Powder–Polymer Mixtures

The objects of the current study are two feedstocks with structural low-alloy steel powder as their base. Both feedstocks were produced under laboratory conditions using a screw mixer. For this, the same powder was used but with different types of binder. The essential difference between these feedstocks is the type of polymer binder used. Type 1 feedstock manufacturing uses a binder designed for solution–thermal debinding (i.e., using a wax–polyolefin mixture), whereas type 2 feedstock manufacturing uses a binder designed for catalytic debinding (i.e., using polyoxymethylene).
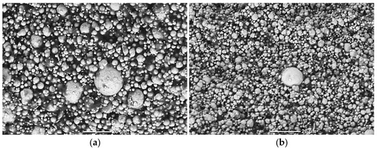
Both feedstocks have (61.9 ± 0.1) vol.% of 42CrMo4 steel powder in their bases with spherical particle sizes ranging from 2 to 16 μm with an average D50 = 6 μm. The binder for the type 1 feedstock is a mixture of paraffin wax (PW), polypropylene (PP), and stearic acid (SA) in small amounts. The total volume of polypropylene is 38% of the volume of the polymer blend, i.e., 14% of the entire feedstock volume. In other words, the mass fraction of wax is 3.85 ± 0.05% and that of polypropylene is 2.79%. Polyoxymethylene (POM) is applied to the binder of the type 2 feedstock. Classic polyoxymethylene feedstock formulations use approximately 10% polyethylene by volume; however, in this investigation, polyolefins were not mixed with polyoxymethylene to provide a fundamental comparison of the behavior of a one-component polyoxymethylene binder and a wax–polyolefin mixture. Figure 1 shows the microstructure of the compared feedstocks as a result of scanning electron microscopy examination using an FEI Phenom ProX electron microscope (Thermo Fisher Scientific company, Waltham, MA, USA). This microscope was used at an accelerating voltage of 5 keV.
The obtained images (Figure 1) confirm that both feedstocks have a homogeneous microstructure and predominantly contain metallic particles of a spherical shape, which ensures uniformity and reproducibility of shrinkage during the sintering of part blanks.

3.2. Methods and Results of Evaluating Rheological Properties

Phase transitions in the components of polymer binder mixtures of the compared feedstocks were studied using differential scanning calorimetry. Measurements of specific heat flux used a Netzsch DSC 204F1 device (“Netzsch”, Selb, Germany) with a heating rate HR = 10 K/min in an inert argon atmosphere at a purge speed of the measuring cell of 50 mL/min according to ISO 11357-1:2023 [31]. In accordance with the characteristics of the device, the error in determining the enthalpy during DSC measurements is less than 1%. Figure 2 shows the measured calorimetric curves.
Figure 2 shows that feedstock based on polyoxymethylene, in the absence of polyolefin additives, has a single pronounced melting peak, whereas the feedstock based on a mixed binder is characterized by two peaks for each of the components, corresponding to the melting of wax and polypropylene. In addition, we note that the observed non-monotonic bend in the DSC curve for the wax–polyolefin feedstock at a temperature of approximately 57 °C is associated exclusively with the melting characteristics of the wax used in this feedstock. Even before the production of the feedstock, it was known that the melting point of the stearic acid used is 66 ± 1 °C, but the thermal effect of its melting is insignificant and does not have a significant effect on the nature of the DSC curve shown in Figure 2. The obtained DSC curves made it possible to determine the boundaries of the melting temperature ranges TM1 and TM3 for each of the polymer components of the binder, as well as the temperature TM2 of the maximum intensity of the melting process. The values of these temperatures are shown in Table 2. It should be noted that the temperature values displayed in Table 2 are based on the derivative d[Q′(T)]/dT value. This approach, in contrast to using the secant method, will make it possible to use these values in calculations, operating with smooth functions.
The obtained temperature dependences of the specific heat flux Q′(T) made it possible, according to Equation (1), to calculate the temperature dependences of the liquid phase volume fraction ξ L B (T) in the polymer binder and entire feedstock ξ L F (T). The change in polymer density during heating was not considered within the scope of such an estimation calculation. Figure 3 shows the calculated dependences of the liquid phase volume fraction ξ L B (T) and ξ L F (T) with temperature change.
ξ L B i ( T ) = T Q i ( T ) d T j φ B i j T M 1 i j T M 3 i j Q i j ( T ) d T ξ L F i ( T ) = φ B i ξ L B i ( T )
where ξ L B i —volume fraction of the liquid phase in the binder of the i-th feedstock; ξ L F i —volume fraction of liquid phase in the i-th feedstock; and φ B i j —volume fraction of the j-th polymer component in the binder of the i-th feedstock.
To determine the temperatures at which the destruction of the components of the wax–polyolefin feedstock binder may begin during casting, appropriate measurements were performed using thermogravimetric analysis. An SDT Q600 device (TA Instruments company, New Castle, MA, USA) was used for these measurements. The heat rate of the samples was 5 K/min to 550 °C in an inert argon atmosphere. According to the characteristics of this device, the sensitivity for differential thermal analysis is 0.001 °C, and the sensitivity of the balance is 0.1 µg. The obtained measurement results (Figure 4) made it possible to establish that the destruction of wax begins at 175 °C but intensifies only at 200 °C. The destruction of polypropylene begins at significantly higher temperatures without affecting the casting stage.
The temperature dependence of the dynamic viscosity of the wax–polyolefin feedstock was determined using the method of rotational viscometry with measurements performed on a Malvern Kinexus Pro rheometer (Malvern Panalytical company, Malvern, Worcestershire, UK) at a shear rate of 10 s−1. In this case, in accordance with the characteristics of the rheometer, the temperature resolution is 0.01 °C. Figure 5 shows the measured temperature dependence of the dynamic viscosity of the wax–polyolefin-bonded feedstock. The natural limitations of the experimental technique did not make it possible to determine the values of dynamic viscosity at temperatures below 120 °C when the polymer mixture of the binder turned into a suspension of liquid wax and solid polypropylene. The dependence of dynamic viscosity on temperature for feedstock with polyoxymethylene binder was not measured because it is not of interest because of its simplicity. The feedstock with a one-component binder has a simple dependence of viscosity on temperature described by the Arrhenius Equation with flow activation energy EPOM = 64.5 ± 0.5 kJ/mol known from open sources [32].
The obtained temperature dependence of the feedstock dynamic viscosity with the wax–polyolefin binder shows that under normal atmospheric conditions at temperatures above T D = 185 °C, an increase in its dynamic viscosity is associated with the destruction of wax. Thus, for the studied feedstock with the wax–polyolefin binder, it becomes possible to develop the following technological recommendations: the feedstock temperature in the injection molding machine should be from 170 °C to 185 °C. At the same time, it is well known from the literature that the recommended temperature range for processing feedstock based on polyoxymethylene in the cylinder of an injection molding machine is somewhat larger and is usually 180–220 °C [30,32].
With the temperatures T M 1 , T M 2 , a n d   T M 3 determined earlier by differential scanning calorimetry, corresponding to the melting of polypropylene in the feedstock with the wax–polyolefin binder, the viscosity dependence shown in Figure 5 is divided into several characteristic sectors (regions). On the curve, the area of sharp temperature relaxation stands out, characterized by a significant, of more than 2.5 decimal orders, viscosity decrease, ending at temperature T M 1   = 123 °C that corresponds to the melting point of polypropylene in the feedstock polymer binder mixture. This is the no-flow temperature for this feedstock [33].
Furthermore, in the temperature range from T M 1 to T M 3 , the feedstock with the two-component wax–polyolefin binder has a region of less significant viscosity decrease, where the decrease is only 0.25 orders of magnitude in the absolute value of dynamic viscosity. This change in feedstock viscosity is simultaneously a consequence of both the thermal activation of the liquid phase and an increase in the liquid phase volume fraction resulting from the melting of polypropylene. The temperature dependences of the volume fraction of the liquid phase in the feedstock presented in Figure 3 made it possible to calculate the rate of its change (d ξ L F /dT) with temperature changes (Figure 6).
The temperature relaxation from 147 °C to 153 °C for the feedstock with the two-component wax–polyolefin binder shows less sharpness (Figure 5) but a jump-like decrease in feedstock viscosity by 0.5·× 103 Pa·s. The corresponding “center” of this temperature relaxation and the maximum intensity of polypropylene melting practically (with accuracy to the instrumental error) coincide and is 150 ± 1 °C. However, the detected temperature interval of viscosity relaxation from 147 °C to 153 °C is narrower than the melting range of polypropylene (from 123 to 166 °C) because, at these temperatures, the melting and thermal activation of polypropylene occur in the volume required for structurally free flow of the entire feedstock. The temperature values characterizing the melting process were determined by the DSC method, as described above.
Thus, the viscosity decrease in the feedstock with the wax–polypropylene binder with increasing temperature is a two-factor process associated with the following factors of variable power: thermal activation of the liquid phase and changes in its volume fraction, including changes in the fraction of the structurally free part. In this regard, it is of interest to study the dependence of the dynamic viscosity of feedstocks not only based on temperature but also on the fraction of the liquid phase in its volume. The construction of this dependence, shown in Figure 7, is possible based on the temperature dependence of the liquid phase volume ξ L F (T) obtained earlier (Figure 3).
The dependence presented in Figure 7 shows that the power of the named factors varies in such a way that the following are observed:
  • At temperatures below 125 °C and up to 80 °C, the viscosity of the feedstock with the wax–polyolefin binder depends only on temperature; the proportion of liquid dispersion medium is constant and equal to 24 vol.%;
  • At temperatures from 125 °C to 147 °C, the viscosity of the feedstock mainly depends on temperature, and an increment in the volume fraction of the liquid dispersion medium by 5% has little effect on the viscosity decrease in the feedstock as a whole;
  • At temperatures from 147 °C to 166 °C, the process of transition to the structurally free flow of the whole feedstock slurry is observed because of the appearance of a sufficient volume of structurally free thermally activated liquid dispersion medium;
  • In the range from 166 °C to 185 °C, viscosity depends only on temperature; an increase in the volume fraction of the liquid dispersion medium by 5% almost does not affect the viscosity of the feedstock with the wax–polyolefin binder.
The change in the dynamic viscosity of a powder–polymer mixture is a thermally activated process; hence, an activation equation of Arrhenius type (2), also called the Frenkel–Andrade equation, can satisfactorily describe the dependence of feedstock viscosity on temperature.
( T ) = A F A exp E F A R T
where A F A —proportionality coefficient, Pa·s; E F A —apparent (effective) activation energy of viscous flow, J/mol; R—the universal gas constant, J/(mol·K); and T—temperature, K.
To describe the temperature dependence of the viscosity of materials with several relaxation mechanisms, each with its activation energy, it is possible to use the Doremus Equation (3), which describes the viscosity of melts of glass forming amorphous materials [34]. When describing the viscosity of such materials at temperatures significantly above or significantly below the temperature of the dominant relaxation mechanism (usually, the glass transition temperature), Equation (3) is reduced to a simplified relation (4), in which the dimensional coefficients A ¯ D and E ¯ D have the character of apparent effective physical values.
( T ) = A G S T 1 + A H T exp E H T R T 1 + A L T exp E L T R T
η ( T ) = A ~ D T exp E ~ D R T
where E H T and E L T —activation energies of viscous flow in different temperature ranges, J/mol; A G S —proportionality coefficient, (Pa·s)/K; and A H T and A L T —dimensionless pre-exponential coefficients.
In addition to the above models, it is possible [35] to use the VFT equation of Vogel–Fulcher–Tamman or the analogous WLF Equation of Williams–Landella–Ferry (5) to describe the viscosity of feedstocks over a wide temperature range:
η ( T ) = η 0 exp C 1 ( T T 0 ) C 2 + ( T T 0 )
where T 0 —reduction temperature, which, for amorphous materials, is usually the glass transition temperature T g , K; η 0 —viscosity at T 0 , Pa·s; and C 1 and C 2 —experimentally determined coefficients of the WLF model.
Figure 8 presents the results of the analytical description of the experimentally measured temperature dependence of the viscosity of the wax–polyolefin-type feedstock using model (2), model (3), and model (4).

4. Analysis and Discussion of the Results

The results of experimental data processing show that model (3) provides the most complete and accurate description of the feedstock with the wax–polyolefin binder; Table 3 shows the identified coefficients of the model. The disadvantage of using the Doremus model (3) to describe the viscosity of the feedstock with the wax–polyolefin binder is a slightly underestimated viscosity at temperatures lower than the zero free-flowing temperature—120…123 °C. However, the viscosity dependence in this temperature range is of the least practical interest.
The WLF model (4) best describes the temperature dependence of the viscosity of the feedstock with the wax–polyolefin binder at the reduction temperature T0 = 120.81 °C, which corresponds to the zero free-flowing temperature with high accuracy. However, despite accurately describing the viscosity dependence near the zero free-flowing temperature, the WLF model gives erroneous results for a significant practice region of processing temperatures.
Using the Arrhenius Equation (2) for the temperature dependence of the viscosity of the feedstock with the wax WLF Equation polyolefin binder made it possible to find that the coefficient A F A = 18.46 Pa·s and the apparent activation energy of the viscous flow E F A = 39.315 kJ/mol. Despite the relatively narrow temperature range in which the Frenkel–Andrade Equation (2) correctly describes the temperature dependence of the viscosity of the wax–polyolefin-bonded feedstock, the obtained value of the apparent activation energy of the viscous flow E F A of this feedstock allowed for a qualitative comparison. It also made it possible to conclude that the energy E F A for the wax–polyolefin-bonded feedstock is slightly higher than that for polypropylene, which E F A ranges from 25 to 30 kJ/mol. However, it is less than that of high-density polyethylene with E F A from 45 to 75 kJ/mol and less than that of the polyoxymethylene feedstock with E F A from 63 to 65 kJ/mol. The comparison of the values of the apparent activation energy of viscous flow of feedstocks of two types made it possible to conclude that structuring in the feedstock based on polyoxymethylene with flow activation energy EFA = 64.5 ± 0.5 kJ/mol is greater than in the feedstock with the two-component wax–polyolefin binder with EFA = 39.5 ± 0.5 kJ/mol, for which this value is comparable to the values for unfilled polyolefins.
The dependence of the dynamic viscosity of the compared feedstock types on the shear rate was measured using a Dynisco LCR 7000 capillary rheometer (Dynisco company, Franklin, MA, USA). In accordance with the characteristics of the capillary rheometer, the accuracy of maintaining temperature during measurements was equal to ±0.2 °C, and the measurements were performed using a standard die with a diameter of 9.55 mm. Figure 9 shows the measurement results.
The power law model with exponent n can describe the behavior of both types of the compared feedstocks in the range of shear rates from 10 to 104 s−1 (Table 1). The viscosity of the compared feedstocks decreases with increasing shear stress, and the feedstocks belong to the pseudoplastic type of media with exponent n < 1. In the experimentally investigated ranges of temperatures and shear rates, the feedstock with the wax–polyolefin binder has exponent n in the range from 0.262 to 0.356, whereas the feedstock based on polyoxymethylene under the same conditions has n = 0.469.

5. Conclusions

This experimental study investigated the dynamic viscosity of a feedstock with a wax–polyolefin binder. The results showed that the temperature dependence of its viscosity depends on the following factors with variable power: thermal activation of the liquid phase and the change in its volume fraction, including the change in the fraction of its structurally free part. Thus, for feedstocks with a binder based on a mixture of polymers, the change in viscosity with temperature occurs by different mechanisms based on their relaxation spectra. For such blended multicomponent materials, the principle of temperature–time superposition is not applicable, and the study of viscosity as an integral characteristic of the relaxation spectrum of such materials should be exclusively experimental in various shear rates and temperatures characteristic of injection molding technology.
The temperature dependences of the dynamic viscosity and volume fraction of the binder liquid phase in the compared feedstocks showed that the feedstock with the wax–polyolefin binder may be processed at lower temperatures than the analog based on polyoxymethylene. The determined no-flow temperature was T = 123 ± 3 °C for the investigated feedstock with the wax–polyolefin binder. Thus, when molding a green part from the feedstock with a wax–polyolefin binder, the process of feeding and, accordingly, the process of filling the cavity of the mold should occur before the feeder is cooled to the zero free-flowing state of the feedstock. Fulfilling this condition makes it possible to maximally compensate for the volumetric material shrinkage during cooling during the feeding and compacting stages of the green casting part.
Under conditions of a standard atmosphere, the recommended temperature range for molding the studied feedstock with the wax–polyolefin binder will be the interval from 165 °C to 185 °C when the feedstock viscosity is minimal and has the highest resistance to temperature change (isostructural mode). Temperature increases above 185 °C for wax–polyolefin-bonded feedstocks under normal atmospheric conditions will increase viscosity because of wax degradation. The technological recommendations include the following: the temperature of wax–polyolefin-bonded feedstocks in the injection molding machine should be between 170 °C and 185 °C, and the process of filling the mold cavity when molding green parts from feedstocks with a wax–polyolefin binder should finish before the molded feedstock cools below 150 °C, which should prevent the appearance of weld lines in the molded green parts. The comparative analysis of flow curves of feedstocks of catalytic and solution–thermal types of debinding has shown that feedstocks based on wax–polyolefin binders of the solution–thermal type of debinding have lower viscosity, which is an advantage for molding thin-walled products. However, their difference of 1.5 times in exponent (greater sensitivity to the shear rate gradient) leads to their lower resistance to “jets” and liquation of components because of shear rate gradients when molding products with elements of various cross-section areas compared with feedstocks based on polyoxymethylene.

Author Contributions

Conceptualization, A.N.M., V.R.L. and M.A.K.; methodology, A.N.M., V.R.L. and M.A.K.; software, V.R.L.; validation, A.N.M.; formal analysis, V.R.L.; investigation, A.N.M. and V.R.L.; resources, M.A.K.; data curation, A.N.M.; writing—original draft preparation, V.R.L. and M.A.K.; writing—review and editing, A.N.M.; visualization, M.A.K.; supervision, A.N.M.; project administration, A.N.M.; funding acquisition, A.N.M. All authors have read and agreed to the published version of the manuscript.

Funding

This study was supported by a grant from the Russian Science Foundation № 23-79-10258: https://rscf.ru/en/project/23-79-10258/ (accessed on 15 May 2024).

Data Availability Statement

The original contributions presented in this study are included in this article, further inquiries can be directed to the corresponding author.

Conflicts of Interest

The authors declare no conflicts of interest.

References

  1. Heaney, D.F. Designing for Metal Injection Molding (MIM). In Handbook of Metal Injection Molding; Woodhead Publishing Ltd.: Cambridge, UK, 2012; pp. 29–49. [Google Scholar] [CrossRef]
  2. Zhao, T.; Ei, B.; Wang, X.; Qi, G.; Lowe, H. Research Progress on Optimization Methods of Powder Injection Molding Process Parameters. Adv. Transdiscipl. Eng. 2022, 22, 257–262. [Google Scholar] [CrossRef]
  3. Gonzlez-Gutierrez, J.; Beulke, G.; Emri, I. Powder Injection Molding of Metal and Ceramic Parts. In Some Critical Issues for Injection Molding; IntechOpen: London, UK, 2012. [Google Scholar] [CrossRef]
  4. Semenov, A.B.; Muranov, A.N.; Kutsbakh, A.A.; Krotov, D.M.; Logachev, I.A.; Semenov, B.I. Development of a Binder System for the Powder Injection Molding of Titanium: Foreign and Russian Experience. Part 1. Russ. Metall. (Met.) 2020, 2020, 1590–1599. [Google Scholar] [CrossRef]
  5. Hausnerova, B. Binder Systems for Powder Injection Molding: A Review. Adv. Mater. Proc. 2021, 2, 761–768. [Google Scholar] [CrossRef]
  6. Momeni, V.; Hufnagl, M.; Shahroodi, Z.; Gonzalez-Gutierrez, J.; Schuschnigg, S.; Kukla, C.; Holzer, C. Research Progress on Low-Pressure Powder Injection Molding. Materials 2022, 16, 379. [Google Scholar] [CrossRef] [PubMed]
  7. Malkin, A.Y.; Mityukov, A.V.; Kotomin, S.V.; Shabeko, A.A.; Kulichikhin, V.G. Elasticity and Plasticity of Highly Concentrated Noncolloidal Suspensions under Shear. J. Rheol. 2020, 64, 469–479. [Google Scholar] [CrossRef]
  8. Malkin, A.Y.; Kulichikhin, V.G.; Mityukov, A.V.; Kotomin, S.V. Deformation Properties of Concentrated Metal-in-Polymer Suspensions under Superimposed Compression and Shear. Polymers 2020, 12, 1038. [Google Scholar] [CrossRef] [PubMed]
  9. Mityukov, A.; Govorov, V.; Malkin, A.; Kulichikhin, V. Rheology of Highly Concentrated Suspensions with a Bimodal Size Distribution of Solid Particles for Powder Injection Molding. Polymers 2021, 13, 2709. [Google Scholar] [CrossRef]
  10. Malkin, A.Y.; Kulichikhin, V.G.; Khashirova, S.Y.; Simonov-Emelyanov, I.D.; Mityukov, A.V. Rheology of Highly Filled Polymer Compositions—Limits of Filling, Structure, and Transport Phenomena. Polymers 2024, 16, 442. [Google Scholar] [CrossRef]
  11. Hausnerova, B.; Filip, P. Processability of High Metal and Ceramic Concentration Compounds. Encycl. Mater. Compos. 2021, 2, 855–872. [Google Scholar] [CrossRef]
  12. Baum, M.; Anders, D.; Reinicke, T. Approaches for Numerical Modeling and Simulation of the Filling Phase in Injection Molding: A Review. Polymers 2023, 15, 4220. [Google Scholar] [CrossRef]
  13. Semenov, A.B.; Kutsbakh, A.A.; Muranov, A.N.; Semenov, B.I. Development of a Technique to Simulate the Injection Molding of Metallic-Powder-Filled Polymers. Russ. Metall. (Met.) 2019, 2019, 1351–1356. [Google Scholar] [CrossRef]
  14. Dragoni, M.; Pondrelli, S.; Tallarico, A. Longitudinal Deformation of a Lava Flow: The Influence of Bingham Rheology. J. Volcanol. Geotherm. Res. 1992, 52, 247–254. [Google Scholar] [CrossRef]
  15. Caggioni, M.; Trappe, V.; Spicer, P.T. Variations of the Herschel–Bulkley Exponent Reflecting Contributions of the Viscous Continuous Phase to the Shear Rate-Dependent Stress of Soft Glassy Materials. J. Rheol. 2020, 64, 413–422. [Google Scholar] [CrossRef]
  16. Heaney, D.F.; Zauner, R.; Binet, C.; Cowan, K.; Piemme, J. Variability of Powder Characteristics and Their Effect on Dimensional Variability of Powder Injection Moulded Components. Powder Metall. 2004, 47, 144–149. [Google Scholar] [CrossRef]
  17. Malkin, A.Y.; Patlazhan, S.A. Wall Slip for Complex Liquids—Phenomenon and Its Causes. Adv. Colloid Interface Sci. 2018, 257, 42–57. [Google Scholar] [CrossRef] [PubMed]
  18. De La Rosa, Á.; Ruiz, G.; Castillo, E.; Moreno, R. Calculation of Dynamic Viscosity in Concentrated Cementitious Suspensions: Probabilistic Approximation and Bayesian Analysis. Materials 2021, 14, 1971. [Google Scholar] [CrossRef] [PubMed]
  19. Baldino, S.; Osgouei, R.E.; Ozbayoglu, E.; Miska, S.Z.; May, R. Quemada Model Approach to Oil or Synthetic Oil Based Drilling Fluids Rheological Modelling. J. Pet. Sci. Eng. 2018, 163, 27–36. [Google Scholar] [CrossRef]
  20. Horri, B.A.; Ranganathan, P.; Selomulya, C.; Wang, H. A New Empirical Viscosity Model for Ceramic Suspensions. Chem. Eng. Sci. 2011, 66, 2798–2806. [Google Scholar] [CrossRef]
  21. Zhou, G.; Willett, J.L.; Carriere, C.J. Temperature Dependence of the Viscosity of Highly Starch-Filled Poly(Hydroxy Ester Ether) Biodegradable Composites. Rheol. Acta 2000, 39, 601–606. [Google Scholar] [CrossRef]
  22. Malkin, A.; Kulichikhin, V.; Ilyin, S. A Modern Look on Yield Stress Fluids. Rheol. Acta 2016, 56, 177–188. [Google Scholar] [CrossRef]
  23. Sherwood, J.D.; Durban, D. Squeeze Flow of a Power-Law Viscoplastic Solid. J. Non-Newton. Fluid Mech. 1996, 62, 35–54. [Google Scholar] [CrossRef]
  24. Adams, M.J.; Aydin, İ.; Briscoe, B.J.; Sinha, S.K. A Finite Element Analysis of the Squeeze Flow of an Elasto-Viscoplastic Paste Material. J. Non-Newton. Fluid Mech. 1997, 71, 41–57. [Google Scholar] [CrossRef]
  25. Roussel, N.; Lanos, C. Plastic Fluid Flow Parameters Identification Using a Simple Squeezing Test. Appl. Rheol. 2003, 13, 132–141. [Google Scholar] [CrossRef]
  26. Korotchenko, A.Y.; Khilkov, D.E.; Tverskoy, M.V. The Development of New Materials and Modes of Casting Metal Powder Mixtures (MIM Technology). Mater. Sci. Forum 2019, 945, 538–542. [Google Scholar] [CrossRef]
  27. Kutsbakh, A.A.; Muranov, A.N.; Semenov, A.B.; Semenov, B.I. The Rheological Behavior of Powder–Polymer Blends and Model Description of Feedstock Viscosity for Numerical Simulation of the Injection Molding Process. Polym. Sci. Ser. D 2022, 15, 701–708. [Google Scholar] [CrossRef]
  28. Gonzalez-Gutierrez, J.; Stringari, G.B.; Megen, Z.M.; Oblak, P.; von Bernstorff, B.S.; Emri, I. Selection of Appropriate Polyoxymethylene Based Binder for Feedstock Material Used in Powder Injection Moulding. J. Phys. Conf. Ser. 2015, 602, 012001. [Google Scholar] [CrossRef]
  29. Schrank, T.; Berer, M.; Haar, B.; Ramoa, B.; Lucyshyn, T.; Feuchter, M.; Pinter, G.; Speranza, V.; Pantani, R. Injection Molding Simulation of Polyoxymethylene Using Crystallization Kinetics Data and Comparison with the Experimental Process. Polym. Cryst. 2022, 2022, 2387752. [Google Scholar] [CrossRef]
  30. Stolin, A.M.; Khokhlov, A.V. Nonlinear Model of Shear Flow of Thixotropic Viscoelastoplastic Continua Taking into Account the Evolution of the Structure and Its Analysis. Mosc. Univ. Mech. Bull. 2022, 77, 127–135. [Google Scholar] [CrossRef]
  31. ISO 11357-1:2023; Plastics—Differential Scanning Calorimetry (DSC)—Part 1: General Principles. ISO: Geneva, Switzerland, 2023.
  32. Tverskoy, M.V.; Khilkova, A.A.; Khilkov, D.E. Study of Particularities of Metal Powder Mixtures Injection Molding. Politech. Stud. J. 2018, 11, 1–8. [Google Scholar] [CrossRef]
  33. Mannella, G.A.; La Carrubba, V.; Brucato, V.; Zoetelief, W.; Haagh, G. No-flow Temperature in Injection Molding Simulation. J. Appl. Polym. Sci. 2010, 119, 3382–3392. [Google Scholar] [CrossRef]
  34. Ojovan, M.I.; Travis, K.P.; Hand, R.J. Thermodynamic Parameters of Bonds in Glassy Materials from Viscosity–Temperature Relationships. J. Phys. Condens. Matter 2007, 19, 415107. [Google Scholar] [CrossRef] [PubMed]
  35. Williams, M.L.; Landel, R.F.; Ferry, J.D. The Temperature Dependence of Relaxation Mechanisms in Amorphous Polymers and Other Glass-Forming Liquids. J. Am. Chem. Soc. 1955, 77, 3701–3707. [Google Scholar] [CrossRef]
Figure 1. Microstructure of the compared feedstock types: (a) type 1—with wax–polypropylene binder mixture and (b) type 2—with polyoxymethylene.
Figure 1. Microstructure of the compared feedstock types: (a) type 1—with wax–polypropylene binder mixture and (b) type 2—with polyoxymethylene.
Jcs 08 00199 g001
Figure 2. Calorimetric heating curves of feedstocks: solid line—with wax–polyolefin binder; dotted line—with polyoxymethylene; thin vertical lines indicate the boundaries of the melting temperature ranges of the polymer components.
Figure 2. Calorimetric heating curves of feedstocks: solid line—with wax–polyolefin binder; dotted line—with polyoxymethylene; thin vertical lines indicate the boundaries of the melting temperature ranges of the polymer components.
Jcs 08 00199 g002
Figure 3. Dependences of the liquid phase volume fraction in feedstocks on temperature change: dashed line—for the feedstock with polyoxymethylene; solid line—for the feedstock with the wax–polyolefin binder; dotted line—difference in the liquid phase fraction of the compared feedstock types.
Figure 3. Dependences of the liquid phase volume fraction in feedstocks on temperature change: dashed line—for the feedstock with polyoxymethylene; solid line—for the feedstock with the wax–polyolefin binder; dotted line—difference in the liquid phase fraction of the compared feedstock types.
Jcs 08 00199 g003
Figure 4. Thermogravimetric heating curves of feedstock with the wax–polyolefin binder (the dotted line indicates the beginning of the destruction process; solid black line—thermogravimetry data; blue line—differential thermogravimetry data).
Figure 4. Thermogravimetric heating curves of feedstock with the wax–polyolefin binder (the dotted line indicates the beginning of the destruction process; solid black line—thermogravimetry data; blue line—differential thermogravimetry data).
Jcs 08 00199 g004
Figure 5. Experimental dependence of the dynamic viscosity of the wax–polyolefin-bonded feedstock with temperature change at a shear rate of 10 s−1 presented in semi-logarithmic coordinates. The dashed vertical lines on the graph indicate the temperatures that characterize the melting process of polypropylene in the feedstock. The dash-dotted vertical line indicates the temperature at which wax destruction begins.
Figure 5. Experimental dependence of the dynamic viscosity of the wax–polyolefin-bonded feedstock with temperature change at a shear rate of 10 s−1 presented in semi-logarithmic coordinates. The dashed vertical lines on the graph indicate the temperatures that characterize the melting process of polypropylene in the feedstock. The dash-dotted vertical line indicates the temperature at which wax destruction begins.
Jcs 08 00199 g005
Figure 6. Change rate of the liquid phase volume fraction with temperature: solid line—feedstock with the wax–polyolefin binder; dotted line—feedstock based on polyoxymethylene.
Figure 6. Change rate of the liquid phase volume fraction with temperature: solid line—feedstock with the wax–polyolefin binder; dotted line—feedstock based on polyoxymethylene.
Jcs 08 00199 g006
Figure 7. Semi-logarithmic dependence of dynamic viscosity and liquid phase content for the wax–polyolefin-bonded feedstock at a shear rate of 10 s−1. Thin vertical lines indicate temperatures characterizing changes in the state of the binder.
Figure 7. Semi-logarithmic dependence of dynamic viscosity and liquid phase content for the wax–polyolefin-bonded feedstock at a shear rate of 10 s−1. Thin vertical lines indicate temperatures characterizing changes in the state of the binder.
Jcs 08 00199 g007
Figure 8. Different models of the temperature dependence of the viscosity of the feedstock with the wax–polyolefin binder: 1—Arrhenius Equation (2); 2—Doremus Equation (3); 3—WLF Equation (5).
Figure 8. Different models of the temperature dependence of the viscosity of the feedstock with the wax–polyolefin binder: 1—Arrhenius Equation (2); 2—Doremus Equation (3); 3—WLF Equation (5).
Jcs 08 00199 g008
Figure 9. Dependences of dynamic viscosity on the shear rate at different temperatures: (a) for the feedstock with the wax–polyolefin binder and (b) for the feedstock based on polyoxymethylene.
Figure 9. Dependences of dynamic viscosity on the shear rate at different temperatures: (a) for the feedstock with the wax–polyolefin binder and (b) for the feedstock based on polyoxymethylene.
Jcs 08 00199 g009
Table 1. Some popular rheological equations.
Table 1. Some popular rheological equations.
Model NameModel DescriptionModel Equation
Bingham model [14]The Bingham plastic model is the most common rheological model used in the drilling industry. This model is a two-parameter model that includes the yield stress and plastic viscosity of the fluid. After the fluid starts to flow, there is a linear relationship between shear stress and the shear rate. σ = σ y + η p γ ,
where σ y —yield point; η p —plastic viscosity; σ —shear stress
Herschel–Bulkley model [15]The Herschel–Bulkley fluid is a generalized model of a non-Newtonian fluid in which the strain experienced by the fluid is related to the stress in a complicated, non-linear way. The consistency is a simple constant of proportionality, whereas the flow index measures the degree to which the fluid is shear-thinning or shear-thickening. Finally, yield stress quantifies the amount of stress that the fluid may experience before it yields and begins to flow. σ = σ y + K p γ ˙ n ,
where K and n are material constants determined experimentally
Casson model [16]The equation shows that the effective viscosity of the Bingham medium decreases with an increasing shear rate. σ 1 / 2 = σ Y 1 / 2 + η Y γ 1 / 2
(used only when σ > σ Y )
Einstein model [17]This model is used for very dilute suspensions of non-Brownian hard spheres. It ignores any particle–particle hydrodynamic interactions. It is generally valid for φ ≤ 0.03. η = 1 + 2.5 φ ,
where φ —filler volume fraction
Krieger–Dougherty model [18]This model is used to describe the viscosity of the cement mixtures. The Dougherty equation gives the dynamic viscosity from the volume fraction of cement particles, which may be obtained from the relationship between water and cementitious materials. The interest in and application of the Krieger–Dougherty equation in these suspensions are, from a theoretical point of view, due to its robustness and the fact that its parameters have a physical significance. η r = ( 1 φ φ m a x ) η φ m a x ,
where η r —relative viscosity; φ—volume of the loaded fraction;   φ m a x —maximum degree of compaction; η —characteristic viscosity
Quemada’s model [19]Quemada’s model is based on the generalization of the hard sphere model and a revised effective volume fraction concept. For the latter, individual particles and small irreducible aggregates (referred to as individual flocs) are assumed to be the main components of the structural units. However, because it is improbable to have all individual flocs included in structural units, the possibility of finding free individual flocs in the stabilized suspension is considered. η r = ( 1 φ φ m a x ) 2
Orri model [20]The Orri model equation reconciles Einstein’s model with more recent models using the mobility parameter. The parameters k and φ m can be determined from the experimental data by curve fitting analysis. η r = 1 + 2.5 φ + k φ φ φ m φ 2
Power-law model [21]The Power-law model for non-Newtonian fluids is one of the most common viscosity models used in hydraulic analysis. This model states that shear stress requires shearing a fluid at a given rate. τ = K u y n ,
where τ—shear stress, Pa; K is flow density coefficient, Pa·s; u / y —shear rate gradient along the axis perpendicular to the shear plane, s−1; n—dimensionless indicator of medium behavior
Second-order model [22]A second-order fluid is a fluid in which the stress tensor is the sum of all tensors that can be formed from the velocity field with up to two derivatives, much as a Newtonian fluid is formed from derivatives up to the first order. This model can be obtained from a retarded motion expansion truncated at the second order. σ i j = p δ i j + η 0 A i j ( 1 ) + α 1 A k j ( 1 ) + α A i j ( 2 ) ,
where p δ i j —indeterminate spherical stress due to the constraint of incompressibility; A i j ( n ) n-th Rivlin–Ericksen tensor; η 0 —zero-shear viscosity; α 1 , α 2 —constants that are related to the zero shear normal stress coefficients
Carreau model [23]A Carreau fluid in physics is a type of generalized Newtonian fluid in which viscosity depends on the shear rate. At a high shear rate, which depends on the power index and the infinite shear rate viscosity, a Carreau fluid behaves as a Newtonian fluid again with viscosity μ i n f . μ e f f γ = μ i n f + ( μ 0 μ i n f ) 1 + λ γ 2 n 1 2
where µ0—viscosity at a zero-shear rate (Pa·s);
µinf—viscosity at infinite shear rate (Pa·s);
λ —characteristic time (s); n—power index
Cross model [24]A Cross fluid is a type of generalized Newtonian fluid whose viscosity depends on the shear rate. The zero-shear viscosity is approached at very low shear rates, whereas the infinite shear viscosity is approached at very high shear rates. μ e f f ( γ ) = μ + μ 0 μ 1 + ( k γ ) n ,
where μ 0 ,   μ , k, n are coefficients
Cross-WLF model [25]The Cross-WLF viscosity model describes the temperature, shear rate, and pressure dependency of the viscosity for thermoplastic materials. η = η 0 1 + η 0 γ τ * 1 n
where   η 0 zero   shear   viscosity   or   the   Newtonian   limit   in   which   the   viscosity   approaches   a   constant   at   very   low   shear   rates ;   τ * —critical stress level at the transition to shear thinning, determined by curve fitting; n—power law index in the high shear rate regime, determined by curve fitting
Table 2. Temperatures characterizing the melting process of polymers in a binder.
Table 2. Temperatures characterizing the melting process of polymers in a binder.
Temperature Value, °CThe Type of Polymer
in the Binder
WaxPPPOM
Melting process start temperature TM147123116
Temperature of the maximum melting intensity TM266151166
Melting process start temperature TM386166188
Table 3. Coefficients of Doremus Equation (3) for the viscosity–temperature dependence of the feedstock with the wax–polyolefin binder.
Table 3. Coefficients of Doremus Equation (3) for the viscosity–temperature dependence of the feedstock with the wax–polyolefin binder.
Coefficient A G S , (Pa·s)/K A L T E L T , J/mol A H T E H T , J/mol
Value0.106105.719 × 1055.83 × 10−33.799 × 104
Disclaimer/Publisher’s Note: The statements, opinions and data contained in all publications are solely those of the individual author(s) and contributor(s) and not of MDPI and/or the editor(s). MDPI and/or the editor(s) disclaim responsibility for any injury to people or property resulting from any ideas, methods, instructions or products referred to in the content.

Share and Cite

MDPI and ACS Style

Muranov, A.N.; Lysenko, V.R.; Kocharov, M.A. Rheological Behavior Features of Feedstocks with a Two-Component Wax–Polyolefin Binder Compared to Analogs Based on Polyoxymethylene. J. Compos. Sci. 2024, 8, 199. https://doi.org/10.3390/jcs8060199

AMA Style

Muranov AN, Lysenko VR, Kocharov MA. Rheological Behavior Features of Feedstocks with a Two-Component Wax–Polyolefin Binder Compared to Analogs Based on Polyoxymethylene. Journal of Composites Science. 2024; 8(6):199. https://doi.org/10.3390/jcs8060199

Chicago/Turabian Style

Muranov, Alexander N., Viktor R. Lysenko, and Maxim A. Kocharov. 2024. "Rheological Behavior Features of Feedstocks with a Two-Component Wax–Polyolefin Binder Compared to Analogs Based on Polyoxymethylene" Journal of Composites Science 8, no. 6: 199. https://doi.org/10.3390/jcs8060199

APA Style

Muranov, A. N., Lysenko, V. R., & Kocharov, M. A. (2024). Rheological Behavior Features of Feedstocks with a Two-Component Wax–Polyolefin Binder Compared to Analogs Based on Polyoxymethylene. Journal of Composites Science, 8(6), 199. https://doi.org/10.3390/jcs8060199

Article Metrics

Back to TopTop