Response Analysis of RC Bridges with Different Deck Slabs to Seismic Motions with Forward Directivity and Fling Step
Abstract
1. Introduction
2. Bridge Modeling
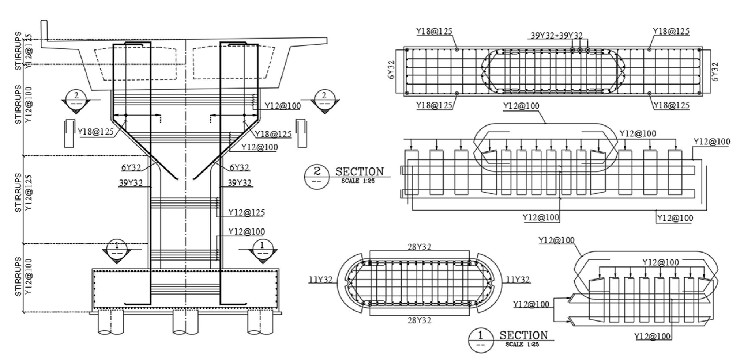
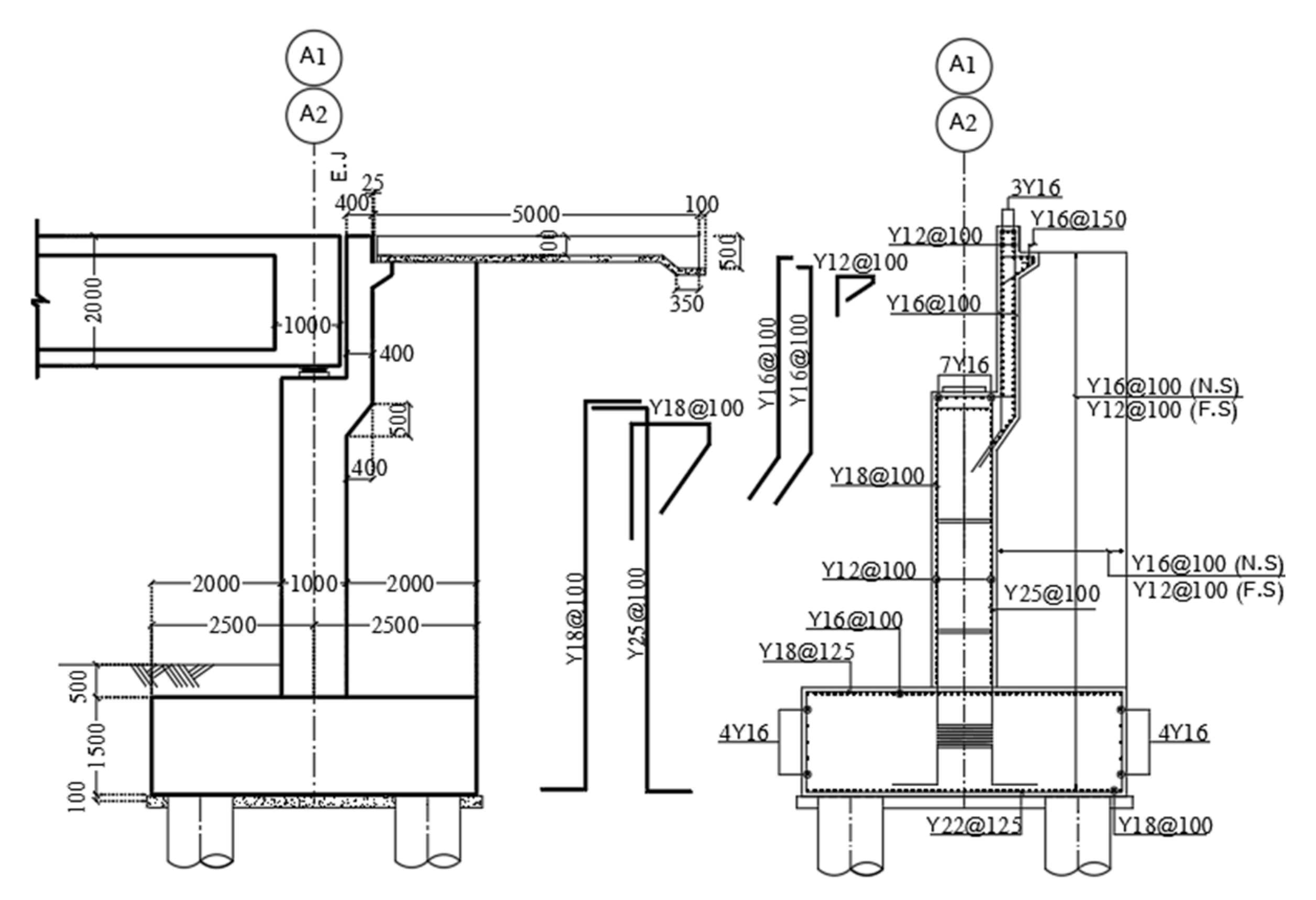
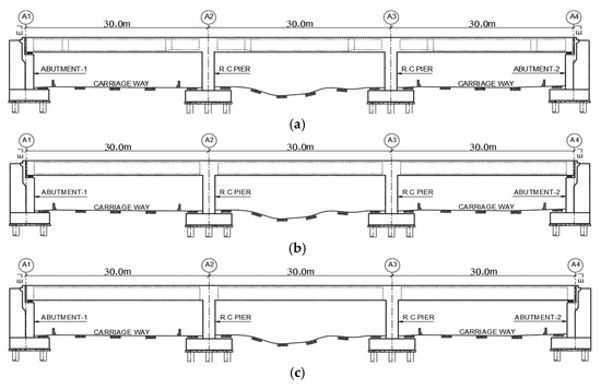
2.1. Bridge Design and Configurations
2.2. Finite Element Modeling
2.3. Modeling of Bridge Elements
3. Material Properties
3.1. Concrete and Steel Properties
3.2. Elastomeric Bearings
4. Earthquake Records
5. Model Verification
5.1. Static Verification
5.2. Dynamic Validation
6. Results and Discussions
6.1. Column’s Response
6.2. Deck’s Response
7. Conclusions
Author Contributions
Funding
Data Availability Statement
Conflicts of Interest
References
- Kawashima, K. Damage of bridges resulting from fault rupture in the 1999 Kocaeli and Duzce, Turkey earthquakes and the 1999 Chi-Chi, Taiwan earthquake. Struct. Eng./Earthq. Eng. 2002, 19, 179. [Google Scholar]
- Bray, J.D.; Rodriguez-Marek, A. Characterization of forward-directivity ground motions in the near-fault region. Soil Dyn. Earthq. Eng. 2004, 24, 815–828. [Google Scholar] [CrossRef]
- Makris, N.; Black, C.J. Evaluation of peak ground velocity as a good intensity measure for near-source ground motions. J. Eng. Mech. 2004, 130, 1032–1044. [Google Scholar] [CrossRef]
- Adanur, S.; Altunişik, A.C.; Bayraktar, A. Comparison of near-fault and far-fault ground motion effects on geometrically nonlinear earthquake behavior of suspension bridges. Nat. Hazards 2012, 64, 593–614. [Google Scholar] [CrossRef]
- Nettis, A.; Di Mucci, V.M.; Ruggieri, S.; Uva, G. Seismic fragility and risk assessment of isolated bridges subjected to pre-existing ground displacements. Soil Dyn. Earthq. Eng. 2025, 194, 109335. [Google Scholar] [CrossRef]
- Yadav, K.K.; Gupta, V.K. Near-fault fling-step ground motions: Characteristics and simulation. Soil Dyn. Earthq. Eng. 2017, 101, 90–104. [Google Scholar] [CrossRef]
- Mahmoud, S.; Alqarni, A.; Saliba, J.; Ibrahim, A.H.; Genidy, M.; Diab, H. Influence of floor system on seismic behavior of RC buildings to forward directivity and fling-step in the near-fault region. Structures 2021, 30, 2803–2817. [Google Scholar] [CrossRef]
- Gorai, S.; Maity, D. Seismic response of concrete gravity dams under near-field and far-field ground motions. Eng. Struct. 2019, 196, 109292. [Google Scholar] [CrossRef]
- Park, S.W.; Ghasemi, H.J.P.W.; Shen, J.; Somerville, P.G.; Yen, W.P.; Yashinsky, M. Simulation of the seismic performance of the Bolu Viaduct subjected to near-fault ground motions. Earthq. Eng. Struct. Dyn. 2004, 33, 1249–1270. [Google Scholar] [CrossRef]
- Shen, J.; Tsai, M.H.; Chang, K.C.; Lee, G.C. Performance of a seismically isolated bridge under near-fault earthquake ground motions. J. Struct. Eng. 2004, 130, 861–868. [Google Scholar] [CrossRef]
- Wang, J.; Zou, X.; Yan, X.; Li, S. Integrated analysis model for the seismic responses of cable-stayed bridges near active faults. J. Earthq. Tsunami 2015, 9, 1550002. [Google Scholar] [CrossRef]
- Pan, Y.; Shi, S.; Chang, Z.; Hu, S. Quantitative study on amplification effect of base isolated structures subjected to near-fault pulse-like ground motions. China Civ. Eng. J. 2018, 51, 8–16. [Google Scholar]
- Ma, H.; Zhuo, W.; Gu, Y. Displacement response analysis of regular highway girder bridges under near-fault pulse-type ground motions. Chin. J. Highw. Transp. 2017, 30, 139–149. [Google Scholar]
- Liao, W.I.; Loh, C.H.; Wan, S.; Jean, W.Y.; Chai, J.F. Dynamic responses of bridges subjected to near-fault ground motions. J. Chin. Inst. Eng. 2000, 23, 455–464. [Google Scholar] [CrossRef]
- Liao, W.I.; Loh, C.H.; Lee, B.H. Comparison of dynamic response of isolated and non-isolated continuous girder bridges subjected to near-fault ground motions. Eng. Struct. 2004, 26, 2173–2183. [Google Scholar] [CrossRef]
- Jónsson, M.H.; Bessason, B.; Haflidason, E. Earthquake response of a base-isolated bridge subjected to strong near-fault ground motion. Soil Dyn. Earthq. Eng. 2010, 30, 447–455. [Google Scholar] [CrossRef]
- Brown, A.; Saiidi, M.S. Investigation of effect of near-fault motions on substandard bridge structures. Earthq. Eng. Eng. Vib. 2011, 10, 1–11. [Google Scholar] [CrossRef]
- Jalali, R.S.; Jokandan, M.S.; Trifunac, M.D. Earthquake response of a three-span simply supported bridge to near-field pulse and permanent-displacement step. Soil Dyn. Earthq. Eng. 2012, 43, 380–397. [Google Scholar] [CrossRef]
- Yasrebi, L.; Ghafory-Ashtiany, M. Inelastic response of a long-span bridge under asynchronous near-field pulse-like and far-field excitations. J. Seism. Earthq. Eng. 2014, 16, 111–128. [Google Scholar]
- Mosleh, A.; Razzaghi, M.S.; Jara, J.; Varum, H. Seismic fragility analysis of typical pre-1990 bridges due to near- and far-field ground motions. Int. J. Adv. Struct. Eng. 2016, 8, 1–9. [Google Scholar] [CrossRef]
- Chen, X.; Xiang, N.L.; Li, J.Z.; Guan, Z.G. Influence of near-fault pulse-like motion characteristics on seismic performance of tall pier bridges with fragility analysis. J. Earthq. Eng. 2022, 26, 2001–2022. [Google Scholar] [CrossRef]
- Li, J.; Xu, L.H. Seismic response characteristics and whiplash effect mechanism of continuous rigid-frame bridges subjected to near-fault ground motions. Bull. Earthq. Eng. 2023, 21, 3719–3744. [Google Scholar] [CrossRef]
- Zheng, S.X.; Shi, X.H.; Jia, H.Y.; Zhao, C.H.; Qu, H.L.; Shi, X.L. Seismic response analysis of long-span and asymmetrical suspension bridges subjected to near-fault ground motion. Eng. Fail. Anal. 2020, 115, 104615. [Google Scholar] [CrossRef]
- Xin, L.; Li, X.; Zhang, Z.; Zhao, L. Seismic behavior of long-span concrete-filled steel tubular arch bridge subjected to near-fault fling-step motions. Eng. Struct. 2019, 180, 148–159. [Google Scholar] [CrossRef]
- Bi, K.; Hao, H.; Ren, W.X. Seismic response of a concrete-filled steel tubular arch bridge to spatially varying ground motions including local site effect. Adv. Struct. Eng. 2013, 16, 1799–1817. [Google Scholar] [CrossRef]
- Zhang, D.Y.; Li, X.; Yan, W.M.; Xie, W.C.; Pandey, M.D. Stochastic seismic analysis of a concrete-filled steel tubular (CFST) arch bridge under tri-directional multiple excitations. Eng. Struct. 2013, 52, 355–371. [Google Scholar] [CrossRef]
- Li, X.; Zhang, D.Y.; Yan, W.M.; Xie, W.C.; Pandey, M.D. Effects of model updating on the estimation of stochastic seismic response of a concrete-filled steel tubular arch bridge. Struct. Infrastruct. Eng. 2014, 10, 1620–1637. [Google Scholar] [CrossRef]
- Zelaschi, C.; Monteiro, R.; Casarotti, C.; Pinho, R. Fragility functions for reinforced concrete bridges exposed to near-fault ground motions. Innov. Infrastruct. Solut. 2018, 3, 58. [Google Scholar] [CrossRef]
- Formisano, A.; Fabbrocino, F.; Verderame, G.M.; Manfredi, G. Seismic assessment methods for existing RC bridges: Analytical procedures and sensitivity analysis. COMPDYN Proc. ECCOMAS Themat. Conf. 2015, 3438, 900–910. [Google Scholar] [CrossRef]
- Choi, E.; Jeong, S. Framework for performance-based seismic assessment of reinforced concrete bridges. J. Infrastruct. Syst. 2021, 27, 04021036. [Google Scholar] [CrossRef]
- Computers and Structures, Inc. CSiBridge: Integrated 3D Bridge Analysis, Design and Rating Software, Version 26.0.0; Computers and Structures, Inc.: Berkeley, CA, USA, 2024; Available online: https://www.csiamerica.com/ (accessed on 10 July 2025).
- Egyptian Code of Practice. ECP 2012—Egyptian Code for Calculating Loads and Forces in Structural Work and Masonry, ECP-201; Housing and Building National Research Centre: Cairo, Egypt, 2012. [Google Scholar]
- Forcellini, D.; Mitoulis, S.A. Effect of deterioration on critical infrastructure resilience—Framework and application on bridges. Results Eng. 2024, 25, 103834. [Google Scholar] [CrossRef]
- Kianoush, M.R.; Ghaemmaghami, A.R. The effect of earthquake frequency content on the seismic behavior of concrete rectangular liquid tanks using the finite element method incorporating soil–structure interaction. Eng. Struct. 2011, 33, 2186–2200. [Google Scholar] [CrossRef]
- Zheng, G.; Zhang, W.; Forcellini, D.; Zhou, H.; Zhao, J. Dynamic centrifuge modeling on the superstructure–pile system considering pile–pile-cap connections in dry sandy soils. Soil Dyn. Earthq. Eng. 2024, 187, 108979. [Google Scholar] [CrossRef]
- Bagheri, M.; Ranjbar Malidarreh, N.; Ghaseminejad, V.; Asgari, A. Seismic resilience assessment of RC superstructures on long–short combined piled-raft foundations: 3D SSI modeling with pounding effects. Structures 2025, 81, 110176. [Google Scholar] [CrossRef]
- Akbarzadeh, M.R.; Jahangiri, V.; Naeim, B.; Asgari, A. Advanced computational framework for fragility analysis of elevated steel tanks using hybrid and ensemble machine-learning techniques. Structures 2025, 81, 110205. [Google Scholar] [CrossRef]
- Kalkan, E.; Kunnath, S.K. Effects of fling-step and forward directivity on seismic response of buildings. Earthq. Spectra 2006, 22, 367–390. [Google Scholar] [CrossRef]
- Elsokkary, H. Nonlinear behaviour of FRP-retrofitted RC coupled shear walls. Structures 2022, 47, 324. [Google Scholar] [CrossRef]
- Fang, C.; Zhong, Q.; Wang, W.; Hu, S.; Qiu, C. Peak and residual responses of steel moment-resisting and braced frames under pulse-like near-fault earthquakes. Eng. Struct. 2018, 177, 579–597. [Google Scholar] [CrossRef]
- Loh, C.H.; Wan, S.; Liao, W.I. Effects of hysteretic model on seismic demands: Consideration of near-fault ground motions. Struct. Des. Tall Spec. Build. 2002, 11, 155–169. [Google Scholar] [CrossRef]




















| Seismic Event (Documentation) | Position | PGA (g) | PGV (cm/sec) | PGD (cm) | PGA/PGV | ||
|---|---|---|---|---|---|---|---|
| Cape Mendocino | Petrolia-90 | 0.66 | 88.5 | 33.2 | 0.75 | 7.0 | 25 |
| Erzincan-EW | Pacoima Dam 279 | 0.50 | 78.12 | 28.02 | 0.64 | 6.7 | 20 |
| Tabas | Ferdows | 0.87 | 123.3 | 93.57 | 0.71 | 7.3 | 32 |
| Loma Prieta | LGPC-00 | 0.57 | 96.05 | 41.92 | 0.59 | 6.9 | 25 |
| Loma Prieta | Lexdam-00 | 0.41 | 95.73 | 30.27 | 0.43 | 6.9 | 15 |
| Northridge | Rinaldi-275 | 0.87 | 147.92 | 41.86 | 0.59 | 6.7 | 15 |
| Northridge | Oliveview-360 | 0.84 | 129.31 | 32.11 | 0.65 | 6.7 | 15 |
| Seismic Event (Documentation) | Position | PGA (g) | PGV (cm/sec) | PGD (cm) | PGA/PGV | ||
|---|---|---|---|---|---|---|---|
| Chi-Chi NS | TCU-052 | 0.45 | 172.24 | 226.5 | 0.26 | 7.6 | 90 |
| Chi-Chi EW | TCU-052 | 0.36 | 151.13 | 210.3 | 0.24 | 7.6 | 90 |
| Chi-Chi EW | TCU-065 | 0.79 | 125.28 | 108.7 | 0.63 | 7.6 | 90 |
| Chi-Chi EW | TCU-068 | 0.51 | 248.50 | 297.0 | 0.21 | 7.6 | 90 |
| Chi-Chi NS | TCU-068 | 0.37 | 263.96 | 421.0 | 0.14 | 7.6 | 90 |
| Chi-Chi EW | TCU-074 | 0.59 | 70.33 | 21.31 | 0.84 | 7.6 | 90 |
| Chi-Chi NS | TCU-084 | 0.43 | 48.07 | 20.44 | 0.89 | 7.6 | 90 |
| Parameter | Forward-Directivity Records | Fling-Step Records |
|---|---|---|
| PGA (g) | 0.125 ± 0.18 | 0.125 ± 0.20 |
| PGV (cm/s) | 72.5 ± 0.22 | 85.4 ± 0.25 |
| PGA/PGV Ratio | 0.0017 ± 0.15 | 0.0015 ± 0.18 |
| Mode | 3D FEM Frequency (Hz) | Grillage Model Frequency (Hz) | Difference (%) | Mode Participation Factor (%) |
|---|---|---|---|---|
| 1st | 2.45 | 2.4 | 2.0 | 68.5 |
| 2nd | 3.88 | 3.81 | 1.8 | 22.4 |
| 3rd | 5.72 | 5.6 | 2.1 | 9.1 |
Disclaimer/Publisher’s Note: The statements, opinions and data contained in all publications are solely those of the individual author(s) and contributor(s) and not of MDPI and/or the editor(s). MDPI and/or the editor(s) disclaim responsibility for any injury to people or property resulting from any ideas, methods, instructions or products referred to in the content. |
© 2025 by the authors. Licensee MDPI, Basel, Switzerland. This article is an open access article distributed under the terms and conditions of the Creative Commons Attribution (CC BY) license (https://creativecommons.org/licenses/by/4.0/).
Share and Cite
El-Wafa, M.A.; Mahmoud, S.; Soliman, A.; Genidy, M.; Abdullah, W. Response Analysis of RC Bridges with Different Deck Slabs to Seismic Motions with Forward Directivity and Fling Step. Infrastructures 2025, 10, 305. https://doi.org/10.3390/infrastructures10110305
El-Wafa MA, Mahmoud S, Soliman A, Genidy M, Abdullah W. Response Analysis of RC Bridges with Different Deck Slabs to Seismic Motions with Forward Directivity and Fling Step. Infrastructures. 2025; 10(11):305. https://doi.org/10.3390/infrastructures10110305
Chicago/Turabian StyleEl-Wafa, Mahmoud Abo, Sayed Mahmoud, Ahmed Soliman, Magdy Genidy, and Waleed Abdullah. 2025. "Response Analysis of RC Bridges with Different Deck Slabs to Seismic Motions with Forward Directivity and Fling Step" Infrastructures 10, no. 11: 305. https://doi.org/10.3390/infrastructures10110305
APA StyleEl-Wafa, M. A., Mahmoud, S., Soliman, A., Genidy, M., & Abdullah, W. (2025). Response Analysis of RC Bridges with Different Deck Slabs to Seismic Motions with Forward Directivity and Fling Step. Infrastructures, 10(11), 305. https://doi.org/10.3390/infrastructures10110305

