Next Article in Journal
Phytochemical Profile and Antioxidant Properties of Italian Green Tea, a New High Quality Niche Product
Next Article in Special Issue
Phenotyping Brown Rot Susceptibility in Stone Fruit: A Literature Review with Emphasis on Peach
Previous Article in Journal
Effect of Spaceflight on Tomato Seed Quality and Biochemical Characteristics of Mature Plants
Previous Article in Special Issue
Adaptive Management Lessons for Serianthes nelsonii Conservation
 
 
Font Type:
Arial Georgia Verdana
Font Size:
Aa Aa Aa
Line Spacing:
Column Width:
Background:
Article

Setting Up a Lab-Scale Pilot Plant to Study the New Growing System (NGS®) for Leafy Vegetable and Culinary Herb Growth

1
Department of Agricultural, Forest and Food Sciences, DISAFA, Vegetable Crops & Medicinal and Aromatic Plants, VEGMAP, University of Turin, UNITO, Via Leonardo da Vinci, 44-Largo Paolo Braccini, (TO), Grugliasco, 10095 Torino, Italy
2
Department of Agronomy, Faculty of Agriculture, Azarbaijan Shahid Madani University, Tabriz 53714-161, Iran
*
Author to whom correspondence should be addressed.
Horticulturae 2021, 7(5), 90; https://doi.org/10.3390/horticulturae7050090
Submission received: 10 April 2021 / Revised: 19 April 2021 / Accepted: 23 April 2021 / Published: 27 April 2021
(This article belongs to the Special Issue Feature Papers in Horticulturae Ⅱ)

Abstract

New cultural techniques have been developed to improve the yield and raw material quality at harvest, and enhance the postharvest shelf life, by standardizing the growing system. Among the different Soilless Cultivation Systems, the New Growing System (NGS®) is a closed-recirculating system that was designed for open fields and protected cultivations. The aim of this work was to investigate the structural setting of the system and its functioning to harness the full potentiality of NGS®. A lab-scale pilot plant (LSPP) was designed with NGS® technology and the technical aspects have been set up to have a standardized and reproducible growing system. The trials were conducted on growing mature-leaf vegetable species; that is, on both head and multi-leaf vegetables, and on culinary herbs at high plant densities. Positive yield results were found for culinary herbs and leafy vegetables. Mints showed high yields for the two re-growths carried out after the first harvest. The LSPP can also be used in a series of reliable experiments and enable researches to test several species, substrates, hydroponic nutrient solutions, and fertigation scheduling.

1. Introduction

In crop production, soilless culture systems (SCS) encompass all systems that include plant cultivation in which the supply of water and minerals is carried out by means of a hydroponic nutrient solution (HNS), with or without a growing medium [1]. SCS have been introduced for protected crops for many reasons, including the necessity of: (a) avoiding soil usage to reduce several drawbacks (e.g., soil exhaustion, soil-borne diseases, secondary salinization, crop rotation); (b) improving the control of growth conditions (e.g., temperature and aeration of the root zone, water and nutrient distribution); (c) reducing the amount of labor needed [2,3]. SCS have been developed to increase yield and guarantee year-round availability, as well as to enhance the food quality, while assuring safety and extending the shelf life of the product. Several research areas have been developed regarding innovative SCS technologies based on the nutrient film technique (NFT). The mobile gully system (MGS), a highly automated NFT system developed by Hortiplan N.V. (Sint-Katelijne-Waver, Antwerp, Belgium) and the New Growing System (NGS®) developed by New Growing System S.L. (Pulpí, Almería, Spain), a modified NFT system, are two examples of innovative SCS technologies.
NGS® (patent no. 2.221.636/7) is a patented recirculating system that was designed for open field cultivation and introduced in several countries for a total commercial area estimated as ≈100 ha in 2005 [4]. No track record of updates on the number of acreages has been found ever since. NGS® was first designed as a fixed system for open-field lettuce cultures in arid and semiarid areas, with the primary objective of rationalizing the use of water for horticulture production (www.ngsystem.com (accessed on 3 Februray 2021)) (Figure 1a). The system was later developed for use under cover and with a mobile system to automate operations and exploit high plant density. Owing to its differently constructed parts, NGS® can be adapted for smallholding farms (Figure 1b) or large advanced farms (Figure 1c).
Because of its closed-recirculating system, NGS® allows the input control (e.g., water, fertilizers, chemicals, farm labor) at each moment of the cycle, as well as drainage reuse and wastage reduction [5]. In NGS®, plant roots grow homogeneously in a multilevel system, avoiding the obstruction of the HNS flow, and promoting root aeration [4] (Figure 2a).
The multilevel system is made of a multi-channel film to favor the HNS flow as well as root growth and extension. The upper channel has lateral cuts designed to conduct the HNS to the lower layer when the root mass of the plants is obstructing the channel and to create small cascades, thus favoring HNS oxygenation. Multi-channel cuts on the inside direct the growing roots into the lower layer, thus avoiding a “bunged” effect of the HNS. The HNS flows into the channel in drip lines reaching to the end of the line by pressure and gravity of the multi-channel trough inside, which has a uniform slope (2%). The particular structure of the internal NGS® channel improves plant root oxygenation even when the channels are long. After watering and feeding the crop rooting system, all the drained HNS is collected in a drainage tank or cistern (Figure 2b).
NGS® achieves high planting densities and several growing cycles per year [6]. Furthermore, planting and harvesting operations can be carried out simultaneously in the fully automated system. The automation of the system can be managed according to the configuration of the space in the open field or greenhouse and the multiple sets of growing lines.
Like all the other SCS that do not have overhead irrigation and fertigation systems, NGS® reduces microbial contamination and avoids the presence of soil and chemical residues on plants, thus allowing softer washing procedures and sanitation processes, which in turn results in less stress for the leaf tissues [6,7]. Although NGS® has been used commercially for several years, there is a lack of NGS® literature on plant growth and standardization of the system in greenhouses, productivity, use of water, oxygen and nutrients, as well as on the biochemical composition of the raw material at harvest. Some smallholding farms have adapted the system to the local conditions (Contini, M., personal information), but the few experiments conducted using the NGS® are related to cultivation in the arid area of the Almería province (Spain) only and not with the specific purpose of studying the system [4,5,6]. Therefore, detailed investigations are needed to offer the growers technical information on NGS® management, to obtain Good Agricultural Practices, input utilization for single species and local vegetable crops, and to explore the eventual drawbacks of the system.
Having previously established and tested a lab-scale pilot plant (LSPP) in two greenhouses with another SCS, the floating growing system [8], a second LSPP was designed and built in order to have a representative and reliable experimental system. The LSPP based on NGS® was fully designed and then developed, equipped, and used for experimental purposes. NGS®-LSPP is the first experimental system based on the NGS® technology to be used in a systematic approach and adapted to research needs. The LSPP design and setting were achieved by investigating and studying each structural part of the system and its functioning to harness its full potentiality, in terms of yield, resource use and economic efficiencies. After the evaluations performed on the NGS®, the LSPP was designed as a scaled version of a commercial greenhouse growing system and the technical aspects were improved and standardized. The sizing of the LSPP was studied to cope with the necessity of both obtaining a reliable amount of data and assuring the scientific accuracy of each trial, to enhance and implement each trial progressively.
The LSPP is located in a typical continental climate region, the Po Valley in the North of Italy, where several thousands of hectares of leafy vegetables are used to produce raw material for the fresh vegetable market and fresh-cut industry. The LSPP will thus serve as a reference for the region and will be transferable to other growing conditions, such as in commercial scale or for other species. Consequently, NGS® could be explored in non-arid regions or those with a continental climate for water saving purposes. Having sound experimental facilities allows several environmental factors that affect plant growth to be investigated. This can be achieved by equipping the LSPP to test individual factors at the lab-scale and later on at the industrial scale. The efficiency of the NGS®-LSPP implementation was tested on growing mature-leaf vegetable species; that is, both head and multi-leaf vegetables, and on culinary herbs.

2. Materials and Methods

2.1. Design of the NGS®-LSPP

2.1.1. Greenhouse Setting

The NGS® pilot plant was set up in a protected environment in the Experimental Center of the Department of Agricultural, Forest and Food Sciences (DISAFA) (44°53′11.67′′ N; 7°41′7.00′′ E-231 m a.s.l.) in Tetti Frati, Carmagnola (TO), Italy. The greenhouse available in the center used for the setting of the LSPP is equipped with automatically controlled heating systems and pipelines that homogeneously distribute hot air, thus avoiding the formation of a temperature gradient. The greenhouse is equipped with an automatically controlled opening system to provide ventilation. During the warm seasons, the greenhouse is covered with non-movable black shading systems, with a 50%-shade cloth. The greenhouse is equipped with water distribution systems, which allow the HNS to be prepared directly in the same place where the experiments are carried out. A plastic greenhouse, equipped with an automatically controlled overhead irrigation system, is available and used as a nursery for the following trials in the LSPP. The nursery plastic greenhouse area is ≈210 m2 and contains four benches for a total bench area of ≈65 m2. The greenhouse in which the NGS® has been installed has an internal area of ≈160 m2.

2.1.2. Mobile System and Frame

The NGS® was installed by fastening five steel bars (0.15 m wide × 0.05 m high × 7.00 m long) to the concrete floor, perpendicular to the greenhouse entrances (Figure 3a).
A steel rail (0.018 m outer diameter) was welded onto each steel bar to hold transversal supports. Each steel rail holds six 1-m wide transversal supports, for a total of 30 transversal supports in the greenhouse. The transversal supports were mounted onto wheels. The first transversal support of the row of each steel rail was fixed to allow the plastic drainage pipes to be anchored (see the Section 2.1.4) and the clutter to be reduced. The remaining five transversal supports can be moved laterally for 1 m by hand (Figure 3a, letter A). The possibility of moving the transversal support favors the passage and work of the employees between the growing lines. All the transversal supports are packed during plant growth to save space in the greenhouse and only a lateral corridor is viable on the peripheral sides. The top of the transversal support is an iron bar that has been shaped to fasten the steel frames necessary to hold the multi-channel film. Each transversal support has four perpendicular steel frames, for a total of 24 steel frames (Figure 3b). Each of the 24 lines is 12 m long, for a total length of ≈288 m (Figure 3c).

2.1.3. Multi-Channel Film and Drainage Funnel

The frame set up in the LSPP is 0.14 m wide and holds a multi-channel polyethylene film, which is white on the outside to reflect the light and black on the inside to avoid algae growth (Figure 3d). The multi-channel film is clamped to the metal frame structure with plastic clips (Figure 3d, letter A). The multi-channel film, given by the producer with a life span of three to five years, is 0.20 m wide; that is, 0.06 m wider than the frame to avoid the base surface covering the frame from being stretched too much. The multi-channel film used has three interconnected layers (Figure 2a, left drawing). The base of the upper layer has holes every 0.10 m, which were obtained from a cross cutting of 0.055 m × 0.055 m. The holes are suitable for holding transplants grown in peat pressed cubes or transplant plugs, the two types of transplants mainly used in the system, depending on the species and season.
At the end of each of the 24 lines (Figure 3e), plastic drainage funnels, elbows and plastic drainage pipes were fixed to direct the drainage of HNS into plastic gutters (Figure 3e, letter A).
Other elbows have been fixed to the end of the drainage pipes to avoid accidental movements of the system and the HNS from flowing into the wrong gutter (Figure 3e, letter B). A plastic film (white on the upper side and black of the lower side) was used to cover the drainage funnels, the drainage pipes and the gutters to reduce the heating effect and prevent both evaporation and algae formation (Figure 3e, letter C).

2.1.4. Gutter and Closed-Recirculating System

Four oval open plastic gutters (0.12 m wide × 0.08 m high × 7.00 m long) were installed on a mobile support to collect the HNS flowing from the six lines (Figure 3e, letter D). The setting was planned for experimental purposes to be able to test four levels of each treatment at the same time replicated in three blocks and randomly assigned at the beginning of each experiment. The HNS drainage flows from each gutter into a plastic funnel, a pipe and an elbow (Figure 3e, letter E) and then to a 12-m long connecting plastic drainage pipe anchored to the fixed transversal support (Figure 3e, letter F). The connecting drainage pipe ends up in a 160-L volume plastic drainage tank (0.52 m × 0.74 m upper and 0.47 m × 0.69 m lower sides, respectively, 0.46 m high) (Figure 3f). Each drainage tank can contain one of the four possible levels. The drainage tanks are also covered by the same type of plastic film used to cover the drainage funnels, the drainage pipes and the gutters. Each drainage tank is equipped with a nylon net mash filter to block peat, roots, and organic matter that could be ripped away by the HNS flow. The net filter use is the result of the need to avoid potential damage to the submersible pump contained in each tank (QSB-JH-25027, 230 V/50 Hz; Techtop Industries, Inc., Alpharetta, GA, USA). Each submersible pump is connected to six lines by a hosepipe to homogeneously convey the HNS into the system (Figure 3g). The hosepipes all have the same length to avoid differences in the HNS flow timing in the LSPP. Two ball valves were placed on each pump to better standardize the HNS flow and regulate the pressure: one at the bottom of the pump to regulate the HNS amount discharged into the tank, and the other at the top of the pump to regulate the HNS amount pumped into the system. All of the pumps can be scheduled intermittently by a control unit, according to the crop requirements. This distribution system is fixed to the frame by means of steel pipe clamps. Tap valves were placed between the hosepipes and the multi-channel films. A 0.10 m Cristal tube was fixed after the valve to correctly direct the HNS into the NGS® lines (Figure 3h). The valves can be regulated, according to the experimental needs, to distribute a specific amount of HNS per minute along each line. The HNS flow volume is recorded by flow meters placed after each pump and before each drainage tank. When the system is off, each drainage tank contains ≈ 100 L of HNS, which is necessary to keep the pump submerged.
Each drainage tank has been equipped with a floating sensor to detect the level of HNS in the tank. The sensor sends a signal to the reservoir tank, which indicates the necessity of refilling the HSN consumed by the plants with new HNS. The new HNS enters into the four drainage tanks via hosepipes from four 100-L stainless steel cylindrical reservoirs (0.74 m high and 0.41 m o.d.). A graduated vessel, made of a Cristal tube, is positioned outside each reservoir and is connected to the inside; this indicates the level of HNS. The decision to position the graduated vessel outside each reservoir was made to: (a) avoid the use of a floating indicator in the reservoir; (b) easily control the HNS level in the reservoir without the need to use steps or stairs; (c) avoid opening the reservoir cover, thus, preventing both evaporation and algae formation.
The LSPP has been set up to exploit gravity to create a closed-recirculating system: the slope of the lines, of the gutters and the connecting drainage pipes has been set to 1%. The reservoirs are positioned at a height of ≈1.30 m from the ground to fill the drainage tanks by gravity. Pumps are only used at the beginning of the closed-recirculating system to move the HNS from the drainage tanks into the NGS® lines. This set up has been created to favor the economic efficiency and the sustainability of the system in terms of energy consumption. Additional reservoirs are available in the greenhouse and can also be set up and connected to the pre-installed reservoirs to allow a greater amount of new HNS, particularly in warm periods. The tanks and reservoirs contain submerged pumps to stir the HNS at a scheduled frequency and intensity, thus avoiding salt deposition and favoring aeration. All of the pumps can work at the same time.
It is known that the oxygen concentration in the HNS is a limiting factor for plant growth and it can cause hypoxia or even anoxia [4,9,10]. The cascades originating from the multi-channel film, the intermittent flow of the HNS, the stirring effect of the pumps in the tanks and in the reservoirs have been set up to help oxygenate the plant roots that are hanging in the air. HNS oxygenation allows plant root health to be maintained and enhances plant quality while obtaining high yields [11]. The design of the LSPP unit and flow is presented in Figure 4.

2.1.5. Measurements

Several measurements can be carried out during LSPP utilization to monitor and control its functioning as well as the growth conditions. Temperature and relative humidity can be measured constantly: data loggers for air and HNS temperatures and air relative humidity recordings were later added to the system to continuously monitor and record air and HNS temperatures and the water temperature in each drainage tank of the HNS (Misol DS102 thermo-hygrometer; Fine Offset Electronics Co., Ltd., Shenzhen, China and Elitech RC-4 thermometer, Elitech Inc., Milpitas, CA, USA). The photosynthetic photon flux (PPF) can be measured on the top of the NGS® lines using a data logger (LI-1000 DataLogger; LI-COR, Inc., Lincoln, NE, USA) equipped with a sensor (Quantum sensor LI-190SA; LI-COR, Inc., Lincoln, NE, USA). The pH, electrical conductivity (EC), and temperature can be measured in the HNS by means of a Waterproof CyberScan PC 650 (Eutech Instruments Pte Ltd., Singapore), equipped with a submersible pH electrode (ECFC7252203B) and an EC/temperature probe (CONSEN9203J). In our experiments, the pH of the HNS was monitored continuously to be kept close to 5.5, while the EC was kept between 2000 and 2500 µS·cm−1 using an acidic or basic solution to neutralize the salts, thus, avoiding immobilization or precipitation of the salts themselves, and increasing their availability for plants [12,13].The acid and basic solution are added in the drainage tanks when in their steady state. The oxygen content dissolved in the HNS can be measured by means of an oximeter (YSI 550A; YSI, Inc., Yellow Springs, OH, USA). The prepared HNS volume that is added to the reservoirs is recorded during the growing cycle (Figure 5), as well as all the daily activities.

2.2. Plant Growth

The HNS composition and concentration used in the experiments were defined on the basis of the results obtained by the Vegetable Crops & Medicinal and Aromatic Plants-VEGMAP research group [8,10,14,15]. The HNS was prepared by dissolving salts (purity > 98%) in tap water with a known salt composition. The tap water has an EC of 440 µS·cm−1, with a pH of 7.5 and 24 °f of hardness. Elements present in the tap water were considered in preparing the HNS. The HNS was composed of: 6N-2P-6K, 2 Mg, and 2.5 Ca (all in mmol·L−1), with a ratio of 40/60 N-NO3-/N-NH4+. The high ammonium level is used in winter to keep low nitrate accumulation in plants, while in summer crops the ratio is reverted. Microelements, Oligogreen (0.03 g L−1) and Kelagreen Fe (0.03 g L−1) (Green Has Italia S.p.a., Canale d’Alba (CN), Italy), were added to the HNS. In order to test the pilot plant for the future plant growth experiments, the following species were investigated to verify the suitability of LSPP to grow mature-leaf vegetable species; that is, both head and multi-leaf vegetables, and culinary herbs: lettuce (Lactuca sativa L.) ‘Lozano’, Salanova® ‘Aquino’, Salanova® ‘Seurat’, Salanova® ‘Expertise’, ‘Tourbillon’; basil (Ocimum basilicum L.) ‘Superbo’; red spearmint (Mentha spicata L. var. rubra); Casablanca mint (Mentha spicata L. var. viridis); black peppermint (Mentha × piperita L. var. officinalis forma rubescens Camus).
The lettuces and basil were sown in peat press cubes and grown in a local nursery (Azienda Agricola Vivaistica Ricca Sebastiano, Carignano (TO), Italy) until the transplanting date. The peat cubes were prepared using a specific commercial peat-based horticultural medium (Brill 5; Gebr. Brill Substrate GmbH & Co. KG, Georgsdorf, Niedersachsen, Germany) and were 0.033 m × 0.033 m × 0.033 m. All of the mint species were propagated from cuttings from mother plants in 60-cell Styrofoam trays and then transplanted into pots (0.072 m × 0.072 m upper and 0.055 m × 0.055 m lower sides, respectively, 0.074 m high or 0.062 m × 0.062 m upper and 0.047 m × 0.047 m lower sides, respectively, 0.068 m high) using the Neuhaus Huminsubstrat N17 peat-based horticultural medium. Plantlets of mint species were grown in the nursery plastic greenhouse of the Experimental Center until the transplanting date. The plants were overhead irrigated for 1 min twice a day each day during growth, until transplanting. When the plants reached a suitable growth stage, which depended on the species, they were moved into the LSPP and planted at 0.20 m (lettuce) or 0.10 m apart (other species), depending on the species, reaching respectively a plant density of 20 or 40 plants per m2. The total number of plants used per experiment outlined in the three blocks was: ≈120 plants of ‘Lozano’ lettuce and of basil; ≈70 plants of red spearmint, of Casablanca mint, and of peppermint; ≈50 plants of ‘Tourbillon’ lettuce; ≈25 plants of ‘Aquino’ lettuce and of ‘Seurat’ lettuce; ≈10 plants of ‘Expertise’ lettuce. The various species were cultivated in LSPP in different seasons from February to July and adopting different harvesting practices, ranging from one-cut to regrowth (Figure 5). The Lozano and Tourbillon cultivar of lettuces were periodically harvested and sampled to measure the growth parameters until head maturity. The Aquino, Seurat, and Expertise cultivars of lettuces were sampled at harvest and then removed from the NGS®. The basil crop was allowed to regrow after the first canopy harvest to compare the one-harvest strategy with the two-harvest strategy, in terms of system efficiency. The three species of mint were allowed to regrow twice, thus leading to a total of three canopy harvests.
Harvesting took place when the plants reached the proper growth stage, depending on the species. The harvesting and raw material handling followed standard procedures throughout the trials to obtain replicable and comparable experiments, and timing efficiency of the sampling procedures in order to validate the pilot plant system. The tools used for harvesting were sanitized before use, and the crew took particular care of their hand sanitation, their personal clothes and their hygiene. Harvesting was conducted early in the morning to avoid the hottest hours of the day. Fresh mass production was obtained by harvesting all the raw materials produced in the LSPP. After harvest, the raw materials were immediately used for biometric determination. The leaf fresh weight (LFW) per plant was computed and the yield was measured. After drying at 60 °C to a constant weight, dry matter (DM) was calculated.

2.3. Statistical Design

The LSPP was set up to deal with three blocks per experiment. The blocks were planned according to the amount of light exposure due to the greenhouse orientation. The greenhouse is East-West-oriented and the blocks are on the Northside, center, and Southside, respectively. Each block includes eight lines, which allow up to eight possible treatments. Each line can accommodate 120 plants, if they are planted 0.10 m apart (e.g., basil, mint in the first experimental trials carried out) or 60, if they are planted 0.20 m apart (e.g., lettuce). The maximum number of plants that can be transplanted in the LSPP is ≈2880.

3. Results and Discussion

Moving from soil to soilless culture systems can increase water use efficiency, particularly in closed-loop systems with a recirculating water/nutrient solution that recollects the drain water for reuse [16,17]. A number of researches have reported that soilless culture systems (SCS) allow control of growth factors and clean leaf production, easing and shortening postharvest handling in process industries [18,19,20]. The most common hydroponic systems used for leafy crop production are NFT and DFT systems (DFT = Deep Flow Techniques, also called Floating Systems) [8,21,22,23,24], but little information is present in the literature about NGS® for leafy crop production. For these reasons, the structural setting, the technical features, and the functioning of NGS® were studied. The main advantages of the NFT systems are the absence of the growth substrate and the reuse of drainage [25], which allows water and fertilizer savings between 50% and 80%, compared to conventional cultivation systems (http://ngsystem.com/news (accessed on 15 January 2021)). In light of this, the use of NGS® avoids the negative impacts on the surrounding ecosystems as well as the contamination of groundwater used by humans [26]. An additional benefit is the great potential for automation to save on labour costs (planting and harvesting) and the opportunity to manage the optimal plant density during the crop cycle. NGS®, being a similar system to NFT, allows input control and improves the earliness of the crops; in addition, it can be used in a series of reliable experiments and enables researches to test several species, substrates, hydroponic nutrient solutions, and fertigation scheduling.
Plants of the Asteraceae and Lamiaceae families were used in this research to evaluate the efficiency of NGS®. Indeed, green vegetables like lettuce and herbs are well suited to hydroponic systems as they have low to medium nutritional requirements [27]. Positive plant growth results have been found in the NGS® system in terms of leaf fresh weight (LFW), leaf daily growth (LDG), yield, and dry matter (DM) (Table 1). Lettuce ‘Lozano’ showed high yields for the two re-growths carried out after the first sampling (35.62 g). In particular, the plant fresh weight was 42.89 g and 57.35 g at the second and at the third sampling, respectively. These data are in line with the leaf daily growth and yield per square meter. The dry matter content of lettuce was 6.36 g at the first sampling, 8.11 g at the second sampling and 7.62 g at the third sampling. In addition, Tourbillon lettuce at the second sampling exhibited higher leaf fresh weight (53.93 g). High values of dry matter of lettuce were confirmed by Selma and coauthors [6] who compared green and red lettuce grown in an open field in NGS® and in soil. Specifically, the authors found that, apart from a genotype influence on the quality parameters, NGS® led to better quality and safety than soil production.
The cultivation of mint in the NGS® system has been accomplished with the purpose of assaying an alternative cropping system to the traditional common agronomic practice for growing pepper mint in the region of the Experimental Center. The common practice is based on the production of mint in soil, with typically two harvests per year, one in early summer and one in late summer (Nicola et al., 2004). Mint plants grown in the NGS® system were harvested three times during the experimental period (Table 1), with the measured parameters differing in behavior between the harvests. The Red spearmint first harvest occurred after 42 days of growth, the second harvest occurred after 27 days of regrowth and the third harvest occurred 37 days after the second regrowth. Red spearmint leaf fresh weight, yield and dry matter increased over the regrowth, with values at the third harvest of 29.73 g/plant, 1189.39 g m−2 and 18.99%, respectively. A different behavior was observed in Casablanca mint plants. More specifically, the fresh weight increased at the second harvest (35.24 g/plant) and then decreased (24.46 g/plant) at the third harvest. Conversely, dry matter content increased over regrowth: 18.10% at the first harvest, 18.31% at the second harvest and 18.89% at the third harvest. The greatest yield was obtained in the second growth, but with the same LDG as the third growth. The fresh weight of Peppermint leaf increased at the second harvest (19.95 g/plant) compared to the biomass collected at the first harvest (17.05 g/plant). At the end of the experiment, a decrease in the leaf fresh weight was evident (11.62 g/plant). Pepper mint yield followed the same trend, with values of 681.85 gm−2, 797.85 gm−2 and 464 gm−2 at the first, second and at the third harvests, respectively. Basil was allowed to regrow only once, leading to two harvests. The species is not adapted to continue regrowth in soilless culture due to risks of Peronospora sp. attacks. The results showed that at the first harvest the yield was 639.33 g m−2 and at the second it was 519.2 g m−2, and the dry matter was 10.93% and 10.57%, respectively. In a paper by Walters and Currey [28], the authors quantified the productivity and characterized growth of basil cultivars grown in two hydroponic production systems. Thirty-five basil cultivars were chosen and grown into NFT or DFT systems for 3 weeks. The authors showed that there was no interaction between basil cultivars and hydroponic production systems, and the yield of basil was affected more by cultivar selection than hydroponic production system.
The higher oxygenation due to the particular structure of the internal NGS® channel is useful to increase the plant productivity. In this respect, Urrestarazu and coauthors [4] studied the oxygenation aspects of NGS® in tomato, cucumber and sweet pepper plants. The results showed that NGS® ensured better growing conditions compared to NFT.
Unfortunately, owing to the lack of information available in the literature on the biometric parameters of species grown in NGS®, an extensive comparison of the results obtained in the preliminary experiment with those of other experiments on NGS® was not possible. However, it is pivotal to point out that hydroponic production systems should be chosen based not only on plant yield but also on factors such as usability and input requirements.

4. Conclusions

NGS® technology is an innovative and versatile SCS that is suitable for growing plants as it promotes root aeration and prevents HNS-flow obstruction. Owing to the lack of literature and guidelines on NGS®, an LSPP based on NGS® technology was set up in a greenhouse in a mild continental climate to obtain a standardized, homogeneous, and representative experimental system. The LSPP was designed, set up and implemented to exploit the potentiality of the NGS® technology to reach technical and system improvements. The LSPP allows multiple treatments and replicates to be conducted to perform reliable statistical design and data analyses. The functioning of the LSPP was evaluated on both leafy vegetables and culinary herbs through preliminary quantitative analyses. The LSPP installed in the Experimental Center, because of its lab-scale size, could provide the basis for detailed investigations on the tested species and the research could then be extended to other species and agronomic factors. Future research will allow study of the system in detail, analyzing the potential advantages and drawbacks for using it for commercial purposes.

Author Contributions

Conceptualization, S.N.; methodology, G.P., M.C. and S.N.; validation, G.P. and S.H.; formal analysis, G.P. and M.C.; investigation, G.P., M.C. and S.H.; resources, S.N.; data curation, G.P., S.H. and A.E.; writing—original draft preparation, G.P., M.C., S.H. and S.N.; writing—review and editing, A.E. and S.N.; visualization, A.E.; supervision, S.N.; project administration, S.N. All authors have read and agreed to the published version of the manuscript.

Funding

This research received no external funding.

Institutional Review Board Statement

Not applicable.

Informed Consent Statement

Not applicable.

Acknowledgments

We would like to thank New Growing System S.L. (www.ngsystem.com (accessed on 15 April 2021)) and Momenta Sharing Knowledge (www.momenta.it (accessed on 10 March 2020)) for their technical advice. Our thanks are also due to Francesco Vidotto and to Fernando De Palo for the technical input concerning the automation system.

Conflicts of Interest

The authors declare no conflict of interest.

References

  1. Pignata, G.; Casale, M.; Nicola, S.; Gaino, W. Nutrient supply in horticultural crops grown in soilless culture: Resource efficiency in dynamic and intensive systems. In Advances in Research on Fertilization Management of Vegetable Crops; Tei, F., Nicola, S., Benincasa, P., Eds.; Springer International Publishing: Cham, Switzerland, 2017; pp. 183–219. ISBN 978-3-319-53626-2. [Google Scholar]
  2. Scuderi, D.; Restuccia, C.; Chisari, M.; Barbagallo, R.N.; Caggia, C.; Giuffrida, F. Salinity of nutrient solution influences the shelf-life of fresh-cut lettuce grown in floating system. Postharvest Biol. Technol. 2011, 59, 132–137. [Google Scholar] [CrossRef]
  3. Cecatto, A.P.; Calvete, E.O.; Nienow, A.A.; da Costa, R.C.; Mendonça, H.F.C.; Pazzinato, A.C. Culture systems in the production and quality of strawberry cultivars. Acta Sci. Agron. 2013, 35, 471–478. [Google Scholar] [CrossRef]
  4. Urrestarazu, M.; Mazuela, P.C.; Boukhalfa, A.; Arán, A.; Salas, M.D.C. Oxygen content and its diurnal variation in a new recirculanting water soilless culture for horticultural crops. HortScience 2005, 40, 1729–1730. [Google Scholar] [CrossRef]
  5. Iglesias, M.J.; López, J.G.; Collados Luján, J.F.; Ortiz, F.L.; Pereznieto, H.B.; Toresano, F.; Camacho, F. Effect of genetic and phenotypic factors on the composition of commercial marmande type tomatoes studied through HRMAS NMR spectroscopy. Food Chem. 2014, 142, 1–11. [Google Scholar] [CrossRef] [PubMed]
  6. Selma, M.V.; Luna, M.C.; Martínez-Sánchez, A.; Tudela, J.A.; Beltrán, D.; Baixauli, C.; Gil, M.I. Sensory quality, bioactive constituents and microbiological quality of green and red fresh-cut lettuces (Lactuca sativa L.) are influenced by soil and soilless agricultural production systems. Postharvest Biol. Technol. 2012, 63, 16–24. [Google Scholar] [CrossRef]
  7. Nicola, S.; Pignata, G.; Tibaldi, G. The floating growing system can assure a low microbial contamination of baby leaf vegetables at harvest. Acta Hortic. 2018, 57–64. [Google Scholar] [CrossRef]
  8. Nicola, S.; Pignata, G.; Casale, M.; Lo Turco, P.E.; Gaino, W. Overview of a lab-scale pilot plant for studying baby leaf vegetables grown in soilless culture. Hortic. J. 2016, 85. [Google Scholar] [CrossRef]
  9. Niñirola, D.; Egea-Gilabert, C.; Martínez, J.A.; Conesa, E.; Gutiérrez, L.; Fernández, J.A. Efecto de la aireación de la solución nutritiva sobre el crecimiento y la calidad de canónigos cultivados en bandejas flotantes. ACTAS Hortic. 2011, 58, 94–97. [Google Scholar]
  10. Nicola, S.; Egea-Gilabert, C.; Niñirola, D.; Conesa, E.; Pignata, G.; Fontana, E.; Fernández, J.A. Nitrogen and aeration levels of the nutrient solution in soilless cultivation systems as important growing conditions affecting inherent quality of baby leaf vegetables: A review. Acta Hortic. 2015, 1099, 167–178. [Google Scholar] [CrossRef]
  11. Marfà, O.; Cáceres, R.; Guri, S. Oxyfertigation: A new technique for soilless culture under mediterranean conditions. Acta Hortic. 2005, 697, 65–72. [Google Scholar] [CrossRef]
  12. De Rijck, G.; Schrevens, E. Comparison of the mineral composition of twelve standard nutrient solutions. J. Plant Nutr. 1998, 21, 2115–2125. [Google Scholar] [CrossRef]
  13. Amiri, M.; Sattary, N. Mineral precipitation in solution culture. Acta Hortic. 2004, 644, 469–471. [Google Scholar] [CrossRef]
  14. Fontana, E.; Nicola, S. Producing garden cress (Lepidium sativum L.) for the fresh-cut chain using a soilless culture system. J. Hortic. Sci. Biotechnol. 2008, 83, 23–32. [Google Scholar] [CrossRef]
  15. Pignata, G.; Niñirola, D.; Casale, M.; Lo Turco, P.E.; Egea-Gilabert, C.; Fernández, J.A.; Nicola, S. Inherent quality and safety of watercress grown in a floating system using. Bacillus Subtilis. Hortic. J. 2016, 85, 148–153. [Google Scholar] [CrossRef]
  16. Putra, P.A.; Yuliando, H. Soilless culture system to support water use efficiency and product quality: A review. Agric. Agric. Sci. Procedia 2015, 3, 283–288. [Google Scholar] [CrossRef]
  17. Van Ruijven, J.; van Os, E.; Beerling, E.; Blok, C.; Janse, J. Towards zero-liquid discharge in hydroponic cultivation. Acta Hortic. 2019, 1242, 863–871. [Google Scholar] [CrossRef]
  18. Nicola, S.; Hoeberechts, J.; Fontana, E. Comparison between traditional and soilless culture systems to produce rocket (Eruca sativa) with low nitrate content. Acta Hortic. 2005, 697, 549–555. [Google Scholar] [CrossRef]
  19. Savvas, D.; Gruda, N. Application of soilless culture technologies in the modern greenhouse industry—A review. Eur. J. Hortic. Sci. 2018, 83, 280–293. [Google Scholar] [CrossRef]
  20. Tzortzakis, N.; Nicola, S.; Savvas, D.; Voogt, W. Editorial: Soilless cultivation through an intensive crop production scheme. management strategies, challenges and future directions. Front. Plant. Sci. 2020, 11, 10–12. [Google Scholar] [CrossRef]
  21. Jensen, M.H. Deep flow hydroponics: Past present and future. Proc. Natl. Agric. Plast. Congr. 2002, 30, 40–46. [Google Scholar]
  22. Morgan, L. Fresh Culinary Herb Production: A Technical Guide to the Hydroponic and Organic Production of Commercial Fresh Gourmet Herb Crops, 8th ed.; John Wiley & Sons: Milton, Australia, 2005; ISBN 0473081075 9780473081072. [Google Scholar]
  23. Fenneman, D.; Sweat, M.; Hochmuth, G.; Hochmuth, R. Production systems—Florida greenhouse vegetable production handbook, vol 3 1 lay-flat bag and nursery popular media choices for lay-flat. Univ. Fla. Inst. Food Agric. Sci. Ext. 2012, 3, 1–8. [Google Scholar]
  24. Hochmuth, R.; Cantliffe, D. Alternative greenhouse crops Florida greenhouse production handbook. Univ. Fla. Inst. Food Agric. Sci. Ext. 2014, 3. [Google Scholar]
  25. Maucieri, C.; Nicoletto, C.; van Os, E.; Anseeuw, D.; van Havermaet, R.; Junge, R. Hydroponic Technologies. In Aquaponics Food Production Systems: Combined Aquaculture and Hydroponic Production Technologies for the Future; Goddek, S., Joyce, A., Kotzen, B., Burnell, G.M., Eds.; Springer International Publishing: Cham, Switzerland, 2019; pp. 77–110. ISBN 978-3-030-15943-6. [Google Scholar]
  26. Kumar, R.R.; Cho, J.Y. Reuse of hydroponic waste solution. Environ. Sci. Pollut. Res. 2014, 21, 9569–9577. [Google Scholar] [CrossRef] [PubMed]
  27. Diver, S.; National Centre of Appropriate Technology, Department of Agriculture’s Rural Bussiness Cooperative Service. Aquaponic-Integration Hydroponic with Aquaculture. 2006. Available online: https://citeseerx.ist.psu.edu/viewdoc/download?doi=10.1.1.174.541&rep=rep1&type=pdf (accessed on 15 April 2021).
  28. Walters, K.J.; Currey, C.J. Hydroponic greenhouse basil production: Comparing systems and cultivars. HortTechnology 2015, 25, 645–650. [Google Scholar] [CrossRef]
Figure 1. (a): View of the New Growing System (NGS®) used commercially in open fields in Pulpí, Almería, Spain. (b): NGS® adopted on a smallholding farm. (c): View of a fully automated and mobile NGS® adopted on a large farm.
Figure 1. (a): View of the New Growing System (NGS®) used commercially in open fields in Pulpí, Almería, Spain. (b): NGS® adopted on a smallholding farm. (c): View of a fully automated and mobile NGS® adopted on a large farm.
Horticulturae 07 00090 g001
Figure 2. (a): View of the multi-channel film that is used to create separate channels for the flow of the hydroponic nutrient solution (HNS) and root development. Two channels are created for short crop cycle species, such as lettuce (left), while three channels are created for long cycle crop species, such as tomato, to allow root growth expansion (right). (b): View of the NGS® drainage collection system (courtesy of www.ngsystem.com (accessed on 5 September 2020)).
Figure 2. (a): View of the multi-channel film that is used to create separate channels for the flow of the hydroponic nutrient solution (HNS) and root development. Two channels are created for short crop cycle species, such as lettuce (left), while three channels are created for long cycle crop species, such as tomato, to allow root growth expansion (right). (b): View of the NGS® drainage collection system (courtesy of www.ngsystem.com (accessed on 5 September 2020)).
Horticulturae 07 00090 g002
Figure 3. (a): View of the NGS® mobile supporting elements; (A) steel rail which allows lateral movement of the transversal support. (b): Details of the frame fixed to the transversal support. (c): View of the 24 NGS® lines under preparation. (d): View of the 24 NGS® lines equipped with the multi-channel film; (A) plastic clips used to fix the multi-channel film to the frame. (e): Drainage collection system of the 24 NGS® lines: (A) plastic drainage funnel, elbow and plastic drainage pipe that collect the HNS from the line; (B) elbow that directs the HNS drained to the gutter; (C) plastic film used to reduce the heating effect and prevent both evaporation and algae formation; (D) gutter that collects the HNS drained from six pre-assigned lines; (E) funnel, pipe and elbow that collect the HNS drained from the gutter; (F) plastic drainage connection pipe that returns the HNS drained to the drainage tank. (f): View of the four drainage tanks, each of which receives the HNS drained from six lines. (g): View of the hosepipes that convey the HNS to the NGS® lines. (h): Details of the HNS distribution system attached to the multi-channel film.
Figure 3. (a): View of the NGS® mobile supporting elements; (A) steel rail which allows lateral movement of the transversal support. (b): Details of the frame fixed to the transversal support. (c): View of the 24 NGS® lines under preparation. (d): View of the 24 NGS® lines equipped with the multi-channel film; (A) plastic clips used to fix the multi-channel film to the frame. (e): Drainage collection system of the 24 NGS® lines: (A) plastic drainage funnel, elbow and plastic drainage pipe that collect the HNS from the line; (B) elbow that directs the HNS drained to the gutter; (C) plastic film used to reduce the heating effect and prevent both evaporation and algae formation; (D) gutter that collects the HNS drained from six pre-assigned lines; (E) funnel, pipe and elbow that collect the HNS drained from the gutter; (F) plastic drainage connection pipe that returns the HNS drained to the drainage tank. (f): View of the four drainage tanks, each of which receives the HNS drained from six lines. (g): View of the hosepipes that convey the HNS to the NGS® lines. (h): Details of the HNS distribution system attached to the multi-channel film.
Horticulturae 07 00090 g003
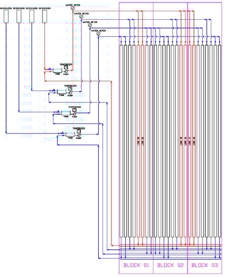
Figure 4. Scheme of the lab-scale pilot plant (LSPP). The blue circuit refers to the HNS flow. The red path represents a single treatment; the specific path was chosen randomly for representation purposes. The blue rectangles are the gutters. The black rectangles are the NGS® lines.
Figure 4. Scheme of the lab-scale pilot plant (LSPP). The blue circuit refers to the HNS flow. The red path represents a single treatment; the specific path was chosen randomly for representation purposes. The blue rectangles are the gutters. The black rectangles are the NGS® lines.
Horticulturae 07 00090 g004
Figure 5. Growing cycle of the leafy vegetables and culinary herbs tested during the experimental period. The bars with black diagonal lines indicate the nursery stage. The bars with blue squares indicate the NGS® growing cycle-I harvest. The bars with green points indicate the NGS® growing cycle-II harvest, regrowth (RG). The bar with red vertical lines indicates the NGS® growing cycle-III harvest, RG. The grey line represents the HNS flow per plant added to the system during the growing period (HNS mL/plant, indicated by the axis in the right).
Figure 5. Growing cycle of the leafy vegetables and culinary herbs tested during the experimental period. The bars with black diagonal lines indicate the nursery stage. The bars with blue squares indicate the NGS® growing cycle-I harvest. The bars with green points indicate the NGS® growing cycle-II harvest, regrowth (RG). The bar with red vertical lines indicates the NGS® growing cycle-III harvest, RG. The grey line represents the HNS flow per plant added to the system during the growing period (HNS mL/plant, indicated by the axis in the right).
Horticulturae 07 00090 g005
Table 1. Distance between plants in the multi-channel (PD M-C), growth duration (GD) leaf fresh weight (LFW) per plant, leaf daily growth (LDG), yield per square meter, dry matter (DM) in the leafy vegetables and culinary herbs grown in the New Growing System (NGS®) using the lab-scale pilot plant. The LFW, Yield and DM of the lettuce ‘Lozano’-I sampling; red spearmint-II harvest, regrowth; Casablanca mint-II harvest, regrowth are the means of ≈60 plants ± standard error (SE). The LFW, Yield and DM of the lettuce ‘Lozano’-II sampling and III sampling are the means of ≈30 plants ± SE. The LFW, Yield and DM of basil-I harvest are the means of ≈120 plants ± SE. The LFW, Yield and DM of basil-II harvest, regrowth are the means of ≈100 plants ± SE. The LFW, Yield and DM of red spearmint-I harvest and III harvest, regrowth; Casablanca mint-I harvest and III harvest, regrowth; peppermint-The LFW, Yield and DM of peppermint-III harvest, regrowth are the means of ≈50 plants ± SE. The LFW, Yield and DM of the lettuces: ‘Aquino’-‘Seurat’ and ‘Tourbillon’-I sampling and II sampling are the means of 25 plants ± SE. The LFW, Yield and DM of the lettuce ‘Expertise’ are the means of 10 plants ± SE. Seeds provided by: z Rijk Zwaan; y Sais Sementi.
Table 1. Distance between plants in the multi-channel (PD M-C), growth duration (GD) leaf fresh weight (LFW) per plant, leaf daily growth (LDG), yield per square meter, dry matter (DM) in the leafy vegetables and culinary herbs grown in the New Growing System (NGS®) using the lab-scale pilot plant. The LFW, Yield and DM of the lettuce ‘Lozano’-I sampling; red spearmint-II harvest, regrowth; Casablanca mint-II harvest, regrowth are the means of ≈60 plants ± standard error (SE). The LFW, Yield and DM of the lettuce ‘Lozano’-II sampling and III sampling are the means of ≈30 plants ± SE. The LFW, Yield and DM of basil-I harvest are the means of ≈120 plants ± SE. The LFW, Yield and DM of basil-II harvest, regrowth are the means of ≈100 plants ± SE. The LFW, Yield and DM of red spearmint-I harvest and III harvest, regrowth; Casablanca mint-I harvest and III harvest, regrowth; peppermint-The LFW, Yield and DM of peppermint-III harvest, regrowth are the means of ≈50 plants ± SE. The LFW, Yield and DM of the lettuces: ‘Aquino’-‘Seurat’ and ‘Tourbillon’-I sampling and II sampling are the means of 25 plants ± SE. The LFW, Yield and DM of the lettuce ‘Expertise’ are the means of 10 plants ± SE. Seeds provided by: z Rijk Zwaan; y Sais Sementi.
SpeciesPD M-CGDLFWLDGYieldDM
(m)(days)(g/plant)(g/plant/d)(g m−2)(%)
Lettuce ‘Lozano’ z-I sampling0.204235.62±1.610.72±0.04712.49±32.166.36±0.26
Lettuce ‘Lozano’ z-II sampling0.204842.89±2.010.79±0.04857.74±40.148.11±0.18
Lettuce ‘Lozano’ z-III sampling0.205557.35±2.410.95±0.061147.03±48.277.62±0.10
Basil y-I harvest0.104815.98±0.390.31±0.01639.33±15.5710.93±0.21
Basil y-II harvest, regrowth0.104113.00±0.330.29±0.01519.85±13.3310.57±0.14
Red spearmint-I harvest0.104221.30±2.370.39±0.06852.12±94.9417.30±0.56
Red spearmint-II harvest, regrowth0.103734.77±2.200.80±0.061390.97±87.9016.26±0.90
Red spearmint-III harvest, regrowth0.102729.73±6.540.92±0.241189.39±261.5218.99±1.32
Casablanca mint-I harvest0.103715.61±2.110.29±0.06624.25±84.4018.10±0.43
Casablanca mint-II harvest, regrowth0.104635.24±1.600.66±0.031409.79±63.8218.31±1.17
Casablanca mint-III harvest, regrowth0.103024.46±2.830.65±0.09978.46±113.0018.89±0.28
Peppermint-I harvest0.104917.05±1.470.25±0.03681.85±58.7917.09±0.59
Peppermint-II harvest, regrowth0.104319.95±0.910.35±0.02797.85±36.3917.92±0.67
Peppermint-III harvest, regrowth0.103011.62±2.460.22±0.08464.99±98.5722.96±1.46
Lettuces ‘Aquino’ z-‘Seurat’ z0.202456.42±2.042.14±0.091128.33±40.827.45±0.45
Lettuce ‘Expertise’ z0.202876.72±7.392.56±0.261534.33±147.746.62±0.13
Lettuce ‘Tourbillon’ z-I sampling0.202853.43±0.731.73±0.031068.53±14.688.17±0.37
Lettuce ‘Tourbillon’ z-II sampling0.203153.93±1.501.58±0.051078.60±29.947.88±0.24
Publisher’s Note: MDPI stays neutral with regard to jurisdictional claims in published maps and institutional affiliations.

Share and Cite

MDPI and ACS Style

Nicola, S.; Pignata, G.; Casale, M.; Hazrati, S.; Ertani, A. Setting Up a Lab-Scale Pilot Plant to Study the New Growing System (NGS®) for Leafy Vegetable and Culinary Herb Growth. Horticulturae 2021, 7, 90. https://doi.org/10.3390/horticulturae7050090

AMA Style

Nicola S, Pignata G, Casale M, Hazrati S, Ertani A. Setting Up a Lab-Scale Pilot Plant to Study the New Growing System (NGS®) for Leafy Vegetable and Culinary Herb Growth. Horticulturae. 2021; 7(5):90. https://doi.org/10.3390/horticulturae7050090

Chicago/Turabian Style

Nicola, Silvana, Giuseppe Pignata, Manuela Casale, Saeid Hazrati, and Andrea Ertani. 2021. "Setting Up a Lab-Scale Pilot Plant to Study the New Growing System (NGS®) for Leafy Vegetable and Culinary Herb Growth" Horticulturae 7, no. 5: 90. https://doi.org/10.3390/horticulturae7050090

APA Style

Nicola, S., Pignata, G., Casale, M., Hazrati, S., & Ertani, A. (2021). Setting Up a Lab-Scale Pilot Plant to Study the New Growing System (NGS®) for Leafy Vegetable and Culinary Herb Growth. Horticulturae, 7(5), 90. https://doi.org/10.3390/horticulturae7050090

Note that from the first issue of 2016, this journal uses article numbers instead of page numbers. See further details here.

Article Metrics

Back to TopTop