Plantwide Control for the Separation of THF-H2O in an Azeotropic Distillation Process
Abstract
1. Introduction
2. Pressure-Swing Azeotropic Distillation Plant for Dehydrating Tetrahydrofuran
Plantwide Control
- 1.
- Top-down analysis:
- Definition of operational objectives: determine operational constraints and recognize a scalar cost function J to be minimized and constraints.
- Manipulate variables and degrees of freedom: identify dynamic and steady-state degrees of freedom.
- Self-optimization control: select the primary controlled variables ().
- Select the manipulator of throughput: set the production rate.
- 2.
- Bottom-up design:
- Regulatory control layer: the purpose of this layer is to “stabilize” the plant and select “stabilizing” controlled variables ().
- Supervisory control layer: control the primary controlled variables.
- Optimization layer: update the setpoints of the primary controlled variables when disturbances occur.
3. Results and Discussion
- 1.
- Top-Down Analysis
- Operational objectives and restrictions:The objective was to treat the feed rate F0 = 100 lbmol/hr with a mixture of THF and water. The operational objective was to minimize the energetic cost of this feed rate. In the THF dehydration plant, Equation (1) takes the energy of the reboilers and the recovered energy of the condensers in each column:where and are the reboilers’ energy, and and are the condensers’ energy in each distillation column.We needed to add constraints because the optimization problem requires it. So, the constraints werewhere is the composition of THF in the bottom product of stream B1, is the feed rate of the low-pressure distillation column, and is the composition of THF in the bottom product of stream B2.
- Degrees of freedom analysis:We assumed the feed was fixed, so the mode selected was mode 1: given throughput. This corresponded to the standard mode in all the processes.
- (a)
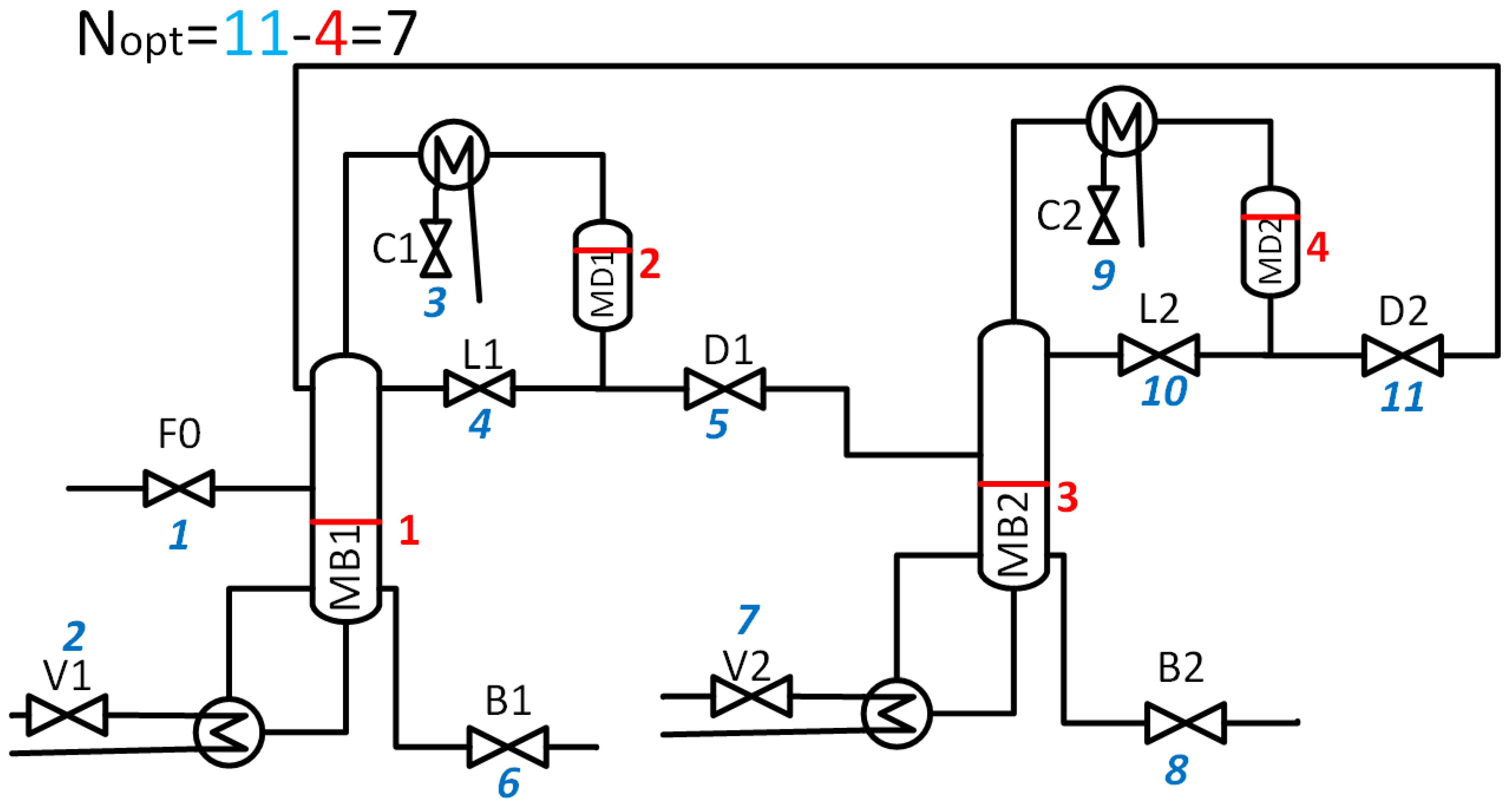
- Identification of the degree of freedom optimization:The dynamic degrees of freedom of the systems wereThe DOFs in the steady state were obtained by suppressing the tank levels of the dynamics DOFs:, and were used by the level controls of , and , respectively; these variables did not affect the cost in the steady state of the plant but were controlled to stabilize the plant. Figure 4 represents the process flowsheet with the DOFs analysis.Figure 4. Process flowsheet with analysis of degrees of freedom in a steady state. The numbers in blue referred to all the DOFs and the red ones to the tank levels.Figure 4. Process flowsheet with analysis of degrees of freedom in a steady state. The numbers in blue referred to all the DOFs and the red ones to the tank levels.
- (b)
- Identify disturbances in the system:We considered the main disturbances in the composition of THF in the feed rate, like (7):
- Self-optimizing control:This step presents the selection of the main variables to control to produce the cost function J.
- (a)
- Optimization:We defined the primary variables of operation, which were the compositions at the bottom of each column. The products were THF and water with a 0.99 molar fraction. We considered the optimization problem from (2)–(4) and substituted to obtain the following:Therefore, we resolved this optimization problem using the process simulator Aspen Plus and its tools. Then, we chose the self-optimizing variables. These variables minimized the function J. We included the valves shown in (6). We subtracted three of them: the feed rate because it was an input variable and the vapor generated by the reboilers. After all, they were included in the cost function, and they were dependent on other variables because they are internal streams. Table 5 shows the optimization results, including the bounds and optimal values.Table 5. Analysis results of self-optimizing variables.
Input Variables Bounds (min/max) Nominal Value Optimal Value Pressure in high-pressure column 110/120 psia 115 psia 120 psia Reflux ratio in high-pressure column 0.2/1.5 1 0.40722 Pressure in low-pressure column 15/25 psia 20 psia 15 psia Reflux ratio in low-pressure column 0.1/1.5 1 0.152835 Then, we used the optimal values for these variables in the simulation, and the optimization resulted in a 30% decrease in energy consumption using (1). The energy value was 6.4 × 106 Btu/hr, and the result after optimization was 4.3 × 106 Btu/hr, i.e., a decrease. The most important operating conditions used in the optimization are summarized in the following Table 6.Table 6. Operational conditions of the distillation columns after the optimization.Low-Pressure Column
(15 psia)High-Pressure Column
(120 psia)Condenser temperature 147.50 °F 280.95 °F Specific heat
of the condenser−1,119,441.74 Btu/hr −719,801 Btu/hr Condenser pressure 15 psia 120 psia Reflux ratio 0.152835 0.40722 Distillation flow rate 70.60 lbmol/hr 41.00 lbmol/hr Bottom flow rate 70.41 lbmol/hr 29.59 lbmol/hr Reboiler temperature 179.48 °F 300.03 °F Reboiler heat 1,132,014.03 Btu/hr 1,069,961.97 Btu/hr Reboiler pressure 17 psia 122 psia The optimized conditions in the main flow rates are shown in Table 7; the main differences were in the pressures and temperatures, except in the feed flow rate because it was the manipulator of the throughput.Table 7. Optimal conditions in the main flow rates.Feed Flow
RateFlow Distillation
D1—LPCFlow Bottom
B1—LPCFlow Distillation
D2—HPCFlow Bottom
B2—HPCTemperature (°F) 90 147.502 179.481 280.952 300.037 Pressure (psia) 70 15 17 120 122 Mass flux (lbmol/hr) 100 70.571 70.408 40.977 29.593 Mass flow rate (lbmol/hr) 3424.28 4298.45 1306.51 2180.53 2117.92 Molar flow composition THF 30 55.962 0.704 26.664 29.297 Water 70 14.609 69.704 14.313 0.296 Molar fraction composition THF 0.3 0.793 0.01 0.650 0.99 Water 0.7 0.207 0.99 0.349 0.01 Other changes that occurred in the optimization were the profile temperatures of both distillation columns; these changes are presented in Table 8. The differences in the profiles of the temperatures were due to the changes in the operational pressures of both columns. In the LPC, the pressure was lower, so the temperatures dropped. In the HPC, the operating pressure was higher, so the temperatures in the trays rose.Table 8. Temperature and pressure after optimization in both columns.Low-Pressure Column High-Pressure Column Stage Temperature (°F) Pressure (psia) Temperature (°F) Pressure (psia) 1 147.502 15 280.952 120 2 148.516 15.2 281.203 120.2 3 149.591 15.4 281.567 120.4 4 150.295 15.6 281.965 120.6 5 151.084 15.8 282.331 120.8 6 152.590 16 282.636 121 7 153.245 16.2 283.494 121.2 8 153.895 16.4 285.812 121.4 9 154.555 16.6 290.616 121.6 10 155.728 16.8 296.260 121.8 11 179.481 17 300.037 122 After the optimization, the primary controlled variables were selected using a loss function. - (b)
- Selection of self-optimizing variables:We realized an evaluation to obtain the self-optimizing variables. In this research, we used the “brute force” approach. This approach needed several dynamics simulations. Then, the optimization helped us to find a better energy consumption and simulation in the steady state, so we exported the simulation to a dynamic state using the simulators Aspen Plus and Aspen Plus Dynamics. Figure 5 shows the behavior of the energy consumption when a disturbance in the THF composition was considered.Figure 5. Behavior of the J function when a composition disturbance was considered.Figure 5 links the energy consumption in the function to the applied disturbance in the THF composition in the feed rate. The quantification of error concerning the energy in the nominal systems was measured in two ways: with Equation (11), or the loss function, and with the ITAE criterion:where is the energy consumption value with the disturbances at the molar fraction of the THF in the feed flow rate without controlling any variable. represents the energy consumption using a variable constant . The control of was necessary, while the others did not require control.Table 9 shows the results for this analysis, where the primary variables controlled were the compositions at the bottom and the pressure in the low-pressure column. The first set maintained the production objective (the quality of products), and the second set maintained the conditions of optimal energy consumption.Table 9. Evaluations of loss and ITAE for candidate variables.
Constant Variable Loss Function ITAE Criterion Feed rate 1575.44 733.73 Pressure in low-pressure column 1214.88 120.55 Pressure in high-pressure column −2634.59 590.16 Reflux ratio in low-pressure column 1575.44 733.72 Reflux ratio in high-pressure column 1575.44 733.72
- Selection of the manipulator of the throughput:By default, in the chemical process, the manipulator of the throughput was collocated in the plant’s feed rate.
- 2.
- Bottom-Up Design
- Regulation level:This section’s main purpose was to maintain the process at acceptable values in the presence of disturbances. We used simple PID controllers. At this point, we needed to make decisions:
- (a)
- Select the secondary controlled variables.
- (b)
- Choose the links between the manipulated and controlled variables, i.e., the closed loops.
First, we controlled the stabilization in the process. The variables that stabilized the process influenced the mass balance. These variables were the levels and pressures.We needed to control the tank level in each distillation column and the pressure in the high-pressure column. Therefore, we controlled the manipulator of the throughput (feedrate) to help maintain the production.In Figure 6, the structure regulation control is shown. It had flow control, four-level control, and one pressure control. The controllers stabilized the plant at the regulatory level.The controller gains used were empiric values from [33]. Subsequently, they were tuned using Ziegler–Nichols methods. Table 10 presents the configuration of the secondary variables.Figure 6. Architecture regulation control for the distillation azeotropic process, where FC represents the feed flow rate control; LC1, LC2, LC3, and LC4 represent the level controls in the reflux and reboiler tanks; and PC2 represents the pressure control in the HPC.Figure 6. Architecture regulation control for the distillation azeotropic process, where FC represents the feed flow rate control; LC1, LC2, LC3, and LC4 represent the level controls in the reflux and reboiler tanks; and PC2 represents the pressure control in the HPC.Table 10. Configuration of secondary variable gains using Ziegler–Nichols tuning.Controlled Variable Manipulated Variable Proportional Gain Integral Gain Controller Action Feed rate Valve V1 0.59 0.87 Inverse Reflux tank level Valve V2 6.57 4.13 Direct Reflux tank level Valve V4 51.74 2.13 Direct Reboiler tank level Valve V3 23.34 4.04 Direct Reboiler tank level Valve V5 6.17 2.53 Direct Pressure in the high-pressure column Heat input in condenser 2 10 Inverse Figure 7 shows the behavior of the level controls when a change in the setpoints was realized. PI controllers were tuned using the Ziegler–Nichols method. The control signal in each subfigure was the valve opening (represented as a percentage).The pressure control in the HPC was regulated using the heat duty condenser. Figure 8 shows the behavior of the pressure control tuned using the Ziegler–Nichols method when we used different setpoints and the control signal behavior.Note that in the regulatory control, we did not mention the pressure control for the LPC because it was a primary controlled variable that affected the operational objective.Figure 7. Level controllers for the regulatory control. PI controls were synchronized using Ziegler–Nichols methods. (a) The reflux tank level control using valve V2. (b) The reflux tank level control using valve V4. (c) The reboiler tank level control using valve V3. (d) The reboiler tank level control using valve V5.Figure 7. Level controllers for the regulatory control. PI controls were synchronized using Ziegler–Nichols methods. (a) The reflux tank level control using valve V2. (b) The reflux tank level control using valve V4. (c) The reboiler tank level control using valve V3. (d) The reboiler tank level control using valve V5.Figure 8. Pressure control for the high-pressure column using the Ziegler–Nichols tuning method. - Supervisory control:
- (a)
- Sensibility analysis:This analysis determined the control architecture of the primary controlled variables. For this study, we used the parametric sensitivity formula from [36] with a little modification:where is the variation in the measured variable and is the variation in the manipulated variable. When the sensitivity index S takes values around one, there is a direct relationship between the changes; close to zero, there is no relationship between the variables; and when it is much higher than one, we have an output that is very sensitive to changes in the input. Table 11 presents the values that resulted from this analysis.With the results reported in Table 11, it could be concluded that the compositions of the bottom products had strong interactions with more than one variable. Therefore, it was decided to implement a MIMO MPC controller to control these primary variables and a PI controller to control the pressure of the low-pressure column (LPC).One of the ways to control the composition is to do it indirectly to avoid the need to measure the composition. Temperature control was performed instead of a composition control. For this indirect control to work correctly, a constant reflux relationship must be maintained in the process [37]. Therefore, it was necessary to regulate the reflux relations, and to do so, the following was undertaken: To keep the reflux ratio (RR) constant, the Aspen Plus Dynamics simulator used a block called Multiply that maintained the relationship between two inputs and one output. The two inputs were the total distillate mass flow rate of the low-pressure column and the RR value of 0.40722, and the output was the reflux mass flow rate of the low-pressure column. The high-pressure column had the same inlets and outlets, but with an RR of 0.152835.Figure 9 shows the process flow diagram incorporating these controllers within the simulator. The controllers used to maintain constant reflux are indicated by RR1 and RR2. This regulation allowed the composition to be controlled indirectly by regulating the temperature in a dish.Once this was done, the manipulated variables were reduced to the following: heat in the reboiler of the low- and high-pressure columns and the specific heat of the condenser of the low-pressure column. The last variable was matched to the pressure of the low-pressure column. In summary, the two primary loops consisted of an SISO control to regulate the pressure of the first column to manipulate the heat in the condenser and an MIMO control to regulate the temperature in a plate for each column to manipulate the heat of the reboilers of both columns. The first primary control loop used a PI controller, while the second was developed using an MIMO MPC. However, we needed to know which tray needed to be controlled.
- (b)
- Temperature control tray selection:The tray control temperature was selected using the criteria described in Luyben [38]. Figure 10 shows the nominal values of the temperatures in the trays of each column in the Figure 10a,b. These profiles were used in each criterion:
- (i)
- Slope criterion: The tray was selected with a significant temperature change from tray to tray. This was the difference between adjacent plates . The Figure 10c,d show this criterion, where we observed the drastic change in the 11th tray in the LP column and a big difference from the 8th to the 9th trays.
- (ii)
- Sensitivity criterion: A tray was selected where the temperature difference was greater when the manipulated variable changes were sought. This change was suggested to be very small (0.1%), for example, in the heat of the reboiler of each column. Figure 11 shows this criterion. Figure 11a shows the sensitivity in the LP column, which resulted in the 11th plate having the most sensitivity. Figure 11b shows the sensitivity in the HP column, showing that the most sensitive was the ninth plate.
- (iii)
- SVD criterion: Singular value decomposition (SVD) analysis was used. A standard SVD program (the MATLAB function) decomposed the gain matrix , with the dimensions determined by the number of trays and manipulated variables, rows, and columns. Figure 12 shows the U matrix; this represents the singular values when the reboiler heat changed at several occasions and measured the temperatures in the trays. The results show that the 11th tray in the LP column and the 9th tray in the HP column were the best options to control.
- (iv)
- Invariant temperature criterion: With the bottom and distillate purities fixed, the composition of the feed was manipulated over an expected range. The dish was selected where the temperature did not change despite the changes.
- (v)
- Minimum product variation criterion: the dish that produced the slightest change in the product purity was chosen, that is, when the purity of the product remained constant, even in the face of disturbances in the feed compositions.
Below, we present the three criteria results, showing that the 11th and 9th plates were chosen to control the temperature in each column.With the previous results, the temperature of the 11th plate was controlled in the LPC, and the temperature of the 9th plate in the HPC. Once the plates were correctly selected, we used the identification method to identify a model. - (c)
- Obtaining an identified model:The identification systems methodology described in Luyben [33] was used to create a state-space model that represented the behaviors of the reboilers and the temperatures of the trays, i.e., the 11th tray in the HP column and the 9th tray in the LP column.First, an experiment to acquire data was designed using a PRBS signal with 6 bits; the amplitudes of the signals was given for the low-pressure column as % Btu/hr, and the high-pressure column as % Btu/hr, with a total duration of 94.5 h. These input signals are shown in Figure 13. Figure 14 shows the temperatures of the selected trays.Using the inputs–output data, we systematically created different models that accurately represented the data’s behavior. We found a robust state-space model using the system identification toolbox in this case. To determine the best model that gave the best estimation of the measured data, we assessed the normalized root-mean-square error (NRMSE) Equation (13) and searched for the maximum FIT; the state-space model is presented in Equation (14), which reached above 95% of FIT. The results are shown in Figure 15.whereWe obtained a 2 × 2 MIMO model, i.e., a model with two inputs and two outputs, as described in Equations (14) and (15). Once the identified model was obtained, we designed an MIMO MPC controller.
- (d)
- Designing the MPC controller:The model represented in Equation (14) predicted the dynamics of the THF dehydration process. The MPC controller was configured and implemented in Simulink/MATLAB 2023a using the Model Predictive Control toolbox. A discrete state-space model was first used to design the controller.The constraints for the manipulated variables were set as two minimum values and two maximum values. The minimum values were the nominal values in a steady state of the heat of the reboilers in each distillation column. In contrast, the amount of heat determined the maximum values that the process supported without generating losses greater than 5 lbmol/hr in the flow of the THF product when various perturbations were applied. Regarding the restrictions of the controlled variables, no limit was set.In the LP column, the heat reboiler constraints were from to Btu/hr, and in the HP column, the constraints in the heat reboiler were from to Btu/hr. The complete plantwide schematic with the regulatory and supervisory controls is presented in Figure 16.
4. Conclusions
Author Contributions
Funding
Data Availability Statement
Acknowledgments
Conflicts of Interest
Abbreviations
| B1 | Bottom flow from LPC |
| B2 | Bottom flow from HPC |
| CV1 | Primary controlled variable |
| CV2 | Secondary controlled variable |
| D1 | Distillate flow rate from LPC |
| D2 | Distillate flow rate from HPC |
| DR2 | Reflux flow rate |
| F0 | Feed valve |
| FC | Feed rate control |
| H2O | Water |
| HPC | High-pressure column |
| J | Objective function |
| Energy consumption function | |
| Optimal energy consumption function with disturbances | |
| K | Gain matrix that represents disturbances |
| Sensitivity matrix | |
| L | Lost function |
| L1 | Reflux valve in LPC |
| L2 | Reflux valve in HPC |
| LPC | Low-pressure column |
| MIMO | Multiple inputs–multiple outputs |
| MPC | Model predictive control |
| MV | Manipulated variable |
| Nm | Number of manipulated variables in the steady state |
| Degrees of freedom in steady state | |
| PC | Pressure control |
| PI | Proportional–integral |
| PRBS | Pseudorandom binary sequence |
| Reboiler heat in LPC | |
| Reboiler heat in HPC | |
| Condenser heat in LPC | |
| Condenser heat in HPC | |
| RR | Reflux ratio |
| Sens. | Sensibility |
| SVD | Singular value decomposition |
| THF | Tetrahydrofuran |
References
- López Núñez, A.R.; Rumbo Morales, J.Y.; Salas Villalobos, A.U.; De La Cruz-Soto, J.; Ortiz Torres, G.; Rodríguez Cerda, J.C.; Calixto-Rodriguez, M.; Brizuela Mendoza, J.A.; Aguilar Molina, Y.; Zatarain Durán, O.A.; et al. Optimization and recovery of a pressure swing adsorption process for the purification and production of bioethanol. Fermentation 2022, 8, 293. [Google Scholar] [CrossRef]
- Rumbo Morales, J.Y.; López López, G.; Alvarado, V.M.; Torres Cantero, C.A.; Azcaray Rivera, H.R. Optimal predictive control for a pressure oscillation adsorption process for producing bioethanol. Comput. Sist. 2019, 23, 1593–1617. [Google Scholar]
- Brizuela-Mendoza, J.A.; Sorcia-Vázquez, F.D.; Rumbo-Morales, J.Y.; Ortiz-Torres, G.; Torres-Cantero, C.A.; Juárez, M.A.; Zatarain, O.; Ramos-Martinez, M.; Sarmiento-Bustos, E.; Rodríguez-Cerda, J.C.; et al. Pressure swing adsorption plant for the recovery and production of biohydrogen: Optimization and control. Processes 2023, 11, 2997. [Google Scholar] [CrossRef]
- Rumbo-Morales, J.Y.; Ortiz-Torres, G.; Sarmiento-Bustos, E.; Rosales, A.M.; Calixto-Rodriguez, M.; Sorcia-Vázquez, F.D.; Pérez-Vidal, A.F.; Rodríguez-Cerda, J.C. Purification and production of bio-ethanol through the control of a pressure swing adsorption plant. Energy 2024, 288, 129853. [Google Scholar] [CrossRef]
- Ortiz-Torres, G.; Rumbo-Morales, J.; Sorcia-Vázquez, F.; Pérez-Vidal, A.; Cruz-Rojas, A.; Brizuela-Mendoza, J.; Oceguera-Contreras, E. Concentration estimation and fault tolerant control in a CSTR modelled as a quasi linear parameter varying system. Rev. Mex. Ingeniería Química 2021, 20, 51–66. [Google Scholar] [CrossRef]
- Buckley, P. Techniques of Process Control; John Wiley: New York, NY, USA, 1964. [Google Scholar]
- Ochoa, S.; Wozny, G.; Repke, J.U. Plantwide Optimizing Control of a continuous bioethanol production process. J. Process. Control 2010, 20, 983–998. [Google Scholar] [CrossRef]
- Luyben, W.L. Tuning proportional-integral-derivative controllers for integrator/deadtime processes. Ind. Eng. Chem. Res. 1996, 35, 3480–3483. [Google Scholar] [CrossRef]
- Larsson, T.; Skogestad, S. Plantwide control—A review and a new design procedure. Model. Identif. Control 2000, 21, 209–240. [Google Scholar] [CrossRef]
- Araújo, A.; Skogestad, S. Control structure design for the ammonia synthesis process. Comput. Chem. Eng. 2008, 32, 2920–2932. [Google Scholar] [CrossRef]
- Gera, V.; Kaistha, N.; Panahi, M.; Skogestad, S. Plantwide Control of a Cumene Manufacture Process. Comput. Aided Chem. Eng. 2011, 29, 522–526. [Google Scholar] [CrossRef]
- Panahi, M.; Skogestad, S. Economically efficient operation of CO2 capturing process. Part II. Design of control layer. Chem. Eng. Process. Process. Intensif. 2012, 52, 112–124. [Google Scholar] [CrossRef]
- Jagtap, R.; Kaistha, N.; Skogestad, S. Economic plantwide control over a wide throughput range: A systematic design procedure. AIChE J. 2013, 59, 2407–2426. [Google Scholar] [CrossRef]
- Minasidis, V.; Skogestad, S.; Kaistha, N. Simple Rules for Economic Plantwide Control. In Computer Aided Chemical Engineering; Elsevier: Amsterdam, The Netherlands, 2015. [Google Scholar]
- Skogestad, S. Plantwide control: The search for the self-optimizing control structure. J. Process. Control 2000, 10, 487–507. [Google Scholar] [CrossRef]
- Skogestad, S. Control structure design for complete chemical plants. Comput. Chem. Eng. 2004, 28, 219–234. [Google Scholar] [CrossRef]
- Jahanshahi, E.; Krishnamoorthy, D.; Codas, A.; Foss, B.; Skogestad, S. Plantwide control of an oil production network. Comput. Chem. Eng. 2020, 136, 106765. [Google Scholar] [CrossRef]
- Martínez-Sánchez, O.; Gómez-Castro, F.I.; Ramírez-Corona, N. Plantwide control of a biodiesel production process with variable feedstock. Chem. Eng. Res. Des. 2022, 185, 377–390. [Google Scholar] [CrossRef]
- Gera, V.; Panahi, M.; Skogestad, S.; Kaistha, N. Economic plantwide control of the cumene process. Ind. Eng. Chem. Res. 2013, 52, 830–846. [Google Scholar] [CrossRef]
- Lin, Y.J.; Pan, T.H.; Wong, D.S.H.; Jang, S.S.; Chi, Y.W.; Yeh, C.H. Plantwide Control of CO2 Capture by Absorption and Stripping Using Monoethanolamine Solution. Ind. Eng. Chem. Res. 2011, 50, 1338–1345. [Google Scholar] [CrossRef]
- Ghuge, P.D.; Mali, N.A.; Joshi, S.S. Comparative analysis of extractive and pressure swing distillation for separation of THF-water separation. Comput. Chem. Eng. 2017, 103, 188–200. [Google Scholar] [CrossRef]
- Luyben, W.L. Comparison of flowsheets for THF/water separation using pressure-swing distillation. Comput. Chem. Eng. 2018, 115, 407–411. [Google Scholar] [CrossRef]
- Iqbal, A.; Ahmad, S.A. Entrainer based economical design and plantwide control study for Tetrahydrofuran/Water separation process. Chem. Eng. Res. Des. 2018, 130, 274–283. [Google Scholar] [CrossRef]
- Bartokova, B.; Laredo, T.; Marangoni, A.G.; Pensini, E. Mechanism of tetrahydrofuran separation from water by stearic acid. J. Mol. Liq. 2023, 391, 123262. [Google Scholar] [CrossRef]
- Xu, S.; Bao, J. Plantwide process control with asynchronous sampling and communications. J. Process. Control 2011, 21, 927–948. [Google Scholar] [CrossRef]
- Chapman, P.D.; Tan, X.; Livingston, A.G.; Li, K.; Oliveira, T. Dehydration of tetrahydrofuran by pervaporation using a composite membrane. J. Membr. Sci. 2006, 268, 13–19. [Google Scholar] [CrossRef]
- Yamaki, T.; Matsuda, K.; Huang, K.; Matsumoto, H.; Nakaiwad, M. Separation of Binary mixture using Pressure Swing Distillation with Heat Integration. In Proceedings of the Symposium on Computer Aided Process Engineering, London, UK, 17–20 June 2012; Volume 17, p. 20. [Google Scholar]
- Zhang, Z.g.; Huang, D.h.; Lv, M.; Jia, P.; Sun, D.z.; Li, W.x. Entrainer selection for separating tetrahydrofuran/water azeotropic mixture by extractive distillation. Sep. Purif. Technol. 2014, 122, 73–77. [Google Scholar] [CrossRef]
- Shan, B.; Sun, D.; Zheng, Q.; Zhang, F.; Wang, Y.; Zhu, Z. Dynamic control of the pressure-swing distillation process for THF/ethanol/water separation with and without thermal integration. Sep. Purif. Technol. 2021, 268, 118686. [Google Scholar] [CrossRef]
- Xu, Q.; Liu, X.; Sun, D.; Shan, B.; Cui, P.; Wang, Y.; Zhang, F. Heat integration and dynamic control of reactive pressure-swing distillation for separation of tetrahydrofuran/ethanol/water. Chem. Eng. Process. Process. Intensif. 2023, 191, 109466. [Google Scholar] [CrossRef]
- Mtogo, J.W.; Mugo, G.W.; Mizsey, P. Dynamic Controllability Study of Extractive and Pressure-Swing Distillations for Tetrahydrofuran/Water Separation. Chem. Eng. Technol. 2023, 46, 1706–1716. [Google Scholar] [CrossRef]
- Herslund, P.J.; Thomsen, K.; Abildskov, J.; von Solms, N. Application of the cubic-plus-association (CPA) equation of state to model the fluid phase behaviour of binary mixtures of water and tetrahydrofuran. Fluid Phase Equilibria 2013, 356, 209–222. [Google Scholar] [CrossRef]
- Luyben, W. Plantwide Dynamic Simulators in Chemical Processing and Control; CRC Press: Boca Raton, FL, USA, 2002. [Google Scholar]
- Luyben, W.L.; Chien, I.L. Design and Control of Distillation Systems for Separating Azeotropes; John Wiley & Sons: Hoboken, NJ, USA, 2011. [Google Scholar]
- Downs, J.J.; Skogestad, S. An industrial and academic perspective on plantwide control. Annu. Rev. Control 2011, 35, 99–110. [Google Scholar] [CrossRef]
- Dorf, R.C. Sistemas de Control Moderno; Pearson Educación: London, UK, 2005. [Google Scholar]
- Hori, E.S.; Skogestad, S. Selection of control structure and temperature location for two-product distillation columns. Chem. Eng. Res. Des. 2007, 85, 293–306. [Google Scholar] [CrossRef]
- Luyben, W.L. Control of a multiunit heterogeneous azeotropic distillation process. AIChE J. 2006, 52, 623–637. [Google Scholar] [CrossRef]
















| Low-Pressure Column (14.7 psia) | High-Pressure Column (115 psia) | |
|---|---|---|
| Diameter (ft) | 2.7 | 1.4 |
| Reflux drum holdup () | 28 | 16 |
| Base holdup () | 22 | 41 |
| Low-Pressure Column (14.7 psia) | High-Pressure Column (115 psia) | |
|---|---|---|
| Condenser temperature | 162.91 °F | 277.62 °F |
| Specific heat of the condenser | −1,889,370 Btu/hr | −1,011,850 Btu/hr |
| Condenser pressure | 20 psia | 115 psia |
| Reflux ratio | 1 | 1 |
| Distillation flow rate | 69.66 lbmol/hr | 40.07 lbmol/hr |
| Bottom flow rate | 70.41 lbmol/hr | 29.59 lbmol/hr |
| Reboiler temperature | 191.99 °F | 296.24 °F |
| Reboiler heat | 1,958,810 Btu/hr | 1,310,350 Btu/hr |
| Reboiler pressure | 22 psia | 117 psia |
| Feed Flow Rate | Flow Distillation D1—LPC | Flow Bottom B1—LPC | Flow Distillation D2—HPC | Flow Bottom B2—HPC | |
|---|---|---|---|---|---|
| Temperature (F) | 90 | 162.9 | 192 | 277.6 | 296.2 |
| Pressure (psia) | 70 | 20 | 22 | 115 | 117 |
| Mass flux (lbmol/hr) | 100 | 69.66 | 70.41 | 40.07 | 29.59 |
| Mass flow rate (lbmol/hr) | 3424.27 | 4228.61 | 1306.52 | 2110.95 | 2117.67 |
| Molar flow composition | |||||
| THF | 30 | 54.97 | 0.70 | 25.68 | 29.29 |
| Water | 70 | 14.69 | 69.71 | 14.39 | 0.29 |
| Molar fraction composition | |||||
| THF | 0.3 | 0.78 | 0.01 | 0.64 | 0.99 |
| Water | 0.7 | 0.22 | 0.99 | 0.36 | 0.01 |
| Low-Pressure Column | High-Pressure Column | ||||
|---|---|---|---|---|---|
| Stage | Temperature (°F) | Pressure (psia) | Temperature (°F) | Pressure (psia) | |
| 1 | 162.91 | 20 | 277.62 | 115 | |
| 2 | 163.50 | 20.2 | 277.75 | 115.2 | |
| 3 | 164.20 | 20.4 | 277.91 | 115.4 | |
| 4 | 164.77 | 20.6 | 278.11 | 115.6 | |
| 5 | 165.42 | 20.8 | 278.44 | 115.8 | |
| 6 | 166.81 | 21 | 279.03 | 116 | |
| 7 | 167.19 | 21.2 | 279.77 | 116.2 | |
| 8 | 167.79 | 21.4 | 281.91 | 116.4 | |
| 9 | 168.40 | 21.6 | 286.67 | 116.6 | |
| 10 | 169.57 | 21.8 | 292.42 | 116.8 | |
| 11 | 191.99 | 22 | 296.24 | 117 | |
| Output Variables | ||||||||||||
|---|---|---|---|---|---|---|---|---|---|---|---|---|
| THF LPC | THF HPC | Pressure LPC | ||||||||||
| Input Variables | Nominal Values | Variation of +−5% | Units | Results | % Variation | Sens. Index | Results | % Variation | Sens. Index | Results | % Variation | Sens. Index |
| HPC reboiler | 1,069,696.92 | 1,123,181.77 | Btu/hr | 0.85 | 14.21 | 2.84 | 0.99 | 1.00 | 0.20 | 29.61 | 97.44 | 19.48 |
| heat | 1,016,212.08 | 0.99 | 0.23 | 0.047 | 0.97 | 1.42 | 0.28 | 12.28 | 18.09 | 3.61 | ||
| HPC reflux | 888.3 | 932.72 | lbmol/hr | 0.97 | 3.34 | 0.67 | 0.99 | 0.44 | 0.08 | 19.32 | 28.83 | 5.76 |
| 843.89 | 0.93 | 5.96 | 1.19 | 0.99 | 0.73 | 0.14 | 21.72 | 44.86 | 8.97 | |||
| LPC specific | −1,119,431.65 | −1,175,403.23 | Btu/hr | 1.00 | 1.01 | 0.20 | 0.97 | 1.06 | 0.21 | 4.50 | 69.95 | 13.99 |
| heat condenser | −1,063,460.06 | 0.82 | 17.34 | 3.47 | 0.99 | 1.00 | 0.20 | 37.10 | 147.34 | 29.46 | ||
| LPC reboiler | 1,127,708.65 | 1,184,094.08 | Btu/hr | 0.82 | 17.29 | 3.47 | 0.99 | 1.00 | 0.20 | 46.35 | 209.03 | 41.80 |
| heat | 1,071,323.21 | 0.93 | 5.50 | 1.10 | 0.99 | 0.73 | 0.14 | 21.14 | 40.98 | 8.19 | ||
| LPC reflux | 657.03 | 689.88 | lbmol/hr | 0.81 | 17.87 | 3.57 | 0.99 | 1.00 | 0.20 | 29.46 | 96.41 | 19.28 |
| 624.18 | 0.94 | 4.62 | 0.92 | 0.99 | 0.62 | 0.12 | 20.54 | 36.96 | 7.39 | |||
| Type of Control | SISO PI | MIMO MPC |
|---|---|---|
| Controlled variable | Pressure in LPC | Temperatures: Tray 11 in LPC Tray 9 in HPC |
| Manipulated variable | Heat duty in condenser in LPC | Heat reboiler in each column |
| Model | PI Proportional gain: 6.17 Integral gain: 2.53 | MIMO (2 × 2 system) described in Equation (14) |
| Controller action | Inverse | — |
| Parameters MPC | ||
| Prediction horizon | 75 | |
| Control horizon | 50 | |
| Cost function | ||
| Weights | R = 1500, Q = 800 | |
| Constraints | Qreb in LPC Min: Max: Qreb in HPC Min: Max: |
Disclaimer/Publisher’s Note: The statements, opinions and data contained in all publications are solely those of the individual author(s) and contributor(s) and not of MDPI and/or the editor(s). MDPI and/or the editor(s) disclaim responsibility for any injury to people or property resulting from any ideas, methods, instructions or products referred to in the content. |
© 2024 by the authors. Licensee MDPI, Basel, Switzerland. This article is an open access article distributed under the terms and conditions of the Creative Commons Attribution (CC BY) license (https://creativecommons.org/licenses/by/4.0/).
Share and Cite
Ramos-Martinez, M.; Ortiz-Torres, G.; Sorcia-Vázquez, F.D.J.; Torres-Cantero, C.A.; Calixto-Rodriguez, M.; Mena-Enriquez, M.G.; Valdez Martínez, J.S.; Sarmiento-Bustos, E.; Cruz Rojas, A.; Rumbo-Morales, J.Y. Plantwide Control for the Separation of THF-H2O in an Azeotropic Distillation Process. ChemEngineering 2024, 8, 127. https://doi.org/10.3390/chemengineering8060127
Ramos-Martinez M, Ortiz-Torres G, Sorcia-Vázquez FDJ, Torres-Cantero CA, Calixto-Rodriguez M, Mena-Enriquez MG, Valdez Martínez JS, Sarmiento-Bustos E, Cruz Rojas A, Rumbo-Morales JY. Plantwide Control for the Separation of THF-H2O in an Azeotropic Distillation Process. ChemEngineering. 2024; 8(6):127. https://doi.org/10.3390/chemengineering8060127
Chicago/Turabian StyleRamos-Martinez, Moises, Gerardo Ortiz-Torres, Felipe D. J. Sorcia-Vázquez, Carlos Alberto Torres-Cantero, Manuela Calixto-Rodriguez, Mayra G. Mena-Enriquez, Jorge Salvador Valdez Martínez, Estela Sarmiento-Bustos, Alan Cruz Rojas, and Jesse Y. Rumbo-Morales. 2024. "Plantwide Control for the Separation of THF-H2O in an Azeotropic Distillation Process" ChemEngineering 8, no. 6: 127. https://doi.org/10.3390/chemengineering8060127
APA StyleRamos-Martinez, M., Ortiz-Torres, G., Sorcia-Vázquez, F. D. J., Torres-Cantero, C. A., Calixto-Rodriguez, M., Mena-Enriquez, M. G., Valdez Martínez, J. S., Sarmiento-Bustos, E., Cruz Rojas, A., & Rumbo-Morales, J. Y. (2024). Plantwide Control for the Separation of THF-H2O in an Azeotropic Distillation Process. ChemEngineering, 8(6), 127. https://doi.org/10.3390/chemengineering8060127

