Analysis and Comparison of Fuzzy Models and Observers for DC-DC Converters Applied to a Distillation Column Heating Actuator
Abstract
1. Introduction
2. Case Study: Distillation Column Heating Actuator
2.1. Distillation Column Nonlinear Model
2.2. Heating Actuator (Boiler) Model
The power of heating generated by an electrical conductor is proportional to the product of its resistance and the square of the electric current passing through the conductor and the time the current flows through the wire.
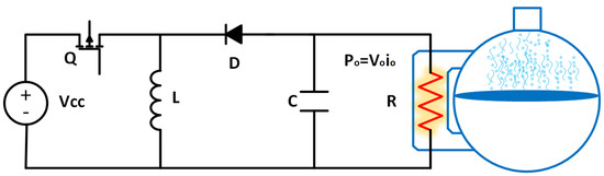
3. Buck-Boost Converter Models
3.1. State-Space Model of the Buck-Boost Converter
Switching Model Simulation
3.2. Nonlinear Model
3.3. Takagi–Sugeno Fuzzy Model
| Rule 1: |
| If is and if is |
| Then: |
| Rule 2: |
| If is and if is |
| Then: |
| Rule 3: |
| If is and if is |
| Then: |
| Rule 4: |
| If is and if is |
| Then: |
3.4. Models Comparison
4. Observers
4.1. Fuzzy Observer
4.2. Robust Observer under Parameter Variation
4.3. Fuzzy Observer with Sliding Modes
| If: |
| is and, …, and is , |
5. Fuzzy Observer for the Heating Resistor Actuator
6. Discussion, Analysis and Results
6.1. Simulation and Comparison of the Heating Actuator Observers
6.2. Heating Behavior in the Distillation Column
7. Conclusions
Author Contributions
Funding
Acknowledgments
Conflicts of Interest
References
- Asprion, N. Modeling, Simulation, and Optimization 4.0 for a Distillation Column. Chemie Ingenieur Technik 2020, 92, 879–889. [Google Scholar] [CrossRef]
- Albuquerque, A.A.; Ng, F.T.; Danielski, L.; Stragevitch, L. Phase equilibrium modeling in biodiesel production by reactive distillation. Fuel 2020, 271, 117688. [Google Scholar] [CrossRef]
- Keßler, T.; Kunde, C.; McBride, K.; Mertens, N.; Michaels, D.; Sundmacher, K.; Kienle, A. Global optimization of distillation columns using explicit and implicit surrogate models. Chem. Eng. Sci. 2019, 197, 235–245. [Google Scholar] [CrossRef]
- Piltan, F.; TayebiHaghighi, S.; Jowkar, S.; Bod, H.R.; Sahamijoo, A.; Heo, J.S. A Novel Intelligent ARX-Laguerre Distillation Column Estimation Technique. Int. J. Intell. Syst. Appl. 2019, 11, 52–60. [Google Scholar] [CrossRef]
- Salas, S.; Romagnoli, J.A.; Tronci, S.; Baratti, R. A geometric observer design for a semi-batch free-radical polymerization system. Comput. Chem. Eng. 2019, 126, 391–402. [Google Scholar] [CrossRef]
- Yin, X.; Liu, J. Distributed state estimation for a class of nonlinear processes based on high-gain observers. Chem. Eng. Res. Des. 2020, 160, 20–30. [Google Scholar] [CrossRef]
- Paraschiv, N.; Olteanu, M. Feedforward process control of a distillation column based on evolutionary techniques. In Proceedings of the 2015 19th International Conference on System Theory, Control and Computing (ICSTCC), Cheile Gradistei, Romania, 14–16 October 2015; pp. 730–735. [Google Scholar]
- Shafeeq, A.; Daood, S.S.; Muhammad, A.; Ijaz, A. Effect of variable reflux ratio on binary distillation in a laboratory scale distillation column. In Proceedings of the 2010 2nd International Conference on Chemical, Biological and Environmental Engineering, Cairo, Egypt, 2–4 November 2010; pp. 35–38. [Google Scholar]
- Venkatramanan, D.; John, V. Dynamic modeling and analysis of buck converter based solar PV charge controller for improved MPPT performance. IEEE Trans. Ind. Appl. 2019, 55, 6234–6246. [Google Scholar] [CrossRef]
- Spiliotis, K.; Gonçalves, J.E.; Van De Sande, W.; Ravyts, S.; Daenen, M.; Saelens, D.; Baert, K.; Driesen, J. Modeling and validation of a DC/DC power converter for building energy simulations: Application to BIPV systems. Appl. Energy 2019, 240, 646–665. [Google Scholar] [CrossRef]
- Ortigoza, R.S.; Juarez, J.N.A.; Sanchez, J.R.G.; Cruz, M.A.; Guzman, V.M.H.; Taud, H. Modeling and experimental validation of a bidirectional DC/DC buck power electronic converter-DC motor system. IEEE Lat. Am. Trans. 2017, 15, 1043–1051. [Google Scholar] [CrossRef]
- Fan, J.W.T.; Chow, J.P.W.; Chan, W.T.; Zhang, K.; Relekar, A.; Ho, K.W.; Tung, C.P.; Wang, K.W.; Chung, H.S.H. Modeling and experimental assessment of the EMI characteristics of switching converters with power semiconductor filters. IEEE Trans. Power Electron. 2019, 35, 2519–2533. [Google Scholar] [CrossRef]
- Xu, S.; Zhang, J.; Huang, Y.; Jatskevich, J. Dynamic average-value modeling of three-level T-type grid-connected converter system. IEEE J. Emerg. Sel. Top. Power Electron. 2019, 7, 2428–2442. [Google Scholar] [CrossRef]
- Dong, X.; Griffo, A.; Hewitt, D.A.; Wang, J. Reduced-Order Thermal Observer for Power Modules Temperature Estimation. IEEE Trans. Ind. Electron. 2019, 67, 10085–10094. [Google Scholar] [CrossRef]
- Grégoire, L.A.; Wang, W.; Seleme, S.I.; Fadel, M. High reliability observers for modular multilevel converter capacitor voltage evaluation. In Proceedings of the 2016 IEEE 8th International Power Electronics and Motion Control Conference (IPEMC-ECCE Asia), Hefei, China, 22–26 May 2016; pp. 2332–2336. [Google Scholar]
- Zhuo, S.; Gaillard, A.; Xu, L.; Liu, C.; Paire, D.; Gao, F. An Observer-Based Switch Open-Circuit Fault Diagnosis of DC-DC Converter for Fuel Cell Application. IEEE Trans. Ind. Appl. 2020, 56, 3159–3167. [Google Scholar] [CrossRef]
- Li, J.; Zhang, Z.; Li, B. Sensor fault detection and system reconfiguration for DC-DC boost converter. Sensors 2018, 18, 1375. [Google Scholar] [CrossRef] [PubMed]
- Tanaka, K.; Sugeno, M. Stability analysis and design of fuzzy control systems. Fuzzy Sets Syst. 1992, 45, 135–156. [Google Scholar] [CrossRef]
- Skogestad, S. Dynamics and control of distillation columns: A tutorial introduction. Chem. Eng. Res. Des. 1997, 75, 539–562. [Google Scholar] [CrossRef]
- Hyde, J.; Cuspinera, A.; Regué, J. Control Electroneumático y Electrónico; Marcombo: Barcelona, Spain, 1997; Volume 2. [Google Scholar]
- Rashid, M.H. Power Electronics Handbook; Butterworth-Heinemann: Oxford, UK, 2017. [Google Scholar]
- Boora, A.A.; Zare, F.; Ledwich, G.; Ghosh, A. A general approach to control a positive buck-boost converter to achieve robustness against input voltage fluctuations and load changes. In Proceedings of the 2008 IEEE Power Electronics Specialists Conference, Rhodes, Greece, 15–19 June 2008; pp. 2011–2017. [Google Scholar]
- Zhou, X.; He, Q. Modeling and simulation of Buck-Boost converter with voltage feedback control. In Proceedings of the 2015 7th International Conference on Mechanical and Electronics Engineering, Bali, Indonesia, 1–2 July 2015. [Google Scholar]
- Çorapsiz, M.R.; Kahveci, H. Voltage Control Strategy for DC-DC Buck-Boost Converter. In Proceedings of the 4th International Conference on Advanves in Natural & Applied Sciences, Agri, Turkey, 19–22 June 2019; pp. 436–446. [Google Scholar]
- Feshara, H.F.; Ibrahim, A.M.; El-Amary, N.H.; Sharaf, S.M. Performance evaluation of variable structure controller based on sliding mode technique for a grid-connected solar network. IEEE Access 2019, 7, 84349–84359. [Google Scholar] [CrossRef]
- Javed, K.; Vandevelde, L.; De Belie, F. Feed-Forward Control Method for Digital Power Factor Correction in Parallel Connected Buck-Boost Converter (CCM Mode). In Proceedings of the 2020 International Symposium on Power Electronics, Electrical Drives, Automation and Motion (SPEEDAM), Sorrento, Italy, 24–26 June 2020; pp. 827–831. [Google Scholar]
- Arazi, M.; Payman, A.; Camara, M.B.; Dakyo, B. Study of different topologies of DC-DC resonant converters for renewable energy applications. In Proceedings of the 2018 Thirteenth International Conference on Ecological Vehicles and Renewable Energies (EVER), Monte Carlo, Monaco, 10–12 April 2018; pp. 1–6. [Google Scholar]
- Rojas, C.A.; Kouro, S.; Perez, M.A.; Echeverria, J. DC-DC MMC for HVDC grid interface of utility-scale photovoltaic conversion systems. IEEE Trans. Ind. Electron. 2018, 65, 352–362. [Google Scholar] [CrossRef]
- Tanaka, K.; Ikeda, T.; Wang, H.O. Fuzzy regulators and fuzzy observers: Relaxed stability conditions and LMI-based designs. IEEE Trans. Fuzzy Syst. 1998, 6, 250–265. [Google Scholar] [CrossRef]
- Anzurez-Marín, J. Diagnóstico de Fallas en Sistemas no Lineales Usando Lógica Difusa y Observadores con Modos Deslizantes. Ph.D. Thesis, CINVESTAV, Mexico City, Mexico, 2007. [Google Scholar]
- Castillo-Toledo, B.; Anzurez-Marin, J. Model-based fault diagnosis using sliding mode observers to Takagi–Sugeno fuzzy model. In Proceedings of the 2005 IEEE International Symposium on Mediterrean Conference on Control and Automation Intelligent Control, Limassol, Cyprus, 27–29 June 2005; pp. 652–657. [Google Scholar]
- Luenberger, D. Observers for multivariable systems. IEEE Trans. Autom. Control 1966, 11, 190–197. [Google Scholar] [CrossRef]
- Bergsten, P.; Palm, R.; Driankov, D. Observers for Takagi–Sugeno fuzzy systems. IEEE Trans. Syst. Man Cybern. B Cybern. 2002, 32, 114–121. [Google Scholar] [CrossRef] [PubMed]




















| Parameter | Magnitude |
|---|---|
| Input voltage | 180 V |
| Output voltage | V |
| Inductor current | 7.3 A |
| Switching frequency f | 20 kHz |
| Load R | 70.3 |
| Inductor L | 5 mH |
| Capacitor C | 78 F |
| Duty cycle d | 0.56 |
| Parameter | Magnitude |
|---|---|
| Supply voltage () | 180 V |
| Output voltage () | V |
| Inductor (L) | H |
| Capacitor (C) | F |
| Load (R) | |
| Switching frequency (f) | 20 kHz |
| Duty cycle (u) |
| Parameter | Ethanol | Water |
|---|---|---|
| Density () | 0.789 g/cm | 1 g/cm |
| Molecular weight () | 46.069 g | 18.01528 g |
| Boiling temperature (R) | C | C |
| Vapor entalphy () | 38.56 kJ/mol·C | 40.65 kJ/mol·C |
| Parameter | Magnitude |
|---|---|
| Ethanol volume in the boiler | 1000 mL |
| Water volume in the boiler | 1000 mL |
| Process total pressure | 636 mmHg |
| Sampling time | 3 s |
© 2020 by the authors. Licensee MDPI, Basel, Switzerland. This article is an open access article distributed under the terms and conditions of the Creative Commons Attribution (CC BY) license (http://creativecommons.org/licenses/by/4.0/).
Share and Cite
Heras-Cervantes, M.; Téllez-Anguiano, A.d.C.; Anzurez-Marín, J.; Espinosa-Juárez, E. Analysis and Comparison of Fuzzy Models and Observers for DC-DC Converters Applied to a Distillation Column Heating Actuator. Math. Comput. Appl. 2020, 25, 55. https://doi.org/10.3390/mca25030055
Heras-Cervantes M, Téllez-Anguiano AdC, Anzurez-Marín J, Espinosa-Juárez E. Analysis and Comparison of Fuzzy Models and Observers for DC-DC Converters Applied to a Distillation Column Heating Actuator. Mathematical and Computational Applications. 2020; 25(3):55. https://doi.org/10.3390/mca25030055
Chicago/Turabian StyleHeras-Cervantes, Mario, Adriana del Carmen Téllez-Anguiano, Juan Anzurez-Marín, and Elisa Espinosa-Juárez. 2020. "Analysis and Comparison of Fuzzy Models and Observers for DC-DC Converters Applied to a Distillation Column Heating Actuator" Mathematical and Computational Applications 25, no. 3: 55. https://doi.org/10.3390/mca25030055
APA StyleHeras-Cervantes, M., Téllez-Anguiano, A. d. C., Anzurez-Marín, J., & Espinosa-Juárez, E. (2020). Analysis and Comparison of Fuzzy Models and Observers for DC-DC Converters Applied to a Distillation Column Heating Actuator. Mathematical and Computational Applications, 25(3), 55. https://doi.org/10.3390/mca25030055

