Impact Evaluation of Electric Vehicle Parking on Solving Security-Constrained Unit Commitment Problem
Abstract
:1. Introduction
2. V2G-Based Power Generation
3. The Formulation of the SCUC Problem in the Presence of V2G
3.1. Objective Function and Linearization
3.2. Units and System Constraints
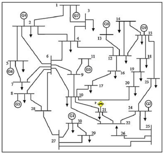
4. Case Study
- Scenario 1. A solution to the SCUC problem without considering V2G;
- Scenario 2. A solution to the SCUC problem in the presence of V2G.
4.1. Case 1: The IEEE 6-Bus System
4.2. Case 2: The Extended IEEE 30-Bus System
5. Conclusions
Acknowledgments
Author Contributions
Conflicts of Interest
Nomenclature
| b | Index of bus |
| cf | Cost function |
| l | Index of transmission lines |
| t | Scheduling hour |
| i | Number of thermal units |
| Pi,t | Power generation of unit i at time t |
| Pi,tmax | Maximum generation capacity of unit i at time t |
| Pi,tmin | Minimum generation capacity of unit i at time t |
| Ii,t | Status of unit i at hour t (1 on/ 0 off) |
| Dt | Load demand at time t |
| SUCi | Start-up cost of unit i |
| SDCi | Shut-down cost of unit i |
| Rt | System reserve |
| RURi | Ramp up rate of unit i |
| RDRi | Ramp down rate of unit i |
| k | Denotes a segment of curves |
| Si,t | Slop of segment k in linearized |
| Pi,k | Denote power output of unit i at segment k |
| v | Denotes “vehicle” |
| Pv | Capacity of each vehicle |
| Maximum number of vehicles at parking at time t | |
| NV 2G t | Number of vehicles connected to the grid at time t |
| Total vehicles in the system | |
| SOC | State of charge |
| Xl | Inductance of line l |
| Pl,t | Real power flow on line l at time t |
| Plmax | Maximum capacity of line l |
| Lf,b | Set of lines starting from bus b |
| Lt,b | Set of lines |
| Db | Set of loads which are connected to bus b |
| θ | Bus angle |
| Bb | Set of units which are connected to bus b |
References
- Shahidehpour, M.; Yamin, H.; Li, Z. Market Operations in Electric Power Systems; John Wiley & Sons: New York, NY, USA, 2002. [Google Scholar]
- Wood, A.J.; Wollenberg, B.F. Power Generation, Operation, and Control; John Wiley & Sons: New York, NY, USA, 2012. [Google Scholar]
- Daneshi, H.; Daneshi, A.; Tabari, N.M.; Jahromi, A.N. Security-constrained unit commitment in a system with wind generation and compressed air energy storage. In Proceedings of the 2009 6th International Conference on the European Energy Market, Leuven, Belgium, 27–29 May 2009; pp. 1–6. [Google Scholar]
- Marneris, I.G.; Biskas, P.N.; Bakirtzis, A.G. Stochastic and deterministic unit commitment considering uncertainty and variability reserves for high renewable integration. Energies 2017, 10, 140. [Google Scholar] [CrossRef]
- Takashi, M.; Aziz, M.; Oda, T.; Uetsuji, A.; Watanabe, Y.; Kashiwagi, T. Annual Assessment of Large-Scale Introduction of Renewable Energy: Modeling of Unit Commitment Schedule for Thermal Power Generators and Pumped Storages. Energies 2017, 10, 738. [Google Scholar] [CrossRef]
- Zhang, C.; Xu, Y.; Dong, Z.Y.; Wong, K.P. Robust Coordination of Distributed Generation and Price-Based Demand Response in Microgrids. IEEE Trans. Smart Grid. 2017, 1. [Google Scholar] [CrossRef]
- Pourmousavi, S.A.; Nehrir, M.H.; Sharma, R.K. Multi-timescale power management for islanded microgrids including storage and demand response. IEEE Trans. Smart Grid 2015, 6, 1185–1195. [Google Scholar] [CrossRef]
- Muhammad, A.; Oda, T.; Mitani, T.; Watanabe, Y.; Kashiwagi, T. Utilization of electric vehicles and their used batteries for peak-load shifting. Energies 2015, 8, 3720–3738. [Google Scholar]
- Williams, B.D.; Kurani, K.S. Commercializing light-duty plug-in/plug-out hydrogen-fuel-cell vehicles: “Mobile Electricity” technologies and opportunities. J. Power Sources 2007, 166, 549–566. [Google Scholar] [CrossRef]
- Lu, L.; Wen, F.; Ledwich, G.; Huang, J. Unit commitment in power systems with plug-in hybrid electric vehicles. Int. Trans. Electr. Energy Syst. 2013, 23, 1205–1220. [Google Scholar] [CrossRef]
- Lund, H.; Kempton, W. Integration of renewable energy into the transport and electricity sectors through V2G. Energy Policy 2008, 36, 3578–3587. [Google Scholar] [CrossRef]
- Guan, X.; Zhai, Q.; Papalexopoulos, A. Optimization based methods for unit commitment: Lagrangian relaxation versus general mixed integer programming. In Proceedings of the 2003 IEEE Power Engineering Society General Meeting (IEEE Cat. No. 03CH37491), Toronto, ON, Canada, 13–17 July 2003; Volume 2, pp. 13–17. [Google Scholar]
- Gams. Cutting Edge Modeling. Available online: http://www.gams.com (accessed on 5 March 2018).
- Ranganathan, P.; Nygard, K. Smart grid data analytics for decision support. In Proceedings of the 2011 IEEE Electrical Power and Energy Conference, Winnipeg, MB, Canada, 3–5 October 2011; pp. 315–321. [Google Scholar]
- Ghadi, M.J.; Baghramian, A.; Imani, M.H. An ICA based approach for solving profit based unit commitment problem market. Appl. Soft Comput. 2016, 38, 487–500. [Google Scholar] [CrossRef]
- Darin, M.; Delarue, E.; D’haeseleer, W. Integrating electric vehicles as flexible load in unit commitment modeling. Energy 2014, 65, 285–294. [Google Scholar]
- Imani, S.M.H.; Niknejad, P.; Barzegaran, M.R. The impact of customers’ participation level and various incentive values on implementing emergency demand response program in microgrid operation. Int. J. Electr. Power Energy Syst. 2018, 96, 114–125. [Google Scholar] [CrossRef]
- Ghadi, M.J.; Karin, A.I.; Baghramian, A.; Imani, M.H. Optimal power scheduling of thermal units considering emission constraint for GENCOs’ profit maximization. Int. J. Electr. Power Energy Syst. 2016, 82, 124–135. [Google Scholar] [CrossRef]
- Han, X.; Zhou, M.; Li, G.; Lee, K.Y. Stochastic Unit Commitment of Wind-Integrated Power System Considering Air-Conditioning Loads for Demand Response. Appl. Sci. 2017, 7, 1154. [Google Scholar] [CrossRef]
- Imani, S.M.H.; Asghari, S.; Ameli, M.T. Considering the load uncertainty for solving security constrained unit commitment problem in presence of plug-in electric vehicle. In Proceedings of the 2014 22nd Iranian Conference on Electrical Engineering (ICEE), Tehran, Iran, 20–22 May 2014; pp. 725–732. [Google Scholar]
- Wu, L.; Shahidehpour, M.; Li, T. Stochastic security-constrained unit commitment. IEEE Trans. Power Syst. 2007, 22, 800–811. [Google Scholar] [CrossRef]
















| Time (h) | 0 | 1 | 3 | 2 | 4 |
| Ii,t | 0 | 1 | 0 | 1 | 0 |
| γi,t | - | 1 | 0 | 0 | 0 |
| δi,t | - | 0 | 1 | 0 | 0 |
| Time (h) | 5 | 6 | 8 | 7 | 9 |
| Ii,t | 0 | 0 | 1 | 1 | 0 |
| γi,t | 0 | 0 | 0 | 1 | 0 |
| δi,t | 0 | 0 | 0 | 0 | 1 |
| G1 (MW) | G2 (MW) | G3 (MW) | V2G (MW) | |
|---|---|---|---|---|
| Without V2G | 4529.25 | 199.63 | 1663.68 | - |
| With V2G | 4662 | 0 | 1380.55 | 150 |
| V2G Effect | 132.77 | 199.63 | 83.13 | - |
© 2018 by the authors. Licensee MDPI, Basel, Switzerland. This article is an open access article distributed under the terms and conditions of the Creative Commons Attribution (CC BY) license (http://creativecommons.org/licenses/by/4.0/).
Share and Cite
Hosseini Imani, M.; Jabbari Ghadi, M.; Shamshirband, S.; Balas, M.M. Impact Evaluation of Electric Vehicle Parking on Solving Security-Constrained Unit Commitment Problem. Math. Comput. Appl. 2018, 23, 13. https://doi.org/10.3390/mca23010013
Hosseini Imani M, Jabbari Ghadi M, Shamshirband S, Balas MM. Impact Evaluation of Electric Vehicle Parking on Solving Security-Constrained Unit Commitment Problem. Mathematical and Computational Applications. 2018; 23(1):13. https://doi.org/10.3390/mca23010013
Chicago/Turabian StyleHosseini Imani, Mahmood, Mojtaba Jabbari Ghadi, Shahaboddin Shamshirband, and Marius M. Balas. 2018. "Impact Evaluation of Electric Vehicle Parking on Solving Security-Constrained Unit Commitment Problem" Mathematical and Computational Applications 23, no. 1: 13. https://doi.org/10.3390/mca23010013
APA StyleHosseini Imani, M., Jabbari Ghadi, M., Shamshirband, S., & Balas, M. M. (2018). Impact Evaluation of Electric Vehicle Parking on Solving Security-Constrained Unit Commitment Problem. Mathematical and Computational Applications, 23(1), 13. https://doi.org/10.3390/mca23010013

