A Simple Preparation Method of Graphene and TiO2 Loaded Activated Carbon Fiber and Its Application for Indoor Formaldehyde Degradation
Abstract
:1. Introduction
2. Experimental
2.1. Chemicals and Materials
2.2. Synthesis and Characterization
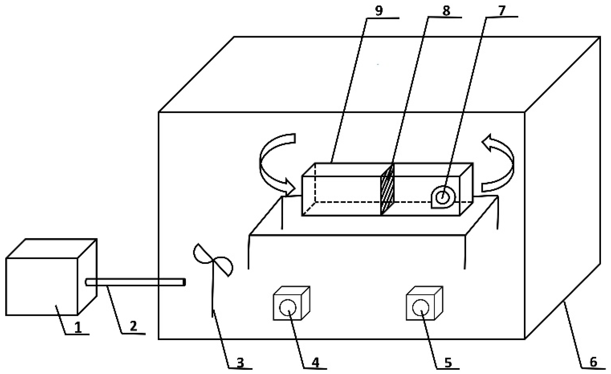
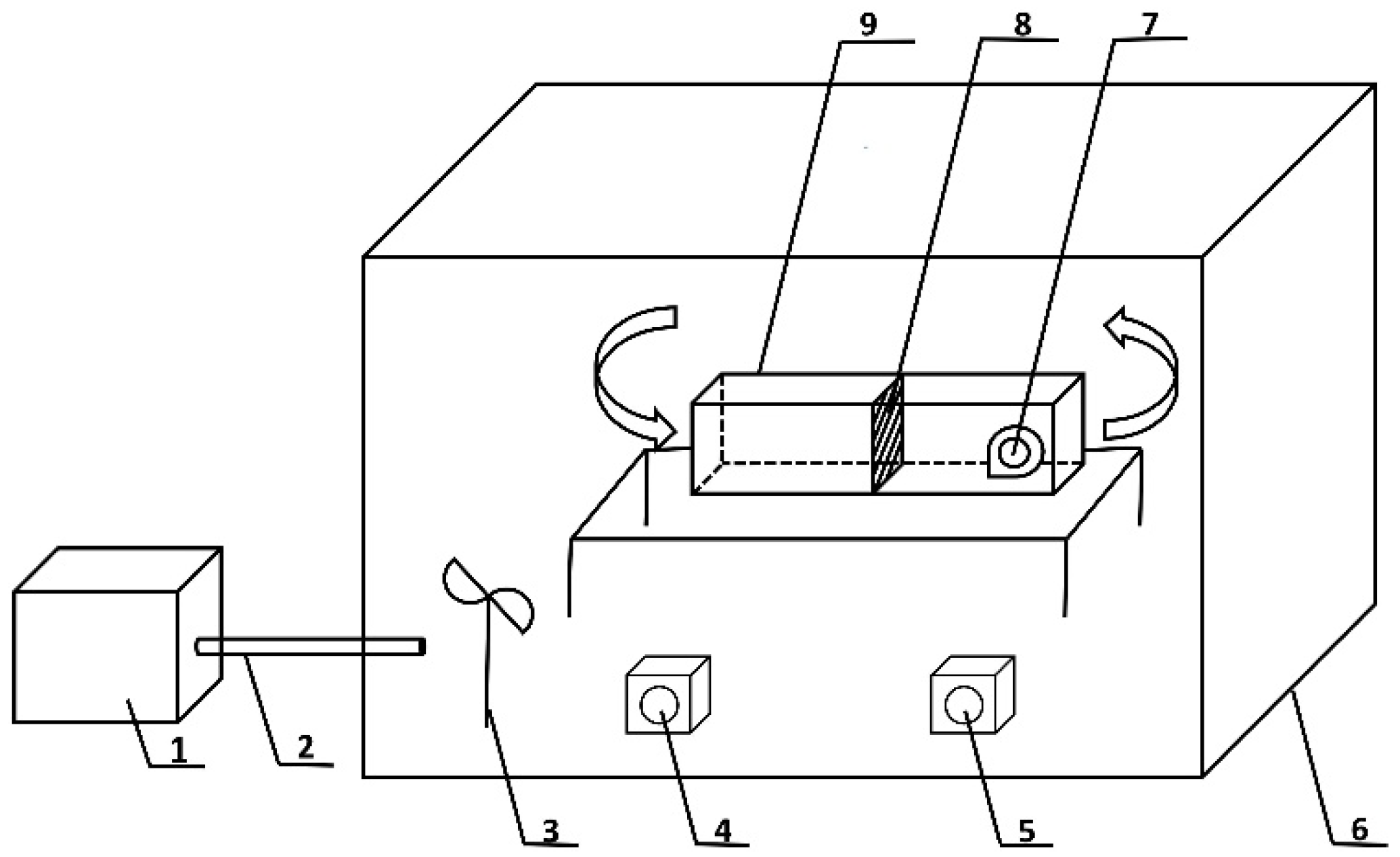
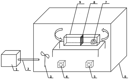
2.3. Experimental Methods
3. Results
3.1. Characterization of the GR-TiO2/ACF Hybrid Materials
3.2. The Effect of Different Factors on the Degradation of Formaldehyde by GR-TiO2/ACF
3.2.1. Comparison of Formaldehyde Removal Rate before and after Activated Carbon Fiber Loading GR-TiO2
3.2.2. The Effect of Different Radiation Intensity
3.2.3. The Effect of Air Supply Volume
3.2.4. The Effect of Relative Humidity
3.2.5. The Effect of Initial Mass Concentrations of Formaldehyde
4. Conclusions
Author Contributions
Funding
Institutional Review Board Statement
Informed Consent Statement
Data Availability Statement
Conflicts of Interest
References
- Spengler, J.D.; Sexton, K. Indoor air pollution: A public health perspective. Science 1983, 221, 9–17. [Google Scholar] [CrossRef] [PubMed]
- Tran, V.V.; Park, D.; Lee, Y.-C. Indoor air pollution, related human diseases, and recent trends in the control and improvement of indoor air quality. Int. J. Environ. Res. Public Health 2020, 17, 2927. [Google Scholar] [CrossRef] [PubMed] [Green Version]
- Brunekreef, B.; Holgate, S.T. Air pollution and health. Lancet 2002, 360, 1233–1242. [Google Scholar] [CrossRef]
- Tian, E.; Yu, Q.; Gao, Y.; Wang, H.; Wang, C.; Zhang, Y.; Li, B.; Zhu, M.; Mo, J.; Xu, G. Ultralow Resistance Two-Stage Electrostatically Assisted Air Filtration by Polydopamine Coated PET Coarse Filter. Small 2021, 17, 2102051. [Google Scholar] [CrossRef]
- Salthammer, T.; Mentese, S.; Marutzky, R. Formaldehyde in the indoor environment. Chem. Rev. 2010, 110, 2536–2572. [Google Scholar] [CrossRef]
- Tian, E.; Xia, F.; Wu, J.; Zhang, Y.; Li, J.; Wang, H.; Mo, J. Electrostatic air filtration by multifunctional dielectric heterocaking filters with ultralow pressure drop. ACS Appl. Mater. Interfaces 2020, 12, 29383–29392. [Google Scholar] [CrossRef]
- Rovira, J.; Roig, N.; Nadal, M.; Schuhmacher, M.; Domingo, J.L. Human health risks of formaldehyde indoor levels: An issue of concern. J. Environ. Sci. Health Part A 2016, 51, 357–363. [Google Scholar] [CrossRef] [Green Version]
- Hun, D.E.; Corsi, R.L.; Morandi, M.T.; Siegel, J.A. Formaldehyde in residences: Long-term indoor concentrations and influencing factors. Indoor Air 2010, 20, 196–203. [Google Scholar] [CrossRef]
- Kim, K.-H.; Jahan, S.A.; Lee, J.-T. Exposure to formaldehyde and its potential human health hazards. J. Environ. Sci. Health Part C 2011, 29, 277–299. [Google Scholar] [CrossRef]
- Main, D.M.; Hogan, T.J. Health effects of low-level exposure to formaldehyde. J. Occup. Med. 1983, 25, 896–900. [Google Scholar] [CrossRef]
- Mo, J.; Zhang, Y.; Xu, Q.; Lamson, J.J.; Zhao, R. Photocatalytic purification of volatile organic compounds in indoor air: A literature review. Atmos. Environ. 2009, 43, 2229–2246. [Google Scholar] [CrossRef]
- Magalhães, P.; Andrade, L.; Nunes, O.C.; Mendes, A. Titanium dioxide photocatalysis: Fundamentals and application on photoinactivation. Rev. Adv. Mater. Sci. 2017, 51, 91–129. [Google Scholar]
- Huang, Y.; Ho, S.S.H.; Lu, Y.; Niu, R.; Xu, L.; Cao, J.; Lee, S. Removal of indoor volatile organic compounds via photocatalytic oxidation: A short review and prospect. Molecules 2016, 21, 56. [Google Scholar] [CrossRef] [Green Version]
- Fujishima, A.; Honda, K. Electrochemical photolysis of water at a semiconductor electrode. Nature 1972, 238, 37–38. [Google Scholar] [CrossRef]
- Nakata, K.; Fujishima, A. TiO2 photocatalysis: Design and applications. J. Photochem. Photobiol. C 2012, 13, 169–189. [Google Scholar] [CrossRef]
- Noguchi, T.; Fujishima, A.; Sawunyama, P.; Hashimoto, K. Photocatalytic Degradation of Gaseous Formaldehyde Using TiO2 Film. Environ. Sci. Technol. 1998, 32, 3831–3833. [Google Scholar] [CrossRef]
- Hashimoto, K.; Irie, H.; Fujishima, A. TiO2 photocatalysis: A historical overview and future prospects. Jpn. J. Appl. Phys. 2005, 44, 8269. [Google Scholar] [CrossRef]
- Park, H.; Park, Y.; Kim, W.; Choi, W. Surface modification of TiO2 photocatalyst for environmental applications. J. Photochem. Photobiol. C 2013, 15, 1–20. [Google Scholar] [CrossRef]
- Geim, A.; Novoselov, K. The rise of graphene. Nat. Mater. 2007, 6, 183–191. [Google Scholar] [CrossRef]
- Wen, J.; Li, X.; Liu, W.; Fang, Y.; Xie, J.; Xu, Y. Photocatalysis fundamentals and surface modification of TiO2 nanomaterials. Chin. J. Catal. 2015, 36, 2049–2070. [Google Scholar] [CrossRef]
- Zhu, M.; Muhammad, Y.; Hu, P.; Wang, B.; Wu, Y.; Sun, X.; Tong, Z.; Zhao, Z. Enhanced interfacial contact of dopamine bridged melamine-graphene/TiO2 nano-capsules for efficient photocatalytic degradation of gaseous formaldehyde. Appl. Catal. B 2018, 232, 182–193. [Google Scholar] [CrossRef]
- Tao, Y.; Li, S.; Zhao, S.; Li, D.; Wu, Y.; Liang, Z.; Cheng, H. TiO2/PANI/Graphene–PVA Hydrogel for Recyclable and Highly Efficient Photo-Electrocatalysts. Ind. Eng. Chem. Res. 2021, 60, 10033–10043. [Google Scholar] [CrossRef]
- Jie, Z.; Xiao, X.; Huan, Y.; Youkang, H.; Zhiyao, Z. The preparation and characterization of TiO2/r-GO/Ag nanocomposites and its photocatalytic activity in formaldehyde degradation. Environ. Technol. 2019, 42, 193–205. [Google Scholar] [CrossRef]
- Yan, Z.; Xu, Z.; Yang, Z.; Yue, L.; Huang, L. Graphene oxide/Fe2O3 nanoplates supported Pt for enhanced room-temperature oxidation of formaldehyde. Appl. Surf. Sci. 2019, 467–468, 277–285. [Google Scholar] [CrossRef]
- Liu, G.; Zhou, J.; Zhao, W.; Ao, Z.; An, T. Single atom catalytic oxidation mechanism of formaldehyde on Al doped graphene at room temperature. Chin. Chem. Lett. 2020, 31, 1966–1969. [Google Scholar] [CrossRef]
- Mo, J.; Zhang, Y.; Xu, Q.; Yang, R. Effect of TiO2/adsorbent hybrid photocatalysts for toluene decomposition in gas phase. J. Hazard. Mater. 2009, 168, 276–281. [Google Scholar] [CrossRef]
- Xiao, R.; Mo, J.; Zhang, Y.; Gao, D. An in-situ thermally regenerated air purifier for indoor formaldehyde removal. Indoor Air 2018, 28, 266–275. [Google Scholar] [CrossRef]
- Chen, H.; Mo, J.; Xiao, R.; Tian, E. Gaseous formaldehyde removal: A laminated plate fabricated with activated carbon, polyimide, and copper foil with adjustable surface temperature and capable of in situ thermal regeneration. Indoor Air 2019, 29, 469–476. [Google Scholar] [CrossRef]
- Chen, Q.; Liu, F.; Mo, J. Vertical macro-channel modification of a flexible adsorption board with in-situ thermal regeneration for indoor gas purification to increase effective adsorption capacity. Environ. Res. 2021, 192, 110218. [Google Scholar] [CrossRef]
- Chen, Q.; Xiao, R.; Lei, X.; Yu, T.; Mo, J. Experimental and modeling investigations on the adsorption behaviors of indoor volatile organic compounds in an in-situ thermally regenerated adsorption-board module. Build. Environ. 2021, 203, 108065. [Google Scholar] [CrossRef]
- Li, M.; Lu, B.; Ke, Q.-F.; Guo, Y.-J.; Guo, Y.-P. Synergetic effect between adsorption and photodegradation on nanostructured TiO2/activated carbon fiber felt porous composites for toluene removal. J. Hazard. Mater. 2017, 333, 88–98. [Google Scholar] [CrossRef]
- Liu, R.; Li, W.; Peng, A. A facile preparation of TiO2/ACF with C-Ti bond and abundant hydroxyls and its enhanced photocatalytic activity for formaldehyde removal. Appl. Surf. Sci. 2018, 427, 608–616. [Google Scholar] [CrossRef]
- Guo, X.; Dai, J.; Zhang, K.; Wang, X.; Cui, Z.; Xiang, J. Fabrication of N-doped TiO2/activated carbon fiber composites with enhanced photocatalytic activity. Text. Res. J. 2014, 84, 1891–1900. [Google Scholar] [CrossRef]
- Zhao, W.; Bai, Z.; Ren, A.; Guo, B.; Wu, C. Sunlight photocatalytic activity of CdS modified TiO2 loaded on activated carbon fibers. Appl. Surf. Sci. 2010, 256, 3493–3498. [Google Scholar] [CrossRef]
- Yang, S.; Zhu, Z.; Wei, F.; Yang, X. Enhancement of formaldehyde removal by activated carbon fiber via in situ growth of carbon nanotubes. Build. Environ. 2017, 126, 27–33. [Google Scholar] [CrossRef]
- Ye, J.; Zhu, X.; Cheng, B.; Yu, J.; Jiang, C. Few-Layered Graphene-like Boron Nitride: A Highly Efficient Adsorbent for Indoor Formaldehyde Removal. Environ. Sci. Technol. Lett. 2017, 4, 20–25. [Google Scholar] [CrossRef]
- Destaillats, H.; Sleiman, M.; Sullivan, D.P.; Jacquiod, C.; Sablayrolles, J.; Molins, L. Key parameters influencing the performance of photocatalytic oxidation (PCO) air purification under realistic indoor conditions. Appl. Catal. B 2012, 128, 159–170. [Google Scholar] [CrossRef]
- Yu, Z.; Li, J.; Jin, Y. Photocatalytic degradation of formaldehyde over ACF with TiO2 loadings. Ind. Catal. 2008, 7, 71–74. [Google Scholar]
- Hamadanian, M.; Behpour, M.; Razavian, A.S.; Jabbari, V. Structural, morphological and photocatalytic characterisations of Ag-coated anatase TiO2 fabricated by the sol–gel dip-coating method. J. Exp. Nanosci. 2013, 8, 901–912. [Google Scholar] [CrossRef] [Green Version]
- Sun, Q.; Lu, Y.; Tu, J.; Yang, D.; Cao, J.; Li, J. Bulky macroporous TiO2 photocatalyst with cellular structure via facile wood-template method. Int. J. Photoenergy 2013, 2013, 649540. [Google Scholar] [CrossRef] [Green Version]
- Mo, J.; Zhang, Y.; Yang, R.; Xu, Q. Influence of fins on formaldehyde removal in annular photocatalytic reactors. Build. Environ. 2008, 43, 238–245. [Google Scholar] [CrossRef]
- Feng, B.; Xu, X.; Xu, W.; Zhou, G.; Hu, J.; Wang, Y.; Bao, Z. Self-assembled 3D ACF–rGO–TiO2 composite as efficient and recyclable spongy adsorbent for organic dye removal. Mater. Des. 2015, 83, 522–527. [Google Scholar] [CrossRef]
- Puddu, V.; Choi, H.; Dionysiou, D.D.; Puma, G.L. TiO2 photocatalyst for indoor air remediation: Influence of crystallinity, crystal phase, and UV radiation intensity on trichloroethylene degradation. Appl. Catal. B 2010, 94, 211–218. [Google Scholar] [CrossRef]
- Khaki, M.R.D.; Shafeeyan, M.S.; Raman, A.A.A.; Daud, W.M.A.W. Evaluating the efficiency of nano-sized Cu doped TiO2/ZnO photocatalyst under visible light irradiation. J. Mol. Liq. 2018, 258, 354–365. [Google Scholar] [CrossRef]
- Pei, J.; Zhang, J.S. Critical review of catalytic oxidization and chemisorption methods for indoor formaldehyde removal. HVACR Res. 2011, 17, 476–503. [Google Scholar]
- Mo, J.; Zhang, Y.; Xu, Q. Effect of water vapor on the by-products and decomposition rate of ppb-level toluene by photocatalytic oxidation. Appl. Catal. B 2013, 132, 212–218. [Google Scholar] [CrossRef]
- Mamaghani, A.H.; Haghighat, F.; Lee, C.-S. Photocatalytic oxidation of MEK over hierarchical TiO2 catalysts: Effect of photocatalyst features and operating conditions. Appl. Catal. B 2019, 251, 1–16. [Google Scholar] [CrossRef]
- Bi, Y.; Sun, E.; Zhang, S.; Du, F.; Wei, H.; Liu, F.; Zhao, C. Synergistic effect of adsorption and photocatalysis for the degradation of toluene by TiO2 loaded on ACF modified by Zn(CH3COO)2. Environ. Sci. Pollut. Res. 2021, 28, 57398–57411. [Google Scholar] [CrossRef]










Publisher’s Note: MDPI stays neutral with regard to jurisdictional claims in published maps and institutional affiliations. |
© 2022 by the authors. Licensee MDPI, Basel, Switzerland. This article is an open access article distributed under the terms and conditions of the Creative Commons Attribution (CC BY) license (https://creativecommons.org/licenses/by/4.0/).
Share and Cite
Liu, F.; Gao, X.; Peng, M. A Simple Preparation Method of Graphene and TiO2 Loaded Activated Carbon Fiber and Its Application for Indoor Formaldehyde Degradation. Separations 2022, 9, 31. https://doi.org/10.3390/separations9020031
Liu F, Gao X, Peng M. A Simple Preparation Method of Graphene and TiO2 Loaded Activated Carbon Fiber and Its Application for Indoor Formaldehyde Degradation. Separations. 2022; 9(2):31. https://doi.org/10.3390/separations9020031
Chicago/Turabian StyleLiu, Fang, Xuezhi Gao, and Man Peng. 2022. "A Simple Preparation Method of Graphene and TiO2 Loaded Activated Carbon Fiber and Its Application for Indoor Formaldehyde Degradation" Separations 9, no. 2: 31. https://doi.org/10.3390/separations9020031
APA StyleLiu, F., Gao, X., & Peng, M. (2022). A Simple Preparation Method of Graphene and TiO2 Loaded Activated Carbon Fiber and Its Application for Indoor Formaldehyde Degradation. Separations, 9(2), 31. https://doi.org/10.3390/separations9020031
