Effect of Vacuum Process on Enrichment of Low-Concentration Coal Mine Methane by Adsorption
Abstract
1. Introduction
2. Experiment and Methods
2.1. Adsorbent
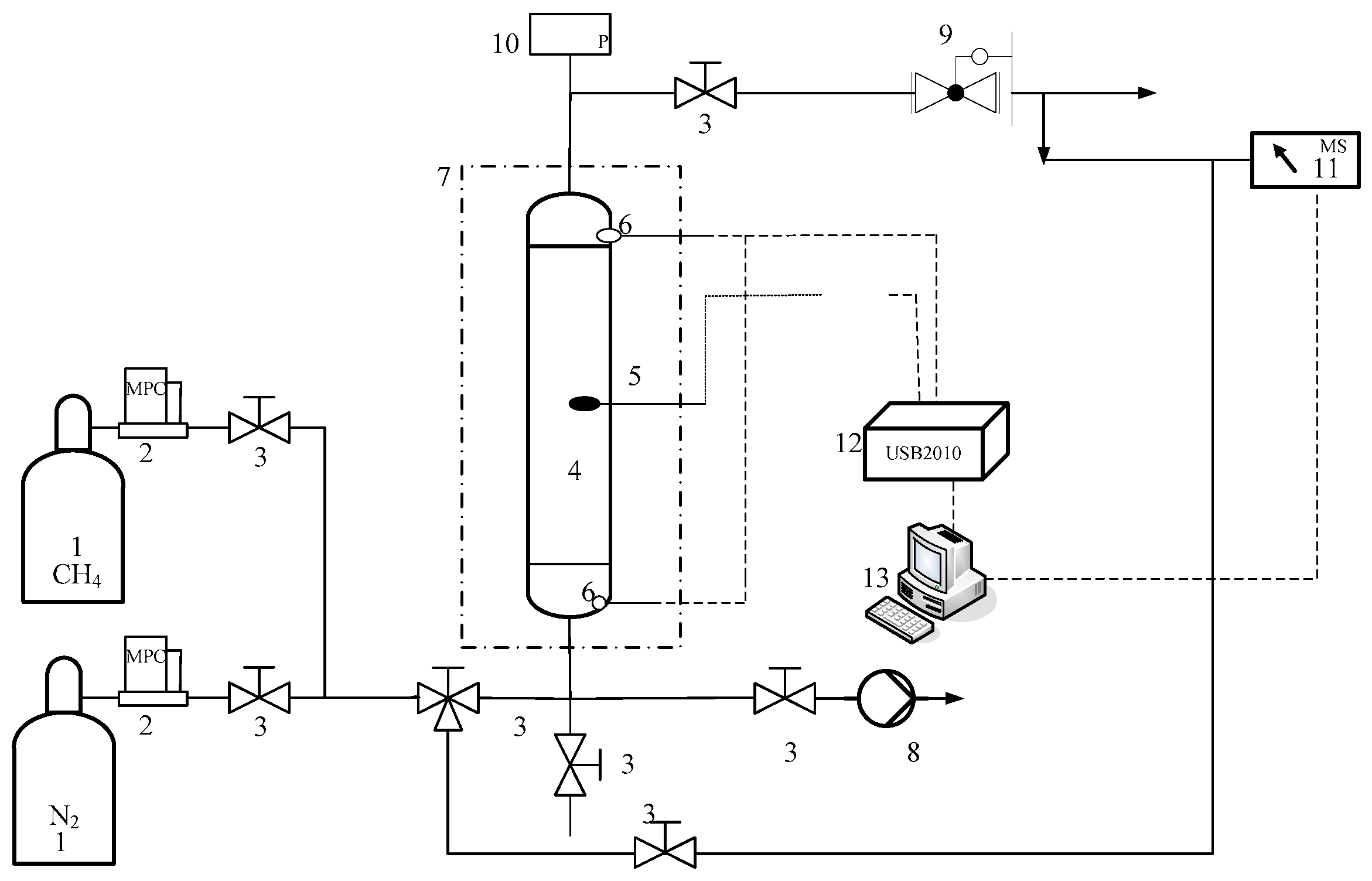
2.2. Breakthrough Setup
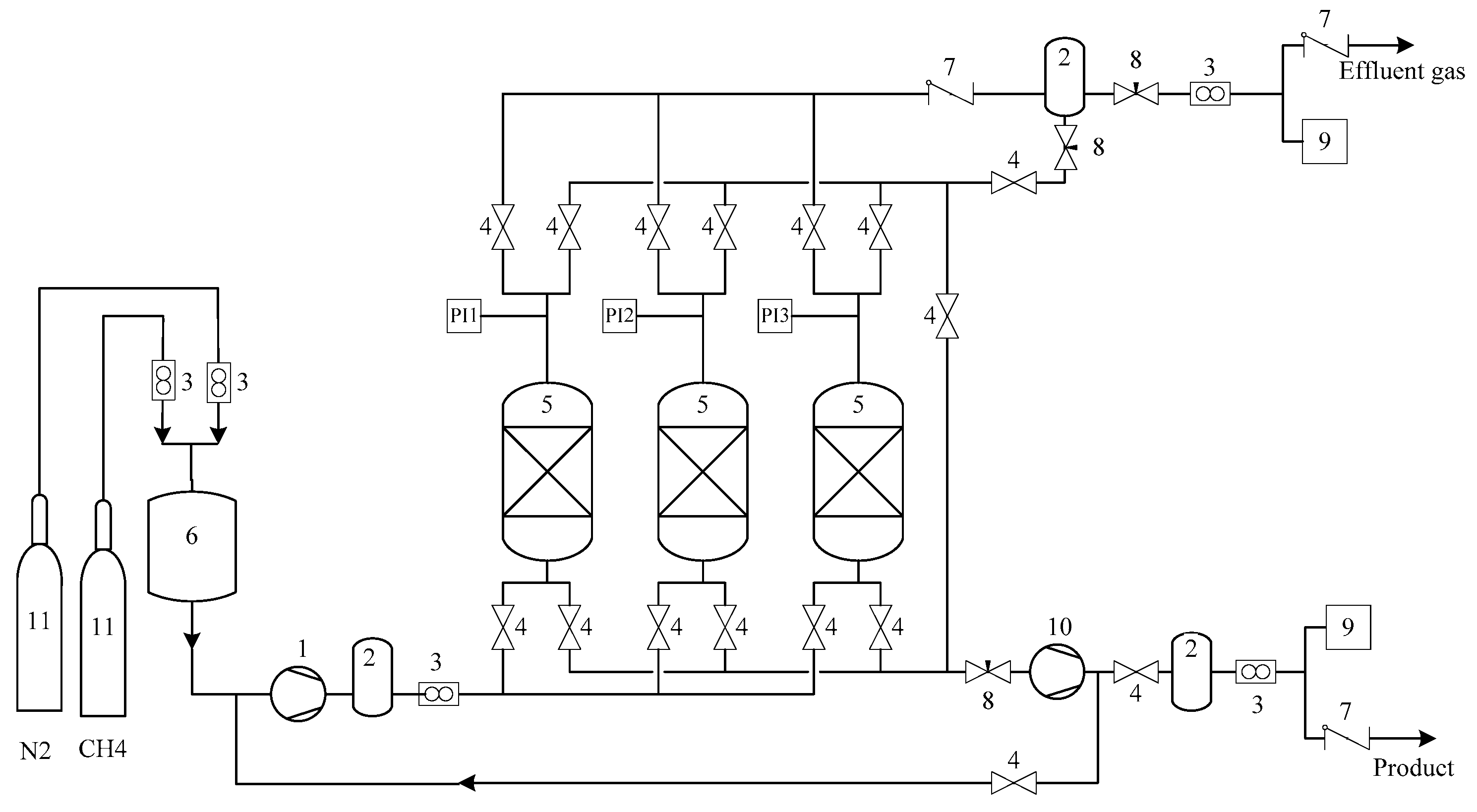
2.3. VPSA Experiment
2.3.1. Experiment Setup
2.3.2. VPSA Process
2.4. Mathematical Model
Model
3. Results and Discussion
3.1. Numerical Simulation of Desorption Process of Low-Concentration CMM
3.1.1. Breakthrough
3.1.2. Effects of Desorption Process on Methane Enrichment
3.2. Experimental Study on Enrichment of Low-Concentration CMM by Three-Bed VPSA
3.2.1. Comparison Between Feed Gas Pressurization and Exhaust Gas Pressurization
3.2.2. Effect of Vacuum Exhaust Process on CMM Enrichment
4. Conclusions
- (1)
- The methane concentration change in depressurization and desorption at the inlet and outlet of the adsorption bed during the low-concentration CMM enrichment process was analyzed by numerical simulation. It was pointed out that the methane concentration gradually increased with the decrease in desorption pressure. Among the two different depressurization processes, depressurization at the inlet end of the adsorption bed could obtain a higher methane concentration on the desorbed gas.
- (2)
- The enrichment experiment of low-concentration CMM was carried out using a three-bed VPSA process. It was pointed out that pressurization by exhaust gas can significantly prolong the breakthrough time in the adsorption separation process and improve the utilization efficiency of the adsorbent. Thus, it can enhance the separation efficiency.
- (3)
- The vacuuming exhaust step can discharge the gas with a relatively low methane concentration at the adsorption bed’s outlet end, which significantly enhances the product gas concentration. The experimental study shows that under the experimental conditions, the integral fraction of product gas increases from 22.5% to 26.7% when the pumping time increases from 0 s to 6 s with the adsorption and desorption pressure of 110 kPa and 10 kPa, respectively.
- (4)
- When the CMM was enriched from 12% to 25.3%, CH4 recovery reached more than 81%. At this time, the feed gas treatment capacity of the adsorbent is about 305 L/h/kg.
Author Contributions
Funding
Data Availability Statement
Conflicts of Interest
References
- Lyu, S.; Lu, A.; Li, R.; Chen, X.; Chen, Z.; Chen, L.; Shen, P.; Xiong, Z. Production of Coal Fines in Deep Coal Seam via Morphologic, Flow-Channel, Mineral Analyses: Evidence from Coalbed Methane Wells in the Qinshui Basin. ACS Omega 2024, 9, 25283. [Google Scholar] [CrossRef] [PubMed]
- Tu, Z.; Li, L.; Wang, F.; Zhang, Y. Review on separation of coalbed methane by hydrate method. Fuel 2024, 358, 130224. [Google Scholar] [CrossRef]
- Anna, H.R.S.; Barreto, A.G., Jr.; Tavares, F.W.; do Nascimento, J.F. Methane/nitrogen separation through pressure swing adsorption process from nitrogen-rich streams. Chem. Eng. Process. Process Intensif. 2016, 103, 70–79. [Google Scholar] [CrossRef]
- Shindell, D.; Sadavarte, P.; Aben, I.; Bredariol, T.d.O.; Dreyfus, G.; Höglund-Isaksson, L.; Poulter, B.; Saunois, M.; Schmidt, G.A.; Szopa, S.; et al. The methane imperative. Front. Sci. 2024, 2, 1349770. [Google Scholar] [CrossRef]
- Yang, X.; Li, Z.; Zhang, C.; Wang, H.; Zhang, E.; Xing, Y.; Xiao, P.; Yang, R.T.; Liu, Y.; Webley, P.A. Practical separation performance evaluation of CMM upgrading with carbon molecular sieves. Chem. Eng. J. 2019, 367, 295–303. [Google Scholar] [CrossRef]
- Peng, J.J. Economy comparative study of gas power generation for private use and export. Mod. Econ. Inf. 2014, 10, 394–395. [Google Scholar]
- Wang, X.; Zhou, F.; Ling, Y.; Xiao, Y.; Ma, B.; Ma, X.; Yu, S.; Liu, H.; Wei, K.; Kang, J. Overview and Outlook on Utilization Technologies of Low-Concentration CMM. Energy Fuels 2021, 35, 15398–15423. [Google Scholar] [CrossRef]
- Yang, X.; Liu, Y.; Li, Y.; Meng, Y.; Zhang, C.; Yan, J. Safe separation of the low-concentration and oxygen-bearing CMM by vacuum pressure swing adsorption. Adsorpt. Sci. Technol. 2014, 32, 667–679. [Google Scholar] [CrossRef]
- Olajossy, A. Effective recovery of methane from CMM gas by vacuum pressure swing adsorption: A pilot scale case study. Chem. Eng. Sci. 2013, 1, 46–54. [Google Scholar] [CrossRef]
- Cavenati, S.; Grande, C.A.; Rodrigues, A.E. Separation of CH4/CO2/N2 mixtures by layered pressure swing adsorption for upgrade of natural gas. Chem. Eng. Sci. 2006, 61, 3893–3906. [Google Scholar] [CrossRef]
- Su, S.; Beath, A.; Guo, H.; Mallett, C. An assessment of mine methane mitigation and utilisation technologies. Prog. Energy Combust. Sci. 2005, 31, 123–170. [Google Scholar] [CrossRef]
- Su, S.; Agnew, J. Catalytic combustion of coal mine ventilation air methane. Fuel 2006, 85, 1201–1210. [Google Scholar] [CrossRef]
- Shang, J.; Li, G.; Gu, Q.; Singh, R.; Xiao, P.; Liu, J.Z.; Webley, P.A. Temperature controlled invertible selectivity for adsorption of N2 and CH4 by molecular trapdoor chabazites. Chem. Commun. 2014, 50, 4544–4546. [Google Scholar] [CrossRef] [PubMed]
- Yang, H.; Yin, C.; Jiang, B.; Zhang, D. Optimization and analysis of a VPSA process for N2/CH4 separation. Sep. Purif. Technol. 2014, 134, 232–240. [Google Scholar] [CrossRef]
- Zhou, Y.; Fu, Q.; Shen, Y.; Sun, W.; Zhang, D.; Li, D.; Yan, H. Upgrade of low-concentration oxygen-bearing coal bed methane by a vacuum pressure swing adsorption process: Performance study and safety analysis. Energy Fuels 2016, 30, 1496–1509. [Google Scholar] [CrossRef]
- Utaki, T. Development of CMM concentration technology for reduction of greenhouse gas emissions. Sci. China Ser. E Technol. Sci. 2010, 53, 28–32. [Google Scholar] [CrossRef]
- Yang, J.; Bai, H.; Shang, H.; Wang, J.; Li, J.; Deng, S. Experimental and simulation study on efficient CH4/N2 separation by pressure swing adsorption on silicalite-1 pellets. Chem. Eng. J. 2020, 388, 124222. [Google Scholar] [CrossRef]
- Li, Z.; Liu, Y.; Zhang, C.; Yang, X.; Ren, J.; Jiang, L. Methane recovery from coal bed gas using modified activated carbons: A combined method for assessing the role of functional groups. Energy Fuels 2015, 29, 6858–6865. [Google Scholar] [CrossRef]
- Liu, Y.; Yang, X.; Li, Y.; Yang, H.; Zhang, C.; Meng, Y. The experiment study on ventilation air methane enrichment by vacuum pressure swing adsorption. Energy Educ. Sci. Technol. Part A-Energy Sci. Res. 2012, 29, 217–226. [Google Scholar]
- Yang, X.; Liu, Y.; Li, Z.; Zhang, C.; Xing, Y. Vacuum exhaust process in pilot-scale vacuum pressure swing adsorption for coal mine ventilation air methane enrichment. Energies 2018, 11, 1030. [Google Scholar] [CrossRef]
- Yang, M.; Hou, Z.; Guo, N.; Yang, E.; Sun, D.; Fang, Y. Effects of enhanced-efficiency nitrogen fertilizers on CH4 and CO2 emissions in a global perspective. Field Crops Res. 2022, 288, 108694. [Google Scholar] [CrossRef]
- Rege, S.U.; Yang, R.T. Limits for air separation by adsorption with LiX zeolite. Ind. Eng. Chem. Res. 1997, 36, 5358–5365. [Google Scholar] [CrossRef]
- Zafanelli, L.F.; Henrique, A.; Karimi, M.; Rodrigues, A.E.; Silva, J.A. Single-and multicomponent fixed bed adsorption of CO2, CH4, and N2 in binder-free beads of 4A zeolite. Ind. Eng. Chem. Res. 2020, 59, 13724–13734. [Google Scholar] [CrossRef]
- Bae, J.S.; Su, S.; Yu, X.X. Enrichment of ventilation air methane (VAM) with carbon fiber composites. Environ. Sci. Technol. 2014, 48, 6043–6049. [Google Scholar] [CrossRef]













| CH4 | N2 | |||||
|---|---|---|---|---|---|---|
| T/K | 298 | 308 | 318 | 298 | 308 | 318 |
| qm/(mol/kg) | 2.490 | 2.356 | 2.258 | 2.24 | 2.19554 | 2.273 |
| b/kPa−1 | 0.00772 | 0.00646 | 0.00529 | 0.00183 | 0.00155 | 0.00123 |
| Adsorption Bed I | AD | PE↓ | VA | PE↑ | PR | |
| Adsorption Bed II | PE↑ | PR | AD | PE↓ | VA | |
| Adsorption Bed III | PE↓ | VA | PE↑ | PR | AD | |
| Adsorption Bed I | AD | PE↓ | VE | VA | PE↑ | PR | |||
| Adsorption Bed II | PE↑ | PR | AD | PE↓ | VE | VA | |||
| Adsorption Bed III | PE↓ | VE | VA | PE↑ | PR | AD | |||
| Bed length | 0.41 m |
| Diameter of sorbent | 0.046 m |
| Bed external porosity | 0.4 |
| Bed density | 720 kg/m3 |
| Mass transfer coefficient of CH4 | 0.41 s−1 |
| Mass transfer coefficient of N2 | 3 s−1 |
| Ambient temperature | 298 K |
| Feed gas temperature | 298 K |
| Feed gas composition | 88% N2, 12% CH4 |
| Axial dispersion coefficient (Dax) | 5 × 10−5 m2/s [23] |
| Step | Inlet of the Bed | Outlet of the Bed |
|---|---|---|
| adsorption | ||
| vacuum exhaust | ||
| vacuum |
Disclaimer/Publisher’s Note: The statements, opinions and data contained in all publications are solely those of the individual author(s) and contributor(s) and not of MDPI and/or the editor(s). MDPI and/or the editor(s) disclaim responsibility for any injury to people or property resulting from any ideas, methods, instructions or products referred to in the content. |
© 2025 by the authors. Licensee MDPI, Basel, Switzerland. This article is an open access article distributed under the terms and conditions of the Creative Commons Attribution (CC BY) license (https://creativecommons.org/licenses/by/4.0/).
Share and Cite
Kang, Y.; Liu, Y.; Liu, W.; Li, Y.; Sun, N.; Zhang, Q.; Li, Z.; Yang, X. Effect of Vacuum Process on Enrichment of Low-Concentration Coal Mine Methane by Adsorption. Separations 2025, 12, 56. https://doi.org/10.3390/separations12030056
Kang Y, Liu Y, Liu W, Li Y, Sun N, Zhang Q, Li Z, Yang X. Effect of Vacuum Process on Enrichment of Low-Concentration Coal Mine Methane by Adsorption. Separations. 2025; 12(3):56. https://doi.org/10.3390/separations12030056
Chicago/Turabian StyleKang, Yuanyuan, Yingshu Liu, Wenhai Liu, Ye Li, Ningqi Sun, Quanli Zhang, Ziyi Li, and Xiong Yang. 2025. "Effect of Vacuum Process on Enrichment of Low-Concentration Coal Mine Methane by Adsorption" Separations 12, no. 3: 56. https://doi.org/10.3390/separations12030056
APA StyleKang, Y., Liu, Y., Liu, W., Li, Y., Sun, N., Zhang, Q., Li, Z., & Yang, X. (2025). Effect of Vacuum Process on Enrichment of Low-Concentration Coal Mine Methane by Adsorption. Separations, 12(3), 56. https://doi.org/10.3390/separations12030056

